智慧社区安全智能有序充电系统架构、管理平台与电力需求响应平台的数据交互、设备布署要求.docx

上传人:p** 文档编号:871981 上传时间:2024-03-24 格式:DOCX 页数:4 大小:63.51KB
下载 相关 举报
智慧社区安全智能有序充电系统架构、管理平台与电力需求响应平台的数据交互、设备布署要求.docx_第1页
第1页 / 共4页
智慧社区安全智能有序充电系统架构、管理平台与电力需求响应平台的数据交互、设备布署要求.docx_第2页
第2页 / 共4页
智慧社区安全智能有序充电系统架构、管理平台与电力需求响应平台的数据交互、设备布署要求.docx_第3页
第3页 / 共4页
智慧社区安全智能有序充电系统架构、管理平台与电力需求响应平台的数据交互、设备布署要求.docx_第4页
第4页 / 共4页
亲,该文档总共4页,全部预览完了,如果喜欢就下载吧!
资源描述

《智慧社区安全智能有序充电系统架构、管理平台与电力需求响应平台的数据交互、设备布署要求.docx》由会员分享,可在线阅读,更多相关《智慧社区安全智能有序充电系统架构、管理平台与电力需求响应平台的数据交互、设备布署要求.docx(4页珍藏版)》请在第壹文秘上搜索。

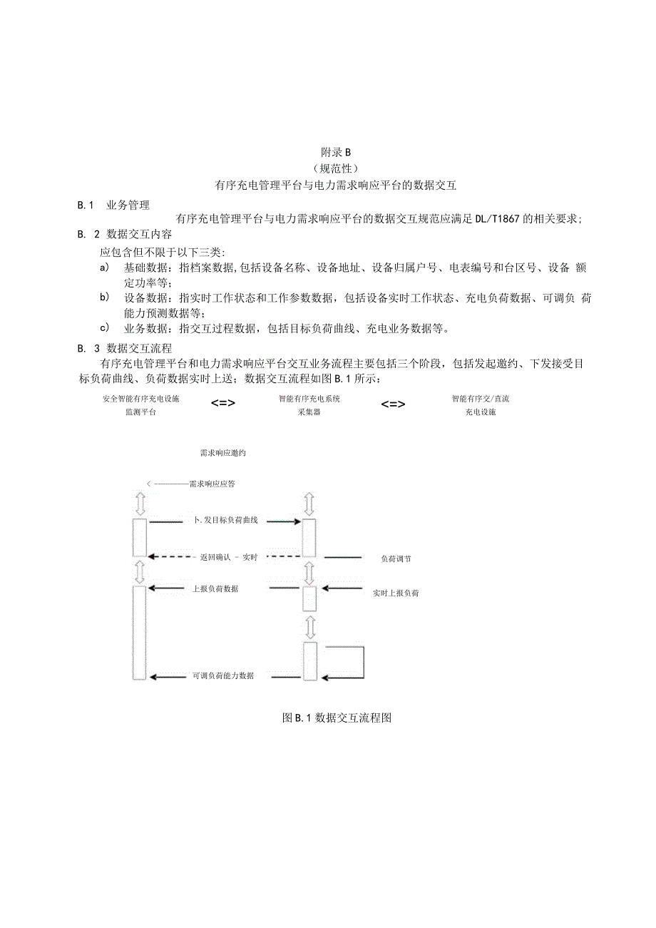
1、附录A(规范性)安全智能有序充电系统架构图A.1规定了安全智能有序充电系统的架构。图A.1安全智能有序充电系统架构附录B(规范性)有序充电管理平台与电力需求响应平台的数据交互B.1业务管理有序充电管理平台与电力需求响应平台的数据交互规范应满足DL/T1867的相关要求;B. 2数据交互内容应包含但不限于以下三类:a)b)c)基础数据:指档案数据,包括设备名称、设备地址、设备归属户号、电表编号和台区号、设备 额定功率等;设备数据:指实时工作状态和工作参数数据,包括设备实时工作状态、充电负荷数据、可调负 荷能力预测数据等;业务数据:指交互过程数据,包括目标负荷曲线、充电业务数据等。B. 3数据交互

2、流程有序充电管理平台和电力需求响应平台交互业务流程主要包括三个阶段,包括发起邀约、下发接受目标负荷曲线、负荷数据实时上送;数据交互流程如图B.1所示:安全智能有序充电设施监测平台智能有序充电系统采集器智能有序交/直流充电设施需求响应邀约需求响应应答卜.发目标负荷曲线- 返回确认 - 实时上报负荷数据可调负荷能力数据负荷调节实时上报负荷图B.1数据交互流程图附录C(资料性)有序充电设备布署要求C.1接地要求C.1.1分散有序充电设备的接地应满足以下要求:a)接地满足GB/T50065的相关要求;b)低压接地系统采用TN-S系统。C.1.2有序充电设备保护接地端子应可靠接地,接地电阻值应满足GB/

3、T50065的相关要求。C.1.3户内外安装有序充电设备应满足以下要求:a)利用建筑物的接地装置接地;b)与就近的建筑或配电设施共用接地装置;当无法利用时,加设接地装置。C.2有序充电设备选址要求C.2.1分散有序充电设备规划应与配电网规划相结合。C.2.2分散有序充电设备的低压接地系统宜采用TN-S系统。C.2.3在用户居住地停车位、单位停车场配建的有序充电设备宜采用交流充电方式,公共建筑物停车场、社会公共停车场、路内临时停车位配建有序充电设备宜采用大功率直流充电方式。C.2.4分散有序充电设备的选址满足以下要求:a)宜充分利用就近的供电、消防及防排洪等公用设施;b)应满足设施电源接入的要求

4、;c)不应靠近有潜在火灾或爆炸危险的地方;当与有爆炸或火灾危险的建筑物毗连时,应满足GB50058的相关要求;d)应满足周围环境对噪声的要求;e)不宜设在多尘或有腐蚀性气体的场所,当无法远离时,不应设在污染源盛行风向的下风侧;f)不宜设在有可能积水的场所;g)不应设在有剧烈振动的场所;h)不宜建设在修车库内;i)宜选在有公用通信网络覆盖的区域;j)应选取消防救援力量便于到达的场所。C.3有序充电设备安装要求C.3.1有序充电设备的安装不应妨碍车辆和行人的正常通行。C.3.2有序充电设备的安装满足以下要求:a)应结合停车位合理布局进行安装;b)宜靠近供电电源,以缩短供电线路的路径;c)应有可靠的

5、接地PE线,并正确的与充电桩链接;d)采用分体式结构的非车载充电机,其整流柜宜靠近充电桩布置,末端压降应满足充电要求;e)与充电车位、建(构)筑物之间的距离应满足安全、操作及检修的要求;设备外廊距充电车位边缘的净距不宜小于O.4m。C.3.3有序充电设备应垂直安装,偏离垂直位置任一方向的误差不应大于5mm;C.3.4当有序充电设备采用落地式安装方式时,满足以下要求:a)设备基础应高出地坪50mm,室外设备基础应高出地坪200mm;b)设备基础宜大于设备长宽外廓尺寸不低于50mm;c)单独安装的充电连接器,正常状态下水浸时,应满足正常使用且系统绝缘电阻不应降低、人身安全不受影响,其安装基础可与地面平齐;C.3.5当有序充电设备采用壁挂式安装方式时,满足以下要求:a)应竖直安装于与地平面垂直的墙面,墙面应符合承重要求,充电设备应固定可靠;b)安装高度应便于操作,设备人机界面操作区域水平中心线距地面宜为1.5m;c)非车载充电机应具备交流输入过压保护、交流输入过流保护、直流输出过压保护、直流输出过流保护和内部过温保护等功能;d)交流充电桩应具备过负荷保护、短路保护和漏电保护功能。交流充电桩漏电保护应满足GB/T18487.1的相关要求;e)充电车位应安装防撞设施,并应采取措施保护充电设备及操作人员安全。

展开阅读全文
相关资源
猜你喜欢
相关搜索

当前位置:首页 > 办公文档 > 事务文书

copyright@ 2008-2023 1wenmi网站版权所有

经营许可证编号:宁ICP备2022001189号-1

本站为文档C2C交易模式,即用户上传的文档直接被用户下载,本站只是中间服务平台,本站所有文档下载所得的收益归上传人(含作者)所有。第壹文秘仅提供信息存储空间,仅对用户上传内容的表现方式做保护处理,对上载内容本身不做任何修改或编辑。若文档所含内容侵犯了您的版权或隐私,请立即通知第壹文秘网,我们立即给予删除!