练习5UG平面草图公开课教案教学设计课件资料.docx

上传人:p** 文档编号:873260 上传时间:2024-03-24 格式:DOCX 页数:2 大小:96.77KB
下载 相关 举报
练习5UG平面草图公开课教案教学设计课件资料.docx_第1页
第1页 / 共2页
练习5UG平面草图公开课教案教学设计课件资料.docx_第2页
第2页 / 共2页
亲,该文档总共2页,全部预览完了,如果喜欢就下载吧!
资源描述

《练习5UG平面草图公开课教案教学设计课件资料.docx》由会员分享,可在线阅读,更多相关《练习5UG平面草图公开课教案教学设计课件资料.docx(2页珍藏版)》请在第壹文秘上搜索。

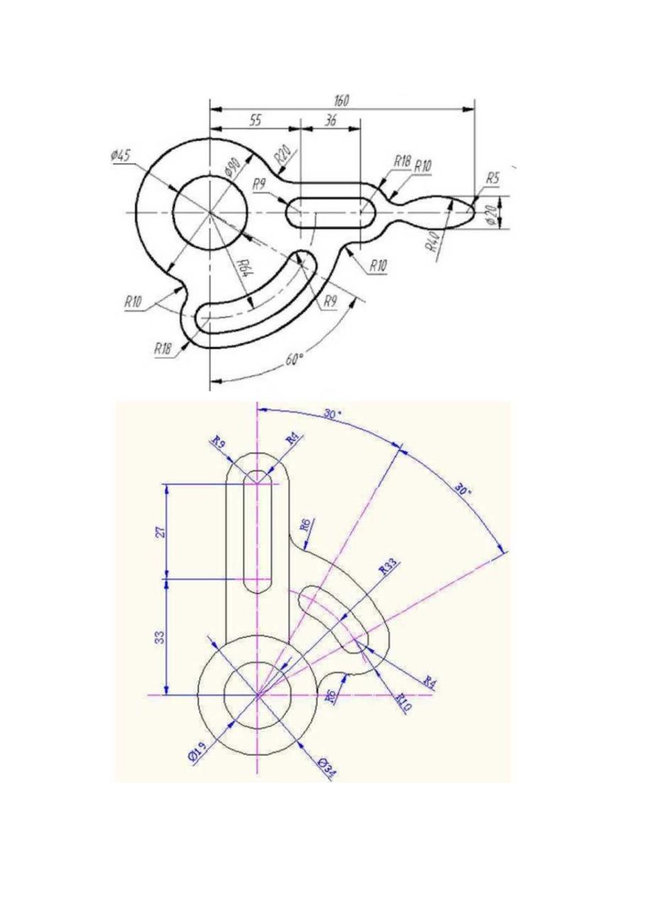
UG软件的操作基础五(2课时)一、学习任务:1 .UG软件的界面认识(保存与打开、视图、鼠标的应用)。2 .UG草图创建。3 .草图中轮廓线、直线功能的运用。4 .草图工具的使用(快速修剪、约束、自动判断尺寸的功能使用K9224

展开阅读全文
相关资源
猜你喜欢
相关搜索

当前位置:首页 > 高等教育 > 大学课件

copyright@ 2008-2023 1wenmi网站版权所有

经营许可证编号:宁ICP备2022001189号-1

本站为文档C2C交易模式,即用户上传的文档直接被用户下载,本站只是中间服务平台,本站所有文档下载所得的收益归上传人(含作者)所有。第壹文秘仅提供信息存储空间,仅对用户上传内容的表现方式做保护处理,对上载内容本身不做任何修改或编辑。若文档所含内容侵犯了您的版权或隐私,请立即通知第壹文秘网,我们立即给予删除!