机械设计课程设计系列——二级同轴式斜齿轮减速器设计.docx

上传人:p** 文档编号:877221 上传时间:2024-03-24 格式:DOCX 页数:31 大小:293.32KB
下载 相关 举报
机械设计课程设计系列——二级同轴式斜齿轮减速器设计.docx_第1页
第1页 / 共31页
机械设计课程设计系列——二级同轴式斜齿轮减速器设计.docx_第2页
第2页 / 共31页
机械设计课程设计系列——二级同轴式斜齿轮减速器设计.docx_第3页
第3页 / 共31页
机械设计课程设计系列——二级同轴式斜齿轮减速器设计.docx_第4页
第4页 / 共31页
机械设计课程设计系列——二级同轴式斜齿轮减速器设计.docx_第5页
第5页 / 共31页
机械设计课程设计系列——二级同轴式斜齿轮减速器设计.docx_第6页
第6页 / 共31页
机械设计课程设计系列——二级同轴式斜齿轮减速器设计.docx_第7页
第7页 / 共31页
机械设计课程设计系列——二级同轴式斜齿轮减速器设计.docx_第8页
第8页 / 共31页
机械设计课程设计系列——二级同轴式斜齿轮减速器设计.docx_第9页
第9页 / 共31页
机械设计课程设计系列——二级同轴式斜齿轮减速器设计.docx_第10页
第10页 / 共31页
亲,该文档总共31页,到这儿已超出免费预览范围,如果喜欢就下载吧!
资源描述

《机械设计课程设计系列——二级同轴式斜齿轮减速器设计.docx》由会员分享,可在线阅读,更多相关《机械设计课程设计系列——二级同轴式斜齿轮减速器设计.docx(31页珍藏版)》请在第壹文秘上搜索。

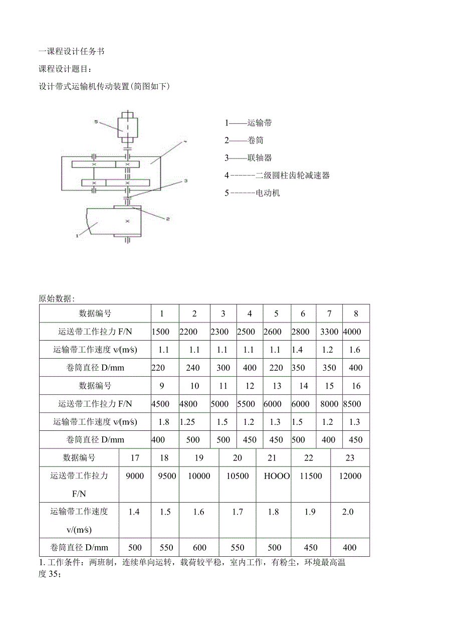
1、机版设计课程设计计算说明书设计题目二级同轴式圆柱齿轮减速器班级:机制4班学号:20080584设计人员:程乾指导老师:雒晓兵2011-01-08里卅米通丈考博次考觉机电工程系目录-课程设计任务书2二设计要求2三设计步骤31 .传动装置总体设计方案32 .电动机的选择43 .确定传动装置的总传动比和分配传动比64 .计算传动装置的运动和动力参数65 .齿轮的设计76 .滚动轴承和传动轴的设计117 .键联接设计258 .箱体结构的设计269 .润滑密封设计2810 .联轴器设计28四设计小结28一课程设计任务书课程设计题目:设计带式运输机传动装置(简图如下)1运输带2卷筒3联轴器4 二级圆柱齿轮

2、减速器5 电动机原始数据:数据编号12345678运送带工作拉力F/N15002200230025002600280033004000运输带工作速度v(ms)1.11.11.11.11.11.41.21.6卷筒直径D/mm220240300400220350350400数据编号910111213141516运送带工作拉力F/N45004800500055006000600080008500运输带工作速度v(ms)1.81.251.51.21.31.51.21.3卷筒直径D/mm400500500450450500400450数据编号17181920212223运送带工作拉力F/N9000950

3、01000010500HOOO1150012000运输带工作速度v/(ms)1.41.51.61.71.81.92.0卷筒直径D/mm5005506005505004504001.工作条件:两班制,连续单向运转,载荷较平稳,室内工作,有粉尘,环境最高温度35;2 .使用折旧期:使用折旧期8年;3 .检修间隔期:四年一次大修,两年一次中修,半年一次小修;4 .动力来源:电力,三相交流电,电压380/220V;5 .运输带速度允许误差:士5%6 .制造条件及生产批量:一般机械厂制造,小批量生产。二.设计要求1.完成减速器装配图一张(AO或Al)。2 .绘制轴、齿轮零件图各一张。3 .编写设计计算说

4、明书一份。三.设计步骤:L传动装置总体设计方案置总体设才方案本组设计数据:第十六组数据:运送带工作拉力F/N_如。运输带工作速度v(ms)Llo卷筒直径D/mm220O1)外传动机构为联轴器传动。2)减速器为二级同轴式圆柱齿轮减速器。F = 8500V v = 3ms D = 450”3)方案简图如上图4)该方案的优缺点:瞬时传动比恒定、工作平稳、传动准确可靠,径向尺寸小,结构紧凑,重量轻,节约材料。轴向尺寸大,要求两级传动中心距相同。减速器横向尺寸较小,两大吃论浸油深度可以大致相同。但减速器轴向尺寸及重量较大;高级齿轮2、电动 机的选 择I)选择 电动机 的类型 )选择 电动机 的容量确定电

5、动机转速=2.86卬=0.87=3.3kw=95.5 r/min的承载能力不能充分利用;中间轴承润滑困难;中间轴较长,刚度差;仅能有一个输入和输出端,限制了传动布置的灵活性。原动机局部为Y系列三相交流异步电动机。总体来讲,该传动方案满足工作机的性能要求,适应工作条件、工作可靠,此外还结构简单、尺寸紧凑、本钱低传动效率高。2、电动机的选择D选择电动机的类型按工作要求和工作条件选用Y系列三相笼型异步电动机,全封闭自扇冷式结构,电压380Vo2)选择电动机的容量工作机的有效功率为Pw=Fv从电动机到工作机传送带间的总效率为42=AF2%Fj5由机械设计课程设计指导书表1-7可知:7:联轴器传动效率0

6、.99(弹性联轴器)2:滚动轴承效率099(球轴承)rh:齿轮传动效率0.9817级精度一般齿轮传动):联轴器传动效率0.99(齿式联轴器)jk:卷筒传动效率0.96所以电动机所需工作功率为PPd么3)确定电动机转速按表1-8推荐的传动比合理范围,两级同轴式圆柱齿轮减速器传动比占=84O而工作机卷筒轴的转速为60v所以电动机转速的可选范围为nd=i11w=(840)X95.5r/min=(7643820)rmin符合这一范围的同步转速有750r/min、10004min.1500min三种。综合考虑电动机和传动装置的尺寸、质量及价格等因素,为使传动装置结构紧凑,决定选用同步转速为1500“n的

7、电动机。根据电动机类型、容量和转速,由机械设计课程设计指导书表12-1选定电动机型号为Y160L-4。其主要性能如下表:选定电动机型号Y160L-4电动机型号额定功率kw满载转速/(r/min)启动转矩额定转矩最大转矩额定转矩Y160L-418.529302.22.3电动机的主要安装尺寸和外形如下表:中心高外型尺寸1.X(AC/2+AD)XHD底脚安装尺寸AXB地脚螺栓孔直径K轴伸尺寸DXE装键部位尺寸FXGD160645417.5385254X254154211012453、计算传动装3.计算传动装置的总传动比Z并分配传动比置的总传动比和分配传动比总传动比(D.总传动比G为=BL(2).分配

8、传动比Z=30.68=n考虑润滑条件等因素,初定Z1=5.54,z11=5.544.计算传动装置的运动和动力参数1) .各轴的转速I轴ni=nm=2930r/minIi轴ni=v=528.88r/minlHI轴9547min1W卷筒轴卬=勺11=95.47r/min2) .各轴的输入功率I轴I=Pdx2=3.23AWH轴Pxx=片3%=3.13%whi轴Piii=Pi2=3mkw卷筒轴P卷=片42=2.98Zw3) .各轴的输入转矩电动机轴的输出转矩,为Td=9.55106=1.08104Vmmn,nI轴T1=Tdr2=1.06XIO4Nmm11轴Tn=i32ix=5.70IO4NmmIn轴T

9、u=Tl32iu=3.06105Nmm卷筒轴=u11rh=3.00105TVmw将上述计算结果汇总与下表,以备查用。Z1=5.54Z11=5.54%=2930/nin/J=528.88r/minFu=95.47r/minnw=95.47r/ninPl=3.23WPn33kw片产3.04AWP建=2.98ZW轴名功率P/kw转矩T(Nmm)转速n/(r/min)传动比i效率2)各轴的输入功率(2)分配传动比4.计算传动装置的运动和动力参数D各轴的转速3)各轴的输入转矩I轴3.231.0610429305.540.97口轴3.135.70104528.885.540.97In轴3.04+3.06I

10、O595.4710.98卷筒轴2.983.00IO595.475.齿轮的设计1)选定齿轮类型、精度等级、材料及齿数2)初步设计齿轮主要尺寸5.齿轮的设计1)选定齿轮类型、精度等级、材料及齿数按简图所示的传动方案,选用直齿圆柱齿轮传动,软齿轮面闭式传动。运输机为一般工作机器,速度不高,应选用7级精度(GBlOO95-88)。材料选择。由机械设计表6.1,选择小齿轮材料为45钢(调质),硬度为270HBS,大齿轮为45钢(调质),硬度为230HBS,二者材料硬度差为40HBS。(4)选小齿轮齿数Z1=23,那么大齿轮齿数z2=Z1Z1=1272)初步设计齿轮主要尺寸设计准那么:先由齿面接触疲劳强度

11、计算,再按齿根弯曲疲劳强度校核。按齿面接触疲劳强度设计,即dxt2.3231确定公式内的各计算数值I.试选载荷系数K,=1.4。11.计算小齿轮传递的转矩T=955-16-=l.O5IO4mmHL按软齿面齿轮非对称安装,由机械设计表6.5选取齿宽系数d=1。M由机械设计表6.3查得材料的弹性影响系数Zg=189.V.由机械设计图6.8按齿面硬度查得小齿轮的接触疲劳强度极限选用直齿圆柱齿轮传动软齿轮面闭式传动7级精度小齿轮材料45钢(调质)大齿轮材料45钢(调质)z1=23z2=119Kt=1.47J=8.14IO4Nmmd二1Ze=189.8JMPawiiml=600MRz;大齿轮的接触疲劳强

12、度极限。闭而2=56OM/%。VL计算应力循环次数Nl=60hii=6029301836516=8.21IO9N2=1.481094IV11.由机械设计图6.6取接触疲劳寿命系数KHn、=0.90;KHN2=95。Vin.计算接触疲劳许用应力取平安系数S=Ill1=KHM%mi=().90X600MPa=540MPaSw2=Khn20hk2=095X560MPa=532MPaS2.设计计算I.试算小齿轮分度圆直径41,代入中较小的值。N=4.09109N2=7.94108KHM=O90KlN=。95w1=540MPafw2=532Mpadil=60.03nunV=4.59m/sK=1.288d

13、lt=58.38mm4,2.323口.但(-5)2=34.8IranII.计算圆周速度UOdtn万X34.81X29300/V=534ms60100060100011I计算载荷系数K查表6.2得使用系数KA=L0;根据u=5.34m/s、7级精度查机械设计图10-8得动载系数Kv=I.15;查机械设计图6.13得K户=I.3。那么K=KAKVK,=1x1.15x1.3=1.5IV.校正分度圆直径4由机械设计式(6.14),4=dukK1=34.81Vl.5/1Amm=35.6mm3.计算齿轮传动的几何尺寸6.滚动轴承和传动轴的设计(一).轴的设 计I.计算模数团m=J1/z1=35.6/23=1.55nnt按标准取模数m=1.5m

展开阅读全文
相关资源
猜你喜欢
相关搜索

当前位置:首页 > 高等教育 > 工学

copyright@ 2008-2023 1wenmi网站版权所有

经营许可证编号:宁ICP备2022001189号-1

本站为文档C2C交易模式,即用户上传的文档直接被用户下载,本站只是中间服务平台,本站所有文档下载所得的收益归上传人(含作者)所有。第壹文秘仅提供信息存储空间,仅对用户上传内容的表现方式做保护处理,对上载内容本身不做任何修改或编辑。若文档所含内容侵犯了您的版权或隐私,请立即通知第壹文秘网,我们立即给予删除!