模具调试作业规范(上).docx

上传人:p** 文档编号:877490 上传时间:2024-03-24 格式:DOCX 页数:16 大小:346.88KB
下载 相关 举报
模具调试作业规范(上).docx_第1页
第1页 / 共16页
模具调试作业规范(上).docx_第2页
第2页 / 共16页
模具调试作业规范(上).docx_第3页
第3页 / 共16页
模具调试作业规范(上).docx_第4页
第4页 / 共16页
模具调试作业规范(上).docx_第5页
第5页 / 共16页
模具调试作业规范(上).docx_第6页
第6页 / 共16页
模具调试作业规范(上).docx_第7页
第7页 / 共16页
模具调试作业规范(上).docx_第8页
第8页 / 共16页
模具调试作业规范(上).docx_第9页
第9页 / 共16页
模具调试作业规范(上).docx_第10页
第10页 / 共16页
亲,该文档总共16页,到这儿已超出免费预览范围,如果喜欢就下载吧!
资源描述

《模具调试作业规范(上).docx》由会员分享,可在线阅读,更多相关《模具调试作业规范(上).docx(16页珍藏版)》请在第壹文秘上搜索。

1、目录:作业流程21 .拉延模22 .切边冲孔模卜侧冲吊冲)23 .翻边整形模(侧翻)2二.作业步骤:21.拉延模21.1检查装配作业及修整基准侧。21.2组装、研配。3研配导向零件。3研配压边圈4研配凹模51.3型面精抛光6I.4TI拉延模的调整及判定7功能零件的调整。7开裂及拉薄的情况8起皱及压伤的情况82切边冲孔模(侧切侧冲模)92.1 检查装配作业并研配基准侧。92.2 研配导向零件。92.3 研配刃口(正切、侧切刃口)。102.4 对正冲、侧冲冲头。112.5 对废料切刀。112.6 研配压料器。122.7 模具型面抛光。132.8 Tl试模检测各功能零件并打工序件。133.翻边整形模

2、(翻边冲孔模)错误!未定义书签。3.1 检查装配作业并研配基准侧错误!未定义书签。3.2 研配导向零件。错误!未定义书签。3.3 研配翻边镶件。错误!未定义书签。3.4 研配压料器/浮顶器。错误!未定义书签。3.5 对模具镶件与压料器抛光,错误!未定义书签。3.6 Tl试模调试功能零件并打工序件。错误!未定义书签。4调整落料模。错误!未定义书签。4.1 检查装配并研配导向零件,错误!未定义书签。4.2 研配刀口、冲头、导正销,错误!未定义书签。4.3 对刀口及镶件面进行抛光,错误!未定义书签。4.4 T1试模。错误!未定义书签。5.1级进模。错误!未定义书签。5.1 基准侧清根抛光及研配导向.

3、错误!未定义书签。5.2 对刃口、冲头、导正销、翻边整型镶件间隙。错误!未定义书签。5.3 研配压料器。错误!未定义书签。5.4 T1调整各功能零件及打检测件。错误!未定义书签。6通用项:错误!未定义书签。6.1 模具涂装作业。错误!未定义书签。6.2 模具标识。错误!未定义书签。6.3 静态组装、安装标牌、涂油保护。错误!未定义书签。7通用带件研配标准。错误!未定义书签。8样件毛刺判定错误!未定义书签。A.无毛刺错误!未定义书签。B.因间隙过大而产生的毛刺错误!未定义书签。C.间隙过小或上刃的二次避空处有干预而产生的毛刺错误!未定义书签。D.起卷错误!未定义书签。E.刃口顶端间隙过大,而二次

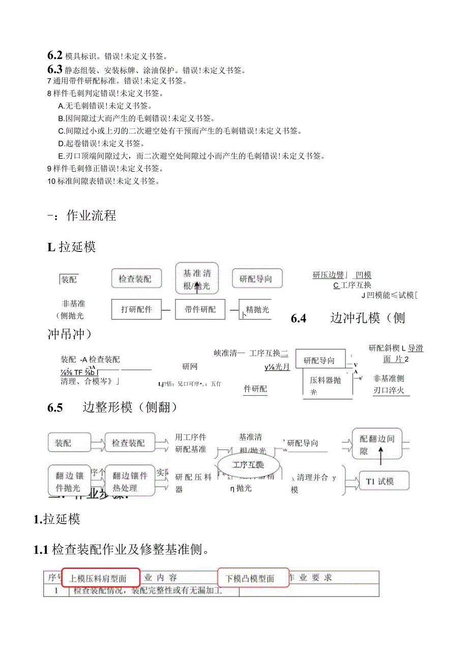
4、避空处间隙过小而产生的毛刺错误!未定义书签。9样件毛刺修正错误!未定义书签。10标准间隙表错误!未定义书签。-:作业流程打研配件带件研配精抛光卜装配非基准 (侧抛光L拉延模研压边譬_凹模C工序互换J凹模能试模6.4 边冲孔模(侧冲吊冲)装配 -A检查装配.- TF b I清理、合模岑研网Lj?恬;兄口可序,;五仃件研配研配导向1、压料器抛 光VA/峡准清 工序互换二y光月研配斜楔L 导滑面 片2非基准侧 刃口淬火6.5 边整形模(侧翻)用工序件 研配基准研配压料 器工序互换抛光基准清清理并合 y模研配导向Vk1.拉延模1.1检查装配作业及修整基准侧。2对上模压料肩型面进行清根与精抛光。3对下模

5、型面清根,并精抛光。R为分粗糙度为0.8,平面粗糙度1.64对下模型面、上模压料肩进行淬火。淬火硬度50HRC5通知品质部,检测淬火硬度并记录。6对上下模型面淬火局部重新精抛光。R为分粗糙度为0.8,平面粗糙度1.67清扫模具合模。8考前须知:1,清根应彻底,并对基准侧精抛夕2,淬火后及时对硬度进行检测,取匕。斤止二次淬火。1.2组装、研配。凸模轮廓序号以导柱为基准导滑面贴合率V业内谷、研配导向:1清理并正装模具,安装在压机上。2将模具慢慢压到底,确认有无干预。并用导板单独确认导板安装面与导滑面的间隙。确认导板安装面与导滑面的间隙是否能平安放入导板并有一定的间隙3安装导板,并刷上红丹。红丹涂装

6、应均匀并不要太厚4将压机下滑块下行,直到导板伸入导滑面510mm.将压机提起观察红丹接触情况。第一次只下行510mm,防止间隙太小而刮伤导板。5根据红丹接触情况用砂轮机修整导滑面。每次打磨后需进行适当抛光,防止刮伤导板6调整导板间隙至模具可以合到底时,在上下模型面(平面)处放入与产品相同厚度的板料,侧面放上铅丝检测模具X,Y轴的侧面间隙。将检测值记录在型面相应部位,并进行分析。7根据所测数据来调整导板间隙至型面间隙均匀为止。8对各导滑面进行为表抛光。粗糙度为Ra0.8o9考前须知:1注意合模时上下模干预。2注意导滑面的粗糙度,不要损伤导板。3导滑面红丹接触率应在80%以上,并保证导滑面的垂直度

7、。研配压边圈空研压边圈压边圈区域带件研配压 边圈序号作业内容作业要求-b空研压边圈:1清理并正装模具,安装在压机上。2将上模压料面均匀的涂上红丹,调整下滑块压力。上滑块下行直到上模与压料器接触后下压2030mm.注意上滑块压力,压力过大会导致压边圈镶件涨开3根据压边圈上红丹接触情况打磨压边圈。红丹接触率在90%以上4研配压边圈至压料面红丹接触率在90%以上二带件研配压边圈:1根据试模报告书中提供的试模材料尺寸及板厚下料。2对板料压边圈区域上下两面涂上均匀的红丹。3对称确定材料位置后,将上滑块下压。上模与压料器接触后下压2030mm4根据板件正反两面红丹接触情况打磨压边圈上的各红丹硬点。注意分析

8、真假硬点。5研配至压边圈压料肩50mm以外红丹接触率为80%,压料肩以内接触率90%。红丹接触均匀,无明显硬点6对压边圈打磨过的部位进行精抛光。压料筋R处Ra0.8mm.7考前须知:1红丹接触率压料筋内为90%以上。2必须在带顶杆的情况下研配。研配凹模序号作业内容一作业要求1空研配凹模:一/带件研配凹模型面。红丹贴合率要求95%C对凹模型面进行清kX.上。9-2清理并反装模具,安装在压机上。3给凸模型面上均匀刷上红丹(特殊要求用蓝丹)红丹均匀,清晰。4将压机下滑块下行,稍加压力后将压机上滑块提起,查看红丹接触情况并分析硬点。压力不能太大。5根据零件产品图及检具确认该零件的重要管理面。重要管理面

9、为零位面及有特殊要求面。6根据红丹接触情况研配硬点,直到红丹接触率在90%以上。要求红丹接触均匀,无硬点。二将模具拆下后,对模具型面打磨过的局部进行抛光,平面推平即可,R部位粗糙度必须到达Ra0.8.各R部位RaO.8三合模打研配件。1根据图纸要求确定试模材料尺寸。2根据图纸提供数据,确定模具上压、下压、压边圈行程等参数。将模具装到压机上。3打研配件。可根据改变材料尺寸、调整上压、下压、材料位置、重新调整压料筋R、加润滑油与油膜等方式调整。打35件四带件研配凹模(取料厚)1将模具反装在压机上。2在研配件正反面均匀涂上红丹(蓝丹)红丹涂装应均匀清晰3将研配件放入凹模型面上,上滑块下行加上适当的压

10、力压一次后,将研配件取出分析硬点位置与接触情况。4根据接触情况来打磨型面上的硬点部位。注意型面R顶到部位有时是凸模基准侧未清根到位造成,只能研磨凹R处。5待该产品研配到一定程度时,由于产品变形此时应更换新的研配件,直到型面红丹接触率到达95%以上。红丹接触均匀,R处无硬点。6考前须知:1,涂装红丹时应均匀,清晰。红丹不应太厚,容易造成假象。2,开始研配时由于型面为点接触,所以压力不宜加的太大。3,注意外板件研配时,只能用砂轮机打磨产品型外以外局部。内板件那么无此要求。4,研配时,有时硬点来自于凸模基准侧清根不到位造成,应认真分析真正的硬点,以凸R为基准来研配。1.3型面精抛光序号作业内容作业要

11、求内板抛光1用抹布擦去型面上接触的红丹。2先用80#油石对型面上R及平面局部进行粗推光,粗推光只在于将平面处推平,将R处推至棱线统一、平稳。推光方向应根据大面的方向,R棱线处应沿棱线方向推光3然后用200#油石对型面各R及平面处进行精抛光推光至无刀纹与无打磨痕迹为止。4用砂纸#240、#320号的砂纸对型面R处进行精抛光,将R处抛光至粗糙度为Ra0.8o二外板件抛光1用祥200左右的磨石进行抛光。禁止使用平常用的祥8。的磨石。(磨痕很深,会影响外观。)2刀痕去除掉1/21/3左右时用很细的油磨石将面推一遍。3按#240、#320、#800的顺序用砂纸砂一遍。4推光至型面平面及R各处粗糙度为Ra

12、0.8o5考前须知:1,外板件抛光时大面应交叉平行推光,棱线局部应沿棱线推光。2,内板件抛光时,应将各R推至光顺平滑,粗糙度为Ra0.8.1.4Tl拉延模的调整及判定功能零件的调整。上模此处 的打料杆上模此处 的压印器序号作业内容作业要求1对模具进行清理,导滑面涂油,组装所有零件注意型面上不能有杂物。2将模具按图示方式安装在压机上。3准备试模材料,清理试模材料上的毛刺及污物4根据图纸上提供的参数调试与二次修整模具,直至产品的无开裂、无起皱状态。5装入压印器,在模具一次行程后观察留在产品上的压印器深度,根据实际情况将压印深度调整至0.25mm左右。模具上两处对位标记(压印器)压两印深度应相同。6

13、根据试模实际情况来确定材料导正架的正确位,并涂上蓝油后在压边圈上画出材料轮廓线,便于机加工加工导正架避空。必须在产品稳定的情况下画线,画线应清晰,准确。7放入产品,待压机参数调整至图纸要求状态时,放入比平衡垫块矮5mm左右的垫块,并在垫块上放上大于5mm的铅丝,模具一次行程后用卡尺测量各处垫块高度,并根据数据调整平衡垫块高度。在产品合格稳定的情况下放入产品,来检测各平衡垫块的高度。注意垫块的位置不应放错。8根据产品情况,检测上模弹顶销与打料杆的高度是否适宜,是否在产品上留下压痕。极据实际情况进行调整。9将各气动导正架接头连上外接气源,在压边圈上放入标准尺寸的材料,调整气动导正架的同步性与位置度。调整好后并打防松与位置标记。10对打出的检测件R集中与R极易开裂部位进行变薄性实验,用锂子切割将集中处割成小块进行检测。应将型面R集中与拉延与反拉深较多处,易开裂处切割下来进行检测。11根据标准下压来调整模具的P(D/C)要求P值在正负20%以内均无开裂和起皱的现象发生。考前须知:1,试模时根据模具实际情况合理调整材料位置。2,应在产品合格与稳定的情况下调整平衡垫块的高度。3,P(D/C)值应控制在20%以内。开裂及拉薄的情况序号作业内容作业要求1走料A压边圈的行程是否过高B压边圈面是否高出凸模形状的高度

展开阅读全文
相关资源
猜你喜欢
相关搜索

当前位置:首页 > 汽车/机械/制造 > 数控机床

copyright@ 2008-2023 1wenmi网站版权所有

经营许可证编号:宁ICP备2022001189号-1

本站为文档C2C交易模式,即用户上传的文档直接被用户下载,本站只是中间服务平台,本站所有文档下载所得的收益归上传人(含作者)所有。第壹文秘仅提供信息存储空间,仅对用户上传内容的表现方式做保护处理,对上载内容本身不做任何修改或编辑。若文档所含内容侵犯了您的版权或隐私,请立即通知第壹文秘网,我们立即给予删除!