自动扶梯、自动人行道定期(月度)自行检查记录.docx

上传人:p** 文档编号:87853 上传时间:2022-12-20 格式:DOCX 页数:2 大小:16.11KB
下载 相关 举报
自动扶梯、自动人行道定期(月度)自行检查记录.docx_第1页
第1页 / 共2页
自动扶梯、自动人行道定期(月度)自行检查记录.docx_第2页
第2页 / 共2页
亲,该文档总共2页,全部预览完了,如果喜欢就下载吧!
资源描述

《自动扶梯、自动人行道定期(月度)自行检查记录.docx》由会员分享,可在线阅读,更多相关《自动扶梯、自动人行道定期(月度)自行检查记录.docx(2页珍藏版)》请在第壹文秘上搜索。

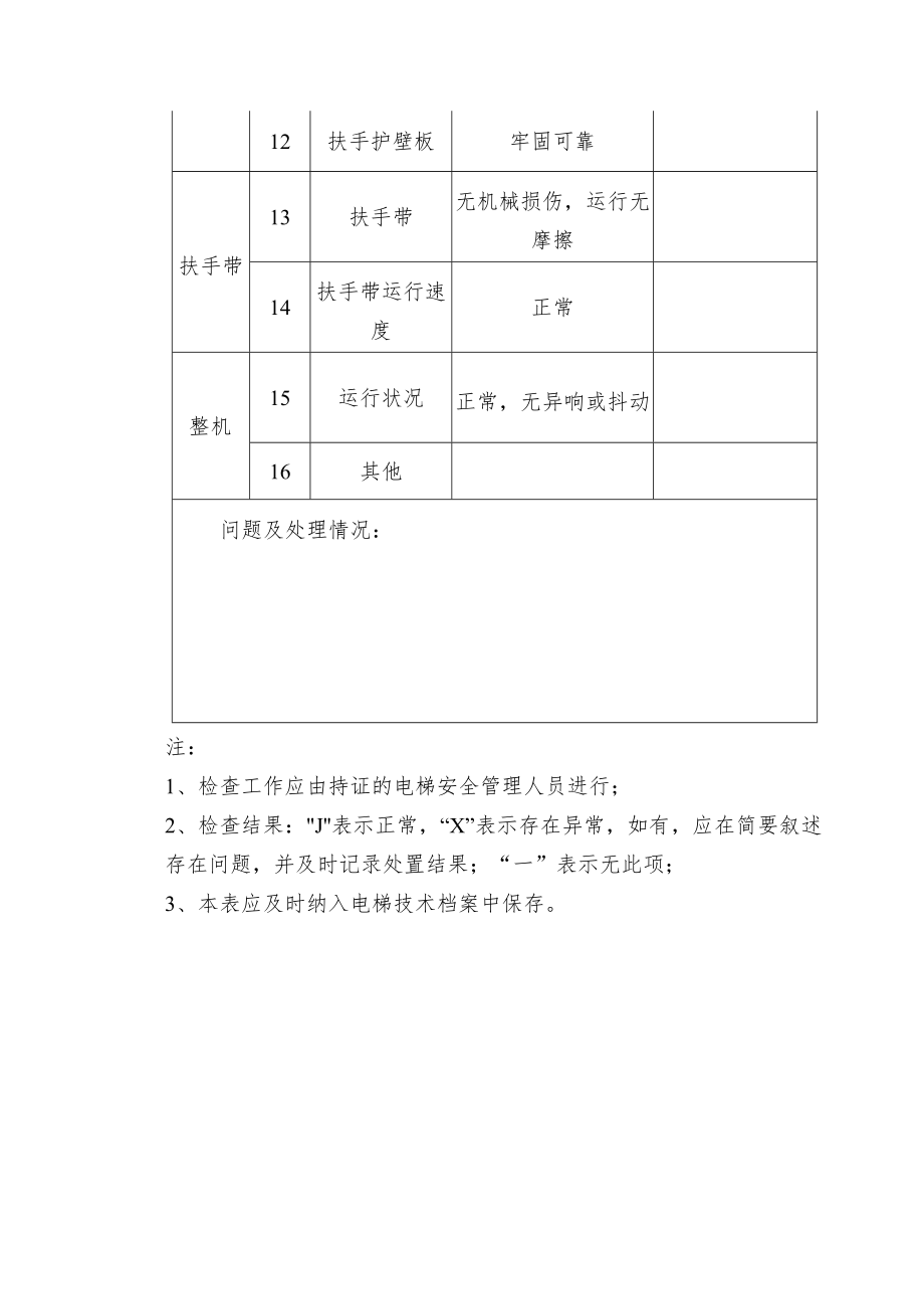
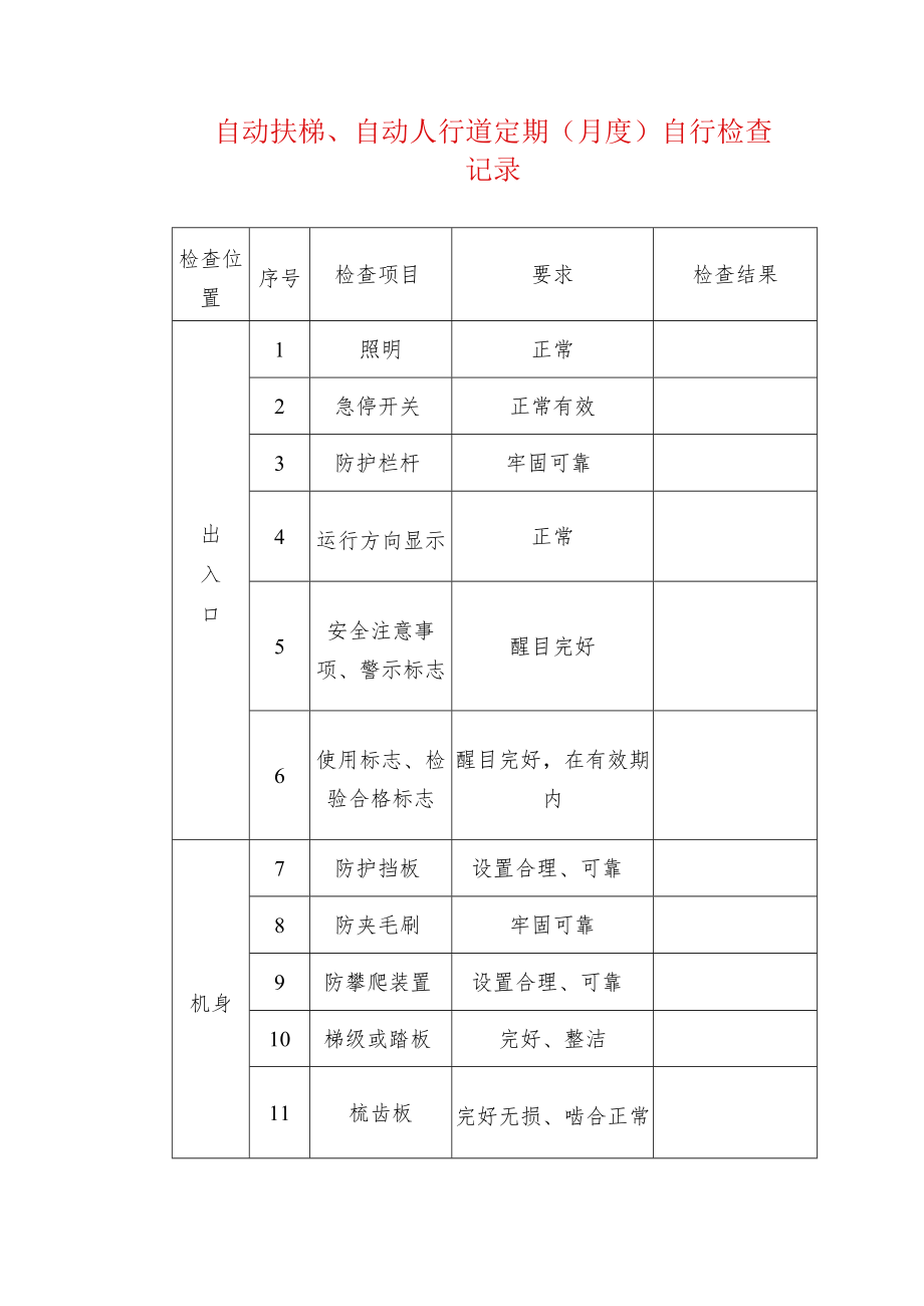
自动扶梯、自动人行道定期(月度)自行检查记录检查位置序号检查项目要求检查结果出入口1照明正常2急停开关正常有效3防护栏杆牢固可靠4运行方向显示正常5安全注意事项、警示标志醒目完好6使用标志、检验合格标志醒目完好,在有效期内机身7防护挡板设置合理、可靠8防夹毛刷牢固可靠9防攀爬装置设置合理、可靠10梯级或踏板完好、整洁11梳齿板完好无损、啮合正常12扶手护壁板牢固可靠扶手带13扶手带无机械损伤,运行无摩擦14扶手带运行速度正常整机15运行状况正常,无异响或抖动16其他问题及处理情况:注:1、检查工作应由持证的电梯安全管理人员进行;2、检查结果:J表示正常,“X”表示存在异常,如有,应在简要叙述存在问题,并及时记录处置结果;“一”表示无此项;3、本表应及时纳入电梯技术档案中保存。

展开阅读全文
相关资源
猜你喜欢
相关搜索

当前位置:首页 > 建筑/环境 > 公路与桥梁

copyright@ 2008-2023 1wenmi网站版权所有

经营许可证编号:宁ICP备2022001189号-1

本站为文档C2C交易模式,即用户上传的文档直接被用户下载,本站只是中间服务平台,本站所有文档下载所得的收益归上传人(含作者)所有。第壹文秘仅提供信息存储空间,仅对用户上传内容的表现方式做保护处理,对上载内容本身不做任何修改或编辑。若文档所含内容侵犯了您的版权或隐私,请立即通知第壹文秘网,我们立即给予删除!