6、工程测量工(高级技师)业绩评审标准表.docx

上传人:p** 文档编号:880298 上传时间:2024-03-26 格式:DOCX 页数:5 大小:26.60KB
下载 相关 举报
6、工程测量工(高级技师)业绩评审标准表.docx_第1页
第1页 / 共5页
6、工程测量工(高级技师)业绩评审标准表.docx_第2页
第2页 / 共5页
6、工程测量工(高级技师)业绩评审标准表.docx_第3页
第3页 / 共5页
6、工程测量工(高级技师)业绩评审标准表.docx_第4页
第4页 / 共5页
6、工程测量工(高级技师)业绩评审标准表.docx_第5页
第5页 / 共5页
亲,该文档总共5页,全部预览完了,如果喜欢就下载吧!
资源描述

《6、工程测量工(高级技师)业绩评审标准表.docx》由会员分享,可在线阅读,更多相关《6、工程测量工(高级技师)业绩评审标准表.docx(5页珍藏版)》请在第壹文秘上搜索。

1、工程测量工(高级技师)业绩评审标准表职业(工种)工程测量工级别高级技师考生姓名一、技能水平(一)关键技能序号项目评价内容配分评分标准业绩对应内容职责系数实际得分1测量方案编制及测量方案的可、施对测量方案(技术设计书)的编制、测量专业软件的使用、测量流程实施的考察。25组织完成多项测量技术方案的编制,并提出关键重要的合理化意见并获得全线(段)推广,对集团公司有较大贡献;或做为测量项目负责人,组织完成多项勘测项目的测量工作,成果显著。得23-25分(材料须有班组(队)及以上证明)。组织单项测量任务,并提出合理化意见并获得全线(段)采纳:或做为项目负责人,完成某项测量、软件研制、仪器的维修等,并达到

2、使用标准。得22分(材料须有分部及以上证明)1参与完成某项复杂的测量任务,提出合理化意见并获得采纳;或做为项目重要参与者,完成某项软件编制、仪器的维修并达到使用标准,得20分(材料须有分部及以上证明)。熟悉测量作业流程,能独立组织单项以上本专业测量工作;可独立组织本专业测量资料的验收工作,得15分。不能独立组织,但可作为主要参与人员,得10分:具备仪器操作能力,得8分;对测量仪器使用不熟悉,测量作业流程概念模糊,得1-5分。(材料须有班组长及分部证明)对所测量仪器的使用熟悉、仪器维修工艺了然于心,熟悉各类测量软件的运用,在第4点得分基础上加1-4分,最高加4分,两项之各不超过20分。(需在总结

3、材料中可体现)工作中没有体现测量技能,该项不做评价,得。分。序号项目评价内容配分评分标准业绩对应内容职责系数实际得分2对测量方案的优化实施能否在工作过程中实施或改进测量(技术设计书)方案生产计划、操作流程等:10编制、改进多项测量方案、生产计划、操作规程(需分部及以上确认的证明材料)。9T0分优化测量方案、操作规程(需分部及以上确认的证明材料)。7-8分熟悉测量方案、改进生产计划、操作规程的编制(资料中体现),执行情况良好。5-6分了解测量方案、生产计划、操作规程的编制(资料中体现,执行良好)。3-4分对测量方案、生产计划、操作规程的编制模糊。1-2分项目中没有体现测量方案编制工作,不做评价。

4、O分3测量仪器的使用及故障排查测量仪器的使用、测量仪器故障的排查15能熟练使用各种测量仪器(材料及案例需工班和分部证明)。13T5分多次查找测量仪器使用中出现的故障(材料及案例需工班和分部证明).9T2分能查找分析各种故障原因并提出解决措施(材料及案例需工班和分部证明)。7-8分能制定各类仪器维修预案(材料及案例需工班和分部证明)。3-6分对故障的查找与排除概念模糊(证明材料无法证明属于上述4种情况的)。1-2分项目中没有体现故障检修技能,不做评价(没有证明材料或证明材料虚假)。0分4设计、改进、部件维修根据测量要求,能对仪器设备进行使用与维护。10多次独立根据现场要求,对仪器设备进行原理剖析

5、并改进测量功能、或完成设备部件维修。10分独立根据生产工艺要求,对仪器设备进行原理剖析并改进测量功能、或完成设备部件维修。8分熟悉、了解所使用的测量设备存在问题,对改测量设备、部件维修,有相关心得,正在筹备进行某类改进或维修(资料有体现)。5-7分熟悉、了解所使用的测量设备存在问题,对改测量设备、部件维修,有相关心得(资料有体现)。3-4分对测量仪器的技术改造、国产化、或设备部件维修概念模糊。1-2分项目中没有体现对测量仪器技术改造、国产化、或设备部件维修,不做评价。0分5小结关键技能水平实际得分(说明:1.关键技能各项的实际得分=单项得分X项目职责系统。2.关键技能水平实际得分为以上4个项目

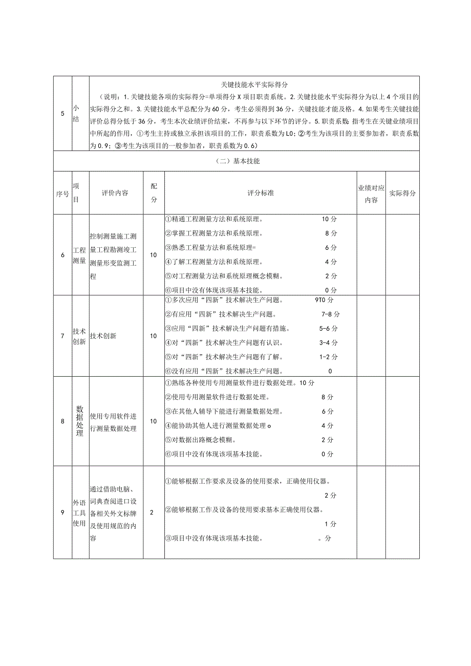
6、的实际得分之和。3.关键技能水平总配分为60分,考生必须得到36分,关键技能才能及格。4.如果考生关键技能评价总得分低于36分,考生本次业绩评价结束,不再参与以下环节的评分。5.职责系数:指考生在关键业绩项目中所起的作用,考生主持或独立承担该项目的工作,职责系数为L0;考生为该项目的主要参加者,职责系数为0.9;考生为该项目的一般参加者,职责系数为0.6)(二)基本技能序号项目评价内容配分评分标准业绩对应内容实际得分6工程测量控制测量施工测量工程勘测竣工测量形变监测工程10精通工程测量方法和系统原理。10分掌握工程测量方法和系统原理。8分熟悉工程量方法和系统原理=6分了解工程测量方法和系统原理

7、。4分对工程测量方法和系统原理概念模糊。2分项目中没有体现该项基本技能。0分7技术创新技术创新10多次应用“四新”技术解决生产问题。9T0分有应用“四新”技术解决生产问题。7-8分应用“四新”技术解决生产问题有措施。5-6分对“四新”技术解决生产问题有认识。3-4分对“四新”技术解决生产问题有了解。1-2分没有应用“四新”技术解决生产问题。08数据处理使用专用软件进行测量数据处理10熟练各种使用专用测量软件进行数据处理。10分使用专用测量软件进行数据处理。8分在其他人辅导下能进行测量数据处理。6分能协助其他人进行测量数据处理o4分对数据出路概念模糊。2分项目中没有体现该项基本技能。0分9外语工

8、具使用通过借助电脑、词典查阅进口设备相关外文标牌及使用规范的内容2能够根据工作要求及设备的使用要求,正确使用仪器。2分能够根据工作及设备的使用要求基本正确使用仪器。1分项目中没有体现该项基本技能。分10质量检查与验收能够根据工作要求对测量方案、方法、数据进行质量检查。2能够根据工作要求进行质量检查与验收。2分能够根据工作要求协助他人进行质量检查与验收。1分项目中没有体现该项基本技能。0分二、培训管理序号项目评价内容配分评分标准业绩对应内容实际得分11培训指导根据工程特点与难点对低级别工程测量员进行技术指导;根据培训计划与内容完成技术培训的授课工作4传授技艺和经验及培训指导效果突出。4分传授技艺

9、和经验及培训指导效果较好。3分传授技艺和经验及培训指导效果好。2分传授技艺和经验及培训指导效果一般。1分项目中没有体现传授技艺和经验及培训指导。0分12管理质量管理:熟悉工程测量和质量验收标准。3精通各项质量指标,能够应用质量管理知识,实现操作过程的质量分析与控制。3分熟悉各项质量指标,能够应用质量管理知识,实现操作过程的质量分析与控制。2分了解各项质量指标,基本能够应用质量管理知识,实现操作过程的质量分析与控制。1分不了解各项质量指标,不能够应用质量管理知识,实现操作过程的质量分析与控制。0分生产管理3是部门(班组)领导,能够进行生产计划、调度及人员的管理。3分能够组织有关人员协同作业。2分

10、能够协助部门领导进行生产计划、调度及人员管理。1分项目中没有体现生产管理工作。0分三、绩效评价序号项目评价内容配分评分标准业绩对应内容职责系数实际得分13创新能力参加测量仪器国产化技术改造、科研改造、技术革新、合理化建议项目或课题攻关,通过该项目实施,实现提高了生产经济效益和节约了生产成本。10质量优秀、经济效益非常好,通过总部验收。9T0分质量良好、经济效益良好,通过集团公司级验收。6-8分质量较好、经济效益好,通过部门级验收。4-5分质量好、经济效益一般。2-3分质量一般、经济效益不明显。1分有较大失误及经济效益不明显不计分值。0分(1.考生实际得分=获奖分值X项目职责系数。2.职责系数:指考生在关键业绩项目中所起的作用,考生主持或独立承担该项目的工作,职责系数为1.0:考生为该项目的主要参加者,职责系数为0.9;考生为该项目的一般参加者,职责系数为0.6。)合计100总分集团公司所属子公司、分公司专业考评组评审结果评分(平均分)考评员签名考评组意见考评组长签名:日期:年月日

展开阅读全文
相关资源
猜你喜欢
相关搜索

当前位置:首页 > 办公文档 > 事务文书

copyright@ 2008-2023 1wenmi网站版权所有

经营许可证编号:宁ICP备2022001189号-1

本站为文档C2C交易模式,即用户上传的文档直接被用户下载,本站只是中间服务平台,本站所有文档下载所得的收益归上传人(含作者)所有。第壹文秘仅提供信息存储空间,仅对用户上传内容的表现方式做保护处理,对上载内容本身不做任何修改或编辑。若文档所含内容侵犯了您的版权或隐私,请立即通知第壹文秘网,我们立即给予删除!