E6.74玻璃幕墙(明框)工程检验批质量验收记录表.docx

上传人:p** 文档编号:880393 上传时间:2024-03-26 格式:DOCX 页数:2 大小:27.96KB
下载 相关 举报
E6.74玻璃幕墙(明框)工程检验批质量验收记录表.docx_第1页
第1页 / 共2页
E6.74玻璃幕墙(明框)工程检验批质量验收记录表.docx_第2页
第2页 / 共2页
亲,该文档总共2页,全部预览完了,如果喜欢就下载吧!
资源描述

《E6.74玻璃幕墙(明框)工程检验批质量验收记录表.docx》由会员分享,可在线阅读,更多相关《E6.74玻璃幕墙(明框)工程检验批质量验收记录表.docx(2页珍藏版)》请在第壹文秘上搜索。

1、福州市轨道交通*号线工程承包单位:合同号:监理单位:编号:玻璃幕墙(明框)工程检验批质验收记录表IlE6.74单位(子单位)工程名称分部(子部分)工程名称分项工程名称施工单位项目技术负责人检验批容量分包单位分包单位项目负责人检验批部位施工依据验收依据建筑装饰装修工程质量验收规范GB50210-2001验收项目及要求最小/实际抽样数量施工单位检查评定记录监理(建设)单位验收记录主控项目1玻璃幕墙工程所使用的各种材料,构件和组件的质量必须符合设计要求及国家现行产品标准和工程技术规范规定/2玻璃幕墙的造型和立面分格必须符合设计要求/3玻璃幕墙必须使用安全玻璃,且厚度应不小于6.0mm,其品种、规格、

2、颜色、光学性能及安装方向必须符合设计要求/幕墙的中空玻璃应采用聚硫密封胶及丁基密封胶,并双道密封;镀膜面应在中空玻璃的第2或第3面上/幕墙的夹层玻璃应采用聚乙烯静缩醛(PVB)胶片干法加工合成的夹层玻璃/钢化玻璃衣面不得有损伤:8.Omm以下的钢化玻璃应进行引爆处理/幕墙玻璃均必须进行边缘处理/4玻璃幕墙与主体结构连接的各种预埋件、连接件、紧固件必须安装牢固;其数量、规格、位置、连接方法和防腐处理必须符合设计要求/5各种连接件、紧固件的螺栓应有防松动措施;焊接连接应符合设计要求和焊接规范的规定/6玻璃槽II与玻璃的配合尺寸应符合设计要求和技术标准的规定/玻璃与构件不得直接接触,玻璃四周与构件凹

3、槽底部应保持定的空隙,每块玻璃卜.部应至少放置两块宽度与槽口宽度相同,长度不小于100mm的弹性定位垫块;玻璃两边嵌入量及空隙应符合设计要求/玻璃四周橡胶条的材质,型号应符合设计要求,镶嵌应平整,橡胶条长度应比边框内槽长1.52.0%,橡胶条在转角处应斜面断开,并用粘结剂粘结牢固后嵌入槽内/7玻璃幕墙四周,玻璃幕墙内表面与主体结构之间的连接节点,各种变形缝、墙角的连接节点必须符合设计要求和技术标准的规定/8玻璃幕墙严禁渗漏/9玻璃幕墙结构胶和密封胶的打注必须饱满、密实、连续、均匀、无气泡,宽度和厚度廊符合设计要求和技术标准规定/10玻璃幕墙开启窗的配件应齐全,安装应牢固,安装位置和开启方向、角

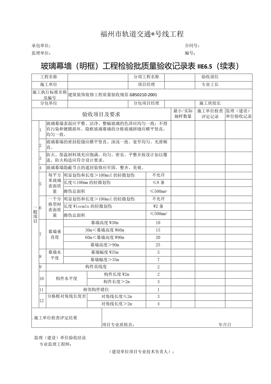
4、度应正确;开启应灵活,,关闭应严密/11玻璃幕墙的防雷装置必须与主体结构的防雷装置可靠连接/.施工单位检查结果项目专业质量位工员:检查员:年月日监理单位验收结论专业监理工程师:年月日福州市轨道交通*号线工程承包单位:合同号:监理单位:编号:监理(建设)单位验收结论玻璃幕墙(明框)工程检验批质量验收记录表IlE6.5(续表)工程名称分项工程名称验收部位施工单位项目经理专业工长施工执行标准名称及编号建筑装饰装修工程质量验收规范GB50210-2001分包单位分包项目经理施工班组长验收项目及要求最小/实际抽样数量施工单位检查评定记录监理(建设)单位验收记录一般项目1玻璃幕墙表面应平整、洁净、整幅玻璃

5、的色泽应均匀一致;不得有污染和镀膜损坏。隐框玻璃幕墙的分格玻璃拼缝应横平竖直,均匀一致。2玻璃幕墙的密封胶缝应横平竖直、深浅一致、宽窄均匀、光滑顺直。3防火、保温材料填充应饱满,均匀、密实、平整并按设计加以覆盖。防火构造应符合设计要求。4玻璃幕墙隐蔽节点的遮封装修应牢固、整齐、美观。5每平方米玻璃表面质量明显划伤和长度10OmnI的轻微划伤不允许长度100mm的轻微划伤8条擦伤总面积500mmz6一个分格型材表面质量明显划伤和长度10Omnl的轻微划伤不允许长度Wloomln的轻微划伤W2条擦伤总面积500mmj7幕墙垂直度幕墙高度W30m1030m幕墙高度W60m1560m幕墙高度W90m20幕墙高度90m258幕墙水平度幕墙幅度W35m5幕墙幅度35m79构件直线度210构件水平度构件长度W2m2构件长度2m311相邻构件错位112分格框对角线长度差对角线长度2m3对角线长度2m4.施工单位检查评定结果项目专业质检员:年月日专业监理工程师:(建设单位项目专业技术负责人):

展开阅读全文
相关资源
猜你喜欢
相关搜索

当前位置:首页 > 建筑/环境 > 建筑资料

copyright@ 2008-2023 1wenmi网站版权所有

经营许可证编号:宁ICP备2022001189号-1

本站为文档C2C交易模式,即用户上传的文档直接被用户下载,本站只是中间服务平台,本站所有文档下载所得的收益归上传人(含作者)所有。第壹文秘仅提供信息存储空间,仅对用户上传内容的表现方式做保护处理,对上载内容本身不做任何修改或编辑。若文档所含内容侵犯了您的版权或隐私,请立即通知第壹文秘网,我们立即给予删除!