机械行业职业教育技能大赛:评分细则---“精雕杯”五轴数控加工技能大赛.docx

上传人:p** 文档编号:892566 上传时间:2024-03-30 格式:DOCX 页数:5 大小:27.73KB
下载 相关 举报
机械行业职业教育技能大赛:评分细则---“精雕杯”五轴数控加工技能大赛.docx_第1页
第1页 / 共5页
机械行业职业教育技能大赛:评分细则---“精雕杯”五轴数控加工技能大赛.docx_第2页
第2页 / 共5页
机械行业职业教育技能大赛:评分细则---“精雕杯”五轴数控加工技能大赛.docx_第3页
第3页 / 共5页
机械行业职业教育技能大赛:评分细则---“精雕杯”五轴数控加工技能大赛.docx_第4页
第4页 / 共5页
机械行业职业教育技能大赛:评分细则---“精雕杯”五轴数控加工技能大赛.docx_第5页
第5页 / 共5页
亲,该文档总共5页,全部预览完了,如果喜欢就下载吧!
资源描述

《机械行业职业教育技能大赛:评分细则---“精雕杯”五轴数控加工技能大赛.docx》由会员分享,可在线阅读,更多相关《机械行业职业教育技能大赛:评分细则---“精雕杯”五轴数控加工技能大赛.docx(5页珍藏版)》请在第壹文秘上搜索。

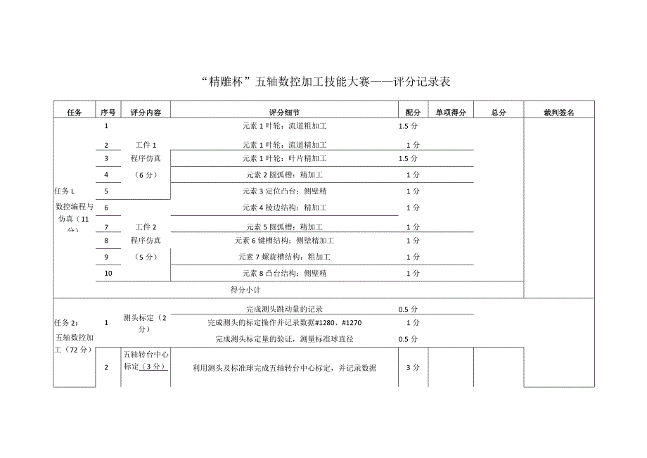
1、2018年全国机械行业职业院校技能大赛“精雕杯”五轴数控加工技能大赛赛项评分记录表参赛号:场次:赛位号:评分表任务号一二三四合计得分裁判员审核确认裁判长复核确认“精雕杯”五轴数控加工技能大赛任务配分表序号任务项目内容配分得分1任务一数控编程与仿真112任务二五轴数控加工723任务三在机检测114任务四职业素养与安全操作6合计100“精雕杯”五轴数控加工技能大赛评分记录表任务序号评分内容评分细节配分单项得分总分裁判签名1元素1叶轮:流道粗加工1.5分2工件1元素1叶轮:流道精加工1分3程序仿真元素1叶轮:叶片精加工1.5分4(6分)元素2圆弧槽:精加工1分任务L5元素3定位凸台:侧壁精1分数控编

2、程与仿真(11分)6元素4棱边结构:精加工1分7工件2元素5圆弧槽:精加工1分8程序仿真元素6键槽结构:侧壁精加工1分9(5分)元素7螺旋槽结构:粗加工1分10元素8凸台结构:侧壁精1分得分小计测头标定(2分)完成测头跳动量的记录0.5分任务2:1完成测头的标定操作并记录数据#1280、#12701分五轴数控加工(72分)完成测头标定量的验证,测量标准球直径0.5分2五轴转台中心标定(3分)利用测头及标准球完成五轴转台中心标定,并记录数据3分3装配体检测(2分)装配总高度装配总高度尺寸2分工件1产品检测(30分)主观评判项目(5分)图纸相符程度1.5分锐边倒钝8.2、去除毛刺1分表面无加工缺陷

3、1.5分其余粗糙度满足图纸要求1分粗糙度检测(2分)尺寸编号1分尺寸编号1分三坐标尺寸检测(23分)尺寸编号L5分尺寸编号1.5分尺寸编号1分尺寸编号2分尺寸编号2分尺寸编号3分尺寸编号3分尺寸编号2分尺寸编号1分尺寸编号1分尺寸编号2分尺寸编号3分工件2产品检测主观评判项目(5分)图纸相符程度15分锐边倒钝CO.2、去除毛刺1分(35分)表面无加工缺陷1.5分其余粗糙度满足图纸要求1分粗糙度检测(4分)尺寸编号1分尺寸编号1分尺寸编号1分尺寸编号1分三坐标尺寸检测(26分)尺寸编号1.5分尺寸编号1.5分尺寸编号2分尺寸编号3分尺寸编号3分尺寸编号1分尺寸编号2分尺寸编号2分尺寸编号2分尺寸编号1分尺寸编号2分尺寸编号3分尺寸编号2分得分小计任务3:在机检测1工件1在机检测尺寸编号1分2尺寸编号1分(11分)3(3分)尺寸编号1分4工件2在机检测(8分)尺寸编号1分5尺寸编号1分6尺寸编号1分7尺寸编号1分8尺寸编号1分9尺寸编号1分10尺寸编号2分得分小计1公平竞赛,遵守赛场纪律,服从裁判2分任务4:职业素养与安全操作(6分)2安全与职业素养现场工具摆放整齐1分3场地清洁,现场安全、文明生产1分4遵守精雕机安全操作规程,安全操作精雕机2分得分小计

展开阅读全文
相关资源
猜你喜欢
相关搜索

当前位置:首页 > 汽车/机械/制造 > 制造加工工艺

copyright@ 2008-2023 1wenmi网站版权所有

经营许可证编号:宁ICP备2022001189号-1

本站为文档C2C交易模式,即用户上传的文档直接被用户下载,本站只是中间服务平台,本站所有文档下载所得的收益归上传人(含作者)所有。第壹文秘仅提供信息存储空间,仅对用户上传内容的表现方式做保护处理,对上载内容本身不做任何修改或编辑。若文档所含内容侵犯了您的版权或隐私,请立即通知第壹文秘网,我们立即给予删除!