电工培训课件之限位开关知识.docx

上传人:p** 文档编号:894615 上传时间:2024-03-30 格式:DOCX 页数:8 大小:92.18KB
下载 相关 举报
电工培训课件之限位开关知识.docx_第1页
第1页 / 共8页
电工培训课件之限位开关知识.docx_第2页
第2页 / 共8页
电工培训课件之限位开关知识.docx_第3页
第3页 / 共8页
电工培训课件之限位开关知识.docx_第4页
第4页 / 共8页
电工培训课件之限位开关知识.docx_第5页
第5页 / 共8页
电工培训课件之限位开关知识.docx_第6页
第6页 / 共8页
电工培训课件之限位开关知识.docx_第7页
第7页 / 共8页
电工培训课件之限位开关知识.docx_第8页
第8页 / 共8页
亲,该文档总共8页,全部预览完了,如果喜欢就下载吧!
资源描述

《电工培训课件之限位开关知识.docx》由会员分享,可在线阅读,更多相关《电工培训课件之限位开关知识.docx(8页珍藏版)》请在第壹文秘上搜索。

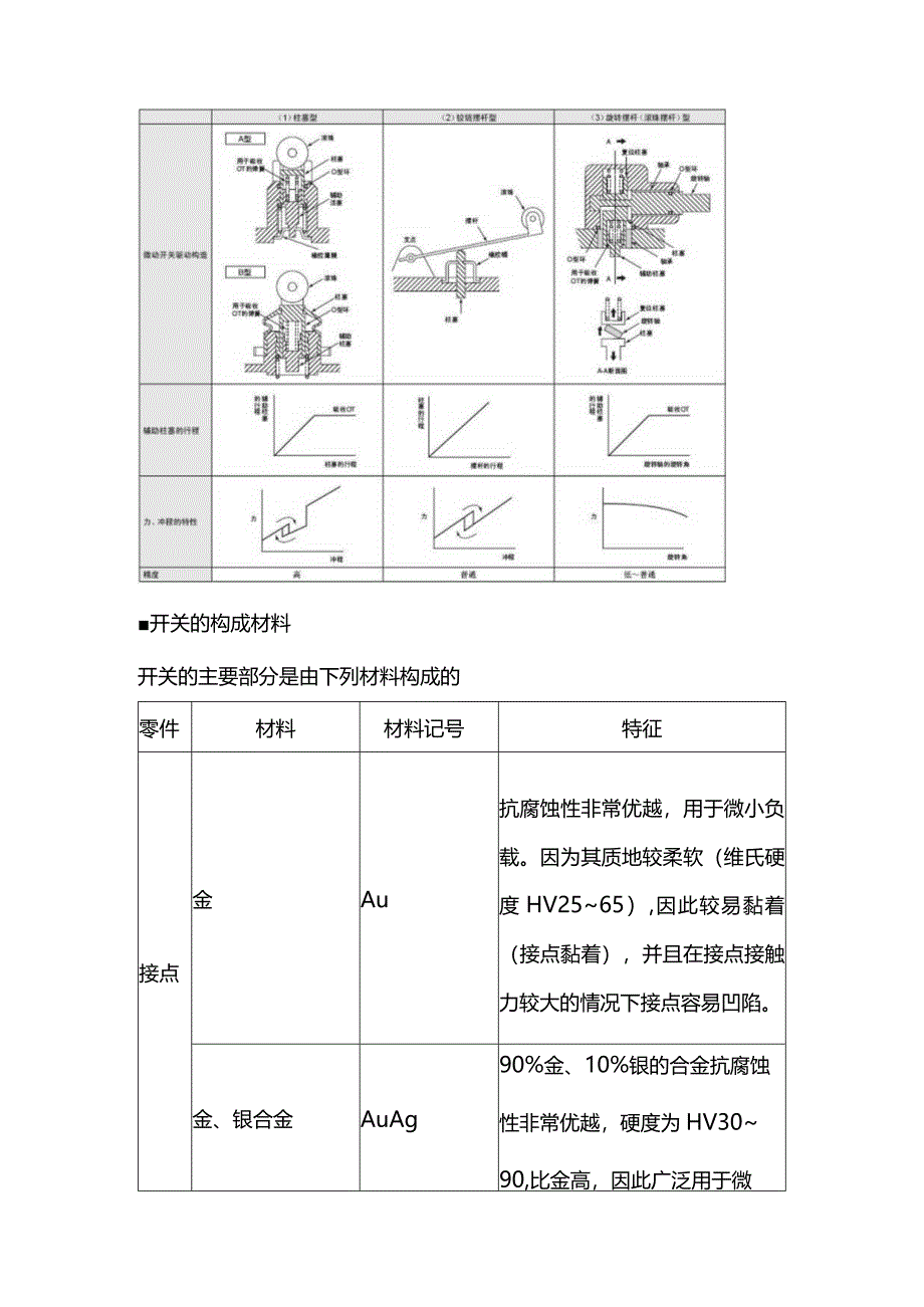
1、限位开关的概念限位开关,指为保护内置微动开关免受外力、水、油、气体和尘埃等的损害,而组装在外壳内的开关,尤其适用于对机械强度和环境适应性有特殊要求的地方。形状大致分为横向型、竖向型和复合型。下图表示典型的竖向型限位开关的构造。限位开关大致上是由五个构成要素组成的。内置微动开关开关电路接点部固定外部连接用电集 .对内部进行保护密 封.,力可动探点一操作样拿典型示例双断型内置微动开关典型的竖向型限位开关的构造图内置微动开关驱动机构对于限位开关来说,微动开关的驱动机构是与密封性能和动作特性直接相关的重要部分。其构造分为三类,如下表所示。(1)活塞型根据密封方法不同,有表中的A型和B型2个种类。A型是

2、用。型环或薄膜密封的,由于密封橡胶没有外露,在抵制工作机械的切割碎屑方面功能较强大,但其反面影响是,有可能会将砂子、切割粉末等压入活塞的滑动面。B型虽然不会把砂子、切割粉末等压入,且密封性能优于A型,但由于炽热的切割碎屑飞溅过来,有可能会损坏橡胶帽。因此,要根据使用场所的不同选用A型或B型。而柱塞型仍然通过柱塞的往复运动压缩或吸进空气。为此,如果长时间将柱塞压入,限位开关内的压缩空气逸失,内部压力将与大气压相同,即使急于让柱塞复位,柱塞却有迟缓复位的倾向。为了避免发生这种故障,设计时,根据柱塞的压入将空气的压缩量控制在限位开关内部全部空气量的20%以内。另外,为了延长微动开关的寿命,在这一构造

3、内部设置了一个OT吸收机构,该OT吸收机构采用OT吸收弹簧,用以吸收残余的柱塞的行程。该机构相对于柱塞的运动,在中途停止按压微动开关辅助柱塞的行程。(2)钱链摆杆型在摆杆端部(滚珠),柱塞的行程量根据摆杆的比例扩大,因此,一般不使用OT吸收机构。(3)旋转摆杆型举一个典型的示例,来示例WL的构造,但除此之外,还有两个类型:将复位柱塞的功能赋予柱塞的类型;通过线圈弹簧获取复位力、用凸轮带动辅助柱塞的类型。开关的构成材料开关的主要部分是由下列材料构成的零件材料材料记号特征接点金Au抗腐蚀性非常优越,用于微小负载。因为其质地较柔软(维氏硬度HV2565),因此较易黏着(接点黏着),并且在接点接触力较

4、大的情况下接点容易凹陷。金、银合金AuAg90%金、10%银的合金抗腐蚀性非常优越,硬度为HV3090,比金高,因此广泛用于微小负载用开关。白金、金、银合金PGS69%金、25%银、6%白金的合金抗腐蚀性非常优越,硬度也与金银合金相同,广泛用于微小负载用开关。称为作1号合金。银、钿合金AgPd抗腐蚀性较好,但较易吸附有机气体生成聚合物。50%银、50%钳的情况下,硬度为HVlOO-200o银Ag导电率、热传导率在金属中是最大的。虽然表现出较低的接触电阻,但其缺点是,在硫化气体的环境中较易生成硫化膜,在微小负载区域较易产生接触不良。硬度为HV2545o多用于一般负载用开关。银、银合金AgNi90

5、%银、10%银的银、银合金导电率与银接近,在抗电弧、抗熔化方面表现优良。硬度为HV65-115o银、锢,锡合金AgInSn硬度、熔点较高,抗电弧性优越,不易熔化或转移。可动弹簧、可动片弹簧用磷青铜C5210压延性、抗疲劳性及抗腐蚀性优良。已进行退火处理。如果弹簧临界值(Kb0.075)C521O-H为40kgfmm2以上、C5210-EH为47kgfmm2以上,较低,广泛用于小型微动开关的可动片。用于弹簧用镀铜(时效硬化处理型)C1700C1720压延加工后进行时效硬化处理。导电率较高,并且进行硬化处理后,如果弹簧临界值(Kb0.075)C1700-HS90kgfmm2以上、C1720-HS4

6、7kgfmm2以上,非常高,用于弹簧临界值必须为较高的微动开关。弹簧用镀铜(mill-hardend材料)C1700-MC1720-M出厂时,材料厂商已进行过时效硬化处理(称为密尔哈敦材料),零件加工后(压延)无需进行时效硬化处理。如果弹簧临界值(Kbo.075)在65kgfmm2以上(参考值),就会比弹簧用磷青铜高,广泛用于小型微动开关的可动弹簧。弹簧用不锈钢(奥氏体系列)SUS301-CSPSUS304-CSP抗腐蚀性优良。临界值(Kb0.075)SUS3O1-CSP-H在50kgfmr2以上、SUS304-CSP-H在40kgfmr2以上。外冗、保护帽苯酚树脂PF热硬化性树脂。广泛用于微

7、动开关的外壳材料。UL温度指数为150C,UL阻燃级别在94V-I以上,吸水率为0.10.3%。微动开关多使用无氨材料。PBT树脂PBTP热可塑性树脂。玻璃纤维强化型多用于微动开关的外壳材料。UL温度指数为130,UL阻燃级别在94V-1以上,吸水率为0.070.1。PBT树脂PETP热可塑性树脂。玻璃纤维强化型用于微动开关的外壳材料。UL温度指数为130C,UL阻燃级别在94V-1以上,吸水率为0.070.1。聚酰胺(尼龙)树脂PA热可塑性树脂。与PBT和PET相比,玻璃纤维强化型的耐热性较好。由于吸水率较高,因此请尽量选用吸水率较低的品种。UL温度指数为180,UL阻燃级别在94V-1以上

8、,吸水率为0.21.2o聚苯硫酸PPS热可塑性树脂。与PA相比,其耐热性更为优越。UL温度指数为200C,UL阻燃级别在94V-I以上,吸水率为0.1o开关盒铝(铸件)ADC多用于限位开关的开关(箱)盒的材料。JISH5302中有标准。锌(铸件)ZDC与铝铸件相比,适用于较薄的部位,抗腐蚀性也比铝铸件优越。JISH5301中有标准。密封橡胶丁睛橡胶NBR耐油性优良,广泛应用于限位开关。根据结合睛的量将睛的等级分为5类,即极高(43%以上)、高(3642%)、中高(3135%)、低(24%以下),耐油性、耐热型、耐寒性稍有不同。使用温度范围为-40-130oCo硅胶SIR耐热型、耐寒性优良,使用温度范围为一70280C,但耐油性较差。氟化胶FRM与脂丁二烯、硅胶相比,耐热型、耐寒性、耐油性优良,但在耐油性方面根据油的成分不同有时会比睛丁二烯还差。氯丁二烯橡胶CR耐臭氧性、耐气候性较好。广泛应用于对耐气候性有特殊要求的微动开关。

展开阅读全文
相关资源
猜你喜欢
相关搜索

当前位置:首页 > 管理/人力资源 > 咨询培训

copyright@ 2008-2023 1wenmi网站版权所有

经营许可证编号:宁ICP备2022001189号-1

本站为文档C2C交易模式,即用户上传的文档直接被用户下载,本站只是中间服务平台,本站所有文档下载所得的收益归上传人(含作者)所有。第壹文秘仅提供信息存储空间,仅对用户上传内容的表现方式做保护处理,对上载内容本身不做任何修改或编辑。若文档所含内容侵犯了您的版权或隐私,请立即通知第壹文秘网,我们立即给予删除!