确保体育馆钢结构预埋件施工质量QC成果.docx

上传人:p** 文档编号:895528 上传时间:2024-03-30 格式:DOCX 页数:18 大小:423.07KB
下载 相关 举报
确保体育馆钢结构预埋件施工质量QC成果.docx_第1页
第1页 / 共18页
确保体育馆钢结构预埋件施工质量QC成果.docx_第2页
第2页 / 共18页
确保体育馆钢结构预埋件施工质量QC成果.docx_第3页
第3页 / 共18页
确保体育馆钢结构预埋件施工质量QC成果.docx_第4页
第4页 / 共18页
确保体育馆钢结构预埋件施工质量QC成果.docx_第5页
第5页 / 共18页
确保体育馆钢结构预埋件施工质量QC成果.docx_第6页
第6页 / 共18页
确保体育馆钢结构预埋件施工质量QC成果.docx_第7页
第7页 / 共18页
确保体育馆钢结构预埋件施工质量QC成果.docx_第8页
第8页 / 共18页
确保体育馆钢结构预埋件施工质量QC成果.docx_第9页
第9页 / 共18页
确保体育馆钢结构预埋件施工质量QC成果.docx_第10页
第10页 / 共18页
亲,该文档总共18页,到这儿已超出免费预览范围,如果喜欢就下载吧!
资源描述

《确保体育馆钢结构预埋件施工质量QC成果.docx》由会员分享,可在线阅读,更多相关《确保体育馆钢结构预埋件施工质量QC成果.docx(18页珍藏版)》请在第壹文秘上搜索。

1、确保体育馆钢结构预埋件施工质量小组名称:郑州市奥林匹克体育中心QC小组课题类型:现场型发布人:任余阳中国建筑第八工程局有限公司一、工程概况郑州市奥林匹克体育中心位于郑州市常西湖新区,北临渠南路,西临西四环,南至文博大道,东至站前大道,包含体育场、体育馆、游泳馆及配套商业等多个业态。本工程体育馆屋盖采用正放四角锥焊接球网架结构,其通过支座与36根混凝土网架支撑柱连接,由于网架支撑柱所受荷载较大,且结构安全特别重要,设计为特一级抗震要求,钢筋及其密集,且钢结构埋件尺寸较大。该节点的施工质量,对整体结构安全影响重大,因此本项目成立QC小组以确保体育馆钢结构预埋件施工质量。二、小组简介郑州市奥林匹克体

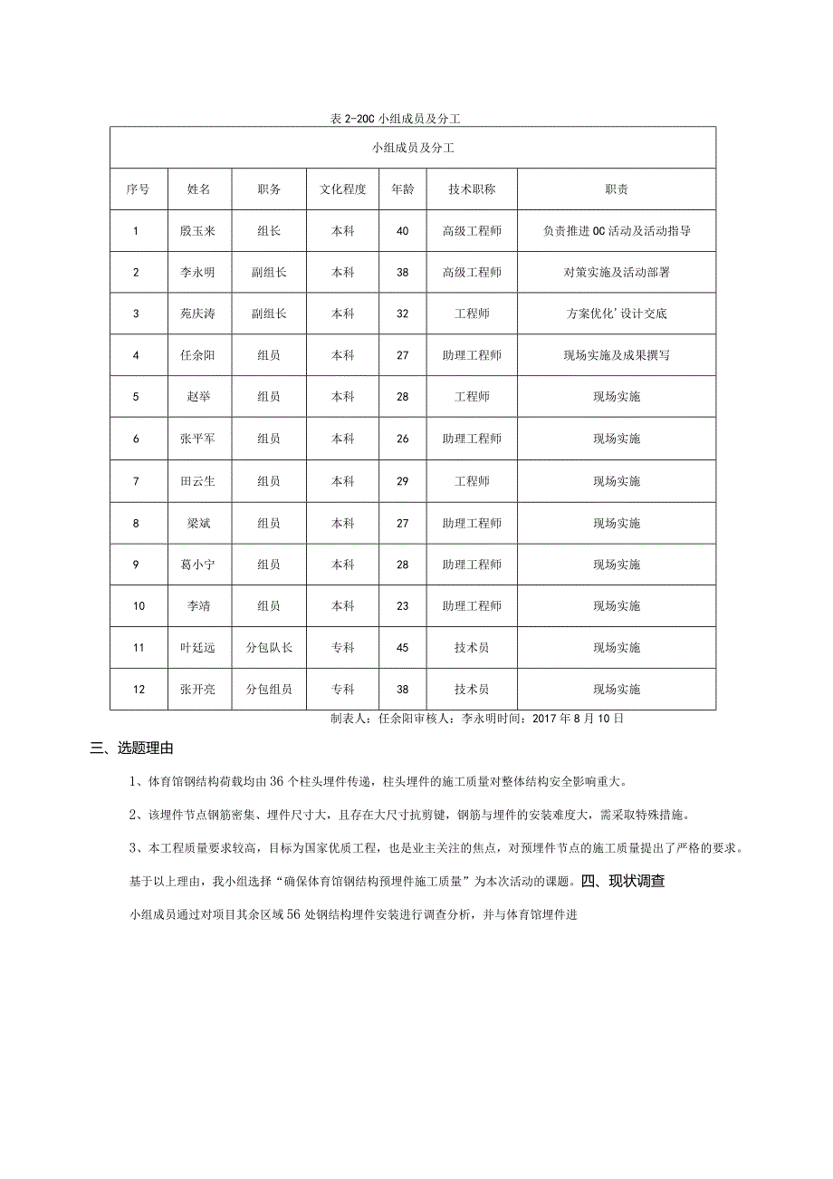
2、育中心项目QC小组共12人,平均年龄30岁,每周活动2次,每次不少于L5小时,小组及成员简介见下表:表2-1QC小组简介小组名称郑州市奥林匹克体育中心项目QC小组课题名称确保体育馆钢结构预埋件施工质量小组类型现场型组长殷玉来小组成立时间2017年8月1日小组注册时间2017年8月1日活动日期2017年8月-2017年10月小组注册号CSCEC8-ZZAT活动频次每周活动两次,出勤率95%小组成员12人OC教育时间48学时表2-2OC小组成员及分工小组成员及分工序号姓名职务文化程度年龄技术职称职责1殷玉来组长本科40高级工程师负责推进OC活动及活动指导2李永明副组长本科38高级工程师对策实施及活

3、动部署3苑庆涛副组长本科32工程师方案优化设计交底4任余阳组员本科27助理工程师现场实施及成果撰写5赵举组员本科28工程师现场实施6张平军组员本科26助理工程师现场实施7田云生组员本科29工程师现场实施8梁斌组员本科27助理工程师现场实施9葛小宁组员本科28助理工程师现场实施10李靖组员本科23助理工程师现场实施11叶廷远分包队长专科45技术员现场实施12张开亮分包组员专科38技术员现场实施制表人:任余阳审核人:李永明时间:2017年8月10日三、选题理由1、体育馆钢结构荷载均由36个柱头埋件传递,柱头埋件的施工质量对整体结构安全影响重大。2、该埋件节点钢筋密集、埋件尺寸大,且存在大尺寸抗剪键

4、,钢筋与埋件的安装难度大,需采取特殊措施。3、本工程质量要求较高,目标为国家优质工程,也是业主关注的焦点,对预埋件节点的施工质量提出了严格的要求。基于以上理由,我小组选择“确保体育馆钢结构预埋件施工质量”为本次活动的课题。四、现状调查小组成员通过对项目其余区域56处钢结构埋件安装进行调查分析,并与体育馆埋件进行对比分析,得出影响埋件安装存在的问题统计如下:表4-1灌注桩注浆不合格频数、频率统计序号存在问题频数频率(%)累计频率(%)1钢筋与埋件冲突1041.6741.672埋件位置偏差520.8362.503埋件下混凝土不密实520.8383.334埋件平整度偏差28.3391.665其他28

5、.33100合计24100制表人:任余阳审核人:李永明制图日期:2017年8月20日依据问题统计表绘制排列图:碗紫计算基图4-2预埋件常见问题统计排列图制图人:任余阳审核人:李永明制图日期:2017年8月25日由排列图分析得出:“钢筋与埋件冲突”、“埋件位置偏差”及“埋件下混凝土不密实”,是影响钢结构埋件施工质量问题的主要症结所在。五、设定目标根据问题统计表和排列图分析得出,只要将:“钢筋与埋件冲突”、“埋件位置偏差”及“埋件下混凝土不密实”三个质量问题完全解决,即可确保体育馆钢结构预埋件施工质量,故设定目标为:体育馆36处钢结构埋件各类问题发生累计频数小于5次。六、原因分析针对从调查中得出的

6、主要问题QC小组成员于2017年9月4日召开了专题会。从人、机、料、法、环等五个方面进行了深入的分析、细致的讨论,对该课题的难点、原因、解决方法进行了初步策划。且小组成员广泛收集设计、现场工人,质检员的意见,制出钢结构埋件质量控制的关联图,分析产生质量问题的原因。图67召开专题会图6-2影响钢结构埋件施工质量关联图制图人:任余阳审核人:李永明制图日期:2017年9月5日七、要因确认由关联图我们共找到12个末端因素,并制定了要因确认计划表,对其进行了逐项调查及论证分析。表7T要素确认序号末端因素确认方法确认内容确认标准负责人时间1钢筋绑扎随意,未提前留置埋件空间现场检查绑扎过程是否有相应控制措施

7、,是否预留埋件留置空间钢筋绑扎过程有控制措施,能够提前留置好埋件所需空间赵举9月25日2管理制度不完善、验收检查不到位现场检查管理制度、验收检查考核是否齐全管理制度完善,检查考核到位苑庆涛9月15日3混凝土振捣不到位现场检查混凝土班组振捣是否到位混凝土班组振捣到位,混凝土拆模后观感良好张平军9月15日4埋件吊装机械不合理调查分析吊装机械施工合理吊装机械能够满足安装精度需求田云生9月12日5混凝土振捣棒型号不合适检查记录混凝土振捣棒型号能否满足施工需求混凝土振捣棒型号齐全,满足柱头埋件振捣需求梁斌9月12日6柱头钢筋密集,普通混凝土粒径较大、和易性差调查分析埋件所在柱头钢筋密集度,普通混凝土能否

8、满足施工需求柱头钢筋密集度较小,普通混凝土能够达到施工需求任余阳9月15日7钢筋排布不合理计算分析钢筋排布是否合理易行钢筋排布具备现场实施能力任余阳9月15日8钢筋与埋件施工顺序穿插不合理模拟分析钢筋与埋件施工顺序穿插是否合理可行钢筋与埋件施工顺序穿插合理可行任余阳9月15日9埋件抗剪键设置不合理模拟计算分析埋件抗剪键大小及位置设置是否合理埋件抗剪键大小合理、位置不与钢筋冲突苑庆涛9月15日10施工人员责任心不强质量意识淡薄现场检查是否存在因施工人员责任心不强影响工程质量的问题。现场施工人员按照质量标准要求进行施工葛小宁9月25日11对施工人员及管理人员技术培训不够检查记录施工交底、技术培训是

9、否完善施工前做技术交底张平军9月20日12柱头位置高空作业,且周围无相邻结构现场检查高空作业操作平台搭设是否完善高空操作平台搭设规范,方便施工李靖9月20日制表人:南晨旭审核人:李文杰制图日期:2017年1月5日要因确认1:末端因素:钢筋绑扎随意,未提前留置埋件空间标准:钢筋绑扎过程有控制措施,能够提前留置好埋件所需空间实查:2017年9月25日开始,由赵举检查施工以来的4处柱头钢筋绑扎情况,发现无有效钢筋定位绑扎控制措施,埋件位置未提前留置出来,埋件无法顺利安装。结论:要因要因确认2:末端因素:管理制度不完善验收检查不到位标准:管理制度完善,检查考核到位实查:小组成员苑庆涛随机抽查现场施工管

10、理人员在岗及责任制落实情况,共抽查15人次,在岗15人次,在岗率100%,经现场提问,他们均能答出各自的岗位职责。要因确认3:末端因素:混凝土振捣不到位标准:混凝土班组振捣到位,混凝土拆模后观感良好实查:小组成员张平军对混凝土班组以往施工振捣效果进行了现场检查,检查发现该混凝土班组振捣能够满足交底要求,拆模后观感良好。结论:非要因要因确认4:末端因素:埋件吊装机械不合理标准:吊装机械能够满足安装精度需求实查:小组成员田云生调查了埋件放置所使用的吊装机械,采用塔吊配合葫芦吊,能够满足安装需求。结论:非要因要因确认5:末端因素:混凝土振捣棒型号不合适标准:混凝土振捣棒型号齐全,满足柱头埋件振捣需求

11、实查:小组成员梁斌对施工班组所配振捣棒型号进行检查,检查发现混凝土振捣棒主要型号齐全,50、30振捣棒均有配备,能够满足埋件处振捣需求。结论:非要因要因确认6:末端因素:柱头钢筋密集,普通混凝土粒径较大、和易性差标准:柱头钢筋密集度较小,普通混凝土能够达到施工需求实查:小组成员任余阳使用BIM技术对该节点钢筋排布进行模拟,发现该处钢筋极为密集,空间小,且埋件较大,埋件下易形成空腔区域,普通混凝土及难达到密实度要求。结论:要因要因确认7:末端因素:钢筋排布不合理标准:钢筋排布具备现场实施能力实查:小组成员任余阳使用BIM技术对钢筋进行模拟排布,排布结果显示钢筋无法顺利排开,钢筋间距小,不具备现场

12、施工条件。要因确认8:末端因素:钢筋与埋件施工顺序穿插不合理标准:钢筋与埋件施工顺序穿插合理可行实查:小组成员任余阳使用BIM技术对钢筋及埋件安装流程进行模拟,发现常规先施工完钢筋后放埋件的施工顺序难以顺利安装,存在多处碰撞冲突点。结论:要因要因确认9:末端因素:埋件抗剪键设置不合理标准:埋件抗剪键大小合理、位置不与钢筋冲突实查:小组成员苑庆涛对埋件抗剪键大小、位置与钢筋对比分析,发现按现有设计,抗剪键需切断较多梁主筋,需调整抗剪键大小及位置。结论:要因要因确认10:末端因素:施工人员责任心不强质量意识淡薄标准:现场施工人员能够按照质量标准要求进行施工实查:小组成员葛小宁对钢筋绑扎及埋件安装施

13、工过程进行监督,发现工人质量意识薄弱,但经教育交底后,能够及时进行整改,质量意识显著加强。结论:非要因要因确认11:末端因素:对施工人员及管理人员技术培训不够标准:施工前做技术交底实查:小组成员张平军检查了体育馆网架支撑柱施工技术交底2份,交底记录叙述详细,交底到位,签字手续齐全,施工人员能够掌握交底要求,且按要求施工了样板,工人能够知晓施工要求。结论:非要因要因确认12:末端因素:柱头位置高空作业,且周围无相邻结构标准:高空操作平台搭设规范,方便施工实查:小组成员李煜对现场高空操作平台搭设进行全面检查,检查发现,操作平台能够按照方案要求搭设,满足工人操作所需空间。结论:非要因八、制定对策表87对策措施表序号要因对策目标措施地点负责人完成时间1钢筋绑扎随意,未提前留置埋件空间专题培训、采取控制措施提升施工人员责任心,按要求定位绑扎钢筋1、召集分包管理人员及工人进行质量专题培训I,多次交底教育。2、制作埋件位置示意定位框,钢筋绑扎时避开埋件位置。会议室及施工现场李永明苑庆涛任余阳赵举2017.9.252柱头钢筋密集,普通混凝土粒径较大、和易性差改进混凝土配合比混凝土和易性好,易密实1项目部对搅拌站进行考

展开阅读全文
相关资源
猜你喜欢
相关搜索

当前位置:首页 > 建筑/环境 > 施工组织

copyright@ 2008-2023 1wenmi网站版权所有

经营许可证编号:宁ICP备2022001189号-1

本站为文档C2C交易模式,即用户上传的文档直接被用户下载,本站只是中间服务平台,本站所有文档下载所得的收益归上传人(含作者)所有。第壹文秘仅提供信息存储空间,仅对用户上传内容的表现方式做保护处理,对上载内容本身不做任何修改或编辑。若文档所含内容侵犯了您的版权或隐私,请立即通知第壹文秘网,我们立即给予删除!