003各类事故现场处置方案汇编.docx

上传人:p** 文档编号:901630 上传时间:2024-04-01 格式:DOCX 页数:33 大小:160.03KB
下载 相关 举报
003各类事故现场处置方案汇编.docx_第1页
第1页 / 共33页
003各类事故现场处置方案汇编.docx_第2页
第2页 / 共33页
003各类事故现场处置方案汇编.docx_第3页
第3页 / 共33页
003各类事故现场处置方案汇编.docx_第4页
第4页 / 共33页
003各类事故现场处置方案汇编.docx_第5页
第5页 / 共33页
003各类事故现场处置方案汇编.docx_第6页
第6页 / 共33页
003各类事故现场处置方案汇编.docx_第7页
第7页 / 共33页
003各类事故现场处置方案汇编.docx_第8页
第8页 / 共33页
003各类事故现场处置方案汇编.docx_第9页
第9页 / 共33页
003各类事故现场处置方案汇编.docx_第10页
第10页 / 共33页
亲,该文档总共33页,到这儿已超出免费预览范围,如果喜欢就下载吧!
资源描述

《003各类事故现场处置方案汇编.docx》由会员分享,可在线阅读,更多相关《003各类事故现场处置方案汇编.docx(33页珍藏版)》请在第壹文秘上搜索。

1、突发事件及处置危险化学品大量泄漏及人员中毒应急处理步骤处置负责人事故类型危化品泄漏班长发现异常发现本装置发生危险化学品大量泄露,立即汇报班长。发现泄漏第一人现场确认报告确认发生危险化学品大量泄露后,向中控室及车间调度报告。班长、发现泄漏第一人紧急处置1、安排人员迅速通知现场作业人员装置发生危化品泄漏。班长2、安排2名值班人员赶赴中控室,协助工艺人员处理事故。班长视情况采取措施1、工艺设备发生危险化学品大量泄露,组织班组人员迅速撤离危险场所。2、仪表设备损坏发生危险化学品大量泄露,立即组织人员处理。班长、班组技术员报警1、迅速通知车间领导。调度2、向厂应急响应中心报告车间应急情况。车间主任应急程

2、序启动通知其他岗位人员做好应急处理。调度人员抢救戴空气呼吸器转移中毒人员,并施行急救(专业人员未接替前决不放弃)。班长指定的人员人员疏散视情况采取措施泄露危及本装置组织班组人员迅速撤离危险区域。班长、安全管理人员泄露危及其它装置组织车间其他人员迅速撤离危险区域。车间领导安全管理人员各班组班长泄漏物封堵回收1、沙袋封堵外排沟。车间应急人员工艺环保人员2、采用中和手段处理泄漏物。3、用器皿或吸油棉回收泄漏物。用回收泵将积聚在低洼处的泄漏物抽至就近的污水井,使其进入污水池。4、启污水泵将进入污水池的泄漏物倒往回收罐。警戒根据泄漏情况,划定警戒范围,设置警戒线。车间应急人员接应救援打开消防通道,接应消

3、防、气防、环境监测等车辆及外部应急增援力量。车间应急人员事故控制事故继续扩大时,通知工艺车间做好停车应急处理。车间应急人员带压堵漏具备堵漏条件时,组织人员进入现场带压堵漏。车间领导注意L进入可能中毒区域时,必须佩戴空气呼吸券,其它附近区域佩戴过滤式防毒面具。接触有毒介质的关阀人员、回收人员和堵漏人员须穿防护服。2、人员疏散应根据风向标指示,撤离至上风口的紧急集合点,并清点人数。3、施工人员疏散时,应检查关闭现场的用火火源,切断临时用电电源。4、报警时,须讲明泄漏地点、泄漏介质、严重程度、人员伤亡情况、有无火情。5、易燃易爆的化学品泄漏,现场处理必须使用防爆工具。火灾应急处理步骤处置负责人事故类

4、型火灾班长报警发现火情(烟雾报警器报警),立即通知仪表人员。发现火情第一人赶赴火灾现场,并向班长、车间调度报告。接警第一人向厂应急响应中心及车间领导报告。车间调度应急程序启动1、通知班组其他人员增援.班长2、通知消防队准备干冰、干粉灭火剂。(若险情发生在控制室、机房)。车间调度3、协助工艺采取紧急停车措施。运行技术员着火源确认1、迅速确认着火源。接警第一人、班长灭火应急处置视情况采取措施带电情况1、电缆着火先切断电源,再采用干粉或干冰灭火器灭火。接警第一人、班长2、仪表设备着火,采用干冰灭火器。接警第一人、班长其它采取相应有效的灭火措施。接警第一人、班长人员疏散1、组织现场与抢险无关的人员(含

5、施工人员)撤离。车间应急人员一污染物封堵回收1、沙袋封堵外排沟。车间应急人员2、灭火污染物封堵,避免进入雨排。车间应急人员工艺环保人员3、用器皿或吸油棉回收污染物。4、启污水泵将灭火污染物排至污水井池。消防器材处置1、检查确认火灾彻底扑灭后,将废弃灭火器回收。安全管理人员2、现场的干粉清理回收。车间应急人员警戒根据火灾情况,划定警戒范围,设置警戒线。车间应急人员、接应救援打开消防通道,接应消防、气防、环境监测等车辆及外部应急增援。车间应急人员事故控制火灾无法控制时,通知工艺车间做好停车应急处理。同时,交由消防队进行处置。车间应急人员通风处理对控制室、机房火灾扑灭后,对控制室、机房进行通风处理,

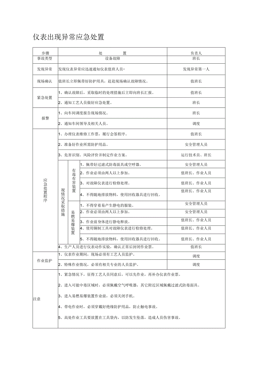
6、同时要注意检查,防止复燃发生。组织仪表修人员进入现场进行仪表抢修恢复工作。车间领导注意1、发生火灾可能造成停车事故,进入可能中毒区域时,必须佩戴空气呼吸器,其它附近区域佩戴过滤式防毒面具。2、报警时,须讲明着火地点、着火介质、火势、人员伤亡情况、报警人单位、姓名、联系方式。3、使用干冰灭火器进行灭火时,必须手持木柄或把手,防止冻伤。4、人员疏散应根据风向标指示,撤离至上风口的紧急集合点,并清点人数。5、施工人员疏散时,应检查关闭现场的用火火源,切断临时用电电源。6、控制室、机房发生的火灾扑灭后,先对控制室、机房进行通风处理,然后进行仪表抢修工作,防止窒息事故发生。仪表出现异常应急处置步骤处置负

7、责人事故类型设备故障班长发现异常发现仪表异常应迅速通知仪表值班人员=发现异常第一人现场确认值班长立即佩带好防护用具,赶赴现场确认故障情况。值班长紧急处置1、确认故障后,采取临时的处理措施后立即向班长汇报。值班长2、通知工艺人员做好应急处置。班长报警1、向车间调度报告现场情况。班长2、通知车间领导及相关人员。调度应急处置程序1、办理仪表维修工作票,履行会签程序。值班长2、准备好作业所需防护用品。安全管理人员3、危害识别、风险评价并制定作业方案。运行技术员、班长视情况采取措施有毒有害装置1、佩带好过滤式防毒面具或空呼器。安全管理人员2、作业必须由两人以上参加。值班长、作业人员3、对故障仪表进行检修

8、处理。值班长、作业人员4、不得随地排放物料,使用回收器具进行回收。值班长、作业人员易燃易爆装置1、不得穿着易产生静电的服装。安全管理人员2、作业必须由两人以上参加。安全管理人员3、作业前身体进行静电释放。值班长、作业人员4、使用铜制工具对故障仪表进行检修处理。值班长、作业人员5、不得随地排放物料,使用回收器具进行回收。值班长、作业人员4、生产人员进行仪表动作实验,确认正常后封闭作业票。值班长作业监护1、仪表作业期间,现场必须有工艺人员监护。调度2、特殊作业情况,必须有相关专业的人员监护。调度注意1、紧急情况下,征得工艺人员同意后,可以先作业,再补办仪表作业票。2、进入可能中毒区域时,必须佩戴空

9、气呼吸器,其它附近区域佩戴过滤式防毒面具。3、进入易燃易爆装置作业前,必须关闭手机。4、带电作业时,必须穿戴好绝缘防护用品,防止触电事故。5、高处作业工具要放置在工具袋内,以防发生坠落,造成人员伤害事故。1 .触电伤害事故现场处置方案事故特征危险性分析触电伤害事故是电流通过人体或带电体与人体间发生放电而引起人体病理、生理效应所造成的人身伤害事故(一般会造成电击和电伤事故)。事故可能发生的区域、地点、装置公司发电机房、配电室、低压配电箱(柜)、机械设备的外壳、潮湿作业场所、裸露带电体等用电生产作业场所和生活场所。可能造成的伤害可能造成人身伤害有灼伤、电烙印、皮肤金属化、心室纤维性颤动、窒息(假死

10、)、死亡。事故前可能出现的征兆触电伤害发生的征兆:漏电保护器经常性跳闸;电源线乱拉乱接;临时用电未经批准私自乱接;人员用湿手操作电源开关或电工违章检修,用电设备的金属外壳未作接地。应急组织与职责应急指挥小组1、职责:其职责包括事故现场处置的指挥、组织、协调、决策等工作,并根据事故发展情况,上报公司事故救援指挥部以及政府相关部门,并协助救援。2、组成:组长:事故现场职务最高者。应急抢险小组1、职责:其职责包括在事故现场实施现场抢险救援,保证触电人员能及时得到有效的处置。2、组成:组长:事故现场班组长;组员:事故现场班组成员、电工等专业人员。预防措施1、公司用电设备按照国家相关用电规范进行设计、安

11、装、使用;2、非电工作业人员严禁安装、接拆用电设备及装置;3、带电体之间、带电体与地面之间、带电体与其它设施之间、作业人员与带电体之间必须保持足够的安全距离并进行隔离防护;4、供电系统正确采用保护接地系统,保护接零和工作零线分开;设备的金属外壳采用保护接地措施;5、用电设备有漏电保护装置,并定期检查测试;6、在有触电危险的部位或场所张贴醒目的图形标志或文字。现场处置1、脱离电源1.1低压触电事故脱离电源的方法(原则上由电工进行)1.Ll立即拉下开关,切断电源;1.1.2如距离电源开关较远,用有绝缘把的钳子或有木柄的斧子断开电源线:1.1.3用木板等绝缘物插入触电者的身下,以隔断流经人体的电流;

12、1.1.4用干燥的木棍、衣服、手套、绳索等绝缘物作为工具,拉开触电者及挑开电线使触电者尽快脱离电源。1.2高压触电事故脱离电源的方法(原则上由电工进行)1.2.1立即通知有关部门停电;1.2.2戴好绝缘手套、穿好绝缘鞋,用相应电压等级的绝缘工具拉下开关;1.2.3抛掷一端可靠接地的裸金属线使线路接地,迫使保护装置动作,断开电源。2、现场急救(原则上由医生或经过培训的急救员进行)2.1如触电者伤势不重,应让伤者休息,严密观察并请医生前来诊治或送医院就医;2.2如触电者已失去知觉,但还有呼吸和心脏跳动,应让其舒适、安静的平卧,解开他的衣服,使空气流通。同时,速请医生诊治或送医院就医;2.3如触电者

13、呼吸困难或发生痉挛,应准备在呼吸心跳停止后立即做进一步的抢救;2.4如果触电者伤势严重,呼吸及心跳停止,应立即施行人工呼吸和胸外心脏按压,并速请医生诊治或送医院就医。在送医院途中,不能停止急救。注意事项I、救护人员在触电者带电的情况下进行救护时,不可用手或金属及其它潮湿的工具作为救护用具,而必须使用绝缘工具;救护人员要用一只手操作,以防自己触电:2、应防止触电者脱离电源后造成的摔伤:3、如触电事故发生在夜间,应迅速解决临时照明,以利于抢救,避免事故扩大;4、非专业救护人员不可进行人工呼吸和胸外心脏按压术。报告与电话现场发现者一现场主管一安全主任一电工一设备主管一总指挥或副总指挥。值班电话:07

14、55-;安全主任电话:总指挥电话:;副总指挥电话:设备主管电话:;电工电话:医疗报警电话:120外部报警电话:110。2 .机械伤害事故现场处置方案事故特征危险性分析机械加工生产及相关作业工序的人员在操作车、钻、磨、注塑机等加工设备,进行设备维修作业时对人员造成的轻伤、重伤或死亡事故。事故可能发生的区域、地点、装置生产车间及使用危险设备的作业现场。可能造成的伤害易发生撞伤、碰伤、绞伤、咬伤、打击、切削、灼烫等伤害,会造成人员手指绞伤、皮肤裂伤、骨折、烫伤,严重的会使身体被卷入轧伤致死或者部件、工件飞出,打击致伤(残),甚至会造成人员死亡事故。事故前可能出现的征兆作业场所不符合安全要求地面有油污;设备“带病”运转;安全装置失效等;员工或检修人员违规作业或违章检修机器;喝酒上岗;未按规定穿戴劳动防护用品工人上岗作业装束不规范操作机器。应急组织与职责应急指挥小组1、职责:其职责包括事故现场处置的指挥、组织、协调、决策等工作,并根据事故发展情况,上报公司事故救援指挥中心以及政府相关部门,并协助救援。2、组成:组长:事故现场职务最高者。应急抢险小组1、职责:其职责包括在事故现场实施现场抢险救援,保证事故受伤人员能及时得到有效的处置。2、组成:组长:

展开阅读全文
相关资源
猜你喜欢
相关搜索

当前位置:首页 > 管理/人力资源 > 公司方案

copyright@ 2008-2023 1wenmi网站版权所有

经营许可证编号:宁ICP备2022001189号-1

本站为文档C2C交易模式,即用户上传的文档直接被用户下载,本站只是中间服务平台,本站所有文档下载所得的收益归上传人(含作者)所有。第壹文秘仅提供信息存储空间,仅对用户上传内容的表现方式做保护处理,对上载内容本身不做任何修改或编辑。若文档所含内容侵犯了您的版权或隐私,请立即通知第壹文秘网,我们立即给予删除!