场(厂)内专用机动车辆隐患排查.docx

上传人:p** 文档编号:920968 上传时间:2024-04-07 格式:DOCX 页数:6 大小:24.01KB
下载 相关 举报
场(厂)内专用机动车辆隐患排查.docx_第1页
第1页 / 共6页
场(厂)内专用机动车辆隐患排查.docx_第2页
第2页 / 共6页
场(厂)内专用机动车辆隐患排查.docx_第3页
第3页 / 共6页
场(厂)内专用机动车辆隐患排查.docx_第4页
第4页 / 共6页
场(厂)内专用机动车辆隐患排查.docx_第5页
第5页 / 共6页
场(厂)内专用机动车辆隐患排查.docx_第6页
第6页 / 共6页
亲,该文档总共6页,全部预览完了,如果喜欢就下载吧!
资源描述

《场(厂)内专用机动车辆隐患排查.docx》由会员分享,可在线阅读,更多相关《场(厂)内专用机动车辆隐患排查.docx(6页珍藏版)》请在第壹文秘上搜索。

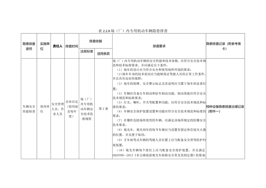
1、表2.2.8场(厂)内专用机动车辆隐患排查隐患排查途径实施单位责任人排查时间排查依据排查要求隐患排查记录(附参考表卡)法规标准适用条款车辆安全性能检查使用单位安全管理人员、作业人员企业自定(投用前及每年度)场(厂)内专用机动车辆安全技术监察规程第2条场(厂)内专用机动车辆的安全性能和技术参数,应符合安全技术规范和技术标准要求,并应满足以下条件:(1)场车的设计应当符合安全和使用场所环境的要求;(2)场车车身的技术状况应当能够保证驾驶人员的正常工作条件,并且具有良好的视野;(3)场车的铭牌、安全警示标志及其说明应当置于场车的显著位置;(4)车辆应具备行车制动和驻车制动功能,制动效能应符合安全技术

2、规范和标准要求;(5)灯光、喇叭、开关等配置和功能,应符合安全技术规范和标准的要求;(6)车辆安全保护装置设置和功能应符合安全技术规范和标准的要求;(7)在爆炸危险场所使用的车辆,应满足该场所规定的防爆安全技术要求。(8)观光车、观光列车的每节车厢应当设置有固定和存放灭火器的位置,并且便于取用;(9)叉车座驾式车辆的驾驶人员位置上应当配备安全带等防护约束装置;(10)观光车辆每个座位上应当配备安全保护装置,并且满足GB287092012非公路旅游观光车座椅安全带及其固定器的要求;特种设备隐患排查治理记录(附件一)隐患排查途径实施单位责任人排查时间排查依据排查要求隐患排查记录(附参考表卡)法规标

3、准适用条款(Il)观光列车上应当设置视频监控装置,能清晰监测到车内乘客、道路及周边环境,视频存储时间不应少于72小时;(12)观光列车的最后一节车厢内,应当设置安全员专用座椅,并且设置安全员与驾驶人员有效沟通的装置。隐患排查途径实施单位责任人排查时间排查依据排查要求隐患排查记录(附参考表卡)法规标准适用条款经常性维护保养和定期自行检查(1)使用单位应当对在用场车至少每月进行一次日常维护保养和自行检查,每年进行一次全面检查,保持场车的正常使用状态;日常维护保养和自行检查、全面检查应当按照有关安全技术规范和产品使用维护保养说明的要求进行,发现异常情况,应当及时处理,并且记录,记录存入安全技术档案;

4、日常维护保养、自行检查和全面检查记录至少保存5年;(2)场车在每日投入使用前,使用单位应当按照使用维护保养每月3.2条说明的要求进行试运行检查,并且记录:在使用过程中,使用单位应当加强对车的巡检,并且记录;(3)场车出现故障或者发生异常情况,使用单位应当停止使用,对其进行全面检查,消除事故隐患,并且记录,记录存入安全技术档窠;(4)场车的日常维护保养、自行检查由使用单位的场车作业人员实施,全面检查由使用单位的场车安全管理人员负责组织实施,或者委托其他专业机构实施:如果委托其他专业机构进行,应当签订相应合同,明确责任。隐患排查途径实施单位责任人排查时间排查依据排查要求隐患排查记录(附参考表卡)法

5、规标准适用条款使用单位安全管理人员、作业人员场(D内专用机动车辆安全技术监察规程(1)在用场车的日常维护保养,至少包括主要受力结构件、安全保护装置、工作机构、操纵机构、电气(液压、气动)控制系统等的清洁、润滑、检查、调整、更换易损件和失效的零部件;(2)在用场车的自行检查,至少包括整车工作性能、动力系统、转向系统、起升系统、液压系统、制动功能、安全保护和防护装置、防止货叉脱出的限位装置(如定位锁)、载荷搬运装置、车轮紧固件、充气轮胎的气压、警示装置、灯光、仪表显示等,以及本规程附件B、附件C中定期(首次)检验的项目;作业环境检查使用单位安全管理人员、作业人员投用前及每年度场(厂)内专用机动车辆

6、安全技术监察规程3.1.23.1.3(1)场车的使用单位应当根据本单位场车工作区域的路况,规范本单位场车作业环境;(2)观光车行驶线路中的最大坡度不得大于10%(坡长小于20m的短坡除外),观光列车行驶线路中的最大坡度不得大于4%(坡长小于20m的短坡除外)。(3)场车如果在道路交通安全法规定的道路上行驶,应当遵守公安交通管理部门的相关规定;(4)因气候变化原因,使用单位可以采取遮风、挡雨等措施,但是不得改变观光车辆非封闭的要求。观光车辆的行驶线路图使用单位对观光车辆行驶线路的安全负责。使用单位应当制定车辆运营时的行驶线路图,并且按照线路图在行驶路线上设置醒目的行驶线路标志,明确行驶速度等安全

7、要求。特种设备隐患排查治理记录(附件一)隐患排查途径实施单位责任人排查时间排查依据排查要求隐患排查记录(附参考表卡)法规标准适用条款观光车辆的行驶路线图,应当在乘客固定的上下车位置明确标识。每天启用前检查使用单位作业人员每天工业车辆使用、操作与维护安全规范4.4启用工业车辆前操作者应检查车辆状况,确保行车安全。通常工作开始前应对车辆进行如下适用项目的检查:(1)燃油系统是否正常;(2)动力系统是否正常;(3)转向系统是否正常;(4)起升系统是否正常;(5)液压系统是否有损坏和泄漏;(6)制动功能是否正常;(7)防止货叉脱出的限位装置(如定位锁)是否有缺陷;(8)载荷搬运装置是否有损坏(如弯曲、

8、裂纹或磨损);(9)车轮紧固件是否拧紧,充气轮胎的气压是否正常;(10)警示装置是否正常;(11)灯光是否正常;(12)仪表显示是否正常;(13)测距传感器、角度传感器的功能是否正常。特种设备隐患排查治理记录(附件一)隐患排查途径实施单位责任人排查时间排查依据排查要求隐患排查记录(附参考表卡)法规标准适用条款蓄电池车辆充电区域的检查使用单位作业人员投用前及每年度工业车辆使用、操作与维护安全规范5.1(1)充电站应设置在指定的区域内。充电站应备有冲洗和中和溢出电解液的设备、驱散从蓄电池中排出气体的适当通风设施、消防设施、防止工业车辆损坏充电装置的措施,同时,应采取措施以防出现明火、火花或电弧。在充电区域内禁止吸烟并用标牌警告。(2)在接近蓄电池时不得吸烟及使用明火。在停放准备充电的工业车辆和充电器的区域内,至少2m的距离内不应存放有易燃材料和能产生火花的设备。特种设备隐患排查治理记录(附件一)定期检验使用单位管理人员每年一次厂内机动车辆安全技术监察规程4.4定期检验(含首次)检验(1)首次检验,是指在场车使用单位进行自行检查合格的基础上,由特种设备检验机构在场车首次投入使用前或者改造后进行的检验。(2)定期检验,是指在场车使用单位进行经常性维护保养和自行检查合格的基础上,特种设备检验机构对纳入使用登记的在用场车按照规定周期(每年1次)进行的检验。特种设备隐患排查治理记录(附件一)

展开阅读全文
相关资源
猜你喜欢
相关搜索

当前位置:首页 > 办公文档 > 规章制度

copyright@ 2008-2023 1wenmi网站版权所有

经营许可证编号:宁ICP备2022001189号-1

本站为文档C2C交易模式,即用户上传的文档直接被用户下载,本站只是中间服务平台,本站所有文档下载所得的收益归上传人(含作者)所有。第壹文秘仅提供信息存储空间,仅对用户上传内容的表现方式做保护处理,对上载内容本身不做任何修改或编辑。若文档所含内容侵犯了您的版权或隐私,请立即通知第壹文秘网,我们立即给予删除!