混凝土坍落度检测记录表.docx

上传人:p** 文档编号:922339 上传时间:2024-04-07 格式:DOCX 页数:2 大小:18.56KB
下载 相关 举报
混凝土坍落度检测记录表.docx_第1页
第1页 / 共2页
混凝土坍落度检测记录表.docx_第2页
第2页 / 共2页
亲,该文档总共2页,全部预览完了,如果喜欢就下载吧!
资源描述

《混凝土坍落度检测记录表.docx》由会员分享,可在线阅读,更多相关《混凝土坍落度检测记录表.docx(2页珍藏版)》请在第壹文秘上搜索。

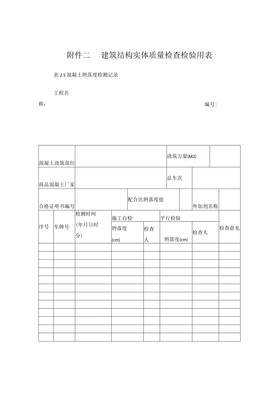
附件二建筑结构实体质量检查检验用表表2.5混凝土坍落度检测记录工程名编号:称:混凝土浇筑部位浇筑方量(M2)商品混凝土厂家总车次合格证明书编号配合比坍落度值外加剂名称序号车牌号检测时间(年月日时分)施工自检平行检验检查意见坍落度(cm)检查人坍落度(cm)检查人检查结论:质检员:监理工程师:年月曰

展开阅读全文
相关资源
猜你喜欢
相关搜索

当前位置:首页 > 建筑/环境 > 建筑资料

copyright@ 2008-2023 1wenmi网站版权所有

经营许可证编号:宁ICP备2022001189号-1

本站为文档C2C交易模式,即用户上传的文档直接被用户下载,本站只是中间服务平台,本站所有文档下载所得的收益归上传人(含作者)所有。第壹文秘仅提供信息存储空间,仅对用户上传内容的表现方式做保护处理,对上载内容本身不做任何修改或编辑。若文档所含内容侵犯了您的版权或隐私,请立即通知第壹文秘网,我们立即给予删除!