特种设备电梯隐患排查.docx

上传人:p** 文档编号:922607 上传时间:2024-04-07 格式:DOCX 页数:2 大小:16.60KB
下载 相关 举报
特种设备电梯隐患排查.docx_第1页
第1页 / 共2页
特种设备电梯隐患排查.docx_第2页
第2页 / 共2页
亲,该文档总共2页,全部预览完了,如果喜欢就下载吧!
资源描述

《特种设备电梯隐患排查.docx》由会员分享,可在线阅读,更多相关《特种设备电梯隐患排查.docx(2页珍藏版)》请在第壹文秘上搜索。

1、表2.2.4电梯隐患排查隐患排查途径实施单位责任人排查时间排查依据排查要求隐患排查记录(附参考表卡)法规标准适用条款日常巡视、检查使用单位安全管理人员企业自定云南省电梯管理规定第二十三条做好电梯日常维护保养以及自行检查记录档案,档案至少保存4年。特种设备隐患排查治理记录(附件一)日常维护保养维保单位维保人员全年电梯维护保养单位及其维护保养人员应当严格按照电梯维护保养安全技术规范的要求开展维护保养工作,对其维护保养的电梯的安全性能负责。特种设备隐患排查治理记录(附件一)制定应急措施和救援预案,每半年至少针对维护保养的电梯进行1次应急演练。使用单位安全管理人员全年云南省电梯管理规定第十条使用年限超

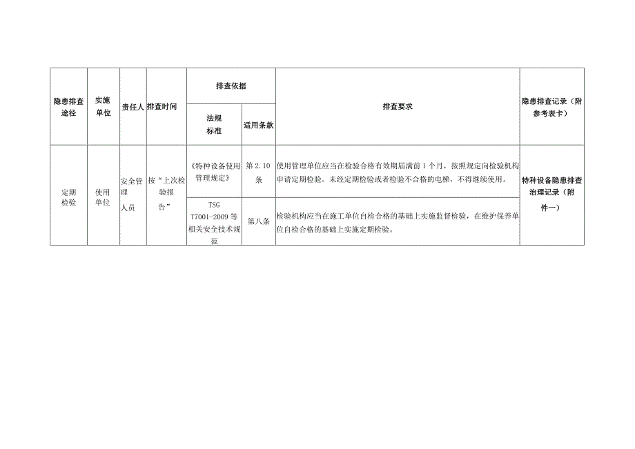
2、过15年的使用单位可委托电梯制造单位或者检验、检测等专业服务机构进行安全评估,并根据安全评估结果确定继续使用电梯的条件或者对电梯进行更新、改造、修理。特种设备隐患排查治理记录(附件一)自行检查维保单位维保人员全年云南省电梯安全管理规定第二十三条每年度在特种设备检验检测机构进行定期检验之前至少对电梯进行1次自行检查,并向电梯使用单位出具自检报告。特种设备隐患排查治理记录(附件一)隐患排查途径实施单位责任人排查时间排查依据排查要求隐患排查记录(附参考表卡)法规标准适用条款定期使用安全管理按“上次检验报特种设备使用管理规定第2.10条使用管理单位应当在检验合格有效期届满前1个月,按照规定向检验机构申请定期检验。未经定期检验或者检验不合格的电梯,不得继续使用。特种设备隐患排查治理记录(附检验单位人员告”TSGT7001-2009等相关安全技术规范第八条检验机构应当在施工单位自检合格的基础上实施监督检验,在维护保养单位自检合格的基础上实施定期检验。件一)

展开阅读全文
相关资源
猜你喜欢
相关搜索

当前位置:首页 > 汽车/机械/制造 > 特种设备

copyright@ 2008-2023 1wenmi网站版权所有

经营许可证编号:宁ICP备2022001189号-1

本站为文档C2C交易模式,即用户上传的文档直接被用户下载,本站只是中间服务平台,本站所有文档下载所得的收益归上传人(含作者)所有。第壹文秘仅提供信息存储空间,仅对用户上传内容的表现方式做保护处理,对上载内容本身不做任何修改或编辑。若文档所含内容侵犯了您的版权或隐私,请立即通知第壹文秘网,我们立即给予删除!