移动式压力容器日常检查和维护保养(定期自行检查)记录.docx

上传人:p** 文档编号:923138 上传时间:2024-04-07 格式:DOCX 页数:1 大小:15.34KB
下载 相关 举报
移动式压力容器日常检查和维护保养(定期自行检查)记录.docx_第1页
第1页 / 共1页
亲,该文档总共1页,全部预览完了,如果喜欢就下载吧!
资源描述

《移动式压力容器日常检查和维护保养(定期自行检查)记录.docx》由会员分享,可在线阅读,更多相关《移动式压力容器日常检查和维护保养(定期自行检查)记录.docx(1页珍藏版)》请在第壹文秘上搜索。

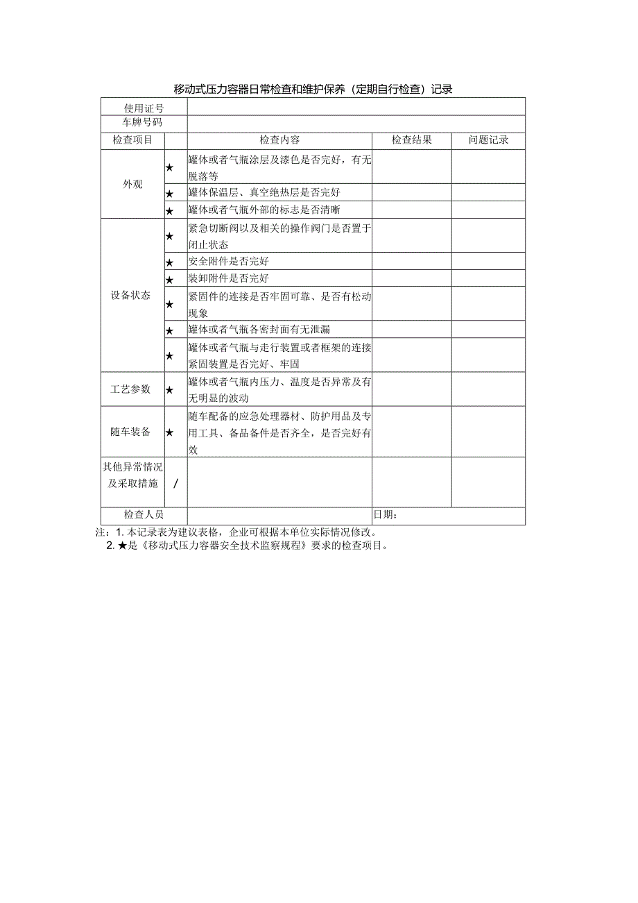
移动式压力容器日常检查和维护保养(定期自行检查)记录使用证号车牌号码检查项目检查内容检查结果问题记录外观罐体或者气瓶涂层及漆色是否完好,有无脱落等罐体保温层、真空绝热层是否完好罐体或者气瓶外部的标志是否清晰设备状态紧急切断阀以及相关的操作阀门是否置于闭止状态安全附件是否完好装卸附件是否完好紧固件的连接是否牢固可靠、是否有松动现象罐体或者气瓶各密封面有无泄漏罐体或者气瓶与走行装置或者框架的连接紧固装置是否完好、牢固工艺参数罐体或者气瓶内压力、温度是否异常及有无明显的波动随车装备随车配备的应急处理器材、防护用品及专用工具、备品备件是否齐全,是否完好有效其他异常情况及采取措施/检查人员日期:注:1.本记录表为建议表格,企业可根据本单位实际情况修改。2.是移动式压力容器安全技术监察规程要求的检查项目。

展开阅读全文
相关资源
猜你喜欢
相关搜索

当前位置:首页 > 行业资料 > 国内外标准规范

copyright@ 2008-2023 1wenmi网站版权所有

经营许可证编号:宁ICP备2022001189号-1

本站为文档C2C交易模式,即用户上传的文档直接被用户下载,本站只是中间服务平台,本站所有文档下载所得的收益归上传人(含作者)所有。第壹文秘仅提供信息存储空间,仅对用户上传内容的表现方式做保护处理,对上载内容本身不做任何修改或编辑。若文档所含内容侵犯了您的版权或隐私,请立即通知第壹文秘网,我们立即给予删除!