地下顶板梁钢筋绑扎技术交底.docx

上传人:p** 文档编号:927622 上传时间:2024-04-12 格式:DOCX 页数:8 大小:71.39KB
下载 相关 举报
地下顶板梁钢筋绑扎技术交底.docx_第1页
第1页 / 共8页
地下顶板梁钢筋绑扎技术交底.docx_第2页
第2页 / 共8页
地下顶板梁钢筋绑扎技术交底.docx_第3页
第3页 / 共8页
地下顶板梁钢筋绑扎技术交底.docx_第4页
第4页 / 共8页
地下顶板梁钢筋绑扎技术交底.docx_第5页
第5页 / 共8页
地下顶板梁钢筋绑扎技术交底.docx_第6页
第6页 / 共8页
地下顶板梁钢筋绑扎技术交底.docx_第7页
第7页 / 共8页
地下顶板梁钢筋绑扎技术交底.docx_第8页
第8页 / 共8页
亲,该文档总共8页,全部预览完了,如果喜欢就下载吧!
资源描述

《地下顶板梁钢筋绑扎技术交底.docx》由会员分享,可在线阅读,更多相关《地下顶板梁钢筋绑扎技术交底.docx(8页珍藏版)》请在第壹文秘上搜索。

1、技术交底记录表C2l编号022工程名称交底日期施工单位分项工程名称钢筋交底提要地下室顶板、梁钢筋绑扎技术交底交底内容:一、材料要求成型钢筋、20#(22#)绑扎丝、钢筋马凳、塑料垫块(环圈)、各种型号直螺纹套筒及各种型号塑料保护套。二、主要机具塔吊、钢筋钩子、撬棍、钢筋扳子、钢丝刷、粉笔、钢卷尺、线坠、小白线。三、作业条件1、原材钢筋堆放处挂有标着“检验合格”字样的标牌。2、成品钢筋用50X80料牌布(挂在钢筋码放一头齐的那一端)标识出钢筋的规格、型号、编号、长度、使用部位等,并由专人负责搬运,在搬运过程中注意不要遗失直螺纹丝头保护帽、不要损坏丝头。3、各钢筋绑扎班组的班组长根据“钢筋配料单”

2、、料牌标识检查实物在形状、规格、尺寸、数量上是否与料单一致,如有问题及时通知技术人员进行处理,不得私自增减钢筋数量等。4、直螺纹连接施工人员必须持有操作证。四、操作工艺1、梁板钢筋绑扎工序:梁(板)支撑碗扣架搭设一梁底模一梁筋绑扎一梁侧模及加固一顶板模一顶板下铁一水电预埋管线、马凳钢筋一顶板上铁2、先做板、梁钢筋样板;由项目工程室指定部位,施工队分别先绑扎一处板、梁,由项目技术人员和项目质检人员现场指导和技术处理。绑扎完毕,施工队的工班长、技术员、质检员自检合格后,填报“钢筋工程样板验收单”,再由项目技术、质检、工程人员联合验收,验收合格后挂出写有“样板合格,可以大面积施工”的标牌后,施工队方

3、可进行大面积钢筋的绑扎。3、钢筋剥肋直螺纹采用A级接头,要求100%目测检查,合格率(套筒位置居中,两端累计外露丝扣不审核人交底人接受交底人技术交底记录编号022表C2l工程名称交底日期施工单位分项工程名称钢筋交底提要地下室顶板、梁钢筋绑扎技术交底交底内容:超过一个完整丝扣)要求100%(另见剥肋直螺纹套筒连接技术交底)。4、钢筋间距、排距:绑扎前利用盒尺画出钢筋分档线;墙筋、板筋均须拉通线绑扎;绑扎板筋前应在模板上弹出钢筋线。5、保护层控制:5.1下铁保护层采用塑料15mm垫块,600mm间距成梅花形布置;5.2板上铁保护层采用钢筋马髡控制,间距1500,与受立钢筋垂直。马凳采用91418下

4、脚料钢筋制作,马凳有效高度“H=板厚-上下保护层厚度一下铁下皮钢筋直径-上铁上下皮钢筋直径:多余的垫块严禁倒入梁内或墙内。板面在碎浇灌之前必须作一次彻底检查,若有垫块遗漏,漏绑或少放错放钢筋等现象必须及时补救,以免影响工期。H=板厚-2X保护层厚度-3层钢筋直径马髡加工图5. 3在距顶板施工缝50mm处须放置一道马凳,以保证该处板上铁保护层准确。6、梁箍筋135度及平行控制:5.1 后台加工时严格要求箍筋的精度,保证加工准确,平直段不小于IOcL6. 2绑扎时在受力筋上画出分档线,并保证受力筋紧贴箍筋四角。7、起步筋位置:7.1框梁第一道箍筋距支座的距离控制在50mm左右。7. 2过梁、连梁两

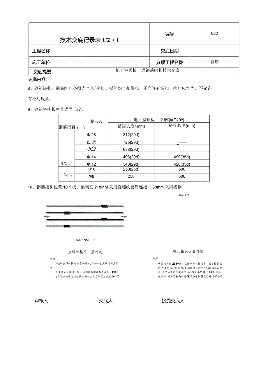
5、端箍筋必须有一根进入支座50mm。7. 3在绑扎时先定出起步筋的位置,然后进行分档。审核人交底人接受交底人技术交底记录表C2l编号022工程名称交底日期施工单位分项工程名称钢筋交底提要地下室顶板、梁钢筋绑扎技术交底交底内容:8、钢筋绑扎:钢筋绑扎必须为“八字扣,板筋均全扣绑扎,不允许有漏扣,绑扎应牢固,不允许有松动现象。9、钢筋搭接长度及锚固长度:搭长度钢筋型百7、_地下室顶板、梁钢筋(C40)锚固长度(mm)搭接长度(mm)II级钢,28812(29d)色25725(29d)_22638(29d),14406(29d)490(35d),12348(29d)420(35d)1级钢10250(2

6、5d)500825050010、钢筋接头位置10.1板、梁钢筋218InnI采用直螺纹套筒连接,G8mm采用搭接搭接长度不小于35d 。 z直螺纹接头一置规定说明:下铁的直螺纹接头按5联错开,在任一直黑纹接头至长度为1米的区及内,同一根钢筋不得存两个接头,OKft 内有接头的受力钢傕梳田面积占攵力例儡总截面面职的百 分和帆绑扎接头位置规定说用:绑扎接头按25J开:在任一绑扎接头中心至搭检长戾的 1.3倍区段范用内,有期札接头的受力钢的极面面积占 占受力未的总截面面积的百分率不超过25%,鼐扎核头中 密场的整向中更S不小于钢筋直径d且不小于25m.审核人交底人接受交底人技术交底记录表C2l编号0

7、22工程名称交底日期施工单位分项工程名称钢筋交底提要地下室顶板、梁钢筋绑扎技术交底交底内容:10.2搭接接头相临两接头应错开1.3L(L为搭接长度);锹粗直螺纹套筒连接的接头位置应错开35d(928为98Omnb925为875mm,922为770mm)。11、钢筋保护层厚度如下:墙(含连梁)内墙25mm地下室墙外墙外侧50mm内侧25mm梁、柱25mm楼板15mm注:所有混凝土构件的受力钢筋保护层厚度均不小于主筋直径。12、绑扎塑料垫块(环圈)的要求:水平面采用塑料垫块,垂直面采用塑料环圈;垫块与环圈都必须用22#火烧丝绑扎在纵横筋的交点处,且必须绑扎牢靠,绑扎丝头不得露出垫块或环圈。具体布置

8、见下表(保护层指主筋保护层):使用部位保护层厚度mm垫块或环圈规格绑扎位置排列形式间距mm基础防水底板侧面2525mm,塑料环圈主筋矩形竖向400水平1000底面4040mm,塑料垫块Mli族底(则梅花形600独立基础及条彩基础侧面2525mm,塑料环圈箍筋外侧矩形水平600底面3535mm,塑料垫块箍筋底侧矩形短向300长向600地下外墙内侧2525mm,塑料环圈内侧水平筋梅花形600外侧5050mm,塑料环圉外侧水平筋梅花形600审核人交底人接受交底人技术交底记录表C2l编号022工程名称北京龙洋海水游泳馆交底日期2005年4月21日施工单位中铁建设集团第五十项目部分项工程名称钢筋交底提要

9、地下室顶板、梁钢筋绑扎技术交底交底内容:三、质量标准:(一)主控项目:1、钢筋的钢号、规格、直径符合设计图纸要求,钢筋免试合格;2、钢筋的表面清洁,无老蚀、缺陷、油污;3、钢筋规格、形状、尺寸、用量、间距、锚固长度、搭接位置等符合设计要求和构造要求(03Glo1);4、受拉区域内,I级钢筋绑扎接头的末端应做弯钩,II级钢筋可不做弯钩。5、钢筋搭接处,应在中心和两端用铁丝扎牢。6、钢筋绑扎牢固,不得有松扣、漏扣现象;7、钢筋弯钩的朝向、长度符合附图的要求;8、钢筋的锚固长度、搭接长度和搭接位置正确;9、板、梁钢筋横平、竖直,绑扎牢固、规矩;10、梁箍筋拐角与主筋贴紧、到位;11、墙、柱钢筋的拉结

10、筋的规格、尺寸、间距符合图纸要求;12、同一高度、同一直线的钢筋端头观感无偏差,整齐、规矩。审核人交底人接受交底人项目允许偏差(mm)1网眼尺寸偏差52骨架宽、高度33骨架长度54箍筋间距35钢筋弯起点1扁移106受力钢筋间距5排距47受力钢筋保护层基础5柱、梁3板、墙28预埋件中心位置2水平高差2工程交底提要交底内容:O术交底记录C2-1022ay交底日期分项工程名称钢筋地下室顶板、梁钢筋绑扎技术交底(二)允许偏差项目五、安全文明施工1、脚手架及防护措施齐全后,方可进行施工,防止坠落事故发生。2、绑扎柱子、墙体钢筋高度超过2m时,施工人员要系好安全带,钢筋钩子不用时要随身放好,禁止乱放,当心落下伤人;3、绑扎柱子钢筋时,在柱子四周搭设好脚手架,架子上铺好脚手板,安全员随时进行安全检查。4、所有在现场的施工人员都必须带好安全帽。5、后台钢筋加工的人员必须严格按照机械操作规程使用各种钢筋加工机械,严禁违章操作,杜绝安全事故的发生。审核人交底人接受交底人

展开阅读全文
相关资源
猜你喜欢
相关搜索

当前位置:首页 > 建筑/环境 > 设计及方案

copyright@ 2008-2023 1wenmi网站版权所有

经营许可证编号:宁ICP备2022001189号-1

本站为文档C2C交易模式,即用户上传的文档直接被用户下载,本站只是中间服务平台,本站所有文档下载所得的收益归上传人(含作者)所有。第壹文秘仅提供信息存储空间,仅对用户上传内容的表现方式做保护处理,对上载内容本身不做任何修改或编辑。若文档所含内容侵犯了您的版权或隐私,请立即通知第壹文秘网,我们立即给予删除!