项目室内噪声源强调查清单.docx

上传人:p** 文档编号:930123 上传时间:2024-04-12 格式:DOCX 页数:3 大小:17.81KB
下载 相关 举报
项目室内噪声源强调查清单.docx_第1页
第1页 / 共3页
项目室内噪声源强调查清单.docx_第2页
第2页 / 共3页
项目室内噪声源强调查清单.docx_第3页
第3页 / 共3页
亲,该文档总共3页,全部预览完了,如果喜欢就下载吧!
资源描述

《项目室内噪声源强调查清单.docx》由会员分享,可在线阅读,更多相关《项目室内噪声源强调查清单.docx(3页珍藏版)》请在第壹文秘上搜索。

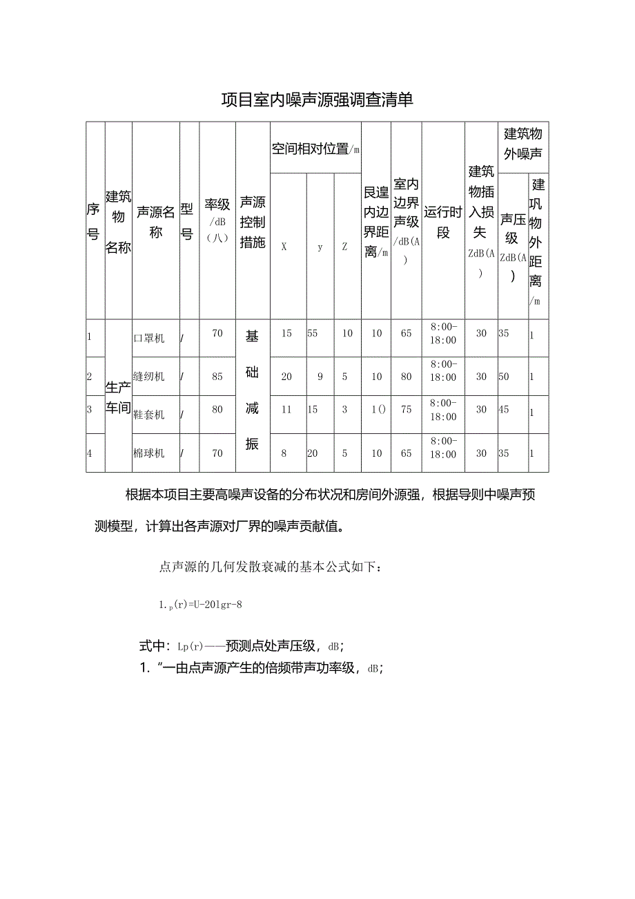
项目室内噪声源强调查清单序号建筑物名称声源名称型号率级/dB(八)声源控制措施空间相对位置/m艮遑内边界距离/m室内边界声级/dB(A)运行时段建筑物插入损失ZdB(A)建筑物外噪声XyZ声压级ZdB(A)建巩物外距离/m1生产车间口罩机/70基础减振15551010658:00-18:00303512缝纫机/85209510808:00-18:00305013鞋套机/80111531()758:00-18:00304514棉球机/70820510658:00-18:0030351根据本项目主要高噪声设备的分布状况和房间外源强,根据导则中噪声预测模型,计算出各声源对厂界的噪声贡献值。点声源的几何发散衰减的基本公式如下:1.p(r)=U-20lgr-8式中:Lp(r)预测点处声压级,dB;1.“一由点声源产生的倍频带声功率级,dB;r-预测点距声源的距离,m;4w=otioou-+tjoonJ本项目声源在预测点产生的贡献值(Leqg)计算公式:式中:Leqg建设项目声源在预测的产生的噪声贡献值,dB;T用于计算等效声级的时间,S;N室外声源个数;ti在T时间内,声源内工作时间,s;M等效室外声源个数;一在T时间内/声源内工作时间,s;

展开阅读全文
相关资源
猜你喜欢
相关搜索

当前位置:首页 > 通信/电子 > 运营商及厂商资料

copyright@ 2008-2023 1wenmi网站版权所有

经营许可证编号:宁ICP备2022001189号-1

本站为文档C2C交易模式,即用户上传的文档直接被用户下载,本站只是中间服务平台,本站所有文档下载所得的收益归上传人(含作者)所有。第壹文秘仅提供信息存储空间,仅对用户上传内容的表现方式做保护处理,对上载内容本身不做任何修改或编辑。若文档所含内容侵犯了您的版权或隐私,请立即通知第壹文秘网,我们立即给予删除!