燃气用橡胶和塑料软管现场检查工作内容及判别方法.docx

上传人:p** 文档编号:938239 上传时间:2024-04-21 格式:DOCX 页数:2 大小:17.40KB
下载 相关 举报
燃气用橡胶和塑料软管现场检查工作内容及判别方法.docx_第1页
第1页 / 共2页
燃气用橡胶和塑料软管现场检查工作内容及判别方法.docx_第2页
第2页 / 共2页
亲,该文档总共2页,全部预览完了,如果喜欢就下载吧!
资源描述

《燃气用橡胶和塑料软管现场检查工作内容及判别方法.docx》由会员分享,可在线阅读,更多相关《燃气用橡胶和塑料软管现场检查工作内容及判别方法.docx(2页珍藏版)》请在第壹文秘上搜索。

1、燃气用橡胶和塑料软管现场检查工作内容及判别方法1.生产、销售单位落实质量安全主体责任情况。检查生产、销售单位建立并落实工业产品质量安全责任制等管理制度情况,检查生产、销售单位在日管控、周排查、月调度中发现的工业产品质量安全风险隐患以及整改情况。2 .生产、销售单位质量义务履行情况。检查生产单位原材料进货查验、入库验收、出厂检验、销售去向等信息记录,销售单位进货检查、入库验收、销售记录等进销台账情况。3 .指导建立销售者产品质量承诺制度。指导燃气器具有关市场开办者,在与销售单位签订合同或协议时,专门做出以下承诺:不销售来源不明、假冒伪劣产品;履行详细记录产品来源渠道和销售去向信息义务;主动向市场

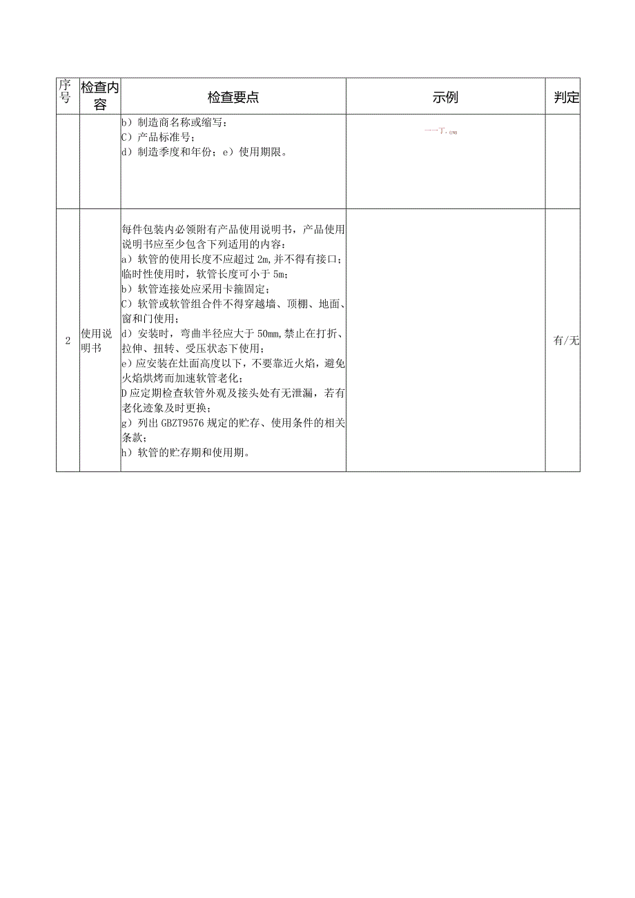
2、开办者或属地市场监管部门报告违法线索;如不守承诺,查实后交违约金或接受市场监管部门处罚,并纳入信用记录。4 .产品质量现场检查。具体检查内容、检查要点和判断方法详见表3-1o表31燃气用连接软管现场检查要点及判断方法序号检查内容检查要点示例判定1看合格证明和产品基本信息产品或者其包装上的标识必须真实,有产品质量检验合格证明,有中文标明的产品名称、生产厂厂名和厂址等。有/无2标识软管上每隔300mm或单根软管至少标识以下内容:a)产品名称、规格;有/无序号检查内容检查要点示例判定b)制造商名称或缩写:C)产品标准号;d)制造季度和年份;e)使用期限。一一丁.(UWB2使用说明书每件包装内必领附有产品使用说明书,产品使用说明书应至少包含下列适用的内容:a)软管的使用长度不应超过2m,并不得有接口;临时性使用时,软管长度可小于5m;b)软管连接处应采用卡箍固定;C)软管或软管组合件不得穿越墙、顶棚、地面、窗和门使用;d)安装时,弯曲半径应大于50mm,禁止在打折、拉伸、扭转、受压状态下使用;e)应安装在灶面高度以下,不要靠近火焰,避免火焰烘烤而加速软管老化;D应定期检查软管外观及接头处有无泄漏,若有老化迹象及时更换;g)列出GBZT9576规定的贮存、使用条件的相关条款;h)软管的贮存期和使用期。有/无

展开阅读全文
相关资源
猜你喜欢
相关搜索

当前位置:首页 > 汽车/机械/制造 > 机械理论及资料

copyright@ 2008-2023 1wenmi网站版权所有

经营许可证编号:宁ICP备2022001189号-1

本站为文档C2C交易模式,即用户上传的文档直接被用户下载,本站只是中间服务平台,本站所有文档下载所得的收益归上传人(含作者)所有。第壹文秘仅提供信息存储空间,仅对用户上传内容的表现方式做保护处理,对上载内容本身不做任何修改或编辑。若文档所含内容侵犯了您的版权或隐私,请立即通知第壹文秘网,我们立即给予删除!