内蒙古某工业园项目电厂锅炉筏板基础施工方案(附示意图).doc

上传人:p** 文档编号:946921 上传时间:2024-05-13 格式:DOC 页数:14 大小:887.46KB
下载 相关 举报
内蒙古某工业园项目电厂锅炉筏板基础施工方案(附示意图).doc_第1页
第1页 / 共14页
内蒙古某工业园项目电厂锅炉筏板基础施工方案(附示意图).doc_第2页
第2页 / 共14页
内蒙古某工业园项目电厂锅炉筏板基础施工方案(附示意图).doc_第3页
第3页 / 共14页
内蒙古某工业园项目电厂锅炉筏板基础施工方案(附示意图).doc_第4页
第4页 / 共14页
内蒙古某工业园项目电厂锅炉筏板基础施工方案(附示意图).doc_第5页
第5页 / 共14页
内蒙古某工业园项目电厂锅炉筏板基础施工方案(附示意图).doc_第6页
第6页 / 共14页
内蒙古某工业园项目电厂锅炉筏板基础施工方案(附示意图).doc_第7页
第7页 / 共14页
内蒙古某工业园项目电厂锅炉筏板基础施工方案(附示意图).doc_第8页
第8页 / 共14页
内蒙古某工业园项目电厂锅炉筏板基础施工方案(附示意图).doc_第9页
第9页 / 共14页
内蒙古某工业园项目电厂锅炉筏板基础施工方案(附示意图).doc_第10页
第10页 / 共14页
亲,该文档总共14页,到这儿已超出免费预览范围,如果喜欢就下载吧!
资源描述

《内蒙古某工业园项目电厂锅炉筏板基础施工方案(附示意图).doc》由会员分享,可在线阅读,更多相关《内蒙古某工业园项目电厂锅炉筏板基础施工方案(附示意图).doc(14页珍藏版)》请在第壹文秘上搜索。

1、目 录1.编制依据22.工程概况23.施工工艺流程34.主要分项工程施工方案44.1测量定位放线44.2基槽开挖44.3地基钎探44.4地基处理54.5模板工程54.5.1材料选择54.5.2模板安装64.5.3模板拆除84.6钢筋工程84.6.1钢筋加工制作84.6.2钢筋绑扎94.6.3钢筋连接134.7混凝土工程14筏板基础施工方案1.编制依据1.设计施工图纸;2.现行建筑施工规范大全2009版;3.09G101-2图集;4.09G101-3图集;5.06G101-1图集;6.03G101-1图集;7.04G101-3图集;8.建筑地基地处理技术规范JGJ-79-2002;9.建筑地基基

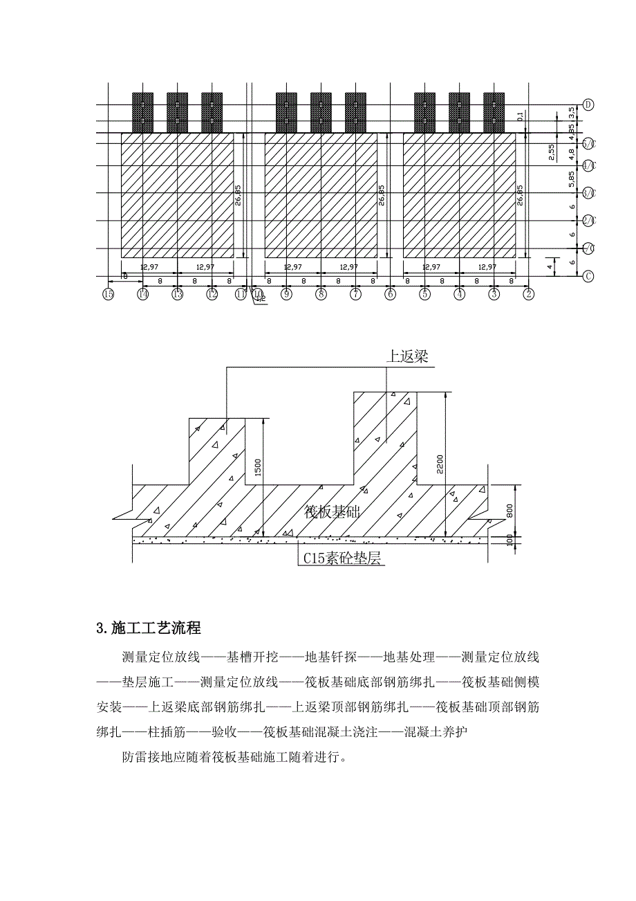
2、础工程施工质量验收规范GB50202-2002;10.混凝土结构工程施工质量验收规范GB50204-2002;11.建筑施工扣件式钢管脚手架安全技术规范GB50204-2002;12.建筑电气工程施工质量验收规范GB50303-2002;13.钢筋机械连接通用技术规程JGJ107-2003;14.大体积混凝土施工规范GB50496-2009。2.工程概况牙克石医药工业园项目电厂锅炉基础为上返梁式筏板基础,筏板基础厚度为800mm,上返梁厚度分别为:1500mm和2200mm,筏板基础尺寸为26.85*25.94m。混凝土:一次性浇筑混凝土量达到了1000m3,混凝土为C30。钢筋:钢筋一般为H

3、PB235(级钢)和HRB335(级钢)。设计抗震等级:抗震等级为三级。3.施工工艺流程测量定位放线基槽开挖地基钎探地基处理测量定位放线垫层施工测量定位放线筏板基础底部钢筋绑扎筏板基础侧模安装上返梁底部钢筋绑扎上返梁顶部钢筋绑扎筏板基础顶部钢筋绑扎柱插筋验收筏板基础混凝土浇注混凝土养护防雷接地应随着筏板基础施工随着进行。4.主要分项工程施工方案4.1测量定位放线1.定位点依据:根据业主提供的控制点坐标、标高及总平面布置图、施工图纸进行定位。2.场区内控制网布置:在各单体工程测量定位放线之前,在场区内布置好测量控制点控制网(包括坐标控制点和高程控制点)。3.测量工具:1)场区内坐标控制点和高程控

4、制点设置采用全站仪进行;2)建筑物坐标点定位采用全站仪进行;3)建筑物高程控制点设置采用水准仪进行;4)建筑物轴线定位采用经纬仪进行;5)其他辅助工具:50m钢尺、木桩、钢筋桩、墨斗、油漆等等。4.建筑物轴线定位:根据已知轴线坐标控制点采用经纬仪进行建筑物轴线的定位,其他相应线采用钢尺进行排尺。5.建筑物标高测量:根据已知高程控制点采用水准仪进行测量建筑物各工序的标高。4.2基槽开挖1.建筑物筏板基础基槽是大面积开挖,基槽开挖之前应放好基槽开挖边线(按照要求进行边坡放坡和留出施工作业面)。2.基槽开挖应满足基础设计底标高及开挖至圆砾层。3.基槽开挖完后应留设300mm深原土进行人工清槽。4.基

5、槽开挖之前应做好施工临时道路和施工降水工作。5.基槽开挖之前业主应给予施工单位提供地下管网、地下电缆、地下光纤等地下图纸或出具地下无地下管网、地下电缆、地下光纤等书面材料。6.基槽开挖之前业主应将地上障碍物全部清出现场,给予施工单位提供施工作业面。4.3地基钎探1.筏板基础施工之前必须按照设计、规范要求做好地基钎探工作:1)地基钎探点位布置横向按照均按照3m间距进行梅花桩布置;2)地基钎探之前应在钢管上做好尺寸标志;3)地基钎探之前应做好操作平台及将钢管端部磨尖;4)地基钎探之前应将钎探点的基槽标高进行测量;5)地基钎探深度必须达到在设计基槽底标高以下2.0m。2.施工机具材料1)材料:48*

6、3.5钢管、大锤、钢尺、木方、模板等;2)机具:测量仪器、无齿锯、扳手等。3.钎探管拔管时应有业主、监理、设计及质监站等相关单位参加,待钢管拔出地面后,应将管内东西全部敲出,并按照从下往上敲和从前向后退的顺序进行。若发现有夹层出现,应做好相应的位置和夹层的深度、厚度等记录,及时通知相关单位,应最终有设计单位做出书面处理意见,按照处理意见进行处理。4.地基钎探完成后,应做好相应的技术资料,以备竣工资料存档。4.4地基处理地基处理分为超深部分和地下存在着夹层区域的地基处理。1.超深部分地基处理基槽超深部分全部采用C15素混凝土换填进行地基处理。2.地基夹层处理当地基钎探完成后,发现有夹层出现,应将

7、其记录好(包括夹层的位置、夹层深度及夹层的厚度等),以口头形式通知业主、监理、质监站等相关单位,并以书面的形式递交予设计院,待设计院处理意见出具后,应按照设计院的处理意见进行地基处理。4.5模板工程4.5.1材料选择模板采用=18mm厚九夹板制作加工,采用6090mm木方模板背楞,木方间距不得超过200mm。对拉螺栓杆采用14圆钢制作,两端丝扣长度不得小于150mm。模板钢管支撑系统中钢管为483.5。4.5.2模板安装1.筏板基础侧壁模板2.上返梁模板4.5.3模板拆除筏板基础侧模应待浇筑完毕3d后方可松动对拉螺栓和拆除钢管三角支撑体系,7d后方可拆除基础侧模。待模板拆除完后应及时将对拉螺杆

8、抽出或切割。4.6钢筋工程4.6.1钢筋加工制作1.进场钢筋应按级别、种类和直径分类架空堆放,不得直接放置在地上,以免锈蚀和油污,进场钢筋应有出厂质量合格证明,并及时抽样进行复检,复检合格后方可进行加工。2.钢筋加工应先按图纸设计要求及09G101-2图集、09G101-3图集、06G101-1图集、04G101-3图集和03G101-1图集进行翻样,然后经相关部门核认后开始加工。3.加工的半成品钢筋应按型号、品种及规格尺寸等挂牌堆放。4.级钢筋末端需做180弯钩,其圆弧曲线直径不小于钢筋直径的2.5倍,平直部分长度不小于钢筋直径的3倍;级钢筋末端须作90或135弯折时,弯曲直径不宜小于钢筋直

9、径的4倍,平直部分长度应按设计要求确定。箍筋的末端应作1350弯钩,弯钩端头平直长度不小于钢筋直径的10倍。5.钢筋端部弯头长度以设计图纸和相应规范、图集中钢筋弯头长度为准,但必须满足锚固长度,如钢筋表中弯头长度+水平段锚固长度小于计算锚固长度时,弯头长度应以计算值为准。6.筏板基础端部钢筋封边等按照04G101-3图集中43页中纵筋弯钩交错封边方式执行。7.筏板基础柱插筋按照04G101-3图集中45页中节点构造执行。8.钢筋加工的允许偏差:项 目允许偏差(mm)受力钢筋顺长度方向全长的净尺寸10弯起钢筋的弯折位置20箍筋内净尺寸54.6.2钢筋绑扎1.筏板基础钢筋绑扎应设计要求及相关图集、

10、规范进行绑扎,其间距应满足设计要求;2.筏板基础钢筋为上下双层双向钢筋网片,当设计无说明时,底板钢筋位置按照“底部钢筋,短跨钢筋置于下排,长跨钢筋置于上排;上部钢筋,短跨钢筋置于上排,长跨钢筋置于下排”进行布置,且每个交叉点处均应采用绑丝绑扎牢固。钢筋绑扎时,其钢筋保护层厚度应满足设计及规范要求。当绑扎上层钢筋网片之前应在上下层钢筋网片之前布设马凳架立筋作为上层钢筋网片的支撑骨架,马凳架立筋设置详见下图:注:马凳筋采用焊接方式连接,马凳水平筋采用绑扎搭接或机械连接的方式进行连接。3.上返梁钢筋绑扎:施工流程:梁上部钢筋梁箍筋梁下钢筋梁构造钢筋绑扎柱墩上层钢筋之前采用搭设脚手架作为支撑,待脚手架

11、拆除之前应按照下列要求做好马凳架立筋,以确保柱墩上下层钢筋网片之间的间距及梁的断面尺寸,具体做法详见下图:4.柱插筋及定位筏板基础混凝土浇筑之前应按照设计及规范、图集要求进行柱插筋,柱插筋的锚固长度、钢筋甩出长度、钢筋根数、钢筋间距、钢筋位置等均应满足设计及规范、图集要求。为了保证其柱插筋绑扎过程中定位准确,除了按照设计及规范、图集要求在筏板基础内设置相应数量的箍筋,应按照下图进行柱筋定位:5.钢筋位置的允许偏差项次项目允许偏差(mm)1受力钢筋的间距102受力钢筋的排距53钢筋弯起点位置204箍筋、横向钢筋间距绑扎骨架20焊接骨架105焊接预埋件中心线位置3水平高差36受力钢筋的保护层基础1

12、0柱、梁5板、墙34.6.3钢筋连接1.直径小于等于16的钢筋一般采用绑扎搭接方式连接;直径大于16的螺纹钢筋一般采用机械连接。2.接头位置宜设置在受力较小处,在同一根钢筋上宜少设接头。3.受力钢筋接着的位置应相互错开,当采用机械接头时,在任一35d且不小于500mm区段内,和当采用绑扎搭接接头时,在任一1.3倍搭接长度的区段内,有接头的受力钢筋截面面积占受力钢筋总截面面积的百分率应符合下表要求:接头形式受拉区接头数量受压区接头数量机械连接50不限绑扎连接25504.框架柱插筋应按照机械连接考虑。5.筏板基础和上返梁受力钢筋全部采用机械连接。6.纵向钢筋的锚固长度、搭接长度,详见下表:受拉钢筋

13、抗震锚固长度 混凝土强度等级与抗震等级钢筋种类与直径C20C25C30C35C40一、二级抗震等级三级抗震等级一、二级抗震等级三级抗震等级一、二级抗震等级三级抗震等级一、二级抗震等级三级抗震等级一、二级抗震等级三级抗震等级HPB235普通钢筋36d33d31d28d27d25d25d23d23d21dHRB335普通钢筋d2544d41d38d35d34d31d31d29d29d26dd2549d45d42d39d38d34d34d31d32d29d环氧树脂涂层钢筋d2555d51d48d44d43d39d39d36d36d33dd2561d56d53d48d47d43d43d39d39d36dHRB400RRB400普通钢筋d2553d49d46d42d41d37d37d34d34d31dd2558d53d51d46d45d41d41d38d38d34d环氧树脂涂层钢筋d2566d61d57d53d51d47d47d43d43d39dd2573d67d63d58d56d51d51d47d47d43d注:1.四级抗震等级,=。 2.当弯锚时,有些部位的锚固长度为0.4+15d,见各类构件的标准构造详图。 3.当HRB335,HRB400和RRB400级纵向受拉钢筋末端采用机械锚固措施时,包括附加锚固端头在 内的锚固长度可取为本表中锚

展开阅读全文
相关资源
猜你喜欢
相关搜索

当前位置:首页 > 建筑/环境 > 设计及方案

copyright@ 2008-2023 1wenmi网站版权所有

经营许可证编号:宁ICP备2022001189号-1

本站为文档C2C交易模式,即用户上传的文档直接被用户下载,本站只是中间服务平台,本站所有文档下载所得的收益归上传人(含作者)所有。第壹文秘仅提供信息存储空间,仅对用户上传内容的表现方式做保护处理,对上载内容本身不做任何修改或编辑。若文档所含内容侵犯了您的版权或隐私,请立即通知第壹文秘网,我们立即给予删除!