SC系列施工升降机施工现场安全检查检测.doc

上传人:d*** 文档编号:947341 上传时间:2024-05-13 格式:DOC 页数:3 大小:48KB
下载 相关 举报
SC系列施工升降机施工现场安全检查检测.doc_第1页
第1页 / 共3页
SC系列施工升降机施工现场安全检查检测.doc_第2页
第2页 / 共3页
SC系列施工升降机施工现场安全检查检测.doc_第3页
第3页 / 共3页
亲,该文档总共3页,全部预览完了,如果喜欢就下载吧!
资源描述

《SC系列施工升降机施工现场安全检查检测.doc》由会员分享,可在线阅读,更多相关《SC系列施工升降机施工现场安全检查检测.doc(3页珍藏版)》请在第壹文秘上搜索。

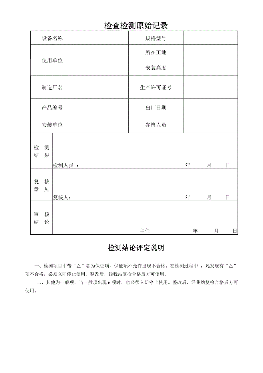
1、23SC系列施工升降机施工现场安全检查检测原始记录验测试中心站 检测部检查检测原始记录设备名称规格型号使用单位所在工地安装高度制造厂名生产许可证号产品编号出厂日期安装单位参检人员检 测结 果检测人员 : 年 月 日复 核意 见复核人: 年 月 日审 核结 论主任 年 月 日检测结论评定说明一、检测项目中带“”者为保证项,保证项不允许出现不合格。在检测过程中 ,凡发现有“”项不合格,必须立即停止使用。整改后,经我站复检合格后方可使用。 二、其他为一般项,当一般项出现6项时,也必须立即停止使用。整改后,经我站复检合格后方可使用。 SC系列施工升降机现场检测项目序号检验项目 检 验 内 容 与 要

2、求 类别检测结果结论8附墙系统根据施工现场实际条件,选择附墙方案,但均必须符合以下要求:A、附墙杆首次附墙离地距离未超过说明书规定(规定为 m)B、附墙杆之间间距,未超过说明书规定(规定为 m)C、附墙架水平倾斜角最大810。D、不得将施工中任何外部杆件连接到附墙系统内,如施工脚手架连接到附墙杆件上。9电气系统A、电机及电气元件的对地绝缘电阻应不小于0.5M。B、电气线路的对地绝缘电阻应不小于1MC、避雷接地装置及接地保护装置的电阻值均不超过4。D、司机操作处有停止按扭和急停开关,并有动作标志。E 、电路有短路保护,过载保护。F 、导线排列整齐,拖引电缆在全程工作中自由拖引不受阻碍。I 、设置

3、专用供电回路。10空载试验A 、作全程上升、停车、下降动作,反复试验不得少于3次,各部位运行正常,无异响,无卡滞。B 、各限位开关、安全装置灵敏可靠,各部件连接固定用螺栓均无松动,电气控制装置灵活有效。C、吊笼制动可靠,无滑溜现象。11额定载荷试验A 、作全程上升、停车、下降动作,反复试验不得少于3次,各部位运行正常,无异响,无卡滞。B、防坠安全器制动性能:吊笼装载最大额定起重量,在地面操纵“坠落按纽”将梯笼升高4m,放松电磁制动器,使梯笼自由降落,制动效果灵敏可靠,其制动距离不大于1.2m防坠安全器编号: 出厂日期或校验日期:12技术管理A、操作人员(司机)必须持证上岗。B、拆装队伍应有拆装资质证。C、检查其有无拆装方案。D、安装完毕有无验收资料及责任人签字。E、验收单上应有量化验收内容。F、安全操作规程。G、新机是否省建设厅备案公告产品。 经检测,该样机保证项有 项不合格。 一般项有 项不合格。 检测人:

展开阅读全文
相关资源
猜你喜欢
相关搜索

当前位置:首页 > 行业资料 > 国内外标准规范

copyright@ 2008-2023 1wenmi网站版权所有

经营许可证编号:宁ICP备2022001189号-1

本站为文档C2C交易模式,即用户上传的文档直接被用户下载,本站只是中间服务平台,本站所有文档下载所得的收益归上传人(含作者)所有。第壹文秘仅提供信息存储空间,仅对用户上传内容的表现方式做保护处理,对上载内容本身不做任何修改或编辑。若文档所含内容侵犯了您的版权或隐私,请立即通知第壹文秘网,我们立即给予删除!