XPS挤塑聚苯板外墙外保温工程施工工艺标准.doc

上传人:d*** 文档编号:947398 上传时间:2024-05-13 格式:DOC 页数:19 大小:628KB
下载 相关 举报
XPS挤塑聚苯板外墙外保温工程施工工艺标准.doc_第1页
第1页 / 共19页
XPS挤塑聚苯板外墙外保温工程施工工艺标准.doc_第2页
第2页 / 共19页
XPS挤塑聚苯板外墙外保温工程施工工艺标准.doc_第3页
第3页 / 共19页
XPS挤塑聚苯板外墙外保温工程施工工艺标准.doc_第4页
第4页 / 共19页
XPS挤塑聚苯板外墙外保温工程施工工艺标准.doc_第5页
第5页 / 共19页
XPS挤塑聚苯板外墙外保温工程施工工艺标准.doc_第6页
第6页 / 共19页
XPS挤塑聚苯板外墙外保温工程施工工艺标准.doc_第7页
第7页 / 共19页
XPS挤塑聚苯板外墙外保温工程施工工艺标准.doc_第8页
第8页 / 共19页
XPS挤塑聚苯板外墙外保温工程施工工艺标准.doc_第9页
第9页 / 共19页
XPS挤塑聚苯板外墙外保温工程施工工艺标准.doc_第10页
第10页 / 共19页
亲,该文档总共19页,到这儿已超出免费预览范围,如果喜欢就下载吧!
资源描述

《XPS挤塑聚苯板外墙外保温工程施工工艺标准.doc》由会员分享,可在线阅读,更多相关《XPS挤塑聚苯板外墙外保温工程施工工艺标准.doc(19页珍藏版)》请在第壹文秘上搜索。

1、XPS挤塑聚苯板外墙外保温工程施工工艺标准 1 总则1.1 适用范围XPS挤塑聚苯板外墙外保温工程施工工艺标准适用于与民用多层及高层建筑中钢筋混凝土、加气混凝土、砌块、烧结砖和非烧结砖等的外墙外保温工程及现有民用建筑的节能改造工。1.2 编剧依据建筑工程施工质量验收统一标准(GB503002001)建筑装饰装修工程质量验收规范(GB502102001)建筑节能工程施工质量验收规范(GB504112007)外墙外保温工程技术规程(JGJ1442004)2 术语2.1 外墙外保温工程 将外墙外保温系统通过组合、组装、施工或安装固定在外墙外表面上所形成的建筑物实体。2.2 外保温复合墙体 由基层和外

2、保温系统组合而成的墙体。2.3 基层墙体 建筑物中起承重或围护作用的外墙体。2.4 保温层 由保温材料组成,在外保温系统中起保温作用的构造层。2.5 抹面层 抹在保温层上,中间夹有增强网,保护保温层,并起防裂、防水和抗冲击作用的构造层。2.6 饰面层 外保温系统外装饰层。2.7 保护层 抹面层和饰面层的总称。2.8 XPS挤塑聚苯板外墙外保温系统 设置在外墙外侧,由XPS挤塑聚苯板,抗裂防护层和饰面层构成,起保温隔热、防护和装饰作用的构造系统。2.9胶粘剂 用于EPS板与基层以及EPS板之间粘结的材料。2.10 XPS挤塑聚苯板 由聚苯乙烯泡沫塑料加工生产。2.11 抗裂砂浆 在聚合物乳液中掺

3、加多种外加剂和抗裂剂与普通硅酸盐水泥、中砂按一定比例拌合均匀制成的具有一定柔韧性的砂浆。2.12 耐碱涂塑玻璃纤维网络布(耐碱网布) 以耐碱涂塑玻璃纤维织成的网络布为基布,表面涂覆高分子耐碱涂层制成的网络布。2.13钢丝网架板由XPS挤塑聚苯板内插腹丝,外侧焊接钢丝网构成的三维空间网架芯板,在XPS挤塑聚苯板外起防裂作用。2.14 高分子乳液弹性底层涂料(弹性底涂) 由弹性防水乳液加入多种助剂、颜色填料配制而成的具有防水和透气效果的封底涂层。2.15 抗裂柔性耐水腻子(柔性耐水腻子) 由弹性乳液、助剂和粉料等制成的具有一定柔性性和耐水性的腻子。2.15 塑料锚栓 由螺钉(塑料钉或具有防腐性能的

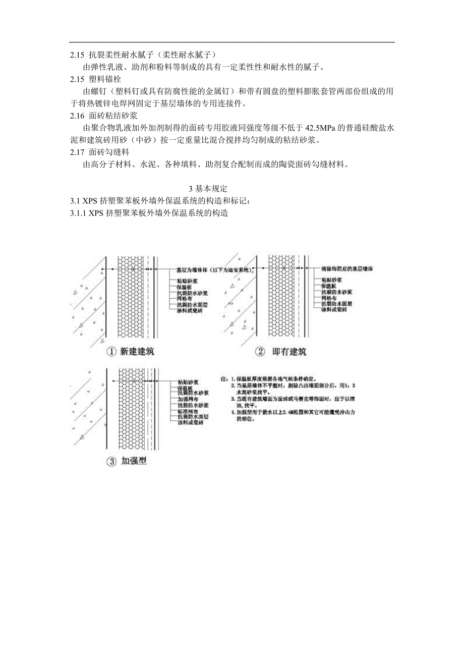
4、金属钉)和带有圆盘的塑料膨胀套管两部份组成的用于将热镀锌电焊网固定于基层墙体的专用连接件。2.16 面砖粘结砂浆 由聚合物乳液加外加剂制得的面砖专用胶液同强度等级不低于42.5MPa的普通硅酸盐水泥和建筑砖用砂(中砂)按一定重量比混合搅拌均匀制成的粘结砂浆。2.17 面砖勾缝料 由高分子材料、水泥、各种填料、助剂复合配制而成的陶瓷面砖勾缝材料。 3基本规定3.1 XPS挤塑聚苯板外墙外保温系统的构造和标记: 3.1.1 XPS挤塑聚苯板外墙外保温系统的构造 (1)外墙阴阳角详图(2)保温板抹胶及固定排列详图(3)勒角详图(4)门窗洞口排版,铺网详图(5)窗洞口详图(一) (6)窗洞口详图(二)

5、 (7)阳台、檐口详图 (8)女儿墙详图 (9)系统变形缝详图(一) (10)系统变形缝详图(二) (11)分格缝、装饰线、滴水详图 (12)穿墙管道、标牌详图 (13) 伸缩缝、空调机搁板 (14)空调机外机架、防盗网、水落管卡子详图 现浇混凝土外墙 XPS单面钢丝网架板 面层砂浆 钢丝网架 饰面层 L型6锚固钢筋(15)XPS钢丝网架板现浇混凝土外墙外保温基本构造祥图3.1.2 标记XPS挤塑聚苯板外墙外保温系统的标记由代号和类型组成: E T I R S _ _ XPS挤塑聚苯板外保温系统 类型3.2 XPS挤塑聚苯板外墙外保温工程应在主体结构及基层墙体质量验收合格后施工。3.3 既有建

6、筑进行节能改造施工时,应先对基层进行处理,使其到达设计和施工工艺的标准的要求3.4 施工采用的XPS挤塑聚苯板外保温系统成套技术或产品应有大型耐候性试验,其中面砖饰面外保温系统还应经抗震试验验证并确保其在设防烈度等级地下面砖饰面及外保温系统无脱落。3.5 进入现场的材料必须按建筑节能工程施工验收规范(GB504112007)、相关技术标准的规定进行检验。3.5.1 复验项目 1、表面密度、导热系数、尺寸稳定性、垂直于板面方向的抗拉强度、燃烧的性能。 2、抗裂砂浆的粘结强度。 3、耐碱网布、热镀锌电焊网的力学性能、抗腐蚀性能。 4、XPS钢丝网架板经见证取样送检合格5、面砖粘结砂浆的力学性能。3

7、.5.2 复验数量 XPS挤塑聚苯板外墙外保温系统的XPS挤塑聚苯板、胶粘剂、抹面砂(胶)浆、抗裂砂浆、网格布、热镀锌电焊网、增强抗裂腻子均为同一家生产和同一品种、同一批的产品至少抽样一次;锚固件(外保温)每种基层做一组,每组为3件拉拔强度试验;3.6 隐蔽工程验收应按基层处理、XPS挤塑聚苯板外墙外保温、抹灰面、变形缝、饰面层等分项工程,随施工进度及时进行验收,上道工序不验收不得进行入下道工序施工。3.7 检验批的划分及检查数量: 相同材料、工艺和施工方法的墙面每5001000 m2划分为一个检验批,不足500 m2也做为一个检验批。每个检验批每100 m2应至少抽查一处,每处不得小于10

8、m2 。 4施工淮备4.1技术准备 1、XPS挤塑聚苯板外墙外保温的施工图、设计说明及其他设计文件必须通过图审机构审查。 2、材料和构件的出场合格证证出厂检验报告、进场复验报告及形式检验报告符合要求。 3、具有施工方案、监理工作方案、施工技术交底(作业指导书)已完成。4.2 材料及构造要求: 1、XPS挤塑聚苯板、胶粘剂、抗裂剂及抗裂砂浆、耐碱网布、XPS钢丝网架板、弹性底涂、柔性耐水腻子、饰面涂料或用于面砖饰面的面砖粘结砂浆、面砖勾缝剂、塑料锚栓、热镀锌电焊网等材料及构件的性能指标符合建筑节能工程施工质量验收规范()的标准要求。 2、材料进场时应按规定进行合格性验收(查验出厂合格证或复验报告

9、),同时查验各种材料的袋、单袋体积是否合格,包装袋是否破损,材料是否与合格证、检验报告相配套,是否在有效期内等。 3、材料的现场储存条件: 抗裂剂及XPS挤塑抗裂砂浆、弹性底涂等材料应防止曝晒雨淋,储存温度宜在530C之间。 胶粘剂或挤塑板,柔性耐水腻子应置于干燥通风库房且应注意防火。 耐碱网布应立码,不宜平堆且应防火。4.3 主要机具 铁抹子、齿形抹子、阴阳角抹子、托灰板、灰槽(桶)、托线板、专用压板、靠尺板(2m)、线坠、方尺、大刮尺、卷尺、壁纸刀、滚刷、钳子、钣手、铁锤等(量具应经验合格)。4.4 作业条件4.4.1 保温施工应在外墙落水管卡、穿墙管道等安装完毕,外墙经建设(监理)、施工

10、等单位正式检验合格后进行,并应在屋面防水工程完毕后施工。4.4.2 外保温工程施工期间及完工24小时内基层墙体及环境空气温度均不应底于5C;夏季施工应在脚手架外侧设密目网避免阳光暴晒,冬季施工应采取保温措施;在5 级以上大风天气和雨天不得施工,并应有防止雨水冲刷已完成的构造层的措施。4.4.3 门窗洞口与墙体交接处应用密封材料填补密实,施工孔洞应事先填塞堵严。4.4.4 对施工班组进行交底,明确操作要求、质量标准、安全措施、制定施工计划及质量、安全保证措施。4.4.5 基层墙体必须清除表面灰尘、污垢、油渍及残留杂物、空鼓、疏松部位应剔除补平,并浇水湿润。墙面平整偏差不得大于4mm(用2m靠尺检

11、查),超过偏差部位需用1:3水泥找平。 5 材料和质量、安全要点5.1 材料要求5.1.1 现场取样XPS挤塑聚苯板密度应为2835kg/m3,抗拉强度不应小于0.25MP。5.1.2 保温材料和粘结进场时应对其性能进复验。复验项目中应有30%为见证取样送检。5.2 技术要求5.2.1 保温层施工前基层墙体的墙面吊直、规方、并弹出标准控制线。5.2.2 各构造层施工必须及时检验并填写隐蔽验收记录;上道工序不验收合格不得进行下道工序施工。5.3 质量要求5.3.1 各构造层必须粘结牢固、无裂缝、空鼓和脱落。5.3.2 保温层施工前基层墙体的处理必须符合4.4.5条的要求。5.3.3 各构造层的材

12、料、构件的质量必须符合外墙外保温工程技术规程(JGJ1442004)的标准规定;施工应按操作工艺标准进行。5.4 职业健康安全要求5.4.1 施工现场应设搅拌棚,地坪要硬化平整。5.4.2 操作工人应经安全技术培训,身体健康,劳动保护用品配套齐全。5.4.3 机械设备操作必须持证上岗,安全用电符合标准规定。5.5 环境要求 5.5.1 必须设置沉淀池,不得随意排放施工污水。5.5.2材料堆放储存应符合施工组织设计平面布置要求,并有防水、防潮措施。 6施工工艺6.1 工艺流程6.2 操作工艺6.2.1 基层墙体清理 1、填塞施工及外墙脚手眼洞口。 2、应清除墙面杂物、残留灰浆、污物、油渍等。剔除

13、并修补空鼓、疏松部位。 3、墙面表面平整度偏差不大于4mm(用2m靠尺检查),偏差较大的需用1:3砂浆找平。6.2.2 界面处理 1、砖墙在施工前浇水湿润,施工时表面成阴干状; 2、加气混凝土用界面砂浆滚刷(界面砂浆加水,调成糊状); 3、混凝土墙面用界面砂浆拉毛;6.2.3 测量垂直度、套方、弹控制线、复验基层垂直度并作出记录。6.3 XPS钢丝网架板现浇混凝土外墙外保温施工工艺流程如下钢筋绑扎在外墙外模板内侧固定XPS钢丝网架板,并安装L型6锚固钢筋安装外墙模板浇筑混凝土拆模、整修XPS钢丝网架板表面隐蔽验收抹面层砂浆(养护7d)施工饰面层。6.3.1钢筋绑扎1、外墙外侧钢筋弯钩应背向XPS板,防止戳破XPS板。2、外墙外侧与XPS板之间垫块间距应0.8m。3、钢筋经验收合格后,方可进行EPS板安装。6.3.2固定XPS钢丝网

展开阅读全文
相关资源
猜你喜欢
相关搜索

当前位置:首页 > 建筑/环境 > 保温建筑

copyright@ 2008-2023 1wenmi网站版权所有

经营许可证编号:宁ICP备2022001189号-1

本站为文档C2C交易模式,即用户上传的文档直接被用户下载,本站只是中间服务平台,本站所有文档下载所得的收益归上传人(含作者)所有。第壹文秘仅提供信息存储空间,仅对用户上传内容的表现方式做保护处理,对上载内容本身不做任何修改或编辑。若文档所含内容侵犯了您的版权或隐私,请立即通知第壹文秘网,我们立即给予删除!