【中海地产】施工质量控制流程及控制要点:抹灰工程.doc

上传人:d*** 文档编号:947759 上传时间:2024-05-13 格式:DOC 页数:5 大小:52.52KB
下载 相关 举报
【中海地产】施工质量控制流程及控制要点:抹灰工程.doc_第1页
第1页 / 共5页
【中海地产】施工质量控制流程及控制要点:抹灰工程.doc_第2页
第2页 / 共5页
【中海地产】施工质量控制流程及控制要点:抹灰工程.doc_第3页
第3页 / 共5页
【中海地产】施工质量控制流程及控制要点:抹灰工程.doc_第4页
第4页 / 共5页
【中海地产】施工质量控制流程及控制要点:抹灰工程.doc_第5页
第5页 / 共5页
亲,该文档总共5页,全部预览完了,如果喜欢就下载吧!
资源描述

《【中海地产】施工质量控制流程及控制要点:抹灰工程.doc》由会员分享,可在线阅读,更多相关《【中海地产】施工质量控制流程及控制要点:抹灰工程.doc(5页珍藏版)》请在第壹文秘上搜索。

1、施工质量控制流程及控制要点6.2抹 灰 工 程 6.2.1工作流程材质核定原材料验收基层验收整改检验结果不合格合格面层(分层)施工分项工程结束验收通过6.2.2质量控制要点及目标值(一)总体要求1、抹灰工程所用的材料的品种和性能应符合设计要求,水泥应进行凝结时间和安定性复验,复验结果应符合设计要求,砂浆的配合比应符合设计要求。2、抹灰用的石灰膏的熟化期不应少于15d,罩面用的磨细石灰粉的熟化期不应少于3d。3、外墙抹灰工程施工前应先安装钢木门窗框、护栏等,并应将墙上的施工孔洞堵塞密实。4、室内墙面、柱面和门洞口的阳角做法应符合设计要求,设计无要求时,应采用1:2水泥砂浆做暗护角,其高度不应低于

2、2m,每侧宽度不应小于50mm。5、各种砂浆抹灰层,在凝结前应防止快干、水冲、撞击、振动和受冻,在凝结后应采取措施防止玷污和损坏。水泥砂浆抹灰层应在湿润条件下养护。(二)抹灰工程项目主控项目检验方法一般项目检验方法一般抹灰工程抹灰前基层表面的灰尘、污垢、油渍等应清理干净,并应洒水润湿。检查施工记录1、普通抹灰工程的表面质量应符合规定:光滑、洁净、颜色均匀、无抹纹,分格缝和灰线应清晰美观。2、高级抹灰表面应光滑、洁净、颜色均匀、无抹纹、分隔缝和灰线应清晰美观观察;手模检查一般抹灰所用材料的品种和性能应符合设计要求。水泥的凝结时间和安定性复验应合格。砂浆的配合比应符合设计要求。检查产品合格证书、进

3、场验收记录、复验报告和施工记录护角、孔洞、槽、盒周围的抹灰表面应整齐、光滑;管道后面的抹灰表面应平整。观察抹灰工程应分层进行。当抹灰总厚度大于或等于35mm时,应采取加强措施,不同材料基体交接处表面的抹灰,应采取防止开裂的加强措施,当采用加强网时,加强网与各基体的搭接宽度不应小于100mm。检查隐蔽验收记录和施工记录抹灰层的总厚度应符合设计要求;水泥砂浆不得抹在石灰砂浆层上,罩面石膏灰不得抹在水泥砂浆层上。检查施工记录一般抹灰工程抹灰层与基层之间及各抹灰层之间必须粘结牢固,抹灰层应无脱层、空鼓,面层应无爆灰和裂缝。用小锤轻击检查;检查施工记录抹灰分格缝的设置应符合设计要求,宽度和深度应均匀,表

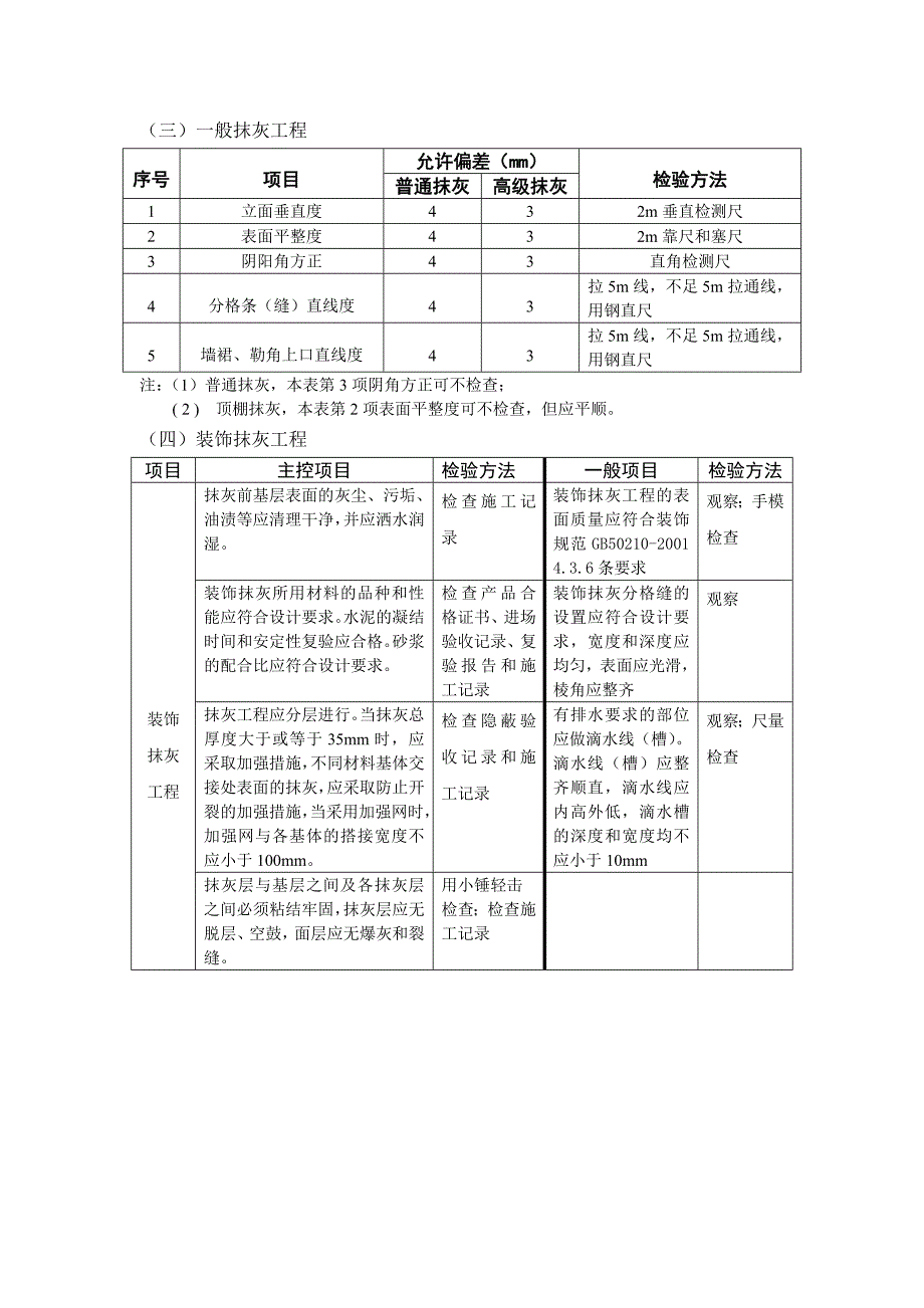
4、面应光滑,棱角应整齐。观察;尺量检查有排水要求的部位应做滴水线(槽)。滴水线(槽)应整齐顺直,滴水线应内高外低,滴水槽的深度和宽度均不应小于10mm。观察;尺量检查(三)一般抹灰工程序号项目允许偏差(mm)检验方法普通抹灰高级抹灰1立面垂直度432m垂直检测尺2表面平整度432m靠尺和塞尺3阴阳角方正43直角检测尺4分格条(缝)直线度43拉5m线,不足5m拉通线,用钢直尺5墙裙、勒角上口直线度43拉5m线,不足5m拉通线,用钢直尺注:(1)普通抹灰,本表第3项阴角方正可不检查; ( 2 ) 顶棚抹灰,本表第2项表面平整度可不检查,但应平顺。(四)装饰抹灰工程项目主控项目检验方法一般项目检验方法

5、装饰抹灰工程抹灰前基层表面的灰尘、污垢、油渍等应清理干净,并应洒水润湿。检查施工记录装饰抹灰工程的表面质量应符合装饰规范GB50210-2001 4.3.6条要求观察;手模检查装饰抹灰所用材料的品种和性能应符合设计要求。水泥的凝结时间和安定性复验应合格。砂浆的配合比应符合设计要求。检查产品合格证书、进场验收记录、复验报告和施工记录装饰抹灰分格缝的设置应符合设计要求,宽度和深度应均匀,表面应光滑,棱角应整齐观察抹灰工程应分层进行。当抹灰总厚度大于或等于35mm时,应采取加强措施,不同材料基体交接处表面的抹灰,应采取防止开裂的加强措施,当采用加强网时,加强网与各基体的搭接宽度不应小于100mm。检

6、查隐蔽验收记录和施工记录有排水要求的部位应做滴水线(槽)。滴水线(槽)应整齐顺直,滴水线应内高外低,滴水槽的深度和宽度均不应小于10mm观察;尺量检查抹灰层与基层之间及各抹灰层之间必须粘结牢固,抹灰层应无脱层、空鼓,面层应无爆灰和裂缝。用小锤轻击检查;检查施工记录序号项 目允许偏差(mm)检查方法水刷石斩假石干粘石假面砖1立面垂直度5455用2m垂直检测尺检查2表面平整度3354用2m靠尺和塞尺检查3阳角方正3344用直角检测尺检查4分格条(缝)直线度3333拉5m线,不足5m拉通线,用钢直尺检查5墙裙、勒角上口直线度拉5m线,不足5m拉通线,用钢直尺检查6.2.3过程控制(一)事前控制1、石

7、灰膏的熟化时间要保证,细度满足要求。2、抹灰用的各种厚材料如砂、石粒、珍珠岩、纸筋,甚至颜料都要符合相应材质规范要求。3、抹灰前,基体表面的平整度,标筋验收。4、抹灰前,门、窗框位置及与墙体连接、缝隙处理。5、抹灰前,管道穿越的墙洞、楼板间填嵌处理。6、抹灰前,散热器和密集管道等背后的墙面抹灰处理应完毕。7、外墙抹灰前,门、窗框、阳台、阳台栏杆等孔洞填嵌处理。(二)事中控制1、室内墙面、柱台和门窗洞口的阳角处理。2、外墙窗台、窗楣、雨篷、阳台、压顶和突出腰线等处,流水坡度滴水浅、滴水槽处理。3、冬季施工、砂浆保温、防冻处理。4、抹灰层的平均总厚度不得大于规范要求。5、分层抹灰的间隔时间控制。6

8、、加气砼表面抹灰前,应清洁表面、基层处理、再分层抹灰。7、采用机械喷涂抹灰,宜先做护角、踢脚板、墙裙、窗台板的抹灰;控制稠度,防止玷污门窗、管道和设备等部位。8、装饰抹灰面层的厚度、颜色、图案应符合设计。9、装饰抹灰面层的施工缝,应留在分格缝、墙面阴角,水落管背后或独立装饰组成部分的边缘处。10、水磨石面层的施工,分格条处理、水泥颜色的选择,磨光时间、遍数。11、斩假石面层、干粘石面层、假面砖等,喷涂、滚涂、弹涂等等面层的施工,应符合相应的质量标准。(三)事后控制1、各种砂浆的抹灰层,在凝结前应防止快干、水冲、撞击和振动。2、各种面层凝结后,应采取措施防止玷污和损坏。3、水泥砂浆的抹灰层,应在湿润的条件下养护。4、砂浆抹灰层硬化初期不得受冻。(四)重点工序1、原材料质量验收;2、抹灰前,基体表面的平整度、标筋验收;3、室内墙面、柱面和门洞口的阳角处理;4、门窗框、管道穿越等处缝隙处理;5、外墙滴水线、滴水槽、流水坡度处理;6、外墙面层的施工缝留设;7、成品保护。

展开阅读全文
相关资源
猜你喜欢
相关搜索

当前位置:首页 > 建筑/环境 > 工程监理

copyright@ 2008-2023 1wenmi网站版权所有

经营许可证编号:宁ICP备2022001189号-1

本站为文档C2C交易模式,即用户上传的文档直接被用户下载,本站只是中间服务平台,本站所有文档下载所得的收益归上传人(含作者)所有。第壹文秘仅提供信息存储空间,仅对用户上传内容的表现方式做保护处理,对上载内容本身不做任何修改或编辑。若文档所含内容侵犯了您的版权或隐私,请立即通知第壹文秘网,我们立即给予删除!