【施工方案】太行大街城市快速路排水工程HDPE双壁波纹管专项施工方案.doc

上传人:d*** 文档编号:947789 上传时间:2024-05-13 格式:DOC 页数:18 大小:405.66KB
下载 相关 举报
【施工方案】太行大街城市快速路排水工程HDPE双壁波纹管专项施工方案.doc_第1页
第1页 / 共18页
【施工方案】太行大街城市快速路排水工程HDPE双壁波纹管专项施工方案.doc_第2页
第2页 / 共18页
【施工方案】太行大街城市快速路排水工程HDPE双壁波纹管专项施工方案.doc_第3页
第3页 / 共18页
【施工方案】太行大街城市快速路排水工程HDPE双壁波纹管专项施工方案.doc_第4页
第4页 / 共18页
【施工方案】太行大街城市快速路排水工程HDPE双壁波纹管专项施工方案.doc_第5页
第5页 / 共18页
【施工方案】太行大街城市快速路排水工程HDPE双壁波纹管专项施工方案.doc_第6页
第6页 / 共18页
【施工方案】太行大街城市快速路排水工程HDPE双壁波纹管专项施工方案.doc_第7页
第7页 / 共18页
【施工方案】太行大街城市快速路排水工程HDPE双壁波纹管专项施工方案.doc_第8页
第8页 / 共18页
【施工方案】太行大街城市快速路排水工程HDPE双壁波纹管专项施工方案.doc_第9页
第9页 / 共18页
【施工方案】太行大街城市快速路排水工程HDPE双壁波纹管专项施工方案.doc_第10页
第10页 / 共18页
亲,该文档总共18页,到这儿已超出免费预览范围,如果喜欢就下载吧!
资源描述

《【施工方案】太行大街城市快速路排水工程HDPE双壁波纹管专项施工方案.doc》由会员分享,可在线阅读,更多相关《【施工方案】太行大街城市快速路排水工程HDPE双壁波纹管专项施工方案.doc(18页珍藏版)》请在第壹文秘上搜索。

1、1.工程概况1.1工程概况:本工程为石家庄市太行大街城市快速路系统工程第1合同段。太行大街位于河北省石家庄市高新开发区东侧,施工区域内多为农田。主线起点位于K0+000,终点为K9+400,主线长9.25Km(其中设置短链)。施工区域内采用HDPE双壁波纹管的雨、污水管道均采用本方案。本工程排水管道分为污水管与雨水管道两种,在K0+000-K5+720范围内,道路东侧为雨水管,西侧为污水管;在K5+720-K9+400范围内,道路两侧均布置有雨水、污水管道。HDPE双壁波纹管工程量约为16805米,管径为DN400-DN600。HDPE双壁波纹管广泛应用于许多发达国家市政雨、污水。HDPE双壁

2、波纹管对比混凝土管道运输、安装方便,可降低劳动强度,以及工程投资。HDPE双壁波纹管是以高密聚乙烯为原料挤出成型生产的,此管具有耐腐蚀性好,绝缘性好,内壁光滑、流动阻力小,重量轻。耐冲击性强、不易破损等特点。建设单位名称: 石家庄中冶基础设施投资有限公司勘察单位名称: 石家庄市规划勘察测绘设计研究院设计单位名称: 中冶京诚工程技术有限公司监理单位名称: 重庆赛迪工程咨询有限公司施工单位名称: 中国二十二冶集团公司1.2水文地质:场地地形较平坦,最大相对高差3.2米m,地貌上属于太行山山前冲击平原。区域内均未见地下水层和上层滞水,地勘报告建议可不考虑地下水作用。土层除人工填土外,主要由细粒土和粗

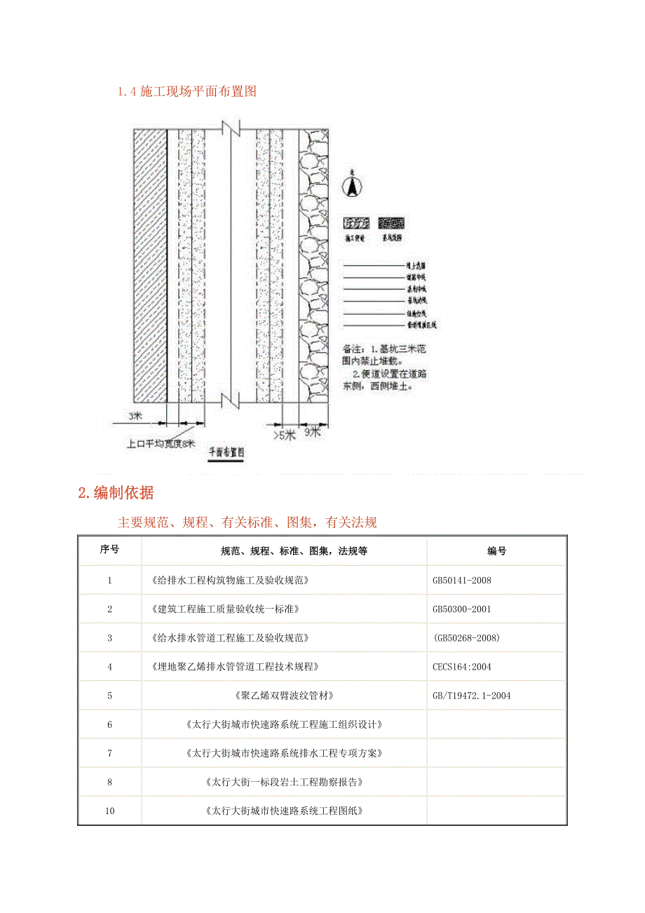
3、粒土组成。1.3施工环境及施工条件现场采用原有道路作为临时便道,每隔1周进行道路维护,作业用电采用发电机供电,沟槽开挖验收后进行砂垫层或混凝土基础施工验收合格后即可进行管道施工。1.4施工现场平面布置图2.编制依据主要规范、规程、有关标准、图集,有关法规序号规范、规程、标准、图集,法规等编号1给排水工程构筑物施工及验收规范GB50141-20082建筑工程施工质量验收统一标准GB50300-20013给水排水管道工程施工及验收规范(GB50268-2008)4埋地聚乙烯排水管管道工程技术规程CECS164:20045聚乙烯双臂波纹管材GB/T19472.1-20046太行大街城市快速路系统工程

4、施工组织设计7太行大街城市快速路系统排水工程专项方案8太行大街一标段岩土工程勘察报告10太行大街城市快速路系统工程图纸11国家中华人民共和国建筑法12中华人民共和国劳动法13建设工程质量管理条例14行业建设工程施工现场管理规定建设部令1991年第15号3.施工计划3.1施工区域划分本工程全线9.25公里分三个施工队施工,第一施工队(K0+000-K4+220)先行施工,现场具备施工条件时,第二、三施工队开始施工,每个施工队分三个施工段,流水作业,先施工第一施工段,再依次施工第二与第三段,共计9个施工段。每个施工段约为1公里。3.3材料计划序号名称型号单位数量备注1HDPE双壁波纹管DN400-

5、DN600米168052橡胶圈个28103尼龙吊装带副64木楔个120005润滑剂桶1006刷子个307螺丝刀个108方木100*100个10009手锤个10注:临时用电在此不作计划详见道路施工组织设计。3.4设备机具计划序号名称型号单位数量备注18T吊车台32倒链2T台123冲击式打夯机台64龙门架台35发电机50KW台66千斤顶10T台12测量设备:序号监测装置名称数量标定日期备注1全站仪1200906.01合格2水准仪32009.08,20合格3.5劳动力计划序号名称人数备注1测量工22技术工63力工1004起重工64.施工工艺技术4.1技术准备组织有关技术人员,仔细审阅图纸,做到图纸上

6、有问题提前与设计联系并解决,有关施工标准、验收规范、质检部门及安全部门,档案部门的要求,按技术管理资料、安全管理资料,质量保证资料及验收评定资料三类资料编制或购买各种专用表格,施工前各种表格应备齐。测量仪器必须有检定证书合格后方可使用,做好技术交底、安全交底,为工程的顺利进行做好准备。4.2工艺流程4.3主要施工方法4.3.1施工测量根据相关单位提供材料及现场提供位置情况对控制点及基坑中线进行复测,对管沟中心线及管道标高控制线进行测量放样,并将结果报送监理工程师核查,作为施工放样的依据。4.3.2原材料验收及堆放4.3.2.1材料验收每批次进场材料要附带合格证及质量检验证明书,经自检合格后报请

7、监理检验,按照相关频率进行见证抽样送甲方指定试验室检验。(1)HDPE双壁波纹管验收:管道进场检验:管节安装前应进行外观检查,检查管体外观及管体的承口、插口尺寸,承口、插口工作面的平整度。用专用量径尺量并记录每根管的承口内径、插口外径及其椭圆度,承插口配合的环向间隙,应能满足选配的胶圈要求。见证取样,送试验室检验并出具合格检验报告。(2)接口胶圈A.承插式HDPE双壁波纹排水管道接口所采用的密封胶圈,应采用耐腐蚀的专用橡胶材料制成。密封胶圈使用前必须逐个检查,不得有割裂、破损、气泡、飞边等缺陷。其硬度、压缩率、抗拉力、几何尺寸等均应符合有关规范及设计规定。密封胶圈应有出厂检验质量合格的检验报告

8、,制造及出厂日期、自检记录,厂质检部门签章。产品到达现场后,应见证取样,送试验室检验并出具合格检验报告,密封橡胶圈的硬度、压缩率和抗拉力,其值不应小于出厂合格标准。B.弹性密封胶圈由厂家供应并符合以下要求:弹性密封胶圈,外观光滑平整,不得有气孔、裂缝、卷褶、破损、重皮等缺陷;橡胶圈的邵氏硬度宜采用505;伸长率不大于400%;拉断强度应不小于16MPa。4.3.2.2材料吊装与存储(1)吊装吊装采用尼龙吊装带,禁止扔、拉管道。卸装管道时,管道放在方木上,方木应距管端600mm。如果管太低则应在管道的中间增加2-3排方木防止管道弯曲。吊装过程中要轻拿轻放,防止损伤管壁。(2)存储管道要放在稳固的

9、地上并设置木垫块,管道和地面间距为200mm左右。HDPE放在室外时要覆盖塑料薄膜避免阳光直射,其他配套部件要存放于室内。管道存放区域要远离施工活动区域。4.3.2管道施工承插式柔性接口HDPE双壁波纹管4.3.2.1砂垫层基础:在槽底铺设设计规定厚度的砂垫层,采用水密法,用平板振动夯夯实1-2遍。夯实平整后,测中心线,并应预留沉降量。垫层宽度和深度必须严格控制,管道安装及闭水完成后,施工C2部分砂垫层基础,施工中要保证管道包角的角度。并在管道两侧每隔1米,管两侧设置木楔防止回填过程中管产生移动,中粗砂垫层与管座应密实,管底面必须与中粗砂垫层与管座紧密接触。4.3.2.2铺管(1)管道基础验收

10、合格后方可进行铺管作业,吊装采用8T汽车吊,站位距离坑边3m以外,吊具采用尼龙吊装带,吊装位置距离管道边口500mm左右,吊装角度详见下图。吊装时要避免碰撞。施工时按照图纸要求,先确定沉泥井位置,遵循此原则将管道按照长度预先排设管道位置并放出每节管道的位置线,调整检查井位置。(2)工作坑挖设:在接口处挖设工作坑,承口前大于等于600mm,承口后超过斜面长,两侧大于管径,深度大于等于200mm,保证操作阶段管子承口悬空。将具备条件管道放置于沟槽内如下图:4.3.2.3安装(1)稳管:安管不得扰动管道基础,管道安装从下游至上游进行。管道就位后,为防止滚管,应在管两侧适当加两组四个楔形木垫块。管道安

11、装时应将管道流水面中心、高程逐节调整,确保管道纵断面高程及平面位置准确。每节管就位后,应进行固定,以防止管子发生位移。稳管时,先进入管内检查对口,减少错口现象。管内底高程偏差在10mm内,中心偏差不超过10mm,相邻管内底错口不大于3mm。(2)对口A.清理管膛、管口:将承插口内的所有杂物予以清除,并擦洗干净,然后在承口内均匀涂抹非油质润滑剂。B.清理胶圈:将胶圈上的粘接物清擦干净,并均匀涂抹非油质润滑剂。C.插口上套胶圈:密封胶圈应平顺、无扭曲。安管时,胶圈应均匀滚动到位,放松外力后,回弹不得大于10mm,把胶圈弯成心形或花形(大口径)装入承口槽内,并用手沿整个胶圈按压一遍,确保胶圈各个部分

12、不翘不扭,均匀一致卡在槽内。橡胶圈就位后应位于承插口工作面上。胶圈放置在管道插口段第一个波纹凹槽内。D.顶装接口a.顶装接口时,采用龙门架,对口时应在已安装稳固的管子上拴住吊装带,在待拉入管子承口处架上后背横梁,用吊装带和倒链连好绷紧对正,两侧同步拉倒链,将已套好胶圈的插口经撞口后拉入承口中。注意随时校正胶圈位置和状况。b.安装时,顶、拉速度应缓慢,并应有专人查胶圈滚入情况,如发现滚入不均匀,应停止顶、拉,用凿子调整胶圈位置,均匀后再继续顶、拉,使胶圈达到承插口的预定位置。d.管道安装应特别注意密封胶圈倒链拉入法安管见下图:E.检查中线、高程:每一管节安装完成后,应校对管体的轴线位置与高程,符

13、合设计要求后,即可进行管体轴向锁定和两侧固定。F.用探尺检查胶圈位置:检查插口推入承口的位置是否符合要求,用探尺伸入承插口间隙中检查胶圈位置是否正确。G.锁管:铺管后为防止前几节管子的管口移动,可用尼龙绳和倒链锁在后面的管子上。锁管示意见下图4.3.3闭水试验详见专项施工方案。4.3.4管沟回填详见排水工程施工方案。5.施工安全保证措施5.1危险源点:基坑坍塌、机械伤害、坠落、物体打击、场内交通、吊装5.2.安全预防措施:(1)在危险区挂宣传画、色标、标牌及标语,各种防护部位防护到位。各种标牌应挂齐,并挂在醒目的位置处。管沟每200m设置人行安全爬梯,管沟靠近临时便道一侧设置栏杆(脚手架搭设)

14、,其余临边设置安全警示旗,并且悬挂安全警示标志(2)设立必须的安全活动日,在班前班后、会上会下检查安全生产情况,对职工进行经常的安全教育和安全宣传活动。(3)凡进入现场人员需要进行三级安全生产的教育,教育后并且经过考试合格后办理入场证方能准许进入其操作岗位。进入现场人员必须持入场证且合理佩戴安全帽,穿防滑鞋。坑边作业要设安全绳,人员需要系安全带。(4)对车辆驾驶等特殊工种的工人施工中严格遵守各项操作规程,严禁违章指挥和违章操作。对机械设备的使用需要做到持证作业,挂牌负责,定机定人操作并且定期检查、保养,以保证使用安全。,所有进场机械必须进行严格的检查,保证机械设备完好。机械作业半径内严禁站人对于动火作业需开动火证。(5)夜间施工配备足够照明,施工便道以及施工作业点做到不留盲点。(6)加强基坑监测,发现问题及时能报各施工方,并会同维护单位做好应急处理。当施工时发现土壤有裂缝、落土或滑动现象时,应采取加固措施或排除险情后再施工。(7)运输道

展开阅读全文
相关资源
猜你喜欢
相关搜索

当前位置:首页 > 建筑/环境 > 市政工程

copyright@ 2008-2023 1wenmi网站版权所有

经营许可证编号:宁ICP备2022001189号-1

本站为文档C2C交易模式,即用户上传的文档直接被用户下载,本站只是中间服务平台,本站所有文档下载所得的收益归上传人(含作者)所有。第壹文秘仅提供信息存储空间,仅对用户上传内容的表现方式做保护处理,对上载内容本身不做任何修改或编辑。若文档所含内容侵犯了您的版权或隐私,请立即通知第壹文秘网,我们立即给予删除!