一幢消防中队三层办公楼的建筑设计施工图.doc

上传人:d*** 文档编号:947807 上传时间:2024-05-13 格式:DOC 页数:75 大小:2.36MB
下载 相关 举报
一幢消防中队三层办公楼的建筑设计施工图.doc_第1页
第1页 / 共75页
一幢消防中队三层办公楼的建筑设计施工图.doc_第2页
第2页 / 共75页
一幢消防中队三层办公楼的建筑设计施工图.doc_第3页
第3页 / 共75页
一幢消防中队三层办公楼的建筑设计施工图.doc_第4页
第4页 / 共75页
一幢消防中队三层办公楼的建筑设计施工图.doc_第5页
第5页 / 共75页
一幢消防中队三层办公楼的建筑设计施工图.doc_第6页
第6页 / 共75页
一幢消防中队三层办公楼的建筑设计施工图.doc_第7页
第7页 / 共75页
一幢消防中队三层办公楼的建筑设计施工图.doc_第8页
第8页 / 共75页
一幢消防中队三层办公楼的建筑设计施工图.doc_第9页
第9页 / 共75页
一幢消防中队三层办公楼的建筑设计施工图.doc_第10页
第10页 / 共75页
亲,该文档总共75页,到这儿已超出免费预览范围,如果喜欢就下载吧!
资源描述

《一幢消防中队三层办公楼的建筑设计施工图.doc》由会员分享,可在线阅读,更多相关《一幢消防中队三层办公楼的建筑设计施工图.doc(75页珍藏版)》请在第壹文秘上搜索。

1、第一章 设计任务及要求1.1设计原始资料一、工程概况本建筑位于xx市xx区,南临xx路、东临xx公路,是一幢三层框架结构的办公楼,梁、板、柱均采用现浇。二、设计条件1.地质条件本工程为7度设防,地震加速度为0.1g,基础类别为丙类,结构安全系数为1.0。本工程场地土为上海IV类场地土。2.气象基本风压:Wo=0.55KN/基本雪压:So=0.20KN/地面粗糙度属于B类。1.2建筑设计任务及要求一、任务及要求主要完成一幢消防中队三层办公楼的建筑设计施工图,其中包括建筑平面图、立面图、剖面图及部分节点详图。1.3结构设计任务及要求一、任务及要求1.结构布置2.确定梁、柱截面尺寸3.荷载计算4.一

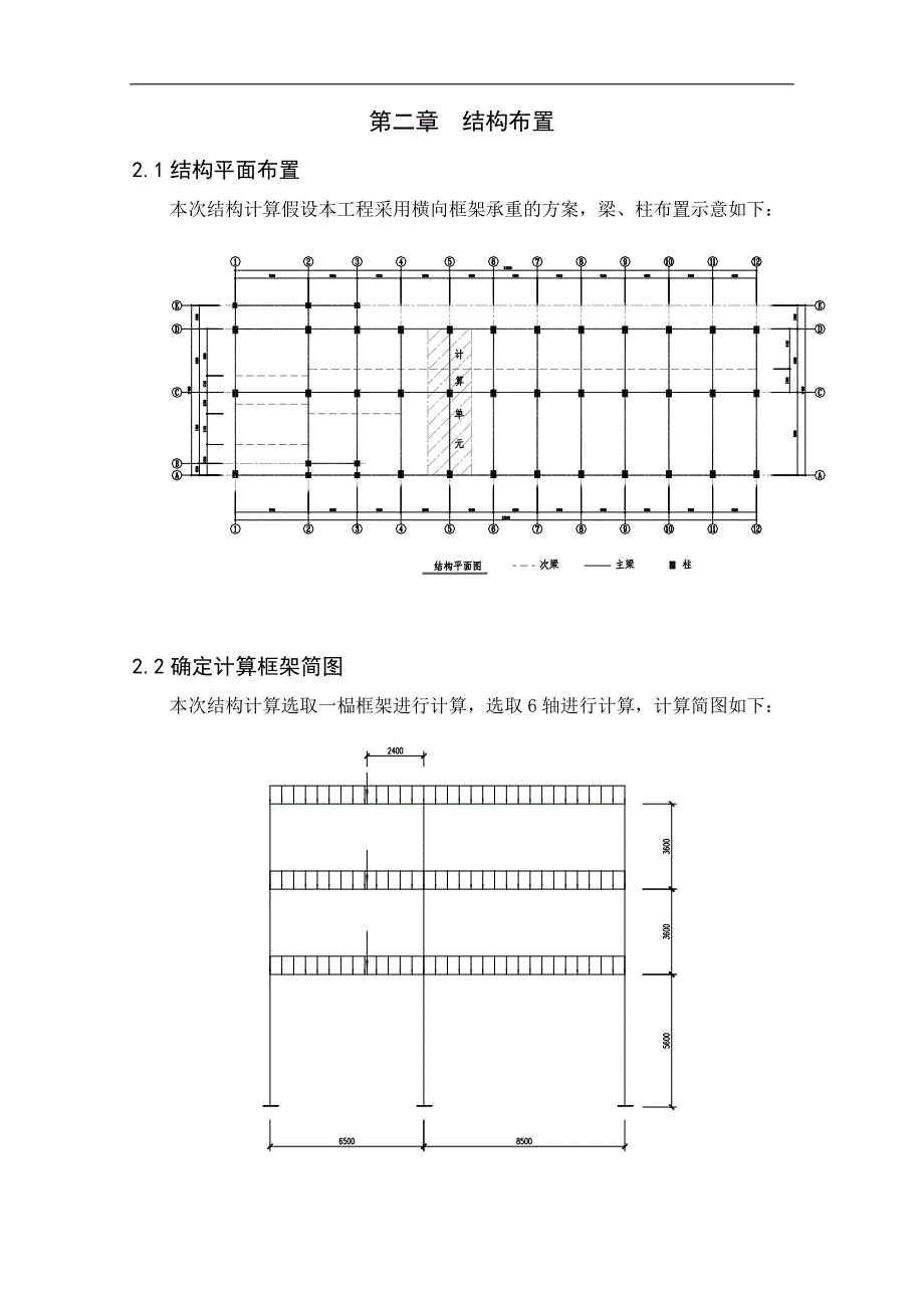
2、榀框架抗震设计计算5.一榀框架风荷载设计计算6.一榀框架恒荷载设计计算7.一榀框架活荷载设计计算8.一榀框架内力组合9.一榀框架框架配筋10.楼板计算11.次梁计算12.楼梯计算13.一榀框架基础计算14.结构设计施工第二章 结构布置2.1结构平面布置本次结构计算假设本工程采用横向框架承重的方案,梁、柱布置示意如下:2.2确定计算框架简图本次结构计算选取一榀框架进行计算,选取6轴进行计算,计算简图如下:第三章 梁、柱截面尺寸3.1柱截面尺寸确定一、确定混凝土强度等级框架柱采用C30的混凝土C30混凝土 fc=14.3N/mm2 ft=1.43 N/mm2一、 确定柱截面尺寸假设竖向荷载标准值为

3、20KN/,恒荷载、活荷载综合分项系数为1.25,则底层内中柱轴力设计值N估为:N=1.25204.5()4=3375KN(0.90.95) A250000mm2 236842mm2采用方形截面,则bc=hc=500 487因底层层高较高,底层柱截面取500500 。其余柱截面取400500 。3.2梁截面尺寸确定一、确定混凝土强度等级框架梁采用C30的混凝土C30混凝土 fc=14.3N/mm2 ft=1.43 N/mm2二、确定梁截面尺寸横向框架梁:跨度为8.5m 取300750纵向次梁:跨度为4.5m 取200450第四章 荷载计算4.1楼面及屋面荷载4.1.1楼面荷载计算 恒载现浇板(

4、150mm、140mm、130,120厚) 0.15(0.14,0.13,0.12)25=3.75(3.50;3.25,3) kN/m2粉刷(20厚水泥砂浆): 1720.02=0.68 kN/m2地砖: 0.65 kN/m2合计: 5.08(4.83;4.58,4.33) kN/m2取值: 5.1 (4.9;4.7) kN/m2 活载餐厅、走廊: 2.5 kN/m2厨房、卫生间: 4.0 kN/m2会议室、宿舍、办公室: 2.0 kN/m2多功能厅、活动室: 4.0 kN/m24.1.2屋面荷载计算 恒载不上人保温屋面: 现浇板(130mm厚): 0.1325=3.25 kN/m2 35厚C

5、20细石混凝土找平层: 0.3525=0.875 kN/m2 25厚挤塑板保温层: 0.20 kN/m2 20厚水泥砂浆找平层: 200.020=0.40 kN/m2 防水层: 0.40 kN/m2 粉顶: 0.40 kN/m2 合计: 5.525 kN/m2上人保温屋面(平屋面): 现浇板(150、140mmmm厚): 0.15(0.14)25=3.75(3.5) kN/m2 25厚挤塑板保温层: 0.20 kN/m2 20厚水泥砂浆找平层: 200.020=0.40 kN/m2 防水层: 0.40 kN/m2 粉顶: 0.40 kN/m2 吊顶: 0.5 kN/m2合计: 5.65(5.4

6、) kN/m2 取值: 6.5 kN/m2活载 不上人屋面: 0.5 kN/m2上人屋面: 2.0 kN/m2 4.2梁间恒荷载4.2.1外墙恒荷载计算外填充墙采用250厚混凝土空心砌块,按重度11.8kN/m2计算。 250厚墙体: 混凝土砌块: 0.2511.8 =2.95 kN/m2 墙面抹灰(单面20mm厚): 0.342 =0.68 kN/m2 合计: 3.63 kN/m2 取值: 4.0 kN/m2一、底层外墙恒荷载 4.0x(5.6-0.6)=20 kN/m二、二,三层外墙恒荷载4.0x(3.6-0.6)=12 kN/m4.2.2内墙恒荷载计算内填充墙采用200厚加气混凝土砌块,

7、按重度7.5kN/m2计算。200厚墙体: 混凝土砌块: 0.2010 = 2.0 kN/m2 墙面抹灰(单面20mm厚): 0.342 = 0.68 kN/m2 合计: 2.68 kN/m2 取值: 3.0 kN/m2一、底层内墙恒荷载3.0x(5.6-0.6)=15 kN/m二、二,三层内墙恒荷载3.0x(3.6-0.6)=9 kN/m第五章 抗震设计计算5.1 Gi计算5.1.1公式Gi=5.1.2各层荷载1.各层墙重(1)女儿墙:3.8119.8= 455.24KN(2)三层墙:外墙:(119.8-0.422-0.59)x12=1278KN内墙:(13x5+3.85x3+5.1+5.0

8、+0.8x2+2.2+4.5x7+5+1.2+1.35x3+1.0x4)x9=136.2x9=1225.8 KN女儿墙:3.830.1= 114.4K三层墙总重:12781225.8114.4=2618.2 KN(3)二层墙:外墙:(137.8-0.422-0.511)x12=1482KN内墙:(13x8+9+3.6+2.9+1.2+1.5+3.8+5+4.5x7+5+36.5-0.4x8-4.5+1.35x3+1.2x2+2.6x21.8)x9=209.75x9=1887.752KN女儿墙:3.8(14.824.5)= 149.34 KN二层墙总重:14821887.856.2=3519.1

9、 KN(4)一层墙:外墙:(146.8-0.536)x20 =2576KN内墙:124.55 x15=1868.25KN一层墙总重:25761868.25=4444.3 KN2.各层梁板重(1)屋面梁板:屋面板:6.5x658.2=4278.3 KN屋面梁:0.3x0.61x9x8+0.3x0.61x6.8+0.3x0.75x8+0.38x0.2x5.1+0.2x0.43x5.1+0.3x0.47x10x6+0.3x0.75x6+0.3x0.47x1.9x2+4.6x0.25x0.38+0.25x0.33x4.60.25x0.44x(4.5x7+0.5-0.4x8)x2+0.25x0.75x4

10、x3+0.25x0.44x4.5+0.25x0.44x37.5+0.2x0.32x39.1 x27=43.917x27=1185.8 KN屋面梁板总重:4278.31185.8=5464.1 KN(2)三层梁板:三层板:658.24.9386.5=3472.18 KN三层梁:1185.8+0.2x0.35x5+0.2x0.33x9+0.2x0.23x1.8x5+0.2x0.31x4.50.25x0.43x7.5x3+0.3x0.53x7.1x2+0.3x063x13.7x25=1185.8+52.825x27=2612.1 KN三层梁板总重:3472.182612.1=6084.3 KN(3)二层梁板:二层板: 755.34.9(69.7554.8)6.5=4510KN二层梁: 2612.1+0.35x0.457.5+0.3x0.45x7.5+0.2x0.33x7.2+0.3x0.48x7.2x27=2612.1+3.706x27=2712.2 KN二层梁板总重:45102712.2=7222.2 KN3.各层柱重(1)三层柱:(0.50.5+0.40.535)3.627=704.7KN(2)二层柱:(0.50.5+0.40.538)3

展开阅读全文
相关资源
猜你喜欢
相关搜索

当前位置:首页 > 建筑/环境 > 设计及方案

copyright@ 2008-2023 1wenmi网站版权所有

经营许可证编号:宁ICP备2022001189号-1

本站为文档C2C交易模式,即用户上传的文档直接被用户下载,本站只是中间服务平台,本站所有文档下载所得的收益归上传人(含作者)所有。第壹文秘仅提供信息存储空间,仅对用户上传内容的表现方式做保护处理,对上载内容本身不做任何修改或编辑。若文档所含内容侵犯了您的版权或隐私,请立即通知第壹文秘网,我们立即给予删除!