某基坑土钉墙支护施工方案.doc

上传人:p** 文档编号:948630 上传时间:2024-05-15 格式:DOC 页数:6 大小:32KB
下载 相关 举报
某基坑土钉墙支护施工方案.doc_第1页
第1页 / 共6页
某基坑土钉墙支护施工方案.doc_第2页
第2页 / 共6页
某基坑土钉墙支护施工方案.doc_第3页
第3页 / 共6页
某基坑土钉墙支护施工方案.doc_第4页
第4页 / 共6页
某基坑土钉墙支护施工方案.doc_第5页
第5页 / 共6页
某基坑土钉墙支护施工方案.doc_第6页
第6页 / 共6页
亲,该文档总共6页,全部预览完了,如果喜欢就下载吧!
资源描述

《某基坑土钉墙支护施工方案.doc》由会员分享,可在线阅读,更多相关《某基坑土钉墙支护施工方案.doc(6页珍藏版)》请在第壹文秘上搜索。

1、某某开发区某某保障性住房白石江点二标段第五标工程基坑支护方案编制单位:某某开发区某某保障性住房白石江点二标段工程项目部编制人: 审核人:批准单位:某某建工集团公司审定人: 批准人:编制日期:6#与地下车库东侧基坑土钉墙支护施工方案一、工程概况 6#、7#以及地下车库土方已经开挖完毕,在6#以及相邻的地下车库的北侧基坑边坡高度为4.66.5m高度,在我工程范围内长度达92.3m的原基坑边坡并未做支护处理。在2013年5月11日大雨过后,边坡出现较为严重的开裂并产生土方坍塌,存在安全隐患,特需要对此段基坑边坡做支护处理,以便下阶段施工的顺利开展。二、土钉墙工艺简介 施工时在基坑开挖坡面,用洛阳铲人

2、工成孔或机械成孔,孔内放锚杆并注入水泥浆,在坡面安装钢筋网,喷射强度等级不低于 C20的混凝土,使土体、土钉锚杆及喷射混凝土面层结合,为深基坑土钉支护。其技术原理是利用岩土介质的自承能力,借助土钉与周围土体的摩擦力和粘聚力,将不稳定土体和深部稳定土层连在一起形成稳定的组合体,土钉端与钢筋网相互连接,之后喷射混凝土,土钉与土体形成复合体,提高了边坡整体稳定和承受坡顶超载能力,增强土体破坏延性,改变边坡突然坍方性质。有利于安全施工,由于该技术具有施工简便、灵活机动、适用性强、隔水防渗等优点。 三、施工组织 健全施工组织机构是保证施工质量和进度的关键,工程实行项目管理,管理人员应履行各自职责。 加强

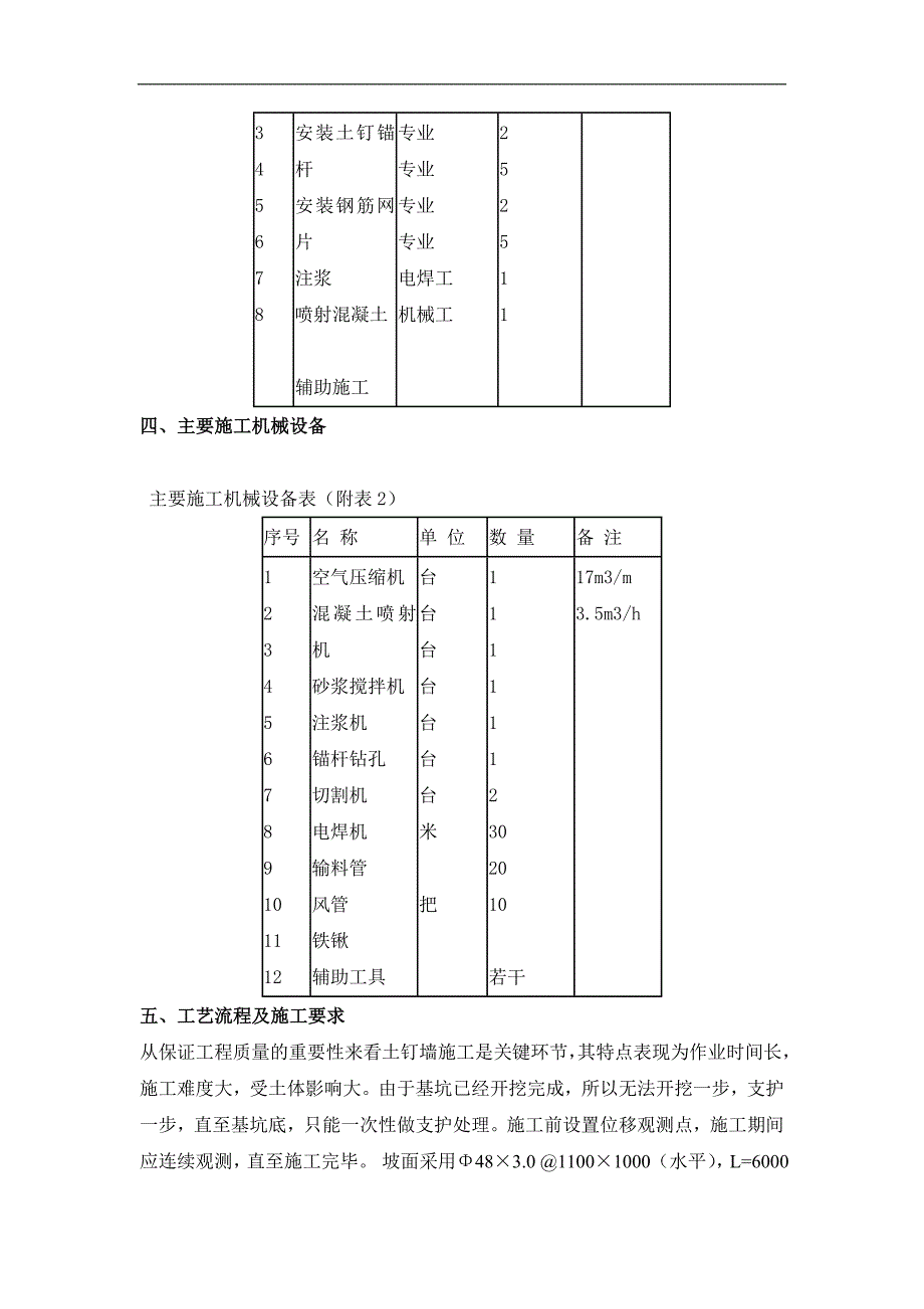
3、组织管理,根据工程需要实行例会制。施工班组由具有丰富施工经验的劳务队组成,劳动力合理调整,确保各阶段施工人员及时到位。 作业层施工人员组成情况见附表1。施工人员组成情况表(附表1) 序号 工 序 工 种 数 量 备 注 12345678边坡修整 成孔安装土钉锚杆安装钢筋网片注浆喷射混凝土 辅助施工 力工专业专业专业专业专业电焊工机械工 53252511四、主要施工机械设备 主要施工机械设备表(附表2) 序号名 称单 位数 量备 注123456789101112空气压缩机混凝土喷射机砂浆搅拌机注浆机锚杆钻孔切割机电焊机输料管风管铁锹辅助工具 台台台台台台台米把1111112302010若干17m

4、3/m3.5m3/h 五、工艺流程及施工要求从保证工程质量的重要性来看土钉墙施工是关键环节,其特点表现为作业时间长,施工难度大,受土体影响大。由于基坑已经开挖完成,所以无法开挖一步,支护一步,直至基坑底,只能一次性做支护处理。施工前设置位移观测点,施工期间应连续观测,直至施工完毕。 坡面采用483.0 11001000(水平),L=6000土钉墙支护,土钉墙共设46排。由于雨季即将到来,为了避免大量雨水的侵透,在基坑边与围墙之间的范围内需浇灌10cm厚的素砼,以达到隔水的目的。1、工艺流程 :1)、按设计要求制作锚管件,长度6米,并焊接89锥头。2)、搭设施工脚手架及施工平台。3)、修整坡面,

5、第一次喷射砼,厚度为3050mm。4)、用气动设备击入锚管,并控制入土角度10,用挤压泵对锚管件进行注浆。5)、铺设钢筋网片。6)、设置锁定锚头。7)、第二次喷射混凝土至设计厚度。8)、全部拆除脚手架。9)、养护后做锚杆抗拔试验。10)、边坡锚喷支护验收。2、施工要求: 1)、锚管每米设8注浆眼2个,并采用角钢倒角保护注浆眼。2)、土钉在基坑壁上呈梅花形布置,长度6米,钢筋网用8200200双向排列,各施工段之间必须焊接。3)、喷射砼采用干喷法,强度为C20,厚度为100mm,配合比为水泥:沙:石子=1:1.5:2,水量控制在最小回弹率为宜。4)、土钉注浆材料采用水泥浆,水灰比为0.5,水泥浆

6、应搅拌均匀,随拌随用。土钉及注浆锚管的注浆压为第一道为0.3Mpa终了不低于0.5Mpa ,并在稳压下持续压浆1分钟以上,确保注浆充盈。5)、根据锚杆喷凝土支护技术规范GBJ86-85第8.1.2条:每喷射50-100立方米混合料或小于50立方米混合料的独立工程,不得少于一组,每组试块不得少于3个,材料或配合比度更时,应另作一组,本工程试块为三组。六、工程施工质量保证措施:1、施工用材料必须符合设计要求,钢筋、锚管、水泥、砂等有质保单及报告。2、土钉锚管的定位应符合设计要求,土钉保护层厚度不小于30mm,孔位误差不大于100mm,其垂直方向用水准仪测量,横向距离用卷尺丈量,如遇特殊情况,由现场

7、负责人审定。3、保证土钉或锚管水平角度在10,锚杆角度由三角形支架来控制。4、锚管注浆采用挤压泵注浆,每根锚杆的注浆压力和注浆量应及时记录。5、配制浆液应符合设计要求,严格按配比正确配制。6、在喷砼前调整喷浆气压,喷砼气压根据喷砼的距离进行调整。7、喷射砼配合比按设计要求,和易性、坍落度(5-8cm)、用水量应保证砼达到级配要求,控制最小回弹率为准。在喷射砼施工中可根据坑壁土层含水量及土方开挖速度,适当添加2-5%的速凝剂。8、挖土方与我方应密切配合,分层分段开挖,每段不得大于20米,每次开挖深度低于同层土钉0.5m,待混凝土强度达到80%后方可进行下层开挖,严禁超挖或在上一层未加固完毕就开挖

8、下一层。9、严格控制基坑周边地面荷载,基坑周围堆载不得超过10Kpa。对基坑周边的地上建筑、地下工程及道路工程等应进行监测,采取预防保护措施。10、了解本地区类似场地已发生过的经验、教训,做好事故防范。11、施工期间随时密切注意气修、降雨、地震、降温等预报,以便做好相应防灾措施。七、安全生产、文明施工的技术组织措施 该支护工程具有离周边建筑物近、地质条件复杂、交叉作业、工期紧等特点,安全工作十分重要,严禁施工中在坡顶堆放材料及重物以免造成未成形的坡体滑移,各级管理人员应引起高度重视。 1、施工现场必须认真贯彻“安全第一,预防为主”的方针,坚持“管生产,必须管安全”的原则。建立安全管理生产责任制

9、。 2、建立并认真执行安全交底制度,班前安全活动制度。 3、进入施工现场施工人员必须戴好安全帽,现场临时搭设的脚手架,支撑杆必须稳固。 4、土方坍落和滑坡是本工程最容易发生的安全隐患。在危险处设置醒目警示标志。施工过程中设专人对边坡进行监测。 5、施工前应提前做好防雨准备工作,遇雨天应停止施工,对施工用材料、机具及坡面进行覆盖防护,雨后复工须认真检查边坡情况。决定是否有必要采取措施,之后才能施工。 6、施工现场要做到及时清理,保持场容整洁,道路畅通。 7、施工期间严格遵守安全用电操作规程。 8、认真贯彻执行国家有关安全生产和文明施工的规定,确保支护施工的顺利进行。 八、施工中注意的问题 1、土

10、方开挖已经完成为了后应尽量减少基坑边坡暴露时间,应尽快对边坡进行支护。 2、成孔时遇砾石、砖块、管网或地下构筑物时,孔位及其下倾角可以调整,如遇到砾石层可改用钢管做锚杆。 3、护坡坡脚的处理:喷射混凝土面层伸入基坑底标高下至少0.2m,以形成护脚。 4、基坑支护完毕,甲方应及时进行后序施工,同时做好有序排水,防止水浸渗入坡脚底下。 九、应急措施 支护施工完成至基坑回填之前,如遇暴雨洪水等,必须将施工人员设备撤离现场,支护坡面上需覆盖蓬布以免造成塌方,同时增加监测次数,并做好相应的措施(如临时回填或在坡脚增加堆载)防止滑坡。如遇重物垂落,需要修复的地方,重新喷射砼或抹水泥砂浆,防止雨水灌入,造成不必要的损失。

展开阅读全文
相关资源
猜你喜欢
相关搜索

当前位置:首页 > 建筑/环境 > 设计及方案

copyright@ 2008-2023 1wenmi网站版权所有

经营许可证编号:宁ICP备2022001189号-1

本站为文档C2C交易模式,即用户上传的文档直接被用户下载,本站只是中间服务平台,本站所有文档下载所得的收益归上传人(含作者)所有。第壹文秘仅提供信息存储空间,仅对用户上传内容的表现方式做保护处理,对上载内容本身不做任何修改或编辑。若文档所含内容侵犯了您的版权或隐私,请立即通知第壹文秘网,我们立即给予删除!