某管井降水工程安全施工方案.doc

上传人:p** 文档编号:949386 上传时间:2024-05-16 格式:DOC 页数:22 大小:759.88KB
下载 相关 举报
某管井降水工程安全施工方案.doc_第1页
第1页 / 共22页
某管井降水工程安全施工方案.doc_第2页
第2页 / 共22页
某管井降水工程安全施工方案.doc_第3页
第3页 / 共22页
某管井降水工程安全施工方案.doc_第4页
第4页 / 共22页
某管井降水工程安全施工方案.doc_第5页
第5页 / 共22页
某管井降水工程安全施工方案.doc_第6页
第6页 / 共22页
某管井降水工程安全施工方案.doc_第7页
第7页 / 共22页
某管井降水工程安全施工方案.doc_第8页
第8页 / 共22页
某管井降水工程安全施工方案.doc_第9页
第9页 / 共22页
某管井降水工程安全施工方案.doc_第10页
第10页 / 共22页
亲,该文档总共22页,到这儿已超出免费预览范围,如果喜欢就下载吧!
资源描述

《某管井降水工程安全施工方案.doc》由会员分享,可在线阅读,更多相关《某管井降水工程安全施工方案.doc(22页珍藏版)》请在第壹文秘上搜索。

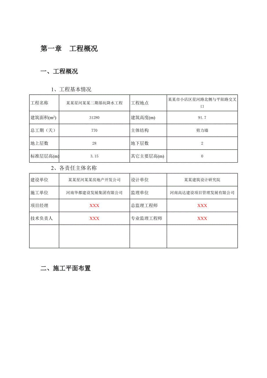
1、某某星河某某二期基坑降水工程管井降水安全专项施工方案编制人: 职务: 校对人: 职务: 审核人: 职务: 审批人: 职务: xxxxxxxxxxxxxxxxxx目 录第一章 工程概况3一、 工程概况3二、 施工平面布置4三、 施工要求4四、 技术保证条件4第二章 编制依据5第三章 施工计划6一、 施工进度计划6二、 材料与设备计划6第四章 施工工艺技术7一、 技术参数7二、 工艺流程7三、 施工方法8四、 检查验收10第五章 施工安全保证措施11一、 组织保障11二、 技术措施14三、 监测监控17四、 应急预案17第六章 劳动力计划19一、 专职安全生产管理人员19二、 所需劳动力安排19第

2、七章 计算书及相关图纸20一、 计算书20二、 节点图22第一章 工程概况一、 工程概况1、工程基本情况工程名称某某星河某某二期基坑降水工程工程地点某某市小店区星河路北侧与平阳路交叉口建筑面积(m2)31280建筑高度(m)91.7总工期(天)770主体结构剪力墙地上层数28地下层数2标准层层高(m)3.15其它主要层高(m)02、各责任主体名称建设单位某某星河某某房地产开发公司设计单位某某建筑设计研究院施工单位河南华都建设发展集团有限公司监理单位河南高达建设项目管理发展有限公司项目经理XXX总监理工程师XXX技术负责人XXX专业监理工程师XXX二、 施工平面布置三、 施工要求1、确保施工过程

3、中人员安全,以及施工质量可靠。2、降水施工进度应符合施工要求。3、施工前对施工人员进行技术交底,严禁盲目施工。四、 技术保证条件 1、安全网络2、降水井的施工布置需严格执行该专项施工方案。第二章 编制依据1、建筑基坑支护技术规程JGJ 120-20122、建筑与市政降水工程技术规范JGJ/T111-983、建筑施工计算手册江正荣编著4、基坑降水手册姚天强编著5、施工现场临时用电安全技术规范JGJ 46-20056、建筑施工安全检查标准JGJ59-20117、危险性较大的分部分项工程安全管理办法建质200987号文8、本工程施工图纸9、本工程施工组织设计10、岩土勘查报告第三章 施工计划一、 施

4、工进度计划二、 材料与设备计划1、材料计划 主要材料用量表序号项目型号数量备注1无砂滤水管xxm2150PVC管xxm连接成排水管网3砂料或碎石xxT滤料2、设备计划主要设备用表序号设备名称规格型号单位数量备注1钻机设备(回转/冲击钻机)台12高压水泵100TSW-7台13离心水泵QJD-60台24污水泵套15泥浆泵台16电焊机BX3-500台2第四章 施工工艺技术一、 技术参数管井类型选择疏干井过滤器半径s(m)0.1管井半径w(m)0.2过滤器进水部分长度l(m)2基坑开挖类型放坡开挖基坑边界条件潜水层完整井基坑开挖深度D(m)2.6基坑抗压土层厚度Hs(m)3含水层厚度H(m)8地下静水

5、位埋深dw(m)0.5基坑中心处水位与基坑设计开挖面的距离S(m)0.5二、 工艺流程井点放线定位钻孔井管安装填管壁缝隙料洗井安装抽水设备抽水试验铺设排水总管及沉砂池联网抽水。三、 施工方法管井降水1、施工前准备(1)调查地下管网情况,并进行醒目标识;调查施工场地上方高压线,对机具施工影响;(2)调查排水及排污情况;(3)调查周边建筑物情况,降水对其影响作用大小。(4)场地具备“三通一平”条件,即路通、水通、电通及场地平整;(5)机具设备进场(6)材料进场,并进行检验验收;2、技术准备(1) 首先进行图纸会审,一般应着重分析,地基处理设计与岩土工程勘察报告是否相符、桩位布置图与结构基础平面图是

6、否对应;基础的标高以及施工工艺设计是否符合实际等。(2) 收集详细的岩土工程勘察资料、上部结构及基础设计资料等;(3) 结合工程情况,了解当地地基处理经验及施工条件,对于有特殊要求的工程,尚应了解其他地区相似场地同类工程的地基处理经验和使用情况等;(4) 调查邻近建筑、地下工程和有关管线等情况,并做好醒目标识;(5) 了解建筑场地的环境情况;(6) 其次是备齐相关规程、规范、标准、法规等,配备测量、检测、试验用仪器和工具等。(7) 最后还应做好高程点的引测与定位,做好坐标点、水准点的引入。(8) 设备进场前详细进行现场勘察,了解场地情况及周边环境优劣,以利施工。(9) 了解水源,电力位置及最大

7、可用量,并将施工总用电量通知现场电工,配合其合理安排,现场临时用电的管线架设,落实按插电箱,以利安全用电。(10) 开挖沟槽,根据井点平面布置图所示,具体位置开挖1.5米左右沟槽,深度以见原土质为准。3、施工方法(1)井点放线定位根据设计单位提供的测量控制点,测量放线确定井点位置,对井点进行开挖,挖一个小土坑,深大约500mm,以便于开孔时集水、埋管时灌砂,并用水沟将小坑与集水坑连接,以便排泄多余水。(2)钻孔钻孔施工易缩钻孔的松软地层,钻探施工采用稀泥浆钻进;对于不易产生塌缩孔的地段采用长螺旋钻机施工成孔。钻孔至设计深度达到设计孔深后,冲洗钻孔,稀释泥浆。在施工过程中若发现地层泥浆不能满足护

8、壁要求时,则须进行护壁性能好的红粘土或进行人工造浆。井径不小于800mm,井孔应保持圆正垂直,孔深与设计井深误差小于300mm。(3)吊放井管降水井井管采用无砂混凝土管,在混凝土预制托底上入置井管,在底部中间设导中器,四周栓8号铁丝,缓缓下放,当管口与井口相差200mm时,接上节并管,接头处用玻璃丝布粘贴,以免挤入混砂淤塞井管,竖向用2 4条3Omm宽竹条固定井管。为防止上下节错位,在下管前将井管依方向立直。吊放井管要垂直,并保持在井孔中心,为防雨水泥砂或异物流入井中,井管高出地面200mm,井口加盖。(4)填料井孔成型后,以防砂石或其他杂物进入孔壁周围填灌砂砾石滤层。井管下入后立即填入滤料。

9、滤料沿井孔四周均匀填入,宜保持连续,将泥浆挤出井孔。填滤料时,应随填随测滤料填入高度,当填入量与理论计算量不一致时,及时查找原因,不得用装载机直接填料,应用铁锹下料,以防不均匀或冲击井壁。(5)洗井成井后,用污水泵反复进行恢复性抽洗,洗至水清砂净为止。(6)装抽水设备安装水泵及排水管,排水管就近接入排水渠或下水道。每一口井内采用尼龙绳放置一台潜水泵,铺设电缆和电闸箱,安装漏电保护系统。(7)水试验试抽及检查抽水设备及发电机具,井点安装完成后,进行试抽,当抽水设备运行正常后,抽水管路无漏水情况等,即可进入正常抽水施工。(8)水管网做为排水主管路采用150PVC管,每58m设托台,排水管居中放置。

10、排水管网进入市政管线接口处设置沉淀池,沉淀池可采用铁桶,若采用砌砖池,须做防水处理。(9)抽降联网抽降后应视水位变化情况,有效的合理的启动水泵。(10)水位观测抽水前应进行静止水位的观测,抽水初期每天早晚7点观测2 次,水位稳定后应每天观测1次。 四、 检查验收(1)施工前应有降水设计。当在基坑外降水时,应有降水范围的估算,对重要建筑物公共设施在降水过程中应监测。(2)降水系统运转过程中应随时检查观测孔中的水位。(3)降水施工的质量检验标准见下表。降水与排水施工质量检验标准(GB50202-2002表7.8.6)序号检查项目允许值或允许偏差检查方法单位数值1排水沟坡度12目测:坑内不积水,沟内

11、排水畅通2井管(点)垂直度%1插管时目测3井管(点)间距(与设计相比)%150用钢尺量4井管(点)插入深度(与设计相比)200水准仪5过滤砂砾料填灌(与设计相比)5检查回填料用量(4) 成品保护1)管井成孔后,应立即下井点管并填入豆石滤料,以防塌孔。不能及时下井点管时,孔口应盖盖板,防止物件掉入井孔内堵孔;2)降水井管埋设后,管口要用木塞堵住,以防异物掉入管内堵塞;3)井点使用应保持连续抽水,并设备用电源,以避免泥渣沉淀淤管;第五章 施工安全保证措施一、 组织保障1、安全保证体系2、环境保护体系二、 技术措施1、施工材料及施工要求(1)滤料为水洗砂料或碎石,粒径为25mm,含泥量5% ;(2)

12、井管为内径380mm无砂滤水管;(3)150PVC管采用接头及三通接头连接成排水管网;(4)潜水泵采用20的塑料水管接通到150PVC排水管三通内;(5)托台采用标准砖1:3水泥砂浆砌筑,高度随主排水管道的坡度砌筑。2、施工准备阶段的控制措施(1)重视维护,保障设备能力1) 设备进场前应进行检修和维护保养,确保进场设备的完好,保障设备能正常运行,并经验收合格后方可开工。2) 配备必要的机修器具、零配件和消耗性材料,做好运行阶段的日常保养,确保主机设备在施工期间的正常运行能力,保障施工顺利进行。并及时做好设备运转、保养、维修工作记录表。3) 现场设备必须进行开工前的试运行验收,并挂牌标示验收状态

13、。计量器具应经计量检定,确保在有效使用期内,并及时做好计量器具周期校准、检定计划表,以保证量测数据的准确性。未经验收合格的机械设备和计量器具不得投入使用。(2)精心编制施工方案施工方案设计须经总工审批,提交施工监理审批后,才可投入使用。(3)层层交底,人人参与施工前,项目部各类管理人员须做好向作业层全体人员的技术、质量、安全和文明施工交底工作,使参加施工的每一个人都知道应该做什麽,怎样去做好。尽量调动每一个人的积极性,争取实施施工中的全面、全员、全过程的质量控制。(4)人员培训1) 项目部全体人员应参加各种对口业务培训,持证上岗。2) 项目经理须有岗位资质证书。3) 关键岗位人员须经培训取得合格证书。4) 特种作业人员须持合格证书上岗。5) 新工人须按有关要求参加就业安全培训后方可上岗。6) 全体员工应认真学习质量体系文件,根据所承担要素的职责要求精心施工,不断提高质量意识。(5)设备选型针对本工程的特点,选择适合本工程施工条件及能满足本次降水要求的洗井、降水的机械设备(具体设备见“机械设备配置表”);3、施工阶段的控制措施(1)做好每一道工序的检查验收:施工交接班质量检验要贯彻下岗检查的规定,

展开阅读全文
相关资源
猜你喜欢
相关搜索

当前位置:首页 > 建筑/环境 > 设计及方案

copyright@ 2008-2023 1wenmi网站版权所有

经营许可证编号:宁ICP备2022001189号-1

本站为文档C2C交易模式,即用户上传的文档直接被用户下载,本站只是中间服务平台,本站所有文档下载所得的收益归上传人(含作者)所有。第壹文秘仅提供信息存储空间,仅对用户上传内容的表现方式做保护处理,对上载内容本身不做任何修改或编辑。若文档所含内容侵犯了您的版权或隐私,请立即通知第壹文秘网,我们立即给予删除!