模板工程施工技术交底1.doc

上传人:p** 文档编号:949879 上传时间:2024-05-17 格式:DOC 页数:11 大小:179.50KB
下载 相关 举报
模板工程施工技术交底1.doc_第1页
第1页 / 共11页
模板工程施工技术交底1.doc_第2页
第2页 / 共11页
模板工程施工技术交底1.doc_第3页
第3页 / 共11页
模板工程施工技术交底1.doc_第4页
第4页 / 共11页
模板工程施工技术交底1.doc_第5页
第5页 / 共11页
模板工程施工技术交底1.doc_第6页
第6页 / 共11页
模板工程施工技术交底1.doc_第7页
第7页 / 共11页
模板工程施工技术交底1.doc_第8页
第8页 / 共11页
模板工程施工技术交底1.doc_第9页
第9页 / 共11页
模板工程施工技术交底1.doc_第10页
第10页 / 共11页
亲,该文档总共11页,到这儿已超出免费预览范围,如果喜欢就下载吧!
资源描述

《模板工程施工技术交底1.doc》由会员分享,可在线阅读,更多相关《模板工程施工技术交底1.doc(11页珍藏版)》请在第壹文秘上搜索。

1、技术交底记录施表7.2 工程名称Xx工程施工单位xx公司交底提要:模板工程交底内容:一、 施工准备(一) 作业条件1、 模板设计:根据工程结构型式和特点及现场施工条件,对模板进行设计,确定模板平面布置,纵横龙骨规格、数量、排列尺寸,柱箍选用的型式和间距,梁板支撑间距,梁柱节点、主次梁节点大样。验算模板和支撑的强度、刚度及稳定性。模板的数量应在模板设计时按流水段划分,进行综合研究,确定模板的合理配制数量。2、 模板拼装:(1) 拼装场地夯实平整,条件许可时可设拼装操作平台。(2) 按模板设计图尺寸,采用沉头自攻螺丝将竹胶板与方木拼成整片模板,按缝处要求附加小龙骨。(3) 胶合模板锯开的边及时用防

2、水油漆封边两道,防止胶合模板使用过程中开裂、起皮。3、 模板加工好后,专人认真检查模板规格尺寸,按照配模图编号,并均匀涂刷隔离剂,分规格码放,并有防雨、防潮、防砸措施。4、 放好轴线、模板边线、水平控制标高,模板底口平整、坚实,若达不到要求的应做水泥砂浆找平层,柱子加固用的地锚己预埋好且可以使用。5、 柱、梁板钢筋绑扎完毕,水电管线及预埋件已安装,绑好钢筋保护层垫块,并办理好隐蔽验收手续。二、 模板支撑体系设计(一) 柱模板1、 采用18mm竹胶合板,模板在木工车间制作施工现场组拼,竖向内楞采用483.5 钢管,柱箍采用483.5 钢管,柱截面B方向间距280mm,柱截面H方向间距260mm,

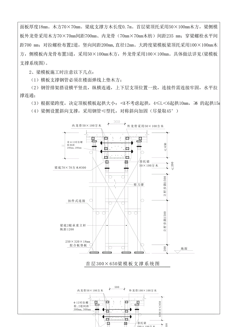
3、柱箍的间距为500mm,用可回收的m12普通穿墙螺栓加固,四周加钢管抛撑。柱边角处采用木板条找补海棉条封堵,保证楞角方直、美观。斜向支撑,起步为150mm,每隔1500mm 一道,采用双向钢管对称斜向加固(尽量取45),柱与柱之间采用拉通线检查验收。柱模木楞盖住板缝,以减少漏浆。(二)梁模板1、模板支架立杆的纵距(跨度方向) l=1.20m,立杆的步距 h=1.50m,梁底增加2道承重立杆。面板厚度18mm。木方7070mm。梁底支撑方木长度0.7m。首层梁顶托采用50100mm木方,梁侧模板外龙骨采用木方7070mm间距700mm、内龙骨(70mm70mm木枋)间距235 mm;穿梁螺栓水平

4、间距700 mm;对拉螺栓布置2道,竖向间距200mm,直径12mm。大跨度梁模板梁顶托采用100100mm木方,侧模板内龙骨布置3道,采用50100mm木方,外龙骨采用100100mm。具体做法详见(梁模板支撑系统图)。2、梁模板施工时注意以下几点: (1)横板支撑钢管必须在楼面弹线上垫木方; (2)钢管排架搭设横平竖直,纵横连通,上下层支顶位置一致,连接件需连接牢固,水平拉撑连通; (3)根据梁跨度,决定顶板模板起拱大小:4不考虑起拱,4L6起拱10mm,6 的起拱15mm; (4)梁侧设置斜向支撑,采用钢管+U型托,对称斜向加固(尽量取45)(三)板模板1、模板支架立杆的纵距 b=1.2

5、0m,立杆的横距 l=1.20m,立杆的步距 h=1.50m。面板厚度18mm。板底木方7070mm,间距300mm。梁顶托采用100100mm木方。 2、楼板模板施工时注意以下几点: (1)横板支撑钢管必须在楼面弹线上垫木方; (2)钢管排架搭设横平竖直,纵横连通,上下层支顶位置一致,连接件需连接牢固,水平拉撑连通; (3)模板底第一排楞需紧靠墙板,如有缝隙用密封条封孔,模板与模板之间拼接缝小于1mm,否则用腻子封条; (4)根据房间大小,决定顶板模板起拱大小:4 开间不考虑起拱,4L6起拱10mm,6 的起拱15mm; (5)模板支设,下部支撑用满堂脚手架支撑下垫垫板。顶板纵横格栅用压刨刨

6、成同样规格,并拉通线找平。特别是四周的格栅,弹线保持在同一标高上,板与格栅用50mm 长钉子固定,格栅间距300mm,板铺完后,用水准仪校正标高,并用靠尺找平。铺设四周模板时,与墙齐平,加密封条,避免墙体吃模,板模周转使用时,将表面的水泥砂浆清理干净,涂刷脱模剂,对变形和四周破损的模板及时修整和更换以确保接缝严密,板面平整;模板铺完后,将杂物清理干净,刷好脱模剂。 (6)从墙根起步300mm 立第一根立杆以后按900mm 和1200mm 的间距立支撑,这样可保证立柱支撑上下层位置对应。水平拉杆要求设上、中、下三道,考虑到人行通道,在支撑中留一条通道,中、下两道水平不设(在顶板支撑完善之后拆除部

7、分横杆形成人行通道)。 (四)后浇带模板安装本工程中设计要求后浇带混凝土控制在主体结构混凝土封顶后浇筑,如果按常规施工,这一工序的滞后完成,特别是其底模板和支撑体系的晚拆除,会对后续施工工序产生影响,因此,我们拟采取后浇带区域与其他部分的支撑体系按“自成体系、互不影响”的原则搭设,见图(1),在主体结构底模板拆除时,后浇带区域的模板和支撑不受邻近单元模板支撑拆卸影响(上部结构后浇带处支模架也按此施工)。具体施工时按后浇带两边各1500mm范围内的梁板在支设与临近模板及支撑体系相分离,使后浇带下面支撑形成稳定的独立体系;这部份模板留到待后浇带混凝土浇灌后,再强化蓄水养护28天后才与后浇带模板一同

8、拆除。具体如下图所示: 后浇带模板(五)楼梯摸板楼梯梁模、踏步挡板、底模均采用18mm厚多层板及方木势1:1现场拼装。主龙骨采用100100mm方木,间距不大于1200mm,次龙骨选用50100mm方木,间距不大于300mm。详见下图(六)洞口模板洞口模板采用50mm厚方木,面板粘贴12mm厚多层板,制作成拆装式模板,具体详见图。(七)剪刀撑布置在支架四边、主梁底两侧与中间每隔四排支架立杆设置一道纵向剪刀撑,由底至顶连续布置。在支架两端及中间每隔四排立杆从顶层开始向下每隔2步设置一道水平剪刀撑。所有钢管连接均采用配套扣件连接(其中立杆的连接必须采用对接,水平杆的连接尽量采用对接,剪刀撑必须采用

9、搭接)。(具体见支撑体系平面布置图)支架顶部支撑采用可调顶托,顶托螺杆伸出长度不宜超过200mm。凡螺杆伸出长度超过规范要求时必须加设纵横钢管水平拉杆一道,其立杆承载力应按规范要求作相应折减。(八)高大模板支撑体系设计 首层AB轴交58轴层高为9.9m,首层支撑坐落于首层地面,地面采用砂砾土回填,经压实机分层夯实,夯实系数不小于0.94。四层及屋面梁板CF轴交58轴跨度为19.1m24m,四层层高为4.5m,屋面层高为4.2m。其模板体系为高大模板支撑体系。高大模板支架搭设除因满足上述要求外还须满足下列要求:1、支设立杆的地基应平整坚实。施工总荷载大于10kN/m2,或集中线荷载大于15kN/

10、m 的模板工程,当立杆落在地面时,须增设强度不低于C10、厚度不少于100mm的砼垫层;当立杆落在楼面时,楼面下采取可靠的支顶措施。2、每根立杆底部应设置木垫板,垫块长宽不小于150mm、厚度不小于18mm。立杆接长必须对接,严禁搭接。立杆步距不应超过1.5m。立杆顶部采用可调顶托受力,不得采用横杆受力,且顶托距离最上面一道水平杆不宜超过300mm。当超过300mm时,需采取可靠措施固定。立杆垂直度偏差应不大于1/500H(H为架体总高度),且最大偏差应不大于50mm。3、架体必须连续设置纵、横向扫地杆和水平杆,纵向扫地杆应采用直角扣件固定在距底座上皮不大于200mm处的立杆上,横向扫地杆应采

11、用直角扣件固定在紧靠纵向扫地杆下方的立杆上。架体四边与中间沿纵、横向全高全长从两端开始每隔四排立杆应设置一道剪刀撑。每道剪刀撑宽度不应小于4跨,且不应小于6m,斜杆与地面倾角应在45度60度之间,剪刀撑斜杆与立杆或水平杆的每个相交处应采用旋转扣件固定。架体两端与中间沿水平方向全平面每隔四排立杆从顶层开始向下每隔2步应设置一道水平剪刀撑。剪刀撑的构造应符合上款的规定。架体四周与建筑物应形成可靠连接,以减少架体搭设高度对稳定性的不利影响。竖直方向沿柱高不大于4m设置一道抱柱箍,水平方向按每根结构柱设置一道抱柱箍。4、立杆、水平杆、剪刀撑斜杆的接头应错开在不同的框格层中设置,两根相邻立杆的接头不应设

12、置在同步内,同步内隔一根立杆的两个相隔接头在高度方向错开的距离不小于500mm;各接头中心至主节点的距离不大于步距的1/3;模板支撑体系杆件不得与外脚手架、卸料平台等连接。5、所有的节点必须都有扣件连接,不得遗漏。扣件的拧紧扭力矩应控制在4560Nm之间。6、为了减少架体搭设高度对稳定性的不利影响,高大模板支架采取与四周结构柱进行可靠连接,在竖直方向沿柱高不大于4m设置一道抱柱箍,水平方向按每根结构柱设置一道抱柱箍;为防止对框架柱产生局部冲切, 抱柱箍必须与框架柱四面接触使其整体受力。(具体见抱柱箍立面图、剖面图)二、操作工艺(一) 基础模板根据图纸尺寸制作承台模板,安装承台模板,核对模板墨线

13、和标高,配合绑扎钢筋,重新核对墨线各部位尺寸,并把斜撑和水平撑及拉杆钉紧、撑牢,最后检查拉杆是否稳固,较核基础模板几何尺寸及轴线位置。(二) 柱模板1、按图纸尺寸制作柱侧模板(外侧板宽度要加大两倍,内侧模板厚)。拼柱模时,以梁底标高为准,由上往下配模,不符合模数部分放到柱根部位处理。配模时应同时考虑柱底预留清扫口。梁柱接头处的模板,应采用预拼整体安装和整体拆除,不得使用小块模板拼凑。模板制作完成后,刷水溶性隔离剂,不得使用废机油。2、按弹出的柱的中心轴线及四周边线,在柱脚预埋短钢筋上焊双向钢筋或限位角钢用以限制侧模内收(限位钢筋不得焊在墙柱主筋上),再根据测量柱钢筋骨架上标高在柱脚外围抹水泥砂

14、浆找平层来调整柱脚标高(柱脚砼面应在浇筑梁板砼时一次性抹平),并作为标高定位的基准。3、按放线位置钉好压脚再安装模板,内紧靠柱脚限位钢筋,以防止柱脚轴线偏移。 4、支模时,其中的一片初步校正稳定,然后依序安装,合围后,先加固上、下两道箍后进行全面校正、加固。校正完毕,及时架设柱间斜向拉杆或支撑,柱模每边设2根方木拉杆,固定于预埋钢筋上,拉杆与地面夹角宜为45。通排柱模板安装时,应先将柱脚相互搭牢固定,再将两端模板找正吊直,固定后,拉通线校正中间各柱模板。5、柱模在模板全部加固完毕后,需及时在浇筑砼前对其垂直度、尺寸、形状、轴线、标高等进行技术复核。砼浇筑时,宜中间柱开始浇筑,再对称向四周浇筑,以免浇筑砼时偏斜。6、每个柱脚应预留6080清扫口,清扫口在清理卫生后,立即封闭。梁柱接头处柱模在砼施工缝处预先钻孔,留作柱头卫生及清理泄水之用。(三)梁模板1、扣件式钢管支撑体系须梁板模安装前搭设完毕。架设支撑前,应先在结构板上弹出门架的支撑位置,使上下层模板支撑位于同一竖向中心线上。并铺设垫木。当层高4.5m时,另加两道斜撑拉杆交叉斜撑,使钢管支撑体系连成一片,提高整体稳定性;2、梁模板定位:采用柱模板上口直接开口定位和通过楼面上放样墨线用线

展开阅读全文
相关资源
猜你喜欢
相关搜索

当前位置:首页 > 建筑/环境 > 设计及方案

copyright@ 2008-2023 1wenmi网站版权所有

经营许可证编号:宁ICP备2022001189号-1

本站为文档C2C交易模式,即用户上传的文档直接被用户下载,本站只是中间服务平台,本站所有文档下载所得的收益归上传人(含作者)所有。第壹文秘仅提供信息存储空间,仅对用户上传内容的表现方式做保护处理,对上载内容本身不做任何修改或编辑。若文档所含内容侵犯了您的版权或隐私,请立即通知第壹文秘网,我们立即给予删除!