马鞍山市博望中学教学楼土建工程外墙外保温施工方案.doc

上传人:p** 文档编号:951006 上传时间:2024-05-20 格式:DOC 页数:20 大小:742KB
下载 相关 举报
马鞍山市博望中学教学楼土建工程外墙外保温施工方案.doc_第1页
第1页 / 共20页
马鞍山市博望中学教学楼土建工程外墙外保温施工方案.doc_第2页
第2页 / 共20页
马鞍山市博望中学教学楼土建工程外墙外保温施工方案.doc_第3页
第3页 / 共20页
马鞍山市博望中学教学楼土建工程外墙外保温施工方案.doc_第4页
第4页 / 共20页
马鞍山市博望中学教学楼土建工程外墙外保温施工方案.doc_第5页
第5页 / 共20页
马鞍山市博望中学教学楼土建工程外墙外保温施工方案.doc_第6页
第6页 / 共20页
马鞍山市博望中学教学楼土建工程外墙外保温施工方案.doc_第7页
第7页 / 共20页
马鞍山市博望中学教学楼土建工程外墙外保温施工方案.doc_第8页
第8页 / 共20页
马鞍山市博望中学教学楼土建工程外墙外保温施工方案.doc_第9页
第9页 / 共20页
马鞍山市博望中学教学楼土建工程外墙外保温施工方案.doc_第10页
第10页 / 共20页
亲,该文档总共20页,到这儿已超出免费预览范围,如果喜欢就下载吧!
资源描述

《马鞍山市博望中学教学楼土建工程外墙外保温施工方案.doc》由会员分享,可在线阅读,更多相关《马鞍山市博望中学教学楼土建工程外墙外保温施工方案.doc(20页珍藏版)》请在第壹文秘上搜索。

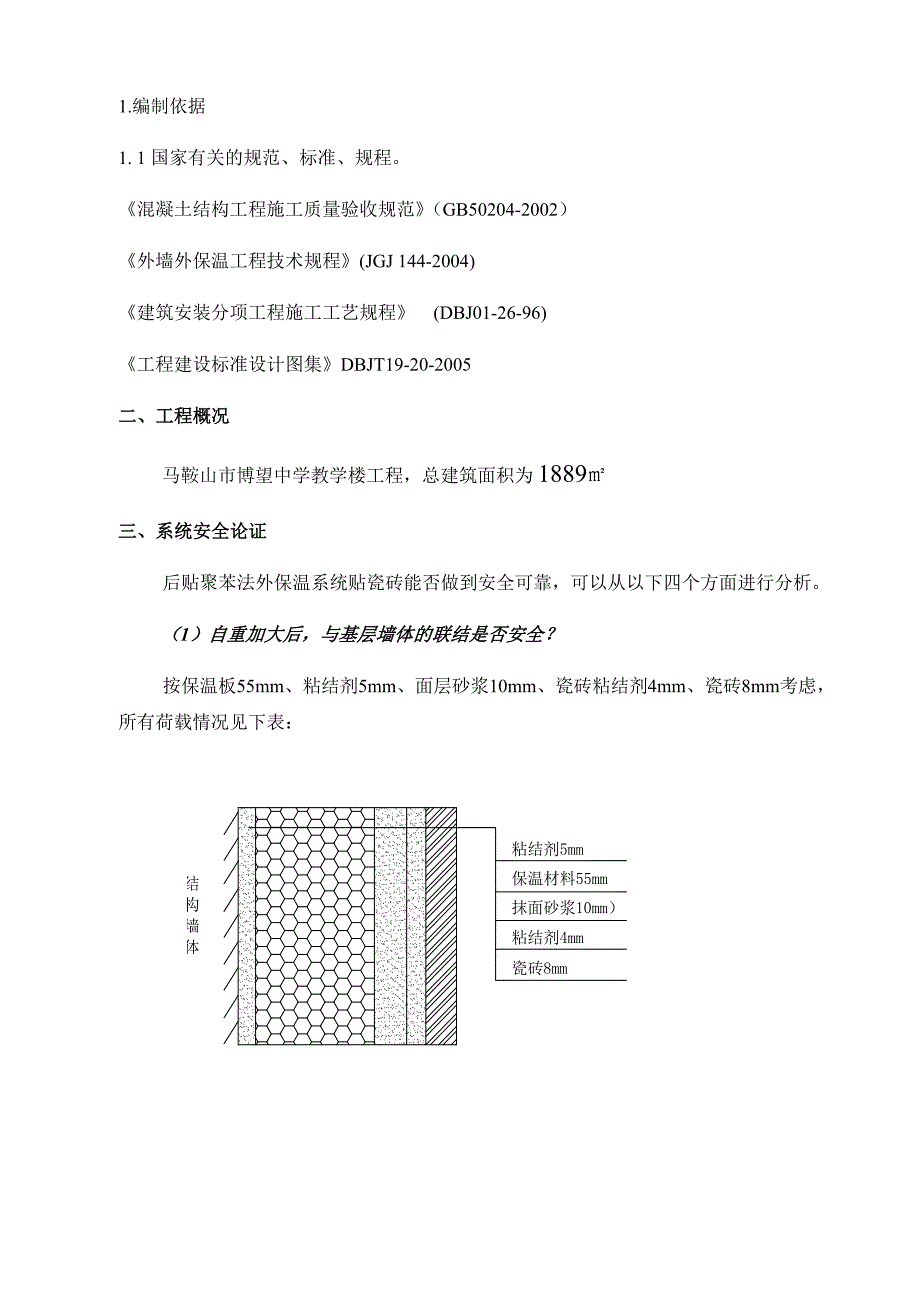
1、外墙外保温施工方案编制: 审核: 审批: 年 月 日目 录一、编制依据二、工程概况三、系统安全论证四、工艺做法五、施工准备六、质量标准和质量控制七、部分节点处理1.编制依据 1. 1国家有关的规范、标准、规程。 混凝土结构工程施工质量验收规范(GB50204-2002) 外墙外保温工程技术规程(JGJ 144-2004) 建筑安装分项工程施工工艺规程 (DBJ01-26-96)工程建设标准设计图集DBJT19-20-2005二、工程概况马鞍山市博望中学教学楼工程,总建筑面积为1889三、系统安全论证后贴聚苯法外保温系统贴瓷砖能否做到安全可靠,可以从以下四个方面进行分析。(1)自重加大后,与基层

2、墙体的联结是否安全?按保温板55mm、粘结剂5mm、面层砂浆10mm、瓷砖粘结剂4mm、瓷砖8mm考虑,所有荷载情况见下表: 材 料质量kg/m2力臂mm弯矩N-m弯矩造成最大拉力kN/100高度最大负风压kN/拉力组合kN/粘结剂72.50.1750.213.533.74聚苯板1350.35抹面砂浆185012.60瓷砖和胶粘剂268121.06共计5234.19(郑州地区100m高度处建筑物负风压墙面为1.96kN/,阳角处为3.53kN/)表中数据说明,自重52/m2,即0.52kN/m2,相对于风压,重力大约只有风压的1/7;在组合拉力中,相对于风压而言,弯矩引起的拉力可以忽略不计。本

3、系统靠粘结力和机械锚固力同结构墙体联成一体,最薄弱处为砂浆同苯板联结处,其压剪粘结力用以克服重力,拉伸粘结力用以抵抗风压和重力弯矩引起的拉力。项 目规程要求实测值粘 结 力MPa(kN/m2)抗 剪0.1(100)0.18(180)拉 伸0.1(100)0.17(170)联结安全系数克服重力192346抵抗负风压2848施工时,粘结剂采用点框法涂抹施工,非满粘做法,要求粘结面积不小于50%,这样的情况下,以上安全系数取一半,也还是有很大的富余。另外,还要求苯板粘贴完毕后进行锚固,每平米68套锚固件,单个锚固件拔出力就为0.6kN,所以实际上抵抗自重和风压的安全系数还能更高。(2)自重加大后,聚

4、苯板受剪变形加大,如何避免水平裂缝?聚苯板为轻质材料,长期受外侧大自重荷载作用易发生垂直方向的变形。因为缺乏聚苯板剪切模量的数据,没有做受剪变形的实际测试,所以不清楚到底有多大变形量,但可以采取一些构造措施来避免可能出现的水平裂缝。如:a)适当增加聚苯板的表观密度(容重),提高压缩强度,增加其抗变形能力。密度为18kg/m3苯板,其压缩强度为98kPa,密度为25kg/m3苯板,其压缩强度为150kPa,所以可选用22-25kg/m3苯板作为保温材料。b)在适当部位(如每隔2楼层)安装一道(间断的)托架,托住瓷砖或抹面砂浆以减轻荷载。当然,要合理选择托架的材料和截面尺寸,尽量减小其热桥影响。c

5、)收缩缝表层填充弹性密封膏吸收变形。d)适当增加锚栓数量并把锚栓施加于增强网之外。e)把聚苯板粘结面积增加到50%。(3)能否达到瓷砖拉拔强度0.4Mpa的要求?根据JGJ 126-2000外墙饰面砖工程施工及验收规程和JGJ 110-97建筑工程饰面砖粘结强度检验标准的规定,外墙饰面砖粘结强度(现场拉拔)每组(3件)平均不应小于0.4MPa,且每组可有一个试件粘结强度小于0.4 MPa,但不应小于0.3 MPa。0.4 MPa=400 kN/m2。而根据前面分析,对瓷砖饰面做法,郑州地区100m标高处,外保温系统受到的外荷载分别是重力0.52 kN/m2和风压3.53 kN/m2。为什么检验

6、标准的指标这么高?JGJ 110-97在条文说明中解释了依据:“外墙饰面砖粘结强度指标值的确定,一是根据在当地不同气候条件下对不同工程的实测和试验室的验证。具体的讲是从以下几方面考虑:气候的特征。具体做法是当地作试件实测统计分析,使之满足建筑气候区域划分标准GB50718的气候特征要求。工程现场和试验室两类试件的统计分析,分别求出饰面砖脱落的临界值,及未脱落的指标值,并确定其概率。对饰面砖进行力学计算,考虑面砖的吸水率、温度变形、风压的正负作用,并按设计周期50年计算,确定其指标值。急冷急热、耐候作用、台风作用的饰面砖强度指标确定。综合以上因素,确定标准指标值。二是参照了日本建设大臣官房厅营缮

7、部监修建筑工事共通仕样书的第11.2.1和11.2.7条款及建筑工事施工监理指针第11.5.2条款(a)和(b)条的粘结强度指标值。”在拉拔强度问题上,瓷砖直接粘在结构墙体上还是粘在外保温系统上没有本质区别。从受力角度讲,只要现场拉拔强度不低于0.4 MPa,在高层建筑(标高一般不超过100m)上粘贴瓷砖是安全的,即使在基本风压高达0.85kN/m2的珠海也是如此。不仅在地处寒冷地区是如此,而且在地处严寒地区也是如此。除了外保温抹面砂浆和瓷砖胶粘剂要满足一定要求外,增强网的选择至关重要。在用玻纤网增强的试件中,破坏面一般都发生在玻纤网的位置上,玻璃纤维很少被拉断,拉拔强度一般在0.30.4MP

8、a左右。玻纤网的存在使外保温系统不能很好地形成一个整体,玻纤表面的涂覆层削弱了抹面砂浆应有的抗拉强度。而采用钢丝网的拉拔强度均大于0.4MPa,可以满足标准要求。拉拔强度(MPa)的耐久性编号增强网砂浆厚度mm拉拔时龄期34天24月10.925.412-130.53(无网3个月0.33)0.65(无网0.53)20.912.712-130.510.813杰邦554-50.340.494*0.925.410-110.380.50*两次抹灰间隔时间较长,未做界面处理。可见,a)因为有增强网(不论是玻纤网还是钢丝网)的存在,瓷砖拉拔强度远大于聚苯板本身的抗拉强度。首先,增强网把局部区域受到的拉拔力分

9、散到周围去了。其次,要拔起瓷砖,还有克服试件周长乘以砂浆厚度这个面积上的砂浆剪切强度。b)对于瓷砖拉拔强度来说,钢丝网的增强作用比玻纤网大。原因在于:首先,钢丝与水泥砂浆的握裹力更大。第二,钢丝自身的强度和弹性模量更好。第三,抹面砂浆较厚使钢丝网做法占了一定便宜。第四,钢丝网得力于锚栓的协助,锚栓把部分拉拔力传递到基层墙体。(4)在长期的冷热、干湿、冻融交替作用下,瓷砖饰面的耐久性怎样?1、外保温墙体中温度分布 混凝土 聚苯板 砂浆+瓷砖胶 瓷砖 180 60 14 8室内 室外 ti 内 外 3 45 te夏昼25 夏昼70 夏夜26 夏夜20冬夜18 冬夜-12外保温墙体中温度()分布内外

10、345夏 昼29.332.468.168.668.8夏 夜25.625.120.320.220.2夏季昼夜温差3.77.347.848.448.6冬 夜15.813.6-10.7-11.0-11.2年极端温差13.518.878.879.680.02、聚苯板和抗裂砂浆基本数据材 料热胀系数1/压缩强度MPa弹性模量MPa抗拉强度MPa聚苯板610-50.10930.10抗裂砂浆810-6抗压强度101.581041注:聚苯板弹性模量根据其压缩强度推算而出。 抗裂砂浆抗拉强度根据其抗压强度推算而得。3、抹面砂浆聚苯板界面温差应力聚苯板与抗裂砂浆的同步收缩不在界面处产生应力,收缩变形集中到伸缩缝处

11、。考虑夏季昼转夜,聚苯板与抗裂砂浆界面温差相对变形为:(6-0.8)10-547.8 = 2.9610-3因抗裂砂浆与聚苯板两者弹性模量相差很大,砂浆对聚苯板可看作全约束,约束系数取1。聚苯板界面处产生应力b = Eb1 = 22.9610-31 = 5.9210-3 MPa比计算机模拟计算值3.9610-3 MPa稍大。此应力传递到砂浆, s=b,在砂浆表面产生变形 s =s / Es = 5.9210-3/1.58104 = 3.7510-7抗裂砂浆极限应变 p = fs/Es 1/1.58104 = 6.3710-5 因6.3710-53.7510-7 在砂浆内有钢丝网增强的情况下不应开

12、裂。如果按年极端温差计算,砂浆中靠近界面处的应变为6.1810-7,也不会开裂。4、瓷砖粘结剂抹面砂浆界面温差应力两者同属聚合物水泥砂浆,热膨胀系数差不多,温度变化不致在界面上产生什么应力。5、瓷砖瓷砖粘结剂界面温差应力 这不是在外保温上贴砖的特有问题,而是所有外墙基面上贴砖的共同问题。2000年发布实施的外墙饰面砖工程施工及验收规程JGJ126-2000是“建设部八五科技研究项目建筑饰面质量通病治理技术研究,在进行系统全面试验研究基础上取得的成果”,其背景是:“从80年代后期开始,我国城乡各地采用饰面砖装修外墙的工程迅速增加.与此同时,饰面砖起鼓、脱落等质量事故也不断增多,许多耗巨资装修的建

13、筑物变得面目全非.这不仅影响环境美观,而且威胁到人身安全;工程的维修和返工也造成了很大的经济损失.制定本规程的目的,是为外墙饰面砖工程的选材、施工及验收提供一套科学实用的依据,以提高建筑物的工程质量,确保其安全可靠和经济合理。”规程在设计基本规定中提出了几个注意问题:使用过程中因温度变化引起的收缩变形,往往是造成外墙饰面砖起鼓、脱落的主要因素之一。设置伸缩缝,可防止墙体结构变形及外墙饰面砖本身温度变形导致的开裂和脱落。采用柔性防水材料嵌缝,可吸收变形,增加饰面的抗渗性。饰面砖接缝过小,则在温度应力作用下易引起脱落。规程定为“宽度不应小于5mm”。德固赛公司研究成果表明:要减小界面上因温差引起的剪应力,防止瓷砖脱落,应尽可能使用柔性胶粘剂;要有适当的胶层厚度;尽可能使用柔性填缝剂;尽可能使用低弹性模量、小尺寸的瓷砖。既然有大量的建筑(包括高层建筑)直接在结构墙体上粘贴瓷砖,并没有发生质量、安全问题,在外保温系统上粘贴瓷砖也没有更多的

展开阅读全文
相关资源
猜你喜欢
相关搜索

当前位置:首页 > 建筑/环境 > 建筑节能

copyright@ 2008-2023 1wenmi网站版权所有

经营许可证编号:宁ICP备2022001189号-1

本站为文档C2C交易模式,即用户上传的文档直接被用户下载,本站只是中间服务平台,本站所有文档下载所得的收益归上传人(含作者)所有。第壹文秘仅提供信息存储空间,仅对用户上传内容的表现方式做保护处理,对上载内容本身不做任何修改或编辑。若文档所含内容侵犯了您的版权或隐私,请立即通知第壹文秘网,我们立即给予删除!