江苏某商务办公楼项目QTZ80塔吊基础施工方案.doc

上传人:p** 文档编号:951933 上传时间:2024-05-22 格式:DOC 页数:12 大小:125KB
下载 相关 举报
江苏某商务办公楼项目QTZ80塔吊基础施工方案.doc_第1页
第1页 / 共12页
江苏某商务办公楼项目QTZ80塔吊基础施工方案.doc_第2页
第2页 / 共12页
江苏某商务办公楼项目QTZ80塔吊基础施工方案.doc_第3页
第3页 / 共12页
江苏某商务办公楼项目QTZ80塔吊基础施工方案.doc_第4页
第4页 / 共12页
江苏某商务办公楼项目QTZ80塔吊基础施工方案.doc_第5页
第5页 / 共12页
江苏某商务办公楼项目QTZ80塔吊基础施工方案.doc_第6页
第6页 / 共12页
江苏某商务办公楼项目QTZ80塔吊基础施工方案.doc_第7页
第7页 / 共12页
江苏某商务办公楼项目QTZ80塔吊基础施工方案.doc_第8页
第8页 / 共12页
江苏某商务办公楼项目QTZ80塔吊基础施工方案.doc_第9页
第9页 / 共12页
江苏某商务办公楼项目QTZ80塔吊基础施工方案.doc_第10页
第10页 / 共12页
亲,该文档总共12页,到这儿已超出免费预览范围,如果喜欢就下载吧!
资源描述

《江苏某商务办公楼项目QTZ80塔吊基础施工方案.doc》由会员分享,可在线阅读,更多相关《江苏某商务办公楼项目QTZ80塔吊基础施工方案.doc(12页珍藏版)》请在第壹文秘上搜索。

1、QTZ80型塔吊基础施工方案一、工程概况1、工程名称:商务办公项目(嘉福公寓)2、工程地址:无锡市团结路20号3、建设单位:无锡市润福置业有限公司4、设计单位:无锡市建筑设计研究院有限公司5、施工单位: 江苏无锡二建建设集团有限公司6、监理单位:江苏建协工程咨询有限公司7、勘察单位:无锡市勘察设计研究院有限公司本工程为无锡市润福置业有限公司开发的商务办公项目,主楼为12层的高层住宅,裙房为3层,主楼总高度59.4m。主体结构形式为框架剪力墙结构,两层地下室。本案塔吊为浙江建机QTZ80塔吊。主要技术指标如下:1、塔吊功率:50.15KW;2、塔吊臂长:50m;3、塔吊自重:121.7t;4、塔

2、吊最大起重量:8t;最大幅度起重量:1.3t;5、塔吊标准节尺寸:1.75m1.75m3.0m;6、塔吊平衡配重:14.2t;7、塔吊最大独立高度:50m;8、塔吊安装高度:约80m。其他技术参数祥见塔吊使用说明书。 本案塔吊基础尺寸为500050001340,基础埋深1.35m,基础上标高为-9.95m,基础混凝土等级为C30。采用桩基础作为塔吊及其承台基础的承重构件,桩为T-PHC400(130)竹节桩,其桩径为400mm。基础配筋拟采用级钢,直径选择22、25。具体验算过程如下:矩形板式桩伐塔吊基础计算书 计算依据: 1、塔式起重机混凝土基础工程技术规程JGJ/T187-2009 2、混

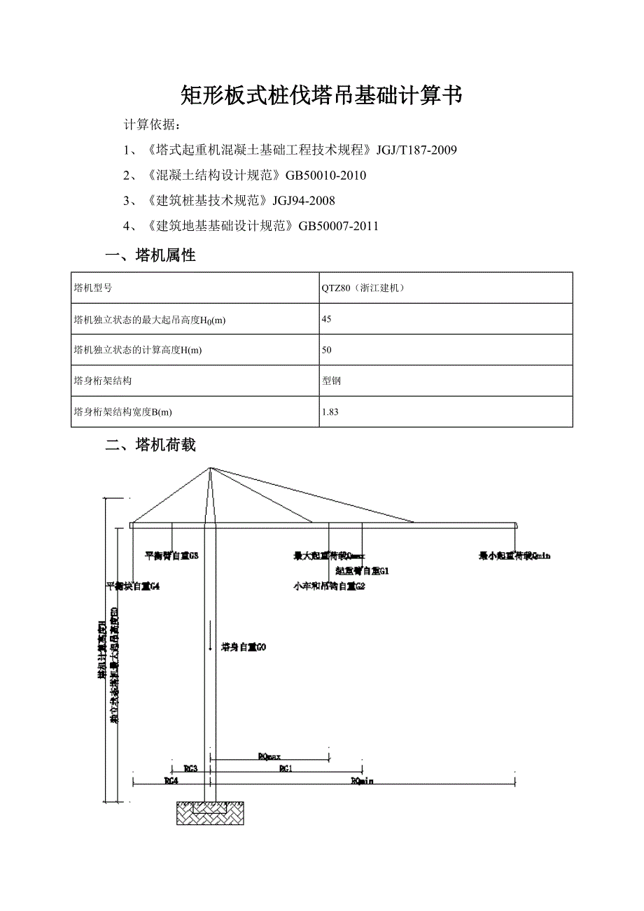
3、凝土结构设计规范GB50010-2010 3、建筑桩基技术规范JGJ94-2008 4、建筑地基基础设计规范GB50007-2011 一、塔机属性塔机型号QTZ80(浙江建机)塔机独立状态的最大起吊高度H0(m)45塔机独立状态的计算高度H(m)50塔身桁架结构型钢塔身桁架结构宽度B(m)1.83 二、塔机荷载塔机竖向荷载简图 1、塔机自身荷载标准值塔身自重G0(kN)717.5起重臂自重G1(kN)66起重臂重心至塔身中心距离RG1(m)25小车和吊钩自重G2(kN)7.2最大起重荷载Qmax(kN)60最大起重荷载至塔身中心相应的最大距离RQmax(m)19.56最大起重力矩M2kN.mk

4、N.m)1173.6平衡臂自重G3(kN)261.8平衡臂重心至塔身中心距离RG3(m)6.3平衡块自重G4(kN)164.5平衡块重心至塔身中心距离RG4(m)12.7 2、风荷载标准值k(kN/m2)工程所在地江苏 无锡基本风压0(kN/m2)工作状态0.2非工作状态0.45塔帽形状和变幅方式锥形塔帽,小车变幅地面粗糙度C类(有密集建筑群的城市市区)风振系数z工作状态1.77非工作状态1.84风压等效高度变化系数z0.99风荷载体型系数s工作状态1.95非工作状态1.95风向系数1.2塔身前后片桁架的平均充实率00.35风荷载标准值k(kN/m2)工作状态0.81.21.771.950.9

5、90.20.66非工作状态0.81.21.841.950.990.451.53 3、塔机传递至基础荷载标准值工作状态塔机自重标准值Fk1(kN)717.5+66+7.2+261.8+164.51217起重荷载标准值Fqk(kN)60竖向荷载标准值Fk(kN)1217+601277水平荷载标准值Fvk(kN)0.660.351.835021.14倾覆力矩标准值Mk(kNm)6625+7.219.56-261.86.3-164.512.7+0.9(1173.6+0.521.1450)415.77非工作状态竖向荷载标准值Fk(kN)Fk11217水平荷载标准值Fvk(kN)1.530.351.835

6、049倾覆力矩标准值Mk(kNm)6625-261.86.3-164.512.7+0.54950863.49 4、塔机传递至基础荷载设计值工作状态塔机自重设计值F1(kN)1.2Fk11.212171460.4起重荷载设计值FQ(kN)1.4FQk1.46084竖向荷载设计值F(kN)1460.4+841544.4水平荷载设计值Fv(kN)1.4Fvk1.421.1429.6倾覆力矩设计值M(kNm)1.2(6625+7.219.56-261.86.3-164.512.7)+1.40.9(1173.6+0.521.1450)-192.54非工作状态竖向荷载设计值F(kN)1.2Fk1.2121

7、71460.4水平荷载设计值Fv(kN)1.4Fvk1.44968.6倾覆力矩设计值M(kNm)1.2(6625-261.86.3-164.512.7)+1.40.54950-791.19 三、桩顶作用效应计算承台布置桩数n4承台高度h(m)1.35承台长l(m)5承台宽b(m)5承台长向桩心距al(m)3.8承台宽向桩心距ab(m)3.8桩直径d(m)0.4承台参数承台混凝土等级C30承台混凝土自重C(kN/m3)25承台上部覆土厚度h(m)0承台上部覆土的重度(kN/m3)19承台混凝土保护层厚度(mm)50配置暗梁否矩形桩式基础布置图 承台及其上土的自重荷载标准值: Gk=bl(hc+h

8、)=55(1.3525+019)=843.75kN 承台及其上土的自重荷载设计值:G=1.2Gk=1.2843.75=1012.5kN 桩对角线距离:L=(ab2+al2)0.5=(3.82+3.82)0.5=5.37m 1、荷载效应标准组合 轴心竖向力作用下:Qk=(Fk+Gk)/n=(1217+843.75)/4=515.19kN 荷载效应标准组合偏心竖向力作用下: Qkmax=(Fk+Gk)/n+(Mk+FVkh)/L =(1217+843.75)/4+(863.49+491.35)/5.37=688.18kN Qkmin=(Fk+Gk)/n-(Mk+FVkh)/L =(1217+843

9、.75)/4-(863.49+491.35)/5.37=342.2kN 2、荷载效应基本组合 荷载效应基本组合偏心竖向力作用下: Qmax=(F+G)/n+(M+Fvh)/L =(1460.4+1012.5)/4+(-791.19+68.61.35)/5.37=488.23kN Qmin=(F+G)/n-(M+Fvh)/L =(1460.4+1012.5)/4-(-791.19+68.61.35)/5.37=748.22kN 四、桩承载力验算桩参数桩混凝土强度等级C80桩基成桩工艺系数C0.85桩混凝土自重z(kN/m3)25桩混凝土保护层厚度(mm)40桩入土深度lt(m)13桩配筋自定义桩

10、身承载力设计值是桩身承载力设计值1400地基属性是否考虑承台效应否土名称土层厚度li(m)侧阻力特征值qsia(kPa)端阻力特征值qpa(kPa)抗拔系数承载力特征值fak(kPa)粉质粘土4.7201300.7-粉质粘土3.9561800.7-粘性土5.81432300.7-粉质粘土2.6431600.7-粘土3.71282200.7-夹粉土4.2651500.7- 1、桩基竖向抗压承载力计算 桩身周长:u=d=3.140.4=1.26m 桩端面积:Ap=d2/4=3.140.42/4=0.13m2 Ra=uqsiali+qpaAp =1.26(5.7143+2.643+3.7128+16

11、5)+1500.13=1860.45kN Qk=515.19kNRa=1860.45kN Qkmax=688.18kN1.2Ra=1.21860.45=2232.54kN 满足要求! 2、桩基竖向抗拔承载力计算 Qkmin=342.2kN0 不需要进行桩基竖向抗拔承载力计算! 3、桩身承载力计算 纵向预应力钢筋截面面积:Aps=nd2/4=83.149.52/4=567mm2 (1)、轴心受压桩桩身承载力 荷载效应基本组合下的桩顶轴向压力设计值:Q=Qmax=488.23kN 桩身结构竖向承载力设计值:R=1400kN 满足要求! (2)、轴心受拔桩桩身承载力 Qkmin=342.2kN0 不

12、需要进行轴心受拔桩桩身承载力计算! 五、承台计算承台配筋承台底部长向配筋HRB400 25170承台底部短向配筋HRB400 25170承台顶部长向配筋HRB400 22200承台顶部短向配筋HRB400 22200 1、荷载计算 承台有效高度:h0=1350-50-25/2=1288mm M=(Qmax+Qmin)L/2=(488.23+(748.22)5.37/2=3322.35kNm X方向:Mx=Mab/L=3322.353.8/5.37=2349.26kNm Y方向:My=Mal/L=3322.353.8/5.37=2349.26kNm 2、受剪切计算 V=F/n+M/L=1460.

13、4/4 + -791.19/5.37=217.88kN 受剪切承载力截面高度影响系数:hs=(800/1288)1/4=0.89 塔吊边缘至角桩内边缘的水平距离:a1b=(ab-B-d)/2=(3.8-1.83-0.4)/2=0.78m a1l=(al-B-d)/2=(3.8-1.83-0.4)/2=0.78m 剪跨比:b=a1b/h0=785/1288=0.61,取b=0.61; l= a1l/h0=785/1288=0.61,取l=0.61; 承台剪切系数:b=1.75/(b+1)=1.75/(0.61+1)=1.09 l=1.75/(l+1)=1.75/(0.61+1)=1.09 hsbftbh0=0.891.091.4310351.29=8889.35kN hslftlh0=0.891.091.4310351.29=8889.35kN V=2

展开阅读全文
相关资源
猜你喜欢
相关搜索

当前位置:首页 > 建筑/环境 > 设计及方案

copyright@ 2008-2023 1wenmi网站版权所有

经营许可证编号:宁ICP备2022001189号-1

本站为文档C2C交易模式,即用户上传的文档直接被用户下载,本站只是中间服务平台,本站所有文档下载所得的收益归上传人(含作者)所有。第壹文秘仅提供信息存储空间,仅对用户上传内容的表现方式做保护处理,对上载内容本身不做任何修改或编辑。若文档所含内容侵犯了您的版权或隐私,请立即通知第壹文秘网,我们立即给予删除!