住宅楼建筑节能施工方案7.doc

上传人:p** 文档编号:954623 上传时间:2024-05-29 格式:DOC 页数:23 大小:272.68KB
下载 相关 举报
住宅楼建筑节能施工方案7.doc_第1页
第1页 / 共23页
住宅楼建筑节能施工方案7.doc_第2页
第2页 / 共23页
住宅楼建筑节能施工方案7.doc_第3页
第3页 / 共23页
住宅楼建筑节能施工方案7.doc_第4页
第4页 / 共23页
住宅楼建筑节能施工方案7.doc_第5页
第5页 / 共23页
住宅楼建筑节能施工方案7.doc_第6页
第6页 / 共23页
住宅楼建筑节能施工方案7.doc_第7页
第7页 / 共23页
住宅楼建筑节能施工方案7.doc_第8页
第8页 / 共23页
住宅楼建筑节能施工方案7.doc_第9页
第9页 / 共23页
住宅楼建筑节能施工方案7.doc_第10页
第10页 / 共23页
亲,该文档总共23页,到这儿已超出免费预览范围,如果喜欢就下载吧!
资源描述

《住宅楼建筑节能施工方案7.doc》由会员分享,可在线阅读,更多相关《住宅楼建筑节能施工方案7.doc(23页珍藏版)》请在第壹文秘上搜索。

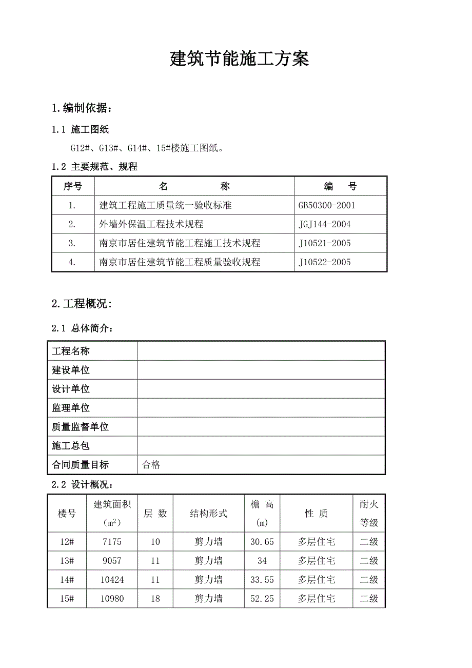
1、建筑节能施工方案1.编制依据:1.1 施工图纸G12#、G13#、G14#、15#楼施工图纸。1.2 主要规范、规程序号名 称编 号1.建筑工程施工质量统一验收标准GB50300-20012.外墙外保温工程技术规程JGJ144-20043.南京市居住建筑节能工程施工技术规程J10521-20054.南京市居住建筑节能工程质量验收规程J10522-20052.工程概况:2.1 总体简介:工程名称建设单位设计单位监理单位质量监督单位施工总包合同质量目标合格2.2 设计概况:楼号建筑面积(m2)层 数结构形式檐 高(m)性 质耐火等级12#717510剪力墙30.65多层住宅二级 13#905711

2、剪力墙34多层住宅二级14#1042411剪力墙33.55多层住宅二级15#1098018剪力墙52.25多层住宅二级3.施工部署:3.1 建筑节能工程技术质量管理体系为了贯彻国家建筑节能的政策,加强建筑节能工程的施工管理。我项目经理部成立了以项目经理为组长;项目生产副经理、项目总工为副组长的建筑节能工程施工领导小组,其机构组成、人员编制及责任分工如下:组 长:李正辉(项目经理)负责组织协调工作副组长:宋岳飞(生产副经理)负责现场施工指挥、质量监督工作李斌(项目总工)技术总部署、方案编制及交底组 员:施修俊现场施工管理、协调(4#、5#、7#楼;幼儿园)赵善志现场施工管理、协调(1#、2#、3

3、#楼;旅馆)陈久成现场施工质量及细部施工做法管理3.2 质量保证体系以质量生存、求发展是我公司的质量方针。我项目经理部通过认真学习建筑节能工程相关规程、规范、标准,强化质量意识,建立了行之有效的规范化质量管理体系,能够使建筑节能工程的各项工作均处于良好的受控状态。在施工过程中,我项目经理部将严格按照相关规程、规范、标准等执行。为完成好本工程的建筑节能工程,根据本工程的特点,我项目经理部将对以下环节作为建筑节能工程的质量控制点:(1)分包单位的选择:建筑节能工程的分包单位,应选择有类似工程施工经验的队伍,并对其在施工程(或已完工的工程)进行考察。(2)建筑节能材料的检验A. 建筑节能材料须有本市

4、材料准用证、检验报告及出厂合格证,主要材料必须有材料交易证。B.材料使用前必须经复试合格后方能使用。对特殊材料须进行放射性物质及有害气体的环保检验。(3)制定相应技术措施,作好工序过程控制。A.施工前应做好图纸审查工作,将技术关口前移。施工前认真编好作业指导书,做好技术交底。B.施工过程中严格执行三检制和样板引路制度,做好预测预控及全方位的过程控制。C.做好技术复测及资料整理工作,主要材料及施工过程操作要留有痕迹,具有可追溯性。D.对关键部位及特殊工序要责任到人,从“人、机、料、法、环”五个方面进行控制。E.做好各专业接口及预留预埋的专业检查。3.3 本工程采用的建筑节能措施主要有:A外墙25

5、厚聚苯颗粒外保温砂浆保温层;B屋面采用50厚FSG保温砖保温层;C入户门采用成品保温、隔音、防盗门; D外围窗采用铝合金窗框,真空隔音双层玻璃。4.施工计划 4.1劳动力计划本工程的建筑节能工程。其中,外墙25厚)聚苯颗粒外保温砂浆保温层、屋面50厚FSG保温砖保温层,由我公司有经验、且与我公司长期合作的专业队伍作业。入户防盗门和铝合金窗由业主方指定专业队伍分包施工。分项工程名称阿尔卡迪亚小区G区12#、13#、14#、15#楼工程外墙聚苯颗粒外保温砂浆保温60屋面50厚FSG保温砖保温20入户保温、隔音、防盗门20外围铝合金框,真空隔音双层玻璃框204.2材料计划材料名称单位工程外墙聚苯颗粒

6、外保温砂浆屋面50厚FSG保温砖保温、隔音、防盗门铝合金窗12#楼3973m2578m260樘1351.1m213#楼4468.7m2750m266樘1844.45m214#楼4851.08m2815.65m288樘1641.69m215#楼5547m2486.98m2108樘1218.07m24.3进度计划详见报业主方和监理方进度计划表。5.主要施工方法5.1外墙聚苯颗粒外保温砂浆保温墙面5.1.1 工程概况:本工程外墙采用聚苯颗粒外保温砂浆保温墙面,抗裂砂浆为保护增强层,涂料饰面的外墙保温系统。5.1.2 材料组成与性能 本产品除聚苯颗粒外,其他成分主要为无机材料,因此耐候性能和抗老化性能

7、强,可有效抵御外界温度、雨雪、冰冻等因素的破坏,可完全满足高层建筑外保温的需要。由于材料整体涂抹到墙体表面,与墙体间无任何空腔,可有效防止负风压对外保温的撕裂并克服一般材料施工后边肋、阳角和异型部位变形、翘起造成瓷砖脱落问题。产品技术指标先进、质量稳定,经国家建筑材料测试中心检测各项指标全部合格;5.1.3 施工工艺一、施工准备1、施工前修补墙面孔洞,清除所有前面的表面浮灰、油污、碎屑等。2、检查验收墙面平整度、垂直度,对墙面误差10mm,由结构施工方找平处理,以确保保温层厚度均匀。3、按保温厚度要求弹厚度控制线。4、贴饼、冲筋(最好用本保温材料)。5、基层表面处理,涂刷TF界面处理剂。二、涂

8、抹聚苯颗粒保温层1、 先在砂浆搅拌机中加入定量水,再加入定量干粉料搅拌3-4分钟,然后加入定量聚苯颗粒搅拌均匀成膏状(水:干粉料:聚苯颗粒25-27:25:1.5,重量比)2、 搅拌好的砂浆必须在60分钟内使用完毕,随拌随用,不得一次搅拌量过多,避免施工过 程中对砂浆二次加水。3、涂抹保温层厚度每次2-3cm,涂抹厚度不得小于1cm以免失水太快影响强度,如厚度大于3cm可分两次涂抹,第一层涂抹必须压实,确保与墙面有效粘结,不得有空洞、分层现象。4、保温层涂抹达到厚度要求时,找垂直平整度。三、涂抹抗裂砂浆1、 和料(机械搅拌,严禁手工拌和)。按抗裂砂浆:水1:0.24(重量)搅拌均匀。拌和好的材

9、料要在60分钟内用完,避免施工中对砂浆二次加水。2、 涂抹抗裂砂浆,厚度为5mm左右。四、玻纤网格布 网格布选择:选用单位面积质量130g/m2,网孔55mm的耐碱玻纤网格布。玻纤网格布必须压入抗裂砂浆。五、涂料饰面施工 聚合物外墙柔性耐水腻子。六、TFB-型聚苯颗粒聚合物保温系统构造图5.1.4施工准备(一)材料准备:1TF界面处理剂242.5#普通硅酸盐水泥,技术性能符合现行国家标准硅酸盐水泥、普通硅酸盐水泥(GB175-1999)的规定。3中砂:细度模数符合现行国家行业标准普通混凝土用砂质量标准及检验方法(JGJ52-92)的规定,筛除大于2.5mm颗粒,含泥量小于3%。4TFB-型聚苯

10、颗粒聚合物保温系统材料。5玻纤网格布 网格布选择:选用单位面积质量130g/m2,网孔5mm5mm的耐碱玻纤网格布。6TF聚合物抗裂砂浆、TF聚合物抹面砂浆(二)施工机具准备:1强制式砂浆搅拌机、手提式搅拌器、射钉枪、测量仪器及放线工具、水平运输车。(外用升降机、外墙脚手架由总承包方准备)2常用抹灰工具及抹灰的专用检测工具、经纬仪及放线工具、水桶、剪子、滚刷、铁锨、扫帚、手锤、錾子、壁纸刀、拖线板、方尺、靠尺、探尺、钢尺等。(三)技术准备:1充分熟悉图纸,解决与其它专业的相互矛盾,并及时请示甲方酌情解决。2做好分项工程施工作业的技术交底,内容应详细,有指导施工作业的各种施工方法及各种质量问题的

11、预防措施。3施工管理人员的培训。a.施工管理人员培训内容、施工组织设计及施工作业指导书。b.分项工程的施工及验收规范。c.贯标文件与管理人员相关文件。d.各分项工程的质量检验评定标准。e.质量、安全、消防、文明施工的有关规定文件及单位制定的各项制度。4.施工人员的培训f.进场的安全教育,危险预知教育。g.专业施工安全操作规程。h.本专业的技术交底及质量要求。i.有关三检(即自检、互检、交接检)的实施办法。j.消防知识教育。k.施工现场各相关的制度等。(四)作业条件1.外墙墙体工程平整度达到要求,外门窗口安装完毕,经有关部门检查验收合格。2.门窗边框与墙体连接应预留出外保温层厚度,缝隙应分层填塞

12、严密,做好门窗表面保护。3.外墙面上的雨水管卡、预埋铁件、设备穿墙管道提前安装完毕,并预留出外保温层的厚度。4.施工用吊篮或专用外脚手架搭设牢固,安全检验合格。脚手架横竖杆距离墙面、墙角适度,脚架板铺设与外墙分格相适应。5.预制混凝土外墙板接缝应提前处理好。6.作业时环境温度不应低于5C,风力应不大于5级,风速不宜大于10m/s。避免雨天施工。雨季施工时应做好防雨措施。5.1.5施工流程及施工说明施工工序:(门窗框四周堵缝)基层处理(清扫、浇水湿润)吊垂直、套方、抹灰饼、充筋、弹线涂界面处理剂涂抹保温层做分格条(缝)涂抹抗裂砂浆粘贴玻纤布保温验收(面层涂料施工)1、基层处理首先对混凝土柱子和多

13、孔砖的搭界处采用特殊材料和钢丝网或玻纤布进行加固处理,将凸出墙的砼剔平,对砼墙面应拉毛, 毛化处理前,应先将砼墙表面尘土污垢清理干净,并用10%的火碱水将面上的油污刷掉,随之用净水冲净晾干;然后用界面砂浆拉毛。界面处理砂浆的配制为,强度等级42.5普通硅酸盐水泥中砂界面剂按11(050.8)的重量比搅拌成均匀浆料即可使用。2、吊垂直、套方、找规矩、贴灰饼应在四大角和门窗口用经纬仪打垂直线找直,或用特制大线坠绑铁丝吊垂直,然后根据保温层厚度分层设点贴灰饼;横线则以楼层为水平基线交圈控制,竖向线则以四周大角和通天柱、垛子为基线控制;打底时则以灰饼为基准点进行冲筋,使基层保温层横平竖直,同时要注意突

14、出的檐口、腰线、窗台、雨缝等饰面的流水坡度。3、抹保温砂浆根据已贴好的灰饼涂抹头遍保温,TF保温抹灰材料的配制:干粉料水聚苯颗粒=2525-271.5(重量比),视工程使用情况可采取机器或人工搅拌,搅拌均匀呈膏状。在门窗洞口处按照工艺要求预留。保温材料应随拌随用,一般应在60分钟内用完。头遍保温抹灰厚度应控制在10mm左右为宜,必须压实,确保与墙面有效粘结,不得有空洞、分层现象。第二遍保温材料抹到设计厚度。头遍与二遍的间隔时间为1天。4、涂抹抗裂砂浆1)和料(机械搅拌,严禁手工拌和)。按抗裂砂浆:水1:0.24(重量)搅拌均匀。拌和好的材料要在60分钟内用完,避免施工中对砂浆二次加水。2). 抹抗裂砂浆,厚度一般为6mm左右。5、铺贴耐碱玻纤网格布保温层强度到达要求时,自上至下分段进行铺贴。玻纤网格布之间的搭接宽度不小于60mm,在阴阳角和门窗部分加设一层玻纤网格布搭接,网铺贴完毕后,应经现场专业工长及项目主管验收合格后方可进行下道工序。6、做分格条、缝设计有分格条的保温墙面,按设计图纸弹分格线后粘钉。方法为:在保温面层上,按分格线划出凹槽。凹槽尺寸:宽度不小于分格条10mm,深度不小于分格条5mm,用保温材料或抗裂砂浆镶嵌分格条,再用底漆刷涂封边。刷涂要严密,切勿漏涂漏

展开阅读全文
相关资源
猜你喜欢
相关搜索

当前位置:首页 > 建筑/环境 > 建筑节能

copyright@ 2008-2023 1wenmi网站版权所有

经营许可证编号:宁ICP备2022001189号-1

本站为文档C2C交易模式,即用户上传的文档直接被用户下载,本站只是中间服务平台,本站所有文档下载所得的收益归上传人(含作者)所有。第壹文秘仅提供信息存储空间,仅对用户上传内容的表现方式做保护处理,对上载内容本身不做任何修改或编辑。若文档所含内容侵犯了您的版权或隐私,请立即通知第壹文秘网,我们立即给予删除!