产品质量可靠性评分表.docx

上传人:p** 文档编号:957469 上传时间:2024-06-05 格式:DOCX 页数:2 大小:20.06KB
下载 相关 举报
产品质量可靠性评分表.docx_第1页
第1页 / 共2页
产品质量可靠性评分表.docx_第2页
第2页 / 共2页
亲,该文档总共2页,全部预览完了,如果喜欢就下载吧!
资源描述

《产品质量可靠性评分表.docx》由会员分享,可在线阅读,更多相关《产品质量可靠性评分表.docx(2页珍藏版)》请在第壹文秘上搜索。

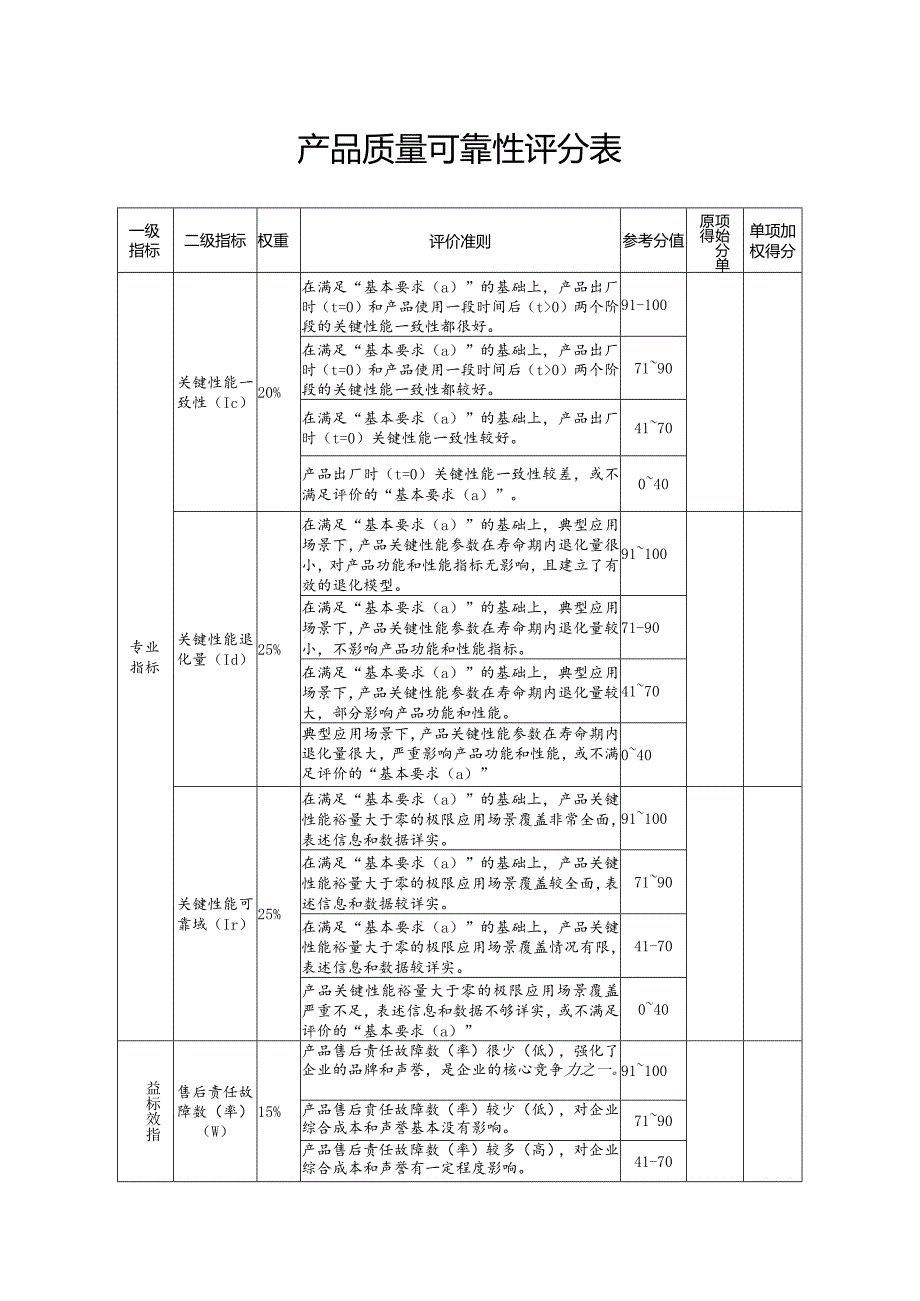
1、产品质量可靠性评分表一级指标二级指标权重评价准则参考分值项始分单原得单项加权得分专业指标关键性能一致性(Ic)20%在满足“基本要求(a)”的基础上,产品出厂时(t=0)和产品使用一段时间后(t0)两个阶段的关键性能一致性都很好。91-100在满足“基本要求(a)”的基础上,产品出厂时(t=0)和产品使用一段时间后(t0)两个阶段的关键性能一致性都较好。7190在满足“基本要求(a)”的基础上,产品出厂时(t=0)关键性能一致性较好。4170产品出厂时(t=0)关键性能一致性较差,或不满足评价的“基本要求(a)”。040关键性能退化量(Id)25%在满足“基本要求(a)”的基础上,典型应用场景

2、下,产品关键性能参数在寿命期内退化量很小,对产品功能和性能指标无影响,且建立了有效的退化模型。91100在满足“基本要求(a)”的基础上,典型应用场景下,产品关键性能参数在寿命期内退化量较小,不影响产品功能和性能指标。71-90在满足“基本要求(a)”的基础上,典型应用场景下,产品关键性能参数在寿命期内退化量较大,部分影响产品功能和性能。4170典型应用场景下,产品关键性能参数在寿命期内退化量很大,严重影响产品功能和性能,或不满足评价的“基本要求(a)”040关键性能可靠域(Ir)25%在满足“基本要求(a)”的基础上,产品关键性能裕量大于零的极限应用场景覆盖非常全面,表述信息和数据详实。91

3、100在满足“基本要求(a)”的基础上,产品关键性能裕量大于零的极限应用场景覆盖较全面,表述信息和数据较详实。7190在满足“基本要求(a)”的基础上,产品关键性能裕量大于零的极限应用场景覆盖情况有限,表述信息和数据较详实。41-70产品关键性能裕量大于零的极限应用场景覆盖严重不足,表述信息和数据不够详实,或不满足评价的“基本要求(a)”040益标效指售后责任故障数(率)(W)15%产品售后责任故障数(率)很少(低),强化了企业的品牌和声誉,是企业的核心竞争力之一。91100产品售后贲任故障数(率)较少(低),对企业综合成本和声誉基本没有影响。7190产品售后责任故障数(率)较多(高),对企业

4、综合成本和声誉有一定程度影响。41-70一级指标二级指标权重评价准则参考分值项始分单原得单项加权得分产品售后责任故障数(率)很多(高),严重影响企业综合成本和声誉。040创新性(C)5%企业在产品质量可靠性水平提升工作中采用的可靠性技术和/或方法具有颠覆式创新性。91100企业在产品质量可靠性水平提升工作中采取的可靠性技术和/或方法具有较强的应用创新性。71-90企业在产品质量可靠性水平提升工作中采取的可靠性技术和/或方法具有一定的应用创新性。4170企业在产品质量可靠性水平提升工作中采取的可靠性技术和/或方法为常规技术和方法,基本没有创新性。040可推广性(G)10%企业在产品质量可靠性水平

5、提升工作中采取的可靠性技术和方法可以对行业发展起到引领和带动作用,可以为行业内外提供广泛的借鉴意义。91100企业在产品质量可靠性水平提升工作中采取的可靠性技术和方法可以对行业发展起到较好带动作用,可以为行业内提供较大的借鉴意义。71-90企业在产品质量可靠性水平提升工作中采取的可靠性技术和方法可以对行业发展起到一定带动作用,可以为本行业提供一定的借鉴意义。4170企业在产品质量可靠性水平提升工作中采取的可靠性技术和方法为本行业提供很少的借鉴意义。0-40评分说明:(a) .专业指标评价的“基本要求”应满足如下因素:关键性能参数选取合理、样品状态有效、样本量合理、现场产品数据可信、检测仪器/设备合理有效、检测方案科学可行、结果数据合理有效等。(b) .每个单项原始得分的满分分值为100分。(c) .总分为所有“单项加权得分”之和。(d) .评价过程中,如发现企业数据或信息造假,相应指标评分得。分。总分:专家签字:日期:

展开阅读全文
相关资源
猜你喜欢
相关搜索

当前位置:首页 > 管理/人力资源 > 质量管理

copyright@ 2008-2023 1wenmi网站版权所有

经营许可证编号:宁ICP备2022001189号-1

本站为文档C2C交易模式,即用户上传的文档直接被用户下载,本站只是中间服务平台,本站所有文档下载所得的收益归上传人(含作者)所有。第壹文秘仅提供信息存储空间,仅对用户上传内容的表现方式做保护处理,对上载内容本身不做任何修改或编辑。若文档所含内容侵犯了您的版权或隐私,请立即通知第壹文秘网,我们立即给予删除!