3.铝板冷轧工艺计算及校核.docx

上传人:p** 文档编号:965716 上传时间:2024-06-06 格式:DOCX 页数:10 大小:83.76KB
下载 相关 举报
3.铝板冷轧工艺计算及校核.docx_第1页
第1页 / 共10页
3.铝板冷轧工艺计算及校核.docx_第2页
第2页 / 共10页
3.铝板冷轧工艺计算及校核.docx_第3页
第3页 / 共10页
3.铝板冷轧工艺计算及校核.docx_第4页
第4页 / 共10页
3.铝板冷轧工艺计算及校核.docx_第5页
第5页 / 共10页
3.铝板冷轧工艺计算及校核.docx_第6页
第6页 / 共10页
3.铝板冷轧工艺计算及校核.docx_第7页
第7页 / 共10页
3.铝板冷轧工艺计算及校核.docx_第8页
第8页 / 共10页
3.铝板冷轧工艺计算及校核.docx_第9页
第9页 / 共10页
3.铝板冷轧工艺计算及校核.docx_第10页
第10页 / 共10页
亲,该文档总共10页,全部预览完了,如果喜欢就下载吧!
资源描述

《3.铝板冷轧工艺计算及校核.docx》由会员分享,可在线阅读,更多相关《3.铝板冷轧工艺计算及校核.docx(10页珍藏版)》请在第壹文秘上搜索。

1、第四章:冷轧工艺理论和计算4.1轧制规程的设计1.1 基本概念轧制规程也叫做轧制制度,它包括压下制度、速度制度、温度制度、张力制度和辑型制度,是指轧制过程中各道次的压下量安排以及相应的力能参数设定。它主要式依据产品的技术要求、原料条件及生产设备的状况,运用数学公式(模型)或图表进行计算,从而确定轧制方法,确定压下制度、速度制度、温度制度、张力制度和辑型制度,以便在平安操作条件下得达到优质、高产、低消耗的目的。4. 2制定轧制规程的原则和要求1在设备实力容许的条件下尽量(提高道次压下量、缩减轧制道次、缩短轧制周期、确定合理速度规程等等)提高产量。2在保证操作稳定的条件下提高质量。总之,充分而又合

2、理地发挥轧机的设备实力,通过适当削减轧制道次和提高轧制速度来增加产量,保证产品的质量。3压下规程的安排依据和要求制定压下的依据是产品厚度精度、板形和表面质量规定、最大轧制力P曰、最大轧制力矩M最大电机功率N皿、成品尺寸等;压下规程的中心内容就是要确定由肯定的板坯轧成所要求的成品的变形制度,即采纳的轧制方法、轧制道次及每道压下量的大小。冷轧板带铝压下规程的制定一般包括原料规格的选择、轧制方案的确定以及各道次的压下量的安排与计算。冷轧各道次的安排:由于第一道次的后张力太小,而且热轧来料的板形与厚度偏差不匀称,甚至呈现浪形、飘曲、镰刀弯或锲形断面,致使轧件对对中难以保证,给轧制带来肯定的困难,第一道

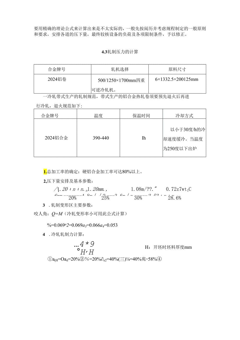
3、次不宜过大也不要太小;中间道次的压下安排,基本上可以从充分利用轧机实力动身,或按阅历资料确定各压下量;后几道次虽然肯定压下较小,但带钢的加工硬化程度很大,变形抗力大,因此后几道次压下量则受带钢对轧制压力的限制,最终12道次为了保证板型及厚度精度,一般按阅历采纳较小的压下率。常用制定制定压下规程的方法:由于道次的安排受各种因素因素的影响,要用精确的理论公式来计算出来是不太实际的,一般先按阅历并考虑规程制定的一般原则和要求,安排各道的压下量,最终较核设备的负荷及各项限制条件,予以修正。4.3轧制压力的计算合金牌号轧机选择原料尺寸2024铝卷500/12501700mm四重可逆冷轧机。61332.5

4、200125mm一冷轧带式生产的轧制规范,带式生产的铝合金热轧卷须要预先退火后再进行冷轧,退火规范如下:合金牌号温度保温时间冷却方式2024铝合金390-440Ih以小于30度/h的冷却速度缓冷。当温度为250度以下出炉1.总加工率的确定:硬铝合金加工率可达80%以上。2,压下量安排及基本参数:/.20nn.n1.20mm.,1.08m/?.0.72z7wt1C6mm4.8m23.6mn2.52nn1.6nm20%25%30%28.6%3 .轧制变形区主要参数:咬人角:Q=M(冷轧变形率小可用此公式计算)%=0.069a2=0.069a3=0.066a4=0.0534 .冷轧轧制力计算:4*9

5、H,HH:开坯时坯料厚度mma(H=Oal=20%=20%x2=40%(三)=40%苑=58%S04=58%l4=70%由上查铝3-2-16图得:(o2)o=130Mpaf02jll=230Mpaa(O2)O2=230c02jl2=280丐。2)。3=2802)i3=290(0.2)04=290Mpaf02jl4=295Mpa因为4o=1.15B一二X%p=(k-)PMF铝板轧制图3-2-20PMF:压力倍由上得:P1=243.05Mpap2=400.1IMpapi=413.17Mpa瓦二388.69MPah.冷轧轧制力PP=FF=P下13=0.45竺/h由上得4二1.64mm(宽展除在热轧及

6、冷轧开坯道次考虑,冷轧其余道次不考虑)所以:P1=5906694N=590tP2=980tP3=579tP4=349t4.4轧制力矩的计算4.4.1制定轧制规程必需遵守下面两个条件:第一、在负荷最大的道次中电机输出的转矩不应超过电机本身允许的最大转矩。第二、依据负荷图确定的平方根转矩(或等效转矩)不应超过电机长时间工作的额定转矩。4. 5冷轧轧制力矩计算冷轧时不考虑轧机变速,只考虑静力矩部分。y=M7+rr+M乙UAMZ扎件变形给轧辑轴承的轧制力矩j轧辑轴承的摩擦力矩MK轧辐空转时的空转力矩a. Mz=2Pl,为力臂系数,冷轧板带一般取:0333-0.42MZI=80.71KN.mMz2=13

7、4.06Mz3=44.00Mz4=17.90d.轧辐直径。b. MU=PdUUftr,=177.00KN.mMv2=294.00=173.70MU4C.MK=(0.060.1)MZMKI=6.46KN.mMKF8.85Mj,3=2.90Mk4因为MZ=Mz+Mu+Mk由上得:M=M=436.85M=219.9044.6 张力制度的确定当卷取机的线速度大于工作短的线速度产生前张力,而工作短的线速度大于开卷机的则产生后张力。具有张力才能让轧件顺当咬入轧机进行轧制。主要是选择平均单位张力。z,即作用于在带材断面上的平均张应力,一般应小于带钢屈服度的b实践证明较大的后张力可降低单位压力的35%,而前张

8、力仅能达到20%的水平。故通常用后张力大于前张力的轧制方法,这可削减断带的可能性。一般不超过0.6。,最终道次即成品卷张力不能太高。辑型的调整制度在轧制过程中,由于种种缘由,入轧辐的受力弯曲、沿辑身长度方向的温度分布不匀称等,将是限型发生改变,导致板材横向厚差的改变,或由于板材在轧辐辐身边部和中部变形的不均而出现波浪。为了获得较为志向的合格板材,就须要实行措施来调整轧辑的瓶型。除了使轧辑的凸形补偿等施外,采纳调整液压弯辑力的方法使很常用的方法。在设计和运用液压弯辐力的时候,必需计算弯转力,但由于其计算方法较多,而且计算时要涉及到众多参数,比较繁琐,故在设计时的弯辑力的长参考某些阅历数据来选取,

9、一般弯曲轧幅的最大弯曲力约为最大轧制力的15%20%,在详细的轧制过程中,由操作者依据所视察到的实际状况,给定合适的弯辑力。4.7 轧辑的校核4.1弯曲强度的校核依据以上计算可知,各道次的轧制力小于轧机的最大轧制力10500KN,故轧辑的弯曲强度校核通过。所选500x1250x1700?机轧机参数如下:1、轧机的技术参数:轧制力:10500KN(静压27500KN)轧速:0.5-4m/s卷取速度:4m/s卷取张力:27OKN卷重:6000kg厚差:0.05nun板形:0-5mm4.2强度的校核为了计算简便,对轧辎的校核,我们只选取轧制力最大的那个道次来进行校核。所以有计算产品可知,轧制力最大的

10、那个出现在轧制2024铝板的其次道次上,其最大轧制力为1655t0在轧制过程中,四车昆轧机的工作辐与支承辑接触处,以及工作丰昆与轧件的接触处,都会产生接触应力。工作辐与支承辐的接触面积比工作辐与轧件的接触面积小得多,因此,在同样大小的作用力下,工作辐与支承辑间的接触应力要大大超过工作辑与轧件的接触应力。所以,在设计时,只需计算工作辑与支承辑间的接触应力。1、轧辐表面的最大接触应力可按以下公式求得:x=-0.78Po=6(255=10925.8kg/cm2NRgRZV25.062.52、依据主应力值可求得当量应力值,及最大剪应力值rmax:d=x-3=-0.6/J=-6555.5kg/cm2Tm

11、aX=-O3po=-3277.5kg/cm23、已知:工作辑辑身硬度:肖氏HS9096对于硬度为HS90100(相当于HB700)的冷轧工作根,可得rf-l0000kg/cm2rmax=5000kg/cm24、可得:rf=6555.510000;rmax=3277.55000所以轧辑校核通过。4.7轧制速度的确定主电机的加速度、6取决于主电机的特性及其限制线路,通常可逆式轧机的主电机加速度一般在1530rpms之间,减速度一般在3060rpms之间,取本轧机主电机加速度。=20rpms=1200rmin,减速度取b=40rpms=2400rmino传动比:1:1。取咬入速度H=20rmin,抛

12、出速度%=30rInin,稳定轧制速度a=380r/min;tp一一为空转加速时间;r1一一为带锭轧制时的加速轧制时间;t2一一为等速轧制时间;G一一为带锭轧制时的减速轧制时间;t0为空转减速时间。纯轧制时间为:tm=+r2+r3020八CCtn=-=0.02SH3-O301200=0.0k1200t-z1.b2400更d。.Is2400等速纯轧时间G的确定由纯轧时间的轧件长度1.来确定。带卷长度:因为1.=I1+l2+I3式中44和4分别表示加速纯轧时间,等速纯轧时间和减速纯轧时间所轧过的轧件长度。而I=力=包+%2一1602aIf_九Dn3+n2n2-n333-602b将松,2,3带入心式中得r9222120-乙一_“23=138.4s_11Da

展开阅读全文
相关资源
猜你喜欢
相关搜索

当前位置:首页 > 建筑/环境 > 设计及方案

copyright@ 2008-2023 1wenmi网站版权所有

经营许可证编号:宁ICP备2022001189号-1

本站为文档C2C交易模式,即用户上传的文档直接被用户下载,本站只是中间服务平台,本站所有文档下载所得的收益归上传人(含作者)所有。第壹文秘仅提供信息存储空间,仅对用户上传内容的表现方式做保护处理,对上载内容本身不做任何修改或编辑。若文档所含内容侵犯了您的版权或隐私,请立即通知第壹文秘网,我们立即给予删除!