固体废物管理规定简洁通用版.docx

上传人:p** 文档编号:974232 上传时间:2024-06-06 格式:DOCX 页数:3 大小:17.75KB
下载 相关 举报
固体废物管理规定简洁通用版.docx_第1页
第1页 / 共3页
固体废物管理规定简洁通用版.docx_第2页
第2页 / 共3页
固体废物管理规定简洁通用版.docx_第3页
第3页 / 共3页
亲,该文档总共3页,全部预览完了,如果喜欢就下载吧!
资源描述

《固体废物管理规定简洁通用版.docx》由会员分享,可在线阅读,更多相关《固体废物管理规定简洁通用版.docx(3页珍藏版)》请在第壹文秘上搜索。

1、固体废物管理规定1 .目的确定对各种固体废弃物(包括危害废弃物)的管理,保证废弃物处理符合本公司的环境方针。2 .适用范围适用于本公司在经营活动和服务过程中产生的各种固体废弃物(包括危险废弃物)管理和处置。3 .职责4 .1行政部负责将已分类收集的各种固体废弃物(包括危险废弃物)通知委托方。3.2行政部负责各种固体废弃物(包括危害废弃物)的处置工作(委托外单位)。3.3各相关部门配合做好各种废弃物管理处置工作。4.工作程序4.1固体废弃物的储运4.1.1一般废弃物1 )可回收利用:矿泉水瓶、易拉罐、废纸张等;2 )不可回收利用:瓜果皮核等生活垃圾;危险废弃物(有毒有害):废灯管、废墨盒、废硒鼓

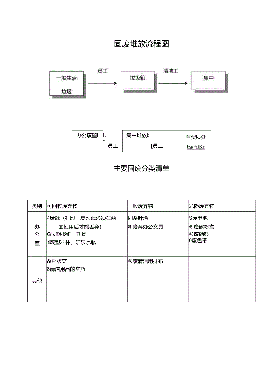
2、、顾客遗留危险废弃物等。4.1.2 各部门每天将所辖范围内产生的固体废弃物分类收集,每日工作结束后将收集的废弃物放到指定位置。4.1.3 行政部负责检查公司的废弃物分类情况,填写废弃物处理记录表。4.1.4 行政部负责监督垃圾代运方按规定将公司内已分类收集的垃圾运至指定地点。4.1.5 .2固体废物的处置4.2.1行政部负责委托具有处理固体废弃物(包括危害废弃物)资质的垃圾处理单位将已运至垃圾站的分类垃圾按国家及地方有关环保法律法规要求规范处置并做好相关记录。固废堆放流程图办公废墨II.集中堆放bA有资质处IF员工员工E商向IKr主要固废分类清单类别可回收废弃物一般废弃物危险废弃物4废纸(打印、复印纸必须在两同茶叶渣S废电池办面使用后才能丢弃)废弃办公文具废碳粉盒公G过期报纸、刊物废硒鼓室6废塑料杯、矿泉水瓶废色带&乘版菜废清洁用抹布清洁用品的空瓶其他

展开阅读全文
相关资源
猜你喜欢
相关搜索

当前位置:首页 > 办公文档 > 事务文书

copyright@ 2008-2023 1wenmi网站版权所有

经营许可证编号:宁ICP备2022001189号-1

本站为文档C2C交易模式,即用户上传的文档直接被用户下载,本站只是中间服务平台,本站所有文档下载所得的收益归上传人(含作者)所有。第壹文秘仅提供信息存储空间,仅对用户上传内容的表现方式做保护处理,对上载内容本身不做任何修改或编辑。若文档所含内容侵犯了您的版权或隐私,请立即通知第壹文秘网,我们立即给予删除!