浙江省海塘物业化服务岗位设置、检查内容表、维修养护表、事项明细.docx

上传人:p** 文档编号:980881 上传时间:2024-06-06 格式:DOCX 页数:20 大小:43.33KB
下载 相关 举报
浙江省海塘物业化服务岗位设置、检查内容表、维修养护表、事项明细.docx_第1页
第1页 / 共20页
浙江省海塘物业化服务岗位设置、检查内容表、维修养护表、事项明细.docx_第2页
第2页 / 共20页
浙江省海塘物业化服务岗位设置、检查内容表、维修养护表、事项明细.docx_第3页
第3页 / 共20页
浙江省海塘物业化服务岗位设置、检查内容表、维修养护表、事项明细.docx_第4页
第4页 / 共20页
浙江省海塘物业化服务岗位设置、检查内容表、维修养护表、事项明细.docx_第5页
第5页 / 共20页
浙江省海塘物业化服务岗位设置、检查内容表、维修养护表、事项明细.docx_第6页
第6页 / 共20页
浙江省海塘物业化服务岗位设置、检查内容表、维修养护表、事项明细.docx_第7页
第7页 / 共20页
浙江省海塘物业化服务岗位设置、检查内容表、维修养护表、事项明细.docx_第8页
第8页 / 共20页
浙江省海塘物业化服务岗位设置、检查内容表、维修养护表、事项明细.docx_第9页
第9页 / 共20页
浙江省海塘物业化服务岗位设置、检查内容表、维修养护表、事项明细.docx_第10页
第10页 / 共20页
亲,该文档总共20页,到这儿已超出免费预览范围,如果喜欢就下载吧!
资源描述

《浙江省海塘物业化服务岗位设置、检查内容表、维修养护表、事项明细.docx》由会员分享,可在线阅读,更多相关《浙江省海塘物业化服务岗位设置、检查内容表、维修养护表、事项明细.docx(20页珍藏版)》请在第壹文秘上搜索。

1、附录A(规范性附录)岗位设置表A.1给出了海塘管理岗位设置及人员数量要求。表A.1岗位设置及人员数量要求维修养护等级岗位名称岗位要求人员数量一级负责岗位取得中级以上专业技术职称任职资格或从事水利工作5年以上。23工程技术管理岗位取得中级以上专业技术职称任职资格或从事水利工作3年以上。36巡查岗位取得初级工及以上技术等级资格。每24公里1人工程运行与维护岗位取得初级工及以上技术等级资格。按需配置二级负责岗位取得中级以上专业技术职称任职资格或从事水利工作3年以上。-2工程技术管理岗位取得中级以上专业技术职称任职资格或从事水利工作3年以上。24巡查岗位取得初级工及以上技术等级资格。每46公里1人工程

2、运行与维护岗位取得初级工及以上技术等级资格。按需配置三级负责岗位取得初级以上专业技术职称任职资格或从事水利工作3年以上。1-2工程技术管理岗位取得初级以上专业技术职称任职资格或从事水利工作3年以上。23巡查岗位取得初级工及以上技术等级资格。每68公里I人工程运行与维护岗位取得初级工及以上技术等级资格。按需配置四级负责岗位取得初级以上专业技术职称任职资格或从事水利工作3年以上。12工程技术管理岗位取得初级以上专业技术职称任职资格或从事水利工作3年以上。1-2巡查岗位取得初级工及以上技术等级资格。每68公里1人工程运行与维护岗位取得初级工及以上技术等级资格。按需配置注:防潮(洪)100年为一级;1

3、00年防潮(洪)50年为二级;50年防潮(洪)20年为三级;20年防潮(洪)为四级。附录B(资料性附录)海塘检查内容表表B给出了海塘检查内容表。表B.海塘检查内容表工程主要部位检查主要内容建筑物塘身塘顶塘身外观是否整洁,绿化是否完好,有无垦机、存放物料、雨淋沟、塌陷、裂缝、洞穴、滑坡和塘顶积水等现象,有无明显沉降变形和渗漏;迎水坡、背水坡(1)迎水坡、背水坡及坡脚挡土墙、塘顶护面是否整洁,结构有无破损,砌体有无松动、塌陷、缺失等;(2)迎水坡护面与反滤结构的结合是否完好,反滤有无淘刷、流失;防浪墙(I)防浪墙结构是否完整稳固,墙体有无错位,分缝填充料是否完好:(2)消浪平台、混凝土异形块体、格

4、栅等消浪防冲设施是否完好:镇压层镇压层、沉井、板桩、大方脚等结构是否完整,有无明显沉陷和冲损:交叉建筑物结合部位(1)路堤结合的海塘其道路通行有无影响工程安全的现象;(2)路肩石是否完好:(3)隔堤是否完整。护塘设施和塘前滩地盘头盘头、丁坝、顺坝、潜坝等护塘设施是否整洁,是否完好,坝面有无出现裂缝、塌陷、冲损,排水孔是否有效,坝头挂桩或其他保护结构是否完好,坝根导流墙是否完好:丁坝顺坝潜坝塘前抛石塘前抛石等有无冲刷、移位;塘前滩地塘前滩地一定范围内有无明显冲刷和淤积等变化护塘地(1)护塘地是否完整、整洁,绿化是否完好,高程和宽度是否满足要求:(2)护塘地有无被侵占、漫水、破坏、渗漏等现象,排水

5、设施是否完好、排水是否通畅;护塘河护塘河是否整洁,有无随意挖深拓宽,水位是否经常骤升、骤降,河岸驳坎是否完好和稳定。交叉建筑物(1)沿塘交叉建筑物与塘身结合部位是否整洁、完好,有无出现裂缝、渗漏及不均匀沉降等现象;(2)旱闸、通道、涵洞、水闸(有专门管理单位的除外)等设施设备是否整洁、完好,旱闸、通道能否有效封堵,涵洞、水闸能否正常启闭;(3)桥梁、码头、道口、管道等跨塘、穿塘、临塘设施是否影响海塘工程正常运行,有无沉陷、开裂和渗漏等。古海塘塘身(1)塘身迎潮面是否凸鼓、整体外倾、下沉、有竖向贯穿裂缝;条石是否有风化、断裂、掉角、抽失。(2)灰缝是否脱落,条石间是否有较大空洞。塘基(1)塘基是

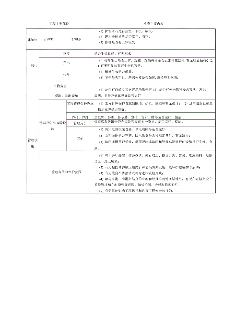
6、否有流土、冒砂现象;(2)护塘墙是否移位、缺失。(3)塘基木桩是否外露、上部挂空。顶条石(1)塘顶条石是否排列整齐,有无裂缝、断裂、高低不平.(2)塘背土体有无天落洞、用工是否低于塘顶、卜部挂空、存在纵向裂缝建筑物古海塘护坦条(1)护坦条石是否挂空、下沉、缺失。(2)坦水排桩桩头是否腐坏、断裂。(3)排桩是否有土体流失。绿化草皮是否生长良好、有无积水乔木(I)枝叶生长是否正常,观花、观果树种是否正常开花结果,有无明显枯枝C(2)有无明显的有害生物危害状;花卉(1)植株生长是否健壮;(2)茎干是否粗壮,基部分枝是否强健,蓬径基本饱满;生物危害(1)是否有白蚊及其它害堤动物侵害(2)是否有外来物种

7、侵占青坎、滩地管理设施观测、监测设施观测、监控及通讯设施是否完好管理及防汛抢险设施工程管理保护设施(1)工程管理保护设施如围墙、护栏、围挡等有无损坏;(2)过车限载设施及指示标牌是否完好。界碑、界牌里程碑、界桩、警示牌、宣传(告示)牌等是否完好、整洁;管理用房管理房和防汛物资仓库是否存在安全隐患,是否完好、整洁。其他(1)防汛抢险机械设备、供电线路等是否完好;(2)备料场地是否完整,防汛物资是否按规定备足,有无缺损:(3)防汛通道是否畅通,堤顶限制非防汛和管理车辆通行的设施是否完好、有效。管理范围和保护范围(1)有无进行爆破、打井挖塘、采石取土、挖坑开沟、建房、堆放物料、倾倒垃圾、废土废渣;(

8、2)有无翻挖塘脚镇压层抛石和消浪防冲设施、毁坏护塘植物等活动;(3)有无擅自在防浪墙或塘身进行破塘开缺;(4)除与海港、渔港相结合的海塘和经批准的避风锚地外,有无在海塘上设立系船缆柱和在海塘管理范围内抛锚泊船、造船和修理船只;(5)有无其他影响工程运行和危害工程安全的行为。工程主要部位检查主要内容附录C(资料性附录)日常巡查记录表C给出了日常巡查记录表。表C日常巡查记录表检查时间月日堤塘名称天气I晴阴口雨口检查内容与情况塘顶裂缝:无口有口破损、积水:无口有口:迎水坡被侵占:无口有口洞穴:无口有口雨淋沟:无Cl有口挡墙开裂:无口有口塌陷:无口有口砌体缺失:无口有口挡墙沉降:无口有口护面开裂、破损

9、:无口有口砌体松动、塌陷:无口有口反滤结构是否完好:是口否口背水坡被侵占:无口有口洞穴:无口有口雨淋沟:无口有口挡墙开裂:无口有口塌陷:无口有口砌体缺失:无C)有口挡墙沉降:无口有口护面开裂、破损:无口有口砌体松动、塌陷:无口有口反滤结构是否完好:是口否口防浪墙开裂:无口有口错断:无口有C)倾斜:无口有镇压层沉陷:无口有口冲损:无口有口交叉建筑物结合部位裂缝:无口有口渗漏:无口有口不均匀沉降:无口有口消浪防冲设施消浪防冲设施完整:是口否口盘头闸门结构完整:是口否口止水完好、无漏水:是口否口丁坝开裂:无口有口护面错断:无口有口破损:无口有口顺坝开裂:无口有口护面错断:无口有口破损:无口有口潜坝开

10、裂:无口有口护面错断:无口有口破损:无口有口塘前抛石冲刷:无口有口移位:无口有口塘前滩地明显冲刷:无口有口明显淤积:无口有口护塘地被侵占、挖填:无口有口漫水、渗漏:无口有口护塘河护岸破损:无口有口挖深拓宽:无口有口交叉建筑物安全隐患:无口有口管理及防汛抢险设施破损:无口有口丢失:无口有口附属设施里程桩号遮挡涂抹更新、损坏:无口有口标志牌松动、涂抹、锈蚀、脱落、损坏:无口有口警示桩松动、损坏、缺失:无口有口栏杆锈蚀、损坏、缺失:无口有口信息化设施损坏.:无口有口人行通道、景观平台等设施损坏:无口有口限行减速设施松动损坏、缺失:无口有口网格化设施损坏:无口有口海塘绿化植物缺损、倒伏、枯死:无口有口

11、病虫害、杂草及不规范修剪:无口有口违法占用、垦殖、人为破坏:无口有.口场地周边杂物、积水:无口有口生物危害白蚁及其它害塘动物的侵害:无口有口外来物种侵占青坎、滩地:无口有口异常情况记录异常情况处置处理措施:报告对象:报告时间:报告方式:电话口书面口巡查人员(签名)附录D(规范性附录)海塘维修养护表维修养护定期检查表格式见表D.lo表D.1维修养护定期检查表海塘工程名称:填表日期:年月日养护项目名称填报内容1维修养护计划维修养护内容物业化服务单位计划工期年月日年月日2维修养护实施进度情况质量情况安全生产3存在问题4处理意见5备注填表人物业化服务单位负责人(签名)海塘维修养护要求见表D.2。表D.

12、2海塘维修养护要求表分项具体部位维修养护要求塘身塘顶主要包括塘顶路面、防浪墙、路肩石等的维修养护,维修养护应做到:塘顶路面应保持清洁,表面无堆积物、垃圾、杂草、积水等;塘顶路面有裂缝、塌陷、沥青混凝土起砂等局部破损,应及时修复;保持防浪墙完好、结构稳固、外观整洁,分缝材料完好,有破损应及时修复:路肩石应保持完好,有破损应及时修复。迎水坡维修养护应做到:表面无堆积物、垃圾、杂草等,外表整洁美观:护面结构完好,无开裂、露筋、松动、鼓起、坍塌、破损、缺失等局部损坏,勾缝无起翘、剥落,混凝土、砌体护面分缝完整无破损:排水孔无杂物阻塞现象,并保持排水有效;护面结构损坏应及时修复;格栅填堵后应定期清理。背

13、水坡主要包括混凝土(预制块)、砌体、绿化等的维修养护,维修养护应做到:混凝土(块)、砌体护面维修养护见迎水坡护面维修养护之规定;草皮覆盖度应大于80%,集中空秃面积超过0.5m2时应及时补种;草皮应定期整修、养护,保持平整,花木应定期修剪、整形和养护;草皮纯洁度(每平方米内主草数量所占的百分比)应保持80%以上,显眼杂草应根除;雨淋洞、雨淋沟等应及时修复。塘脚主要包括镇压层、护坦、沉井、板桩、消浪平台、大方脚等的维修养护,维修养护应做到:塘脚应保持结构完好,有裂缝、塌陷、冲损、淘刷等情况,应及时修复;消浪平台无损坏,有沉陷、冲损等情况,应及时修凭;塘脚基础稳定,镇压层、大方脚等发现松动、鼓出和

14、位移等情况,应及时采取措施予以加固。护塘地及护塘河维修养护应做到:护塘地的高程和宽度不够时应及时加高加宽,有坍塌、鼓出等情况应及时进行修复,漫水应及时排干;绿化应保持完好,及时清除垃圾杂物,定期整修,缺失应适时补机:结合交通的护塘地下沉严重或路面破损的应及时进行维修;护塘河驳坎下沉、失稳、坍塌的应及时修复:背水坡、护塘地、护塘河驳坎处发生渗漏的应及时处理;排水沟渠有破损、堵塞应及时修复、疏通。护塘设施及塘前滩地主要包括:盘头、丁坝、顺坝、潜坝、抛石、混凝土块体等的维修养护。维修养护应做到:护塘防冲设施应保持结构完好;坝面、坝坡、抛石及混凝土块体等出现局部塌陷、冲损、散失等影响护塘设施安全的,应及时恢复原状以避免损坏部位进一步扩大;设有挂桩保护的,应及时检查,下沉后应及时接桩;塘前滩地发生严重冲刷的,应及时对冲刷部

展开阅读全文
相关资源
猜你喜欢
相关搜索

当前位置:首页 > 办公文档 > 统计图表

copyright@ 2008-2023 1wenmi网站版权所有

经营许可证编号:宁ICP备2022001189号-1

本站为文档C2C交易模式,即用户上传的文档直接被用户下载,本站只是中间服务平台,本站所有文档下载所得的收益归上传人(含作者)所有。第壹文秘仅提供信息存储空间,仅对用户上传内容的表现方式做保护处理,对上载内容本身不做任何修改或编辑。若文档所含内容侵犯了您的版权或隐私,请立即通知第壹文秘网,我们立即给予删除!