小额工程工匠入库实操技能考评技术文件水电安装工.docx

上传人:p** 文档编号:985110 上传时间:2024-06-06 格式:DOCX 页数:5 大小:28.25KB
下载 相关 举报
小额工程工匠入库实操技能考评技术文件水电安装工.docx_第1页
第1页 / 共5页
小额工程工匠入库实操技能考评技术文件水电安装工.docx_第2页
第2页 / 共5页
小额工程工匠入库实操技能考评技术文件水电安装工.docx_第3页
第3页 / 共5页
小额工程工匠入库实操技能考评技术文件水电安装工.docx_第4页
第4页 / 共5页
小额工程工匠入库实操技能考评技术文件水电安装工.docx_第5页
第5页 / 共5页
亲,该文档总共5页,全部预览完了,如果喜欢就下载吧!
资源描述

《小额工程工匠入库实操技能考评技术文件水电安装工.docx》由会员分享,可在线阅读,更多相关《小额工程工匠入库实操技能考评技术文件水电安装工.docx(5页珍藏版)》请在第壹文秘上搜索。

1、小额工程工匠入库实操技能考评技术文件水电安装工工种技能(职业方向):水电安装工。本文件由第三方专家参照国家相关职业标准和小额工程工匠实际应用要求命制,是对实操技能考评内容的框架性描述,正式考评的内容和要求以考评公布的图纸为准。1.考评内容:1.1命题任务:家用配电箱、三相电源布置、末端水处理。1.2完成方式和时间:完成方式:考生单人完成命题任务。完成时间:原则上考生需在1.5小时以内独立完成,2小时之内拆除并清场完毕。1.3图纸说明:详图见附件DT。1.3.1阅读配电系统图,完成配电箱三相进线(总开+4路,空调、照明、插座、电机)、三相四线插座的安装、调试及验收。1.3.2 根据图纸,从进水口

2、至淋浴喷淋管的制作安装图,从提供的管材中选择相应的管件进行下料、加工组合。1.3.3 淋浴喷淋管涉及到大回环回水管,根据方向安装单向阀。1.4操作要求1.4.1电气制作安装标准按照GB50303-2015建筑电气工程施工质量验收规范的规定执行。管路部分制作安装标准按照GB50242-2002建筑给水排水及采暖工程施工质量验收规范的规定执行。1.4.2根据电气安装工艺规范的要求完成PVC线槽的加工与安装,包括PVC线槽底槽的固定、线槽的连接、线槽与盒的连接以及槽内导线的敷线。1.4.3三相插座接头采用焊锡工艺套热缩管进行连接,连接必须正确、牢固,接头处不得露铜。施工过程中导线绝缘层或线芯无损伤。

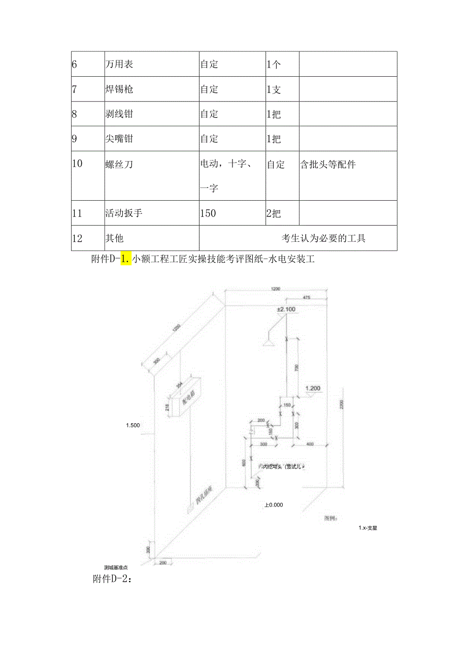
3、相线、零线、保护线的颜色选择正确。1.4.4所有管子均采用底座式管卡明装,用螺丝固定。1.4.5遵守安全文明生产规程,安装完成,由评委进行测评后,考生拆除作品,材料分类堆放整齐,工位清理干净(拆除和场清纳入评分)。2 .评价标准:按评分表细则进行测评。评分表见附件D-2。3 .考评相关材料、设备和工具。3.1 考生自带工具清单:序号工具名称规格数量备注1劳保用品:安全帽、工作服、绝缘胶鞋、工作手套等自选1套劳保用品须穿戴整齐,缺项者可能会被拒绝进入考场。2ppr热熔机DN251套3PPr快剪1把4管钳3502把5水平尺3001个6万用表自定1个7焊锡枪自定1支8剥线钳自定1把9尖嘴钳自定1把1

4、0螺丝刀电动,十字、一字自定含批头等配件11活动扳手1502把12其他考生认为必要的工具测城基准点1.500内纥穹头(笈试儿上0.0001.x-支星附件D-1.小额工程工匠实操技能考评图纸-水电安装工附件D-2:小额工匠实操评分表一D水电安装工镇/街道:姓名:工位号:开始时间:完工时间:场清时间:序号评分内容允许偏差配分评分标准得分1材料使用错误一处5材料应用错误一处0分2热熔方法5方法不正确0分3电气接线手法5手法熟练度差0分(考生在做的过程中目测)4尺寸测量5mm20每处超出扣4分5水平度IO010超过100者扣分,超过20者得0分6垂直度510超过5。者扣分,超过10者得0分7接线工艺符合规范要求5一处不合格扣1分,扣完为止8热熔工艺符合规范要求5一处不合格扣1分,扣完为止9关卡位置符合规范要求10一处不合格扣1分,扣完为止10清洁现场要求进行,不清无分11工具使用和维护5施工前后检查两次酌情扣分(目测)12文明施工5可回收、不可回收材料分类13完成度10完成度少于60%直接否定为不合格,完成度大于等于60%可参与前面评分,本项根据完成情况扣分合计100总得分考评人签名:日期:2024年5月6日

展开阅读全文
相关资源
猜你喜欢
相关搜索

当前位置:首页 > 论文 > 期刊/会议论文

copyright@ 2008-2023 1wenmi网站版权所有

经营许可证编号:宁ICP备2022001189号-1

本站为文档C2C交易模式,即用户上传的文档直接被用户下载,本站只是中间服务平台,本站所有文档下载所得的收益归上传人(含作者)所有。第壹文秘仅提供信息存储空间,仅对用户上传内容的表现方式做保护处理,对上载内容本身不做任何修改或编辑。若文档所含内容侵犯了您的版权或隐私,请立即通知第壹文秘网,我们立即给予删除!