零星产品外购技术协议.docx

上传人:p** 文档编号:98851 上传时间:2022-12-21 格式:DOCX 页数:2 大小:22.29KB
下载 相关 举报
零星产品外购技术协议.docx_第1页
第1页 / 共2页
零星产品外购技术协议.docx_第2页
第2页 / 共2页
亲,该文档总共2页,全部预览完了,如果喜欢就下载吧!
资源描述

《零星产品外购技术协议.docx》由会员分享,可在线阅读,更多相关《零星产品外购技术协议.docx(2页珍藏版)》请在第壹文秘上搜索。

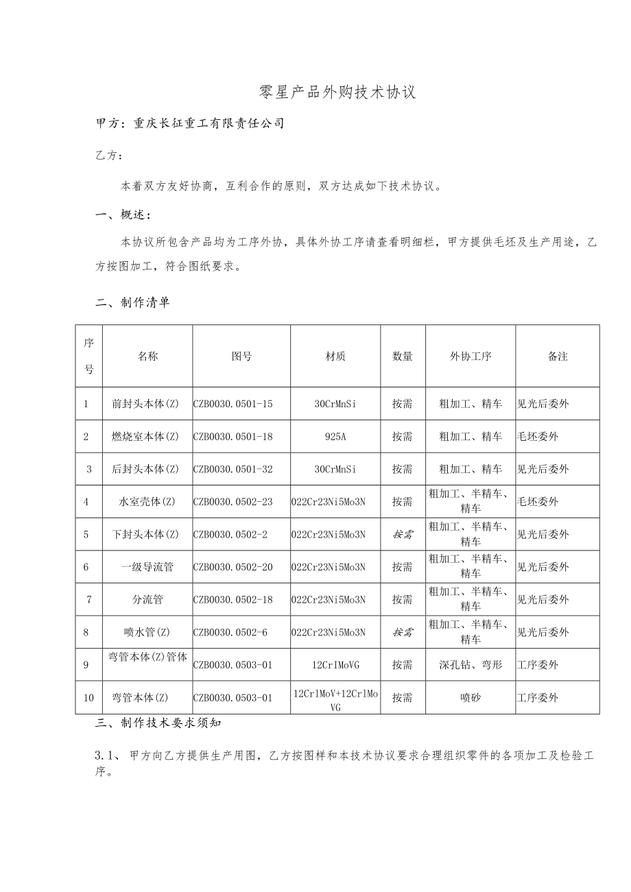
1、零星产品外购技术协议甲方:重庆长征重工有限责任公司乙方:本着双方友好协商,互利合作的原则,双方达成如下技术协议。一、概述:本协议所包含产品均为工序外协,具体外协工序请查看明细栏,甲方提供毛坯及生产用途,乙方按图加工,符合图纸要求。二、制作清单序号名称图号材质数量外协工序备注1前封头本体(Z)CZB0030.0501-1530CrMnSi按需粗加工、精车见光后委外2燃烧室本体(Z)CZB0030.0501-18925A按需粗加工、精车毛坯委外3后封头本体(Z)CZB0030.0501-3230CrMnSi按需粗加工、精车见光后委外4水室壳体(Z)CZB0030.0502-23022Cr23Ni5

2、Mo3N按需粗加工、半精车、精车毛坯委外5下封头本体(Z)CZB0030.0502-2022Cr23Ni5Mo3N按需粗加工、半精车、精车见光后委外6一级导流管CZB0030.0502-20022Cr23Ni5Mo3N按需粗加工、半精车、精车见光后委外7分流管CZB0030.0502-18022Cr23Ni5Mo3N按需粗加工、半精车、精车见光后委外8喷水管(Z)CZB0030.0502-6022Cr23Ni5Mo3N按需粗加工、半精车、精车见光后委外9弯管本体(Z)管体CZB0030.0503-0112CrIMoVG按需深孔钻、弯形工序委外10弯管本体(Z)CZB0030.0503-0112

3、CrlMoV+12CrlMoVG按需喷砂工序委外三、制作技术要求须知3.1、 甲方向乙方提供生产用图,乙方按图样和本技术协议要求合理组织零件的各项加工及检验工序。3.2、 乙方对甲方的提供的技术资料负保密责任,不得将技术资料透露给第三方,由乙方技术资料泄密造成的甲方损失由乙方赔偿,甲方有权收回技术资料。报价用图不作为正式生产用图,正式生产前领用正式蓝图生产。3.3、 实际加工工序可能会根据生产情况进行调整,以调整通知为准。3.4、 022Cr23Ni5Mo3N材质为双相不锈钢,精加工工序前需考虑加工应力而造成的产品变形,合理设置半精车至精车余量(余量不大于单边3mm),半精车后送回甲方,待甲方

4、低温时效后再进行精车。四、验收准备及要求4.1、 产品按图验收,乙方须具备对应产品加工能力,必要时提供设备明细。4.2、 未注公差等级要求:一般公差未注公差的线性和角度尺寸的公差按GB/T1804-M,形状和位置公差未注公差值按GB/T1184-K执行。4.3、 产品精车交付时,乙方开具质量证明书,同时提供尺寸检验记录等自检资料。4.4、 产品交付时进行必要的防锈处理避免生锈,使用专用周转箱包装运输,不得产生碰、划伤。4.5、 乙方对产品的质量负全部责任,乙方在得到甲方的质量信息反馈后,必须在24小时内到达现场进行质量处置。产品生产过程出现问题,第一时间通知甲方,提供后续处理方案,由甲方判定是否执行后续工序。4.6、 所有产品的表面以及内孔不允许出现机加毛刺,图纸标注倒角位置必须倒角,未标注倒角位置不可倒角。4.7、 装夹位置应采用铜皮保护,所有产品的表面不允许夹伤。六、其它6.1、 其他未尽事宜,买卖双方协商解决,并签定补充技术协议。6.2、 本协议一式四份,双方各执两份,本协议双方代表签字后,与合同具有同等法律效力。任何一方无权单方修改和中断本协议。甲方:重庆长征重工有限责任公司乙方:代表签字:代表签字:

展开阅读全文
相关资源
猜你喜欢
相关搜索

当前位置:首页 > 管理/人力资源 > 资本运营

copyright@ 2008-2023 1wenmi网站版权所有

经营许可证编号:宁ICP备2022001189号-1

本站为文档C2C交易模式,即用户上传的文档直接被用户下载,本站只是中间服务平台,本站所有文档下载所得的收益归上传人(含作者)所有。第壹文秘仅提供信息存储空间,仅对用户上传内容的表现方式做保护处理,对上载内容本身不做任何修改或编辑。若文档所含内容侵犯了您的版权或隐私,请立即通知第壹文秘网,我们立即给予删除!