管道分级和检测比例.docx

上传人:p** 文档编号:988688 上传时间:2024-06-06 格式:DOCX 页数:6 大小:14.57KB
下载 相关 举报
管道分级和检测比例.docx_第1页
第1页 / 共6页
管道分级和检测比例.docx_第2页
第2页 / 共6页
管道分级和检测比例.docx_第3页
第3页 / 共6页
管道分级和检测比例.docx_第4页
第4页 / 共6页
管道分级和检测比例.docx_第5页
第5页 / 共6页
管道分级和检测比例.docx_第6页
第6页 / 共6页
亲,该文档总共6页,全部预览完了,如果喜欢就下载吧!
资源描述

《管道分级和检测比例.docx》由会员分享,可在线阅读,更多相关《管道分级和检测比例.docx(6页珍藏版)》请在第壹文秘上搜索。

1、一、SH3501石油化工有毒、可燃介质钢制管道工程施工及验收规范将管道分为SHA、SHB.SHC.SHD四个等级。管道级别适用范围SHA1 .毒性程度为极度危害介质管道(苯管道除外)。2 .毒性程度为高度危害介质的丙烯晴、光气、二硫化碳和氟化氢介质管道。3.设计压力大于或等于10.0MPa输送有毒、可燃介质管道。SHB1.毒性程度为极度危害介质的苯管道。2.毒性程度为高度危害介质管道(丙烯晴、光气、二硫化碳和氟化氢管道除外)。3.甲类、乙类可燃气体和甲八类液化烧、甲B类、乙A类可燃液体介质管道。SHC1.毒性程度为中度、轻度危害介质管道。2.乙B类、丙类可燃液体介质管道。SHD设计温度低于一2

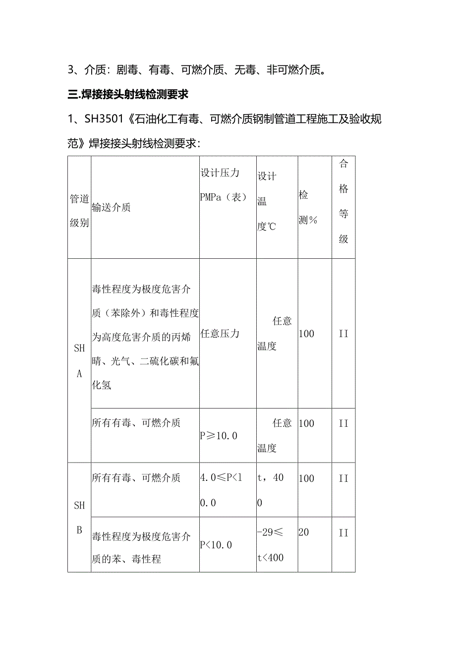
2、9C的低温管道。二.GB50235工业金属管道工程施工规范取消了管道分类,按照设计温度、设计压力和介质类别来区分:1、设计温度分为:t400oCx-29t400oCxt10.0MPa(42.0)、P10.0MPax4.0P10.0MPaxP4.0MPa、3、介质:剧毒、有毒、可燃介质、无毒、非可燃介质。三.焊接接头射线检测要求1、SH3501石油化工有毒、可燃介质钢制管道工程施工及验收规范焊接接头射线检测要求:管道级别输送介质设计压力PMPa(表)设计温度检测合格等级SHA毒性程度为极度危害介质(苯除外)和毒性程度为高度危害介质的丙烯晴、光气、二硫化碳和氟化氢任意压力任意温度100II所有有毒

3、、可燃介质P10.0任意温度100IISHB所有有毒、可燃介质4.0Pl0.0t,400100II毒性程度为极度危害介质的苯、毒性程P10.0-29t40020II度为高度危害介质(丙烯晴、光气、二硫化碳和氟化氢除外)和甲A类液化燃P4.0t40020II甲类、乙类可燃气体和甲B类、乙A类可燃液体P10.0-29t40010IIP4.0t40010IISHC毒性程度为中度、轻度危害介质和乙B类、丙类可燃介质4.0Pl0.0t,400100IIP10.0-29t4005IIIP4.0t24005IIISHD有毒、可燃介质任意压力T-29100IIXSH3501考虑了石油化工的特点,对有毒、可燃介

4、质管道做了详细的规定。非可燃、无毒介质焊接接头射线检测要求按GB50235要求进行验收。2、GB50235工业金属管道工程施工规范焊接接头射线检测要求:序号输送介质设计压力MPa(表)设计温度检测合格等级1输送剧毒流体的管道任意压力任意温度100II2所有有毒、可燃介质P10.0任意温度4.0P10.0t24003非可燃流体、无毒流体的管道P10.0t4004低温管道任意压力T-295非可燃流体、无毒流体的管道P1.0t40006其它管道5III3、SH3501、GB50235的比较(1)相同点对以下管道均为100%射线检测;1)剧毒介质;2)有毒可燃介质:P10.0,任意温度;4P10.0,

5、t400oCo3)非可燃、无毒介质:P10.0,t400oC;4)低温管道:t-29C(2)不同点SH3501石油化工有毒、可燃介质钢制管道工程施工及验收规范1)对可燃高度危害介质按介质分为两种情况:苯、毒性程度为高度危害介质(丙烯晴、光气、二硫化碳和氟化氢除外)和甲A类液化煌PQO.0,-29t400C及P4.0,t400,管道射线检测率为20%;甲类、乙类可燃气体和甲B类、乙A类可燃液体P10.0,-29Wt400C及P4.0,t400,管道射线检测率为10%;毒性程度为中度、轻度危害介质和乙B类、丙类可燃介质:P10.0,-29t400C及P4.0,t400,管道射线检测率为5%;对非可燃、无毒介质管道未作规定。GB50235工业金属管道工程施工规范将管道焊缝的射线照像检验和超声波检验比例分为100%、5%和0%三种。对t400及P4.0可燃有毒介质管道射线检测率为5%。但在压力管道中,要求100%射线检验和“抽检比例不低于5%”的管道比例很大,这样将增加检验要求的不严密性和对检验要求说明的内容。

展开阅读全文
相关资源
猜你喜欢
相关搜索

当前位置:首页 > 建筑/环境 > 保温建筑

copyright@ 2008-2023 1wenmi网站版权所有

经营许可证编号:宁ICP备2022001189号-1

本站为文档C2C交易模式,即用户上传的文档直接被用户下载,本站只是中间服务平台,本站所有文档下载所得的收益归上传人(含作者)所有。第壹文秘仅提供信息存储空间,仅对用户上传内容的表现方式做保护处理,对上载内容本身不做任何修改或编辑。若文档所含内容侵犯了您的版权或隐私,请立即通知第壹文秘网,我们立即给予删除!