电工电子技术期末考试题.docx

上传人:p** 文档编号:993063 上传时间:2024-06-09 格式:DOCX 页数:1 大小:20.69KB
下载 相关 举报
电工电子技术期末考试题.docx_第1页
第1页 / 共1页
亲,该文档总共1页,全部预览完了,如果喜欢就下载吧!
资源描述

《电工电子技术期末考试题.docx》由会员分享,可在线阅读,更多相关《电工电子技术期末考试题.docx(1页珍藏版)》请在第壹文秘上搜索。

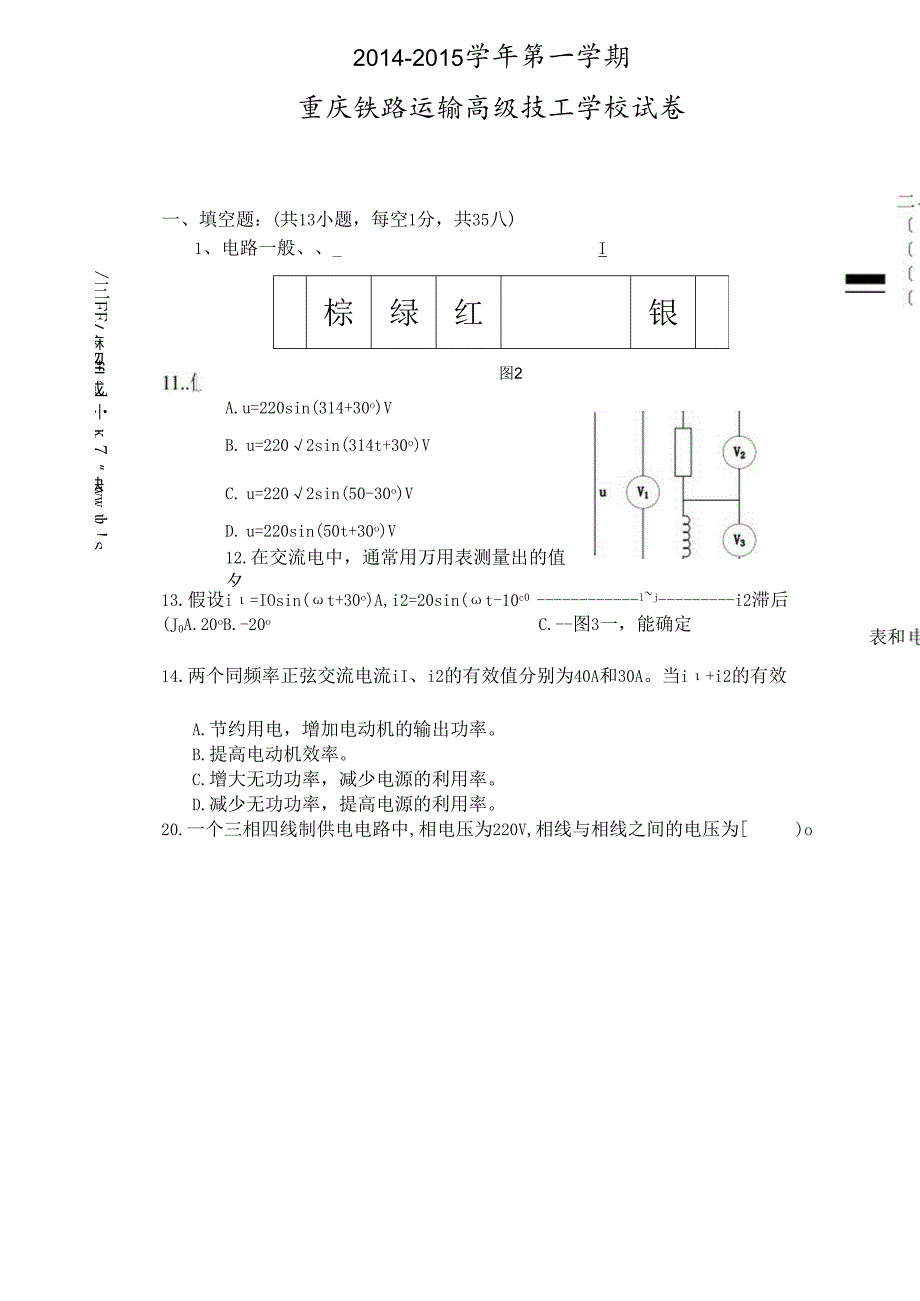
1、2014-2015学年第一学期重庆铁路运输高级技工学校试卷一、填空题:(共13小题,每空1分,共35八)1、电路一般、_I/三FE/麻勿ffl或l7“快ww!s卿棕绿红银图2A.u=220sin(314+30o)VB. u=2202sin(314t+30o)VC. u=2202sin(50-30o)VD. u=220sin(50t+30o)V12.在交流电中,通常用万用表测量出的值夕A.瞬时值B.最大值C,有效值13.假设i=IOsin(t+30o)A,i2=20sin(t-10c0lji2滞后和表(J0A.20oB.-20oC.-图3一,能确定14.两个同频率正弦交流电流iI、i2的有效值分

2、别为40A和30A。当i+i2的有效值为50是,i与i2的相位差是()OA.0oB.180oC.90015 .i=22sin(628t-30o)A,通过阻值为2Q的电阻时,电阻上消耗的功率是()。A.16W16 .R1.串联电路中,阻抗三角形三个边的关系为()。A.Z=R+XlB.Z=R2+XCz=RR2+XjD.Z=R2-X13t+求求求求417 .题图1所示为正弦交流电路,交流电压表Vl的读数为50V,V2的读数为40V,那么V3的读数为()Vo18 .在感性负载电路中,提高功率因数最有效、最合理的方法是(J019 .提高功率因数的目的是()0A.节约用电,增加电动机的输出功率。B.提高电动机效率。C.增大无功功率,减少电源的利用率。D.减少无功功率,提高电源的利用率。20.一个三相四线制供电电路中,相电压为220V,相线与相线之间的电压为)o

展开阅读全文
相关资源
猜你喜欢
相关搜索

当前位置:首页 > 高等教育 > 习题/试题

copyright@ 2008-2023 1wenmi网站版权所有

经营许可证编号:宁ICP备2022001189号-1

本站为文档C2C交易模式,即用户上传的文档直接被用户下载,本站只是中间服务平台,本站所有文档下载所得的收益归上传人(含作者)所有。第壹文秘仅提供信息存储空间,仅对用户上传内容的表现方式做保护处理,对上载内容本身不做任何修改或编辑。若文档所含内容侵犯了您的版权或隐私,请立即通知第壹文秘网,我们立即给予删除!