电磁铁的用途.docx

上传人:p** 文档编号:993155 上传时间:2024-06-09 格式:DOCX 页数:3 大小:43.72KB
下载 相关 举报
电磁铁的用途.docx_第1页
第1页 / 共3页
电磁铁的用途.docx_第2页
第2页 / 共3页
电磁铁的用途.docx_第3页
第3页 / 共3页
亲,该文档总共3页,全部预览完了,如果喜欢就下载吧!
资源描述

《电磁铁的用途.docx》由会员分享,可在线阅读,更多相关《电磁铁的用途.docx(3页珍藏版)》请在第壹文秘上搜索。

1、电磁铁的用途:1、用于冶金、矿山、机械、交通运输等行业吊运钢铁等导磁性材料。2、用作电磁机械手,夹持钢铁等导磁性材料。主要特点,1、采用全密封结构,防潮性能好。2、经计算机优化设计,结构合理、自重轻、吸力大、能耗低,平安可靠,安装、维护筒便。适用于各种起重设备。3、励磁线圈经特殊工艺处理,提高了线圈的电气和机械性能,绝缘材料耐热等级到达C级,使用寿命长。4、通常采用这电压控制方式,还可采用强励磁控制方式(DC-290V/DC-220V)和恒流供电方式。既能提高起重能力,又能节约能源、提高经济效益。5、超高温型电磁铁采用独特的隔热方式,其被吸物温度由过去的600提高到700-C,扩展了电磁铁的适

2、用范围。选型考前须知:1、吸运物料温度低于100C时,请选用常温型;超过100C时,请选用高温型:如果被吸物外表超过600-C时,请选用超高温型。超高温型起重电磁铁需特殊设计。2、通电持续率超过50%时,请选用高频型。3、水中吸吊物料时,请选用潜水型(潜水深度100m)潜水型电磁铁其参数与常温型相同。如用户需潜水型,请在订货时说明。4、周围环境温度:常温型-5eC-40*C,高温型-5,C-50,C。海拔高度不超过20Om。5、设备配套:单台使用时,按消耗功率(电流)选择整流控制设备及辅助设备;多功能台联用时,按联用台数的消耗功率(电流)这和选择。6、如果连续作业时间过长,如常温型超过8小时,

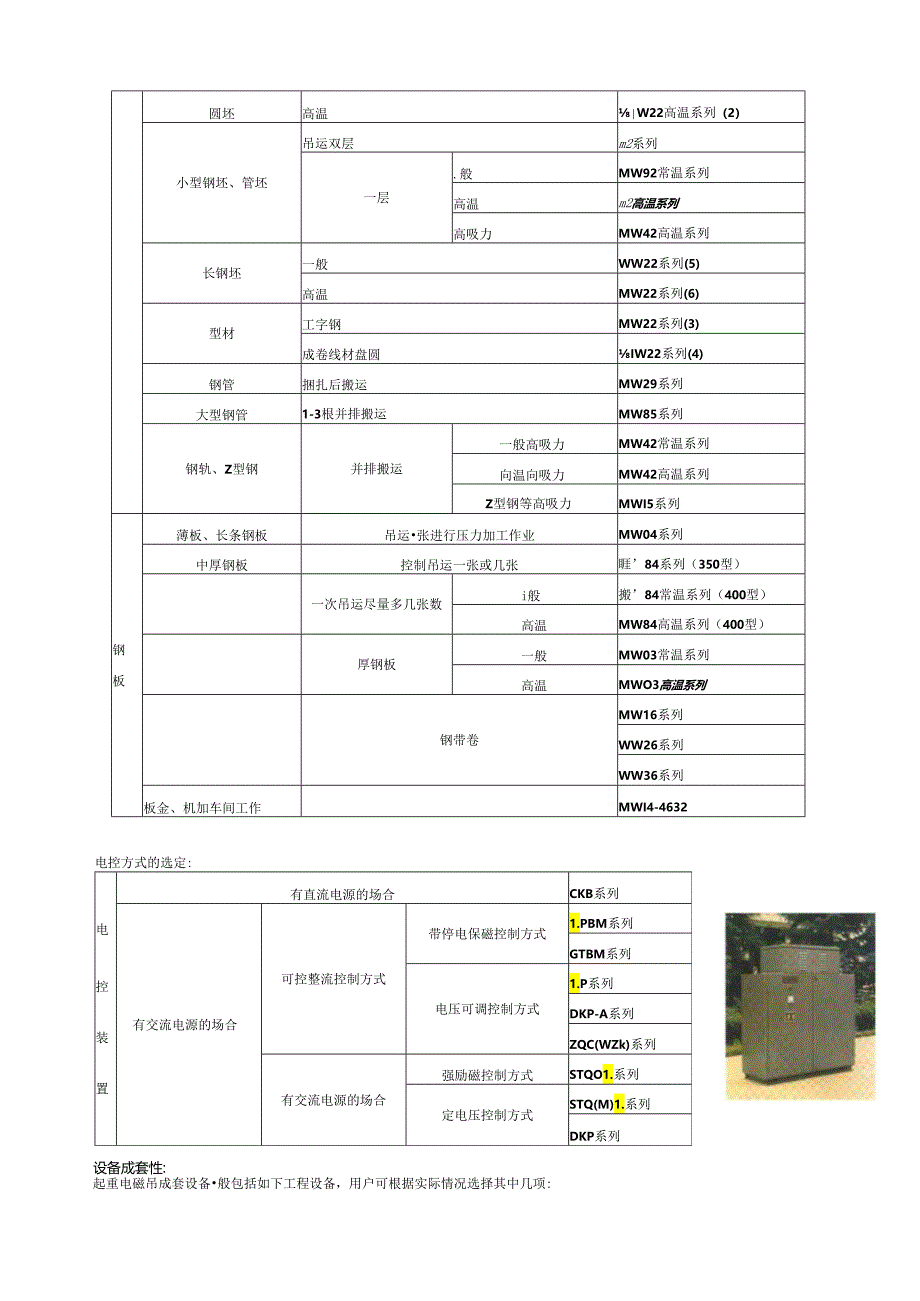
3、高频型超过6小时、高温型超过4小时、超高温型超过2小时,那么应采用备用方式,既两台以上交替工作的方式使用电磁盘,否那么连续时间过长会导致磁力下降、作业效率降低、产品寿命缩短甚至损坏磁盘。选型指南:根据吊运钢材种类、钢材尺寸、钢材温度来选择起重电磁铁和整流控制设备作业要求:1、停电保护要求2、起重设备吨位搬运钢材的种类作业要求推荐电磁铁系列散料废钢、生铁锭、切削屑般、(MW5)小型电磁盘搬5常温系列高温MW5高温系列作业频率高MW5高频系列装卸车箱mi系列钢坯大型钢坯、板坯一般MW03常温系列高温MWO3高温系列吊运和翻转兼用MW73系列大型初轧坯、梁坯、一般盟22常温系列(1)圆坯高温W22高

4、温系列(2)小型钢坯、管坯吊运双层m2系列一层.般MW92常温系列高温m2高温系列高吸力MW42高温系列长钢坯一般WW22系列(5)高温MW22系列(6)型材工字钢MW22系列(3)成卷线材盘圆IW22系列(4)钢管捆扎后搬运MW29系列大型钢管1-3根并排搬运MW85系列钢轨、Z型钢并排搬运一般高吸力MW42常温系列向温向吸力MW42高温系列Z型钢等高吸力MWI5系列钢板薄板、长条钢板吊运张进行压力加工作业MW04系列中厚钢板控制吊运一张或几张睚84系列(350型)一次吊运尽量多几张数i般搬84常温系列(400型)高温MW84高温系列(400型)厚钢板一般MW03常温系列高温MWO3高温系列

5、钢带卷MW16系列WW26系列WW36系列板金、机加车间工作MWI4-4632电控装置有直流电源的场合CKB系列有交流电源的场合可控整流控制方式带停电保磁控制方式1.PBM系列GTBM系列电压可调控制方式1.P系列DKP-A系列ZQC(WZk)系列有交流电源的场合强励磁控制方式STQO1.系列定电压控制方式STQ(M)1.系列DKP系列电控方式的选定:设备成套性:起重电磁吊成套设备般包括如下工程设备,用户可根据实际情况选择其中几项:起重电磁铁(堂台或多台);整流控制设备(壹台或壹套);电缆卷筒(壹台或多台);电缆连接器(壹台或多台);多台联吊吊架(具)(1台):密封电池(18只或9只);电池箱(1一3台);称重仪器(常温或高温,壹台);传感(壹只或多只):接件壹台);无线遥控装置(壹套)

展开阅读全文
相关资源
猜你喜欢
相关搜索

当前位置:首页 > 汽车/机械/制造 > 数控机床

copyright@ 2008-2023 1wenmi网站版权所有

经营许可证编号:宁ICP备2022001189号-1

本站为文档C2C交易模式,即用户上传的文档直接被用户下载,本站只是中间服务平台,本站所有文档下载所得的收益归上传人(含作者)所有。第壹文秘仅提供信息存储空间,仅对用户上传内容的表现方式做保护处理,对上载内容本身不做任何修改或编辑。若文档所含内容侵犯了您的版权或隐私,请立即通知第壹文秘网,我们立即给予删除!