病床呼叫系统PLC课程设计.docx

上传人:p** 文档编号:993345 上传时间:2024-06-09 格式:DOCX 页数:11 大小:83.86KB
下载 相关 举报
病床呼叫系统PLC课程设计.docx_第1页
第1页 / 共11页
病床呼叫系统PLC课程设计.docx_第2页
第2页 / 共11页
病床呼叫系统PLC课程设计.docx_第3页
第3页 / 共11页
病床呼叫系统PLC课程设计.docx_第4页
第4页 / 共11页
病床呼叫系统PLC课程设计.docx_第5页
第5页 / 共11页
病床呼叫系统PLC课程设计.docx_第6页
第6页 / 共11页
病床呼叫系统PLC课程设计.docx_第7页
第7页 / 共11页
病床呼叫系统PLC课程设计.docx_第8页
第8页 / 共11页
病床呼叫系统PLC课程设计.docx_第9页
第9页 / 共11页
病床呼叫系统PLC课程设计.docx_第10页
第10页 / 共11页
亲,该文档总共11页,到这儿已超出免费预览范围,如果喜欢就下载吧!
资源描述

《病床呼叫系统PLC课程设计.docx》由会员分享,可在线阅读,更多相关《病床呼叫系统PLC课程设计.docx(11页珍藏版)》请在第壹文秘上搜索。

1、1引言1.1、 课题设计的目的本课程设计主要用于医院病务区的病人有紧急或自己不方便的事件时呼叫护士站寻求帮助,护士根据站内指示灯及响铃获取求助信息的来源,并能及时的给其提供帮助。护士在站内发现信号时及时将站内灯及响铃复位,在处理完后再在病床前的开关将病床及病房的灯复位。1.2、 课题设计的任务学生根据控制要求,明确设计任务,拟定设计方案与进度方案,运用所学的理论知识,进行病床呼叫系统运行原理设计、硬件系统设计、软件系统设计、创新设计,提高理论知识工程应用能力、系统调试能力、分析问题与解决问题的能力。主要内容包括:设计出硬件系统的结构图、接线图等;系统有启动、停止功能;运用功能指令进行P1.C控

2、制程序设计,主要是主程序;程序结构与控制功能自行创新设计;1.3、课题设计的内容本课程设计主要用于医院病房区的病人有紧急或自己不方便的事件时呼叫护士站寻求帮助,护士根据站内指示灯及指示灯闪烁的频率获取求助信息的来源和求助的先后顺序,并能及时的给其提供帮助。护士在站内发现信号时及时将站内灯复位,在处理完后再在病床前的开关将病床及病房的灯复位。本系统的控制要求:、共有3个病房,每间病房4个床位。每一病床床头均有紧急呼叫按钮及重置按钮,以利病人不适时紧急呼叫。(2)、设每一层楼有一护士站,每一护士站均有该层楼病人紧急呼叫与处理完毕的重置按钮。(3)、每一病床床头均有一紧急指示灯,一旦病人按下紧急呼叫

3、按钮且未在5s内按下重置按钮时,该病床床头紧急指示灯动作且病房门口紧急指示灯闪烁,同时同楼层的护士站显示病房紧急呼叫并闪烁指示灯。(4)、在护士站的病房紧急呼叫中心,每一病房都有编号,用指示灯显示哪一病房先按下病人紧急呼叫按钮,并要具有优先级判别的能力。(5)、一旦护士看见护士站紧急呼叫闪烁灯后,须先按下护士处理按钮以取消闪烁情况,再依病房紧急呼叫顺序处理病房紧急事故,假设事故处理妥当后,病房紧急闪烁指示灯和病床上的紧急指示灯方能被重置。2、系统总体设计方案2.1、系统硬件配置及组成原理病床呼叫系统有主机、从机等两局部组成。从机(呼叫源)即病床按钮,主机包括P1.C及各输入输出扩展模块。主机中

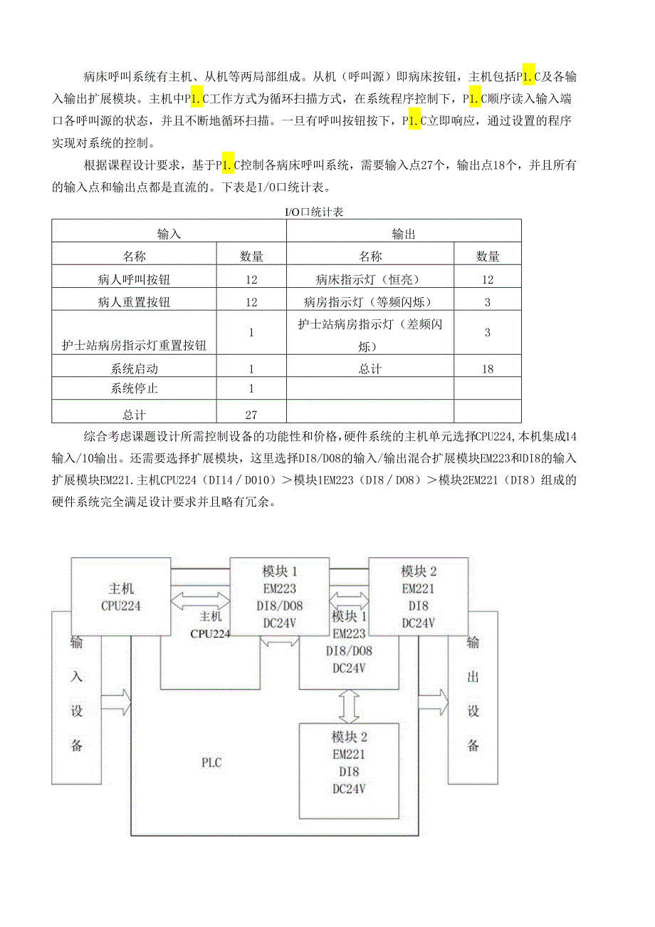
4、P1.C工作方式为循环扫描方式,在系统程序控制下,P1.C顺序读入输入端口各呼叫源的状态,并且不断地循环扫描。一旦有呼叫按钮按下,P1.C立即响应,通过设置的程序实现对系统的控制。根据课程设计要求,基于P1.C控制各病床呼叫系统,需要输入点27个,输出点18个,并且所有的输入点和输出点都是直流的。下表是I/O口统计表。I/O口统计表输入输出名称数量名称数量病人呼叫按钮12病床指示灯(恒亮)12病人重置按钮12病房指示灯(等频闪烁)3护士站病房指示灯重置按钮1护士站病房指示灯(差频闪烁)3系统启动1总计18系统停止1总计27综合考虑课题设计所需控制设备的功能性和价格,硬件系统的主机单元选择CPU

5、224,本机集成14输入/10输出。还需要选择扩展模块,这里选择DI8/D08的输入/输出混合扩展模块EM223和DI8的输入扩展模块EM221.主机CPU224(DI14D010)模块1EM223(DI8DO8)模块2EM221(DI8)组成的硬件系统完全满足设计要求并且略有冗余。系统组成图2.2系统变量定义及分配表系统变量定义表模块号输入变量输出变量内存变量信号名称有效状态说明代码10.0一号病房1号床呼叫按钮1有效常开按钮SFll10.1一号病房2号床呼叫按钮1有效常开按钮SF1210.2一号病房3号床呼叫按钮1有效常开按钮SF13CPU22410.3一号病房4号床呼叫按钮1有效常开按钮

6、SF1410.4一号病房1号床重值按钮1有效常开按钮SFllO10.5一号病房2号床重值按钮1有效常开按钮SF12010.6一号病房3号床重值按钮1有效常开按钮SF13010.7一号病房4号床重值按钮1有效常开按钮SF14011.0二号病房1号床呼叫按钮1有效常开按钮SF2111.1二号病房2号床呼叫按钮1有效常开按钮SF22CPU22411,.2二号病房3号床呼叫按钮1有效常开按钮SF23H.3二号病房4号床呼叫按钮1有效常开按钮SF2411.4二号病房1号床重值按钮1有效常开按钮SF21011.5二号病房2号床重1有效常开按钮SF220值按钮EM22312.0二号病房3号床重值按钮1有效常

7、开按钮SF23012.1二号病房4号床重值按钮1有效常开按钮SF24012.2三号病房1号床呼叫按钮1有效常开按钮SF3112.3三号病房2号床呼叫按钮1有效常开按钮SF3212.4三号病房3号床呼叫按钮1有效常开按钮SF3312.5三号病房4号床呼叫按钮1有效常开按钮SF3412.6三号病房1号床重值按钮1有效常开按钮SF31012.7三号病房2号床重值按钮1有效常开按钮SF320EM22113.0三号病房3号床重值按钮1有效常开按钮SF33013.1三号病房4号床重值按钮1有效常开按钮SF34013.2护士站紧急呼叫处理置位按钮1有效常开按钮SF313.3启动按钮1有效常开按钮SFl13.

8、4停止按钮1有效常开按钮SF2Q0.0一号病房1号床头指示灯1有效1.ED发光二极管PGllQO.1一号病房2号床头指示灯1有效1.ED发光二极管PG12Q0.2一号病房3号床头1有效1.ED发光二极管PG13CPU224指示灯Q0.3一号病房4号床头指示灯1有效1.ED发光二极管PG14Q0.4二号病房1号床头指示灯1有效1.ED发光二极管PG21Q0.5二号病房2号床头指示灯1有效1.ED发光二极管PG22Q0.6二号病房3号床头指示灯1有效1.ED发光二极管PG23Q0.7二号病房4号床头指示灯1有效1.ED发光二极管PG24Q1.0三号病房号床头指示灯1有效1.ED发光二极管PG3-Q

9、1.l三号病房号床头指示灯1有效1.ED发光二极管PG32EM223Q2.0三号病房号床头指示灯1有效1.ED发光二极管PG33Q2.1三号病房号床头指示灯1有效1.ED发光二极管PG34Q2.2一号病房紧急呼叫闪烁指示灯1有效1.ED发光二极管PGlQ2.3二号病房紧急呼叫闪烁指示灯1有效1.ED发光二极管PG2Q2.4三号病房紧急呼叫闪烁指示灯1有效1.ED发光二极管PG3Q2.5护士站一号病房紧急呼叫闪烁指示灯1有效1.ED发光二极管PGlOQ2.6护士站二号病房紧1有效1.ED发光二极管PG20急呼叫闪烁指示灯EM223Q2.7护士站三号病房紧急呼叫闪烁指示灯1有效1.ED发光二极管P

10、G3OM0.0启动停止自锁存放器1有效通用辅助继电器MO.1一号病房1病床呼叫自锁存放器1有效通用辅助继电器CPU224M0.2一号病房2病床呼叫自锁存放器1有效通用辅助继电器MO.3一号病房3病床呼叫自锁存放器1有效通用辅助继电器M0.4一号病房4病床呼叫自锁存放器1有效通用辅助继电器MO.5一号病房紧急呼叫指示灯闪烁辅助存放器1有效通用辅助继电器M0.6二号病房1病床呼叫自锁存放器1有效通用辅助继电器M0.7二号病房2病床呼叫自锁存放器1有效通用辅助继电器M1.0二号病房3病床呼叫自锁存放器1有效通用辅助继电器CPU224Mil二号病房4病床呼叫自锁存放器1有效通用辅助继电器M1.2二号病

11、房紧急呼叫指示灯闪烁辅助存放器1有效通用辅助继电器MI.3三号病房1病床呼叫自锁存放器1有效通用辅助继电器M1.4三号病房1病床呼叫自锁存放器1有效通用辅助继电器M.5三号病房1病床呼叫自锁存放器1有效通用辅助继电器M1.6三号病房1病床呼叫自锁存放器1有效通用辅助继电器M1.7一号病房紧急呼叫指示灯闪烁辅助存放器1有效通用辅助继电器M2.0护士站一号病房紧急呼叫指示灯高频闪烁自锁存放器1有效通用辅助继电器M2.1护士站一号病房紧急呼叫指示灯中频闪烁自锁存放器1有效通用辅助继电器CPU224M2.2护士站一号病房紧急呼叫指示灯低频闪烁自锁存放器1有效通用辅助继电器M2.3护士站二号病房紧1有效

12、通用辅助继电器急呼叫指示灯高频闪烁自锁存放器M2.4护士站二号病房紧急呼叫指示灯中频闪烁自锁存放器1有效通用辅助继电器M2.5护士站二号病房紧急呼叫指示灯低频闪烁自锁存放器1有效通用辅助继电器M2.6护士站三号病房紧急呼叫指示灯高频闪烁自锁存放器1有效通用辅助继电器M2.7护士站三号病房紧急呼叫指示灯中频闪烁自锁存放器1有效通用辅助继电器M3.0护士站三号病房紧急呼叫指示灯低频闪烁自锁存放器1有效通用辅助继电器CPU224M3.1护士站紧急处理复位辅助存放器1有效通用辅助继电器M3.2护士站一号病房紧急呼叫指示灯复位自锁存放器1有效通用辅助继电器M3.3护士站一号病房紧1有效通用辅助继电器急呼叫指示灯复位自锁存放器M3.4护士站一号病房紧急呼叫指示灯复位自锁存放器

展开阅读全文
相关资源
猜你喜欢
相关搜索

当前位置:首页 > 办公文档 > 课程设计

copyright@ 2008-2023 1wenmi网站版权所有

经营许可证编号:宁ICP备2022001189号-1

本站为文档C2C交易模式,即用户上传的文档直接被用户下载,本站只是中间服务平台,本站所有文档下载所得的收益归上传人(含作者)所有。第壹文秘仅提供信息存储空间,仅对用户上传内容的表现方式做保护处理,对上载内容本身不做任何修改或编辑。若文档所含内容侵犯了您的版权或隐私,请立即通知第壹文秘网,我们立即给予删除!