城市综合体模板工程施工方案.doc

上传人:p** 文档编号:993472 上传时间:2024-06-09 格式:DOC 页数:30 大小:1.48MB
下载 相关 举报
城市综合体模板工程施工方案.doc_第1页
第1页 / 共30页
城市综合体模板工程施工方案.doc_第2页
第2页 / 共30页
城市综合体模板工程施工方案.doc_第3页
第3页 / 共30页
城市综合体模板工程施工方案.doc_第4页
第4页 / 共30页
城市综合体模板工程施工方案.doc_第5页
第5页 / 共30页
城市综合体模板工程施工方案.doc_第6页
第6页 / 共30页
城市综合体模板工程施工方案.doc_第7页
第7页 / 共30页
城市综合体模板工程施工方案.doc_第8页
第8页 / 共30页
城市综合体模板工程施工方案.doc_第9页
第9页 / 共30页
城市综合体模板工程施工方案.doc_第10页
第10页 / 共30页
亲,该文档总共30页,到这儿已超出免费预览范围,如果喜欢就下载吧!
资源描述

《城市综合体模板工程施工方案.doc》由会员分享,可在线阅读,更多相关《城市综合体模板工程施工方案.doc(30页珍藏版)》请在第壹文秘上搜索。

1、某某广场城市综合体A区C#楼工程模 板 工 程 施 工 方 案1、编制依据1、1建筑及结构施工图纸;1、2工程施工组织设计;1、3长建股份【2009】08号 建设工程专项施工方案编写要求1、4建筑工程施工质量验收统一标准(GB503002001); 1、5建筑施工安全检查标准(JGJ5999);1、6混凝土结构工程设计规范;1、7混凝土结构工程施工质量验收规范(GB50204-2002);1、8建筑工程大模板技术规程(JGJ742003)、(J2702003);1、9混凝土质量控制标准(GB50164-92);1、10建筑施工高空作业安全技术规范(JGJ80-91);1、11建筑施工手册(第三

2、版);1、12简明施工计算手册;1、13钢筋混凝土高层建筑结构技术与施工规程(JGJ3-2002)。2、工程概况工程名称:某某广场城市综合体A区C#楼地址:洋浦大街以东,经开政务中心以西,某某广场以南,合肥路以北。建设单位:吉林现代交通建设有限公司 监理单位:吉林省金科工程监理有限公司施工单位:长春建设股份有限公司建筑面积:53527.90 层数:地下两层,地上局部六层,标准层高5.1米高,地下车库5.2米高。 总高:34.9米结构形式; 框架结构3、施工计划及总体部署本工程质量目标为合格工程。本工程依据后浇带的设置共分四个流水段。3、 1质量目标3、1、1分项合格率为100%,拆模后的砼外观

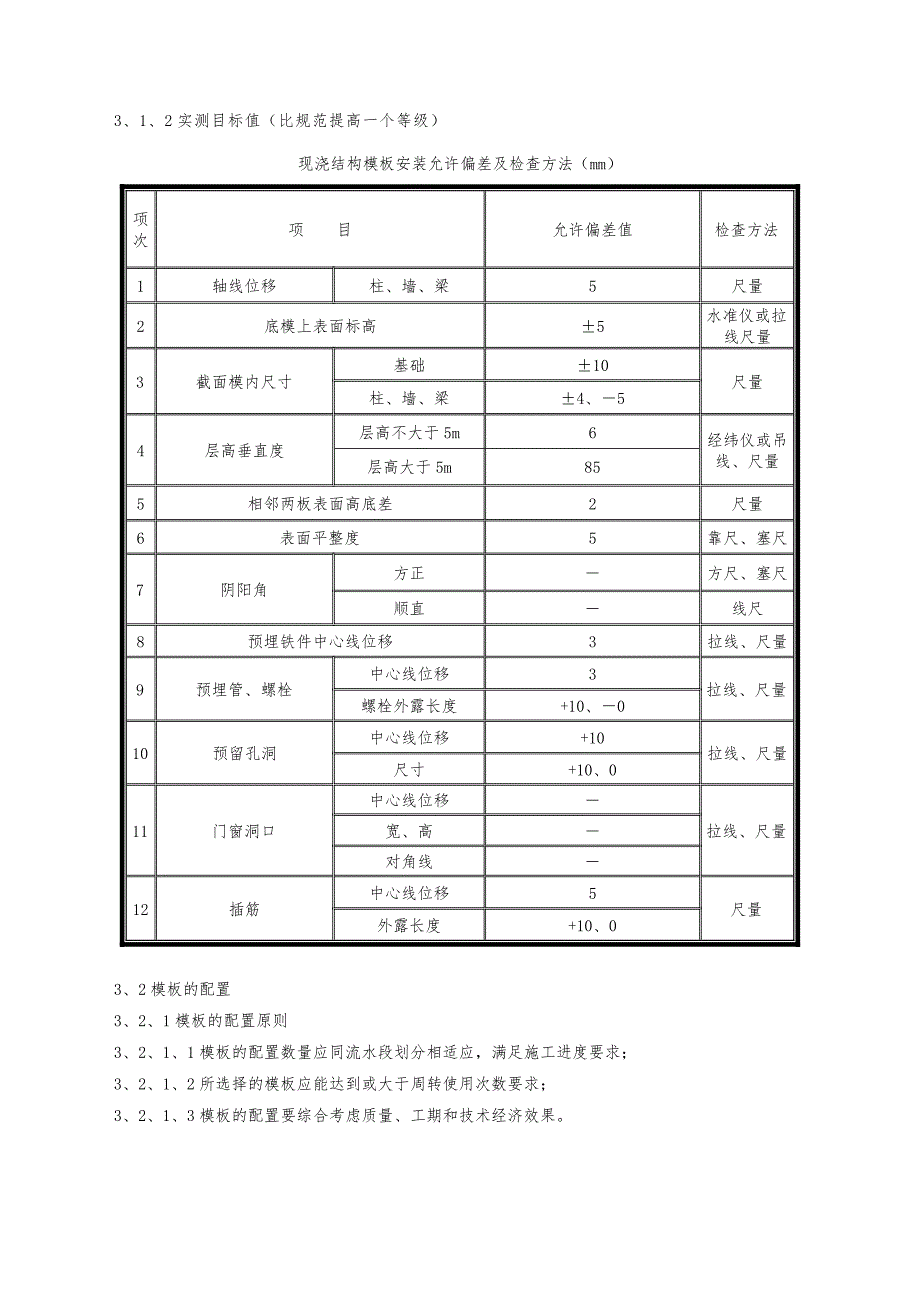
3、光洁度均匀一致,外观平整,达到结构模板分项工程质量评价合格。3、1、2实测目标值(比规范提高一个等级)现浇结构模板安装允许偏差及检查方法(mm)项次项 目允许偏差值检查方法1轴线位移柱、墙、梁5尺量2底模上表面标高5水准仪或拉线尺量3截面模内尺寸基础10尺量柱、墙、梁4、54层高垂直度层高不大于5m6经纬仪或吊线、尺量层高大于5m855相邻两板表面高底差2尺量6表面平整度5靠尺、塞尺7阴阳角方正方尺、塞尺顺直线尺8预埋铁件中心线位移3拉线、尺量9预埋管、螺栓中心线位移3拉线、尺量螺栓外露长度+10、010预留孔洞中心线位移+10拉线、尺量尺寸+10、011门窗洞口中心线位移拉线、尺量宽、高对角

4、线12插筋中心线位移5尺量外露长度+10、03、2模板的配置3、2、1模板的配置原则3、2、1、1模板的配置数量应同流水段划分相适应,满足施工进度要求;3、2、1、2所选择的模板应能达到或大于周转使用次数要求;3、2、1、3模板的配置要综合考虑质量、工期和技术经济效果。3、2、2模板的选择部 位内 容柱主楼柱地上结构:采用15的双面覆膜胶合板,50100 mm木方作背楞,柱箍采用双道架管400,加设穿墙螺栓(每栋配3层)地下室及裙房柱模板采用15的双面覆膜胶合板,50100 mm木方作背楞,柱箍采用双道架管400,加设穿墙螺栓,配1/2层地下室内、外墙地下内、外墙模板采用15的双面覆膜胶合板,

5、50100mm木方做竖背楞,横背楞均采用483.5钢架管,外墙穿墙螺栓采用M14防水型螺栓,确保外墙防水质量;内墙穿墙螺栓采用M14螺栓。按施工区划分各区域最大流水段配置一套地上主体内墙短肢剪力墙结构采用15的双面覆膜胶合板,50100mm木方做竖背楞,横背楞均采用483.5钢架管。(配2层)基础底板基础底板外模采用240mm厚砖模,底板混凝土分段连续浇筑,导墙模板采用木模板,集水坑及电梯井坑采用12mm的竹胶板主楼顶板地下室:顶板及楼梯模板采用15的双面覆膜胶合板;梁模板采用15mm的双面覆膜胶合板,周转使用;(配半层)标准层:顶板模板及楼梯板采用15的双面覆膜胶合板,梁模板采用15mm的双

6、面覆膜胶合板;周转使用。(每栋楼配3层)门窗洞口采用木方制作,表面覆一层覆膜木胶合板,四角用角钢封闭预留顶板洞口木模板后浇带12mm厚木胶合板制作的梳子板3、3现场布置及堆放3、3、1本工程地下结构施工期间,现场场地狭小,模板量大的实际情况,墙体模板采用无支腿模板(模板支设时搭设临时脚手架),堆放在模板架中。现场所有模板除了在规划位置放置外,另考虑利用结构底板和已浇筑砼楼板作为模板的临时堆放区。地上部分主体施工时将模板放置于首层结构楼板上。另外配模板时充分考虑流水施工,加强现场组织从而加快模板周转,减少模板闲置时间。3、3、2木模板堆放在塔吊工作半径范围内,以便于直接吊装。 3、3、3专用模板

7、区用脚手架搭设位置详地上结构施工平面布置图,并在架子四周留设人行道,以便于模板吊装。大模板用红漆在背面标注其编号。3、3、4模板堆放区内模板堆放须分规格、分类型,堆放区设一出入口,左右各设一标识牌,标明模板适用范围、吊运、保养方法、脱模剂涂刷、使用、安全、质量等施工中注意事项。每个堆放区设一工具架,用于放置自制角尺、拖布(两把:一把用于模板清理;另一把用于脱模剂涂刷)、清洗桶、工具、铁铲、扫帚等维护、保养、堆放工具。设专人负责标识工作。3、4施工准备3、4、1做好模板的设计方案和安排好材料进场时间计划,现场所有管理人员及木工组应提前熟悉图纸,现场工长向班组进行详细有针对性的书面技术和安全交底。

8、3、4、2木工放样人员应当根据施工流水段和图纸中的具体节点,提前进行模板翻样工作,找出模板工程中施工难点(梁墙交接节点、墙边洞口等)、安全质量施工注意点等,便于及时发现问题并进行更改,做到施工中重点突出,以保证支设模板的质量。3、4、3提前做好模板材料的采购计划,模板施工前各种材料(如对拉螺栓)等应当提前进场并应通过检查验收,按照放样图提前进行现场配置模板的加工配制为加快施工速度提供可靠保证。3、5施工流水段的划分根据设计图纸和现场实际情况,模板工程采用大区域、小流水施工。结合结构需要和本着经济合理的原则,根据后浇带将施工区域划分成4个施工段段。3、6施工缝的留设位置 3、6、1竖向施工缝的留

9、设:基础底板按设计后浇带位置留设, 地下室外墙部分依据后浇带位置留设一道施工缝,地上部分及内墙竖向施工缝根据流水段的划分部位留设于洞口连梁跨中或丁字墙交接处。3、6、2水平施工缝的留设:底板上口水平施工缝留设于距底板板面500mm高位置,沿外墙周边及水池外墙埋设3mm厚钢板止水带,墙体按顶板上下标高留设两道施工缝, 梁及板底施工缝高于板底2-3cm,凿毛处理后高于梁及板底1cm。3、6、34、底板及导墙模板4、1外墙导墙模板支设和拆除基础底板侧模采用240mm厚砖胎模,砌筑高度为1500mm和500mm,为保证砖胎膜在底板砼浇筑时不移位,浇筑底板砼之前,将砖胎模高度的回填土回填完。墙模板采用1

10、5厚双面覆膜胶合板,采用50100mm木方做竖背楞,483.5钢管作为横背楞和支撑,并通过扣件将钢管背楞与支撑紧固,在底板钢筋上搭设钢管支撑架,校正模板垂直度和平整度;浇筑完导墙砼后,待砼强度达到4Mpa拆除导墙模板。5、后浇带模板本工程后浇带设置见图纸,后浇带处底板厚度为300700mm,根据设计图纸本工程底板不设后浇带以外的施工缝,伸缩后浇带在两侧混凝土龄期达到60天后,并经设计同意后浇筑。沉降后浇带须主楼施工完成5、1底板后浇带模板支拆底板后浇带采用12mm厚木胶合板加工成梳子型模板,用50100木方做龙骨,两侧用50100木方做横撑,为防止底板钢筋下部浇筑砼时漏浆,钢筋绑扎前先用404

11、0的小木方按后浇带两侧位置线钉成框放入垫层上,待下层钢筋绑好后将后浇带模板支好,后浇带模板的支设高度根据两层钢筋的净距,支设用的木方和木胶合板长度不应大于2米,以便从后浇带内抽出,浇筑完砼强度达到砼标准值50%时拆除模板,并将后浇带防护好,模板支设详见下图。5、2基础底板处后浇带防护在后浇带两侧砌筑三皮砖,砖上覆盖木龙骨、多层板及防水簿膜,砖外侧抹防水砂浆,防止上部雨水及垃圾进入后浇带而腐蚀钢筋,减少日后对后浇带处垃圾清理的难度,见下图。5、3墙体后浇带及施工缝模板支设墙体后浇带及施工缝采用12mm胶合板支设,墙体钢筋绑好将两侧钢板止水带安好后,在后浇带两侧或施工缝边钢筋网上贴钢板止水带边焊上

12、与墙同宽的钢筋头,间距400,做为后浇带模板支撑点;后浇带模板用两块与1/2墙厚同宽的胶合板,按水平钢筋间距开小豁口,在胶合板后加两块50100木方,用木楔与焊在钢筋网上短钢筋支撑好,大模板拆除后再拆此支撑、模板,如下图。5、4后浇带两侧梁板支撑、防护梁板模板支设时先在后浇带位置两侧设置三排支撑,长跨方向两排,短跨方向设一排,后浇带两侧支撑间距为1200,沿后浇带方向间距为900,该部分顶板模板主龙骨为100100木方长2200,次龙骨为50100木方通长,面板为一块竹胶板长度,梁模板按此宽度单独配制,后浇带两边梁底设两根支撑,在后浇带砼浇筑之前施工期间,该跨梁板的支撑均不得拆除。为方便后浇带

13、的清理,每跨中间预留200200的方洞,在后浇带砼浇筑之前封堵,后浇带模板支设见下图。为保证施工安全和避免施工缝及钢筋的污染,在顶板后浇带两侧预埋5050木砖,间距1200,沿后浇带钉通长木方,在木方上满铺竹胶板防护,做法如下图。6、墙体模板6、1地下墙体模板的配制6、1、1地下内、外墙模板采用15厚双面覆膜胶合板,模板的竖肋采用50100mm木方,横背楞采用双48钢管配置,竖肋间距为250mm,钢管背楞的配置考虑混凝土侧压力沿垂直方向分布的不同,因此钢管背楞的间距亦有所不同,钢管背楞由基础底板顶面起700mm设置第一道背楞(因为已经浇筑500 mm导墙),然后向上每隔400mm设置钢管背楞

14、,在模板收口处再需设置背楞一道。外墙穿墙螺栓采用M14防水型螺栓,间距为400mm 。内墙穿墙螺栓采用M14螺栓间距为400mm,模板下口采用100100木方(木方侧面及上面要刨平)垫平,有缝隙除采用海面条封堵。6、1、2结构设计连墙柱较多,阴阳角转角较多,为了保证质量加快进度根据下图配置模板。6、2地上墙体模板的配制6、2、1地上主体墙体模板采用15厚双面覆膜胶合板,模板的竖肋采用50100mm木方。6、2、2模板配置高度:内墙模板=层高-板厚,外墙模板=内模+板厚。6、2、3墙体采用15厚双面覆膜胶合板模板体系,拼装按照清水混凝土墙施工,竖肋采用50100mm木枋,间距为250mm,背楞采用双支48钢管,钢管背楞的配置考虑混凝土侧压力沿垂直方向分布的不同,因此钢管背楞的间距亦有所不同,钢管背楞由楼板顶面起300mm设置第一道背楞,然后向上每隔400mm设一道钢管背楞 ,在模板收口处需设置背楞一道。穿墙螺栓采用14螺栓 ,间距为400mm 。采用48钢管作斜支撑,自下而上1500mm一道,上部不足1500mm也加一道见下图。 6、3墙体模板安装工艺流程:安装前检查一侧墙模板安装固定斜撑插入穿墙螺栓及塑料套管清扫墙内杂物安装就位另一侧墙模板固定斜撑穿墙螺栓穿过另一侧墙模调整模板位置紧固穿墙螺栓与相邻模板连接6、3、1检查墙模板安装位置的定位基准面墙线

展开阅读全文
相关资源
猜你喜欢
相关搜索

当前位置:首页 > 建筑/环境 > 设计及方案

copyright@ 2008-2023 1wenmi网站版权所有

经营许可证编号:宁ICP备2022001189号-1

本站为文档C2C交易模式,即用户上传的文档直接被用户下载,本站只是中间服务平台,本站所有文档下载所得的收益归上传人(含作者)所有。第壹文秘仅提供信息存储空间,仅对用户上传内容的表现方式做保护处理,对上载内容本身不做任何修改或编辑。若文档所含内容侵犯了您的版权或隐私,请立即通知第壹文秘网,我们立即给予删除!