墙体模板施工技术交底(节点图详细) .doc

上传人:p** 文档编号:994012 上传时间:2024-06-09 格式:DOC 页数:20 大小:1.66MB
下载 相关 举报
墙体模板施工技术交底(节点图详细) .doc_第1页
第1页 / 共20页
墙体模板施工技术交底(节点图详细) .doc_第2页
第2页 / 共20页
墙体模板施工技术交底(节点图详细) .doc_第3页
第3页 / 共20页
墙体模板施工技术交底(节点图详细) .doc_第4页
第4页 / 共20页
墙体模板施工技术交底(节点图详细) .doc_第5页
第5页 / 共20页
墙体模板施工技术交底(节点图详细) .doc_第6页
第6页 / 共20页
墙体模板施工技术交底(节点图详细) .doc_第7页
第7页 / 共20页
墙体模板施工技术交底(节点图详细) .doc_第8页
第8页 / 共20页
墙体模板施工技术交底(节点图详细) .doc_第9页
第9页 / 共20页
墙体模板施工技术交底(节点图详细) .doc_第10页
第10页 / 共20页
亲,该文档总共20页,到这儿已超出免费预览范围,如果喜欢就下载吧!
资源描述

《墙体模板施工技术交底(节点图详细) .doc》由会员分享,可在线阅读,更多相关《墙体模板施工技术交底(节点图详细) .doc(20页珍藏版)》请在第壹文秘上搜索。

1、技术交底记录表C2-1编 号018工程名称交 底 日 期施工单位分项工程名称模 板交底提要墙体模板施工技术交底交底内容: 一、材料要求U托、穿墙螺杆、3型卡、花篮螺栓、钢绞线、钩头螺栓、55型组合钢模板、86型定型钢模板、大模板配件等二、主要机具塔吊、手锤、扳手、撬棍、大绳、塑料套管、安全带、安全帽、绝缘鞋等。三、作业条件:1、墙体钢筋施工完毕,经过验收并办理隐检、交验手续;2、门窗洞口模板安装完毕,并经检查位置、形状准确无误。两侧用顶模撑按门窗洞口线校正并固定牢固可靠。门窗洞口模板及水电预留盒子的外侧四周贴好海绵条(紧贴外侧一周粘贴好)并刷好脱模剂。3、顶模撑安装牢固、位置准确。利用梯子筋上

2、中下三道横向钢筋兼作顶模撑。顶模撑间距不大于2.5米且每道墙不少于两道墙间支撑。顶模撑顶端涂好防锈漆。4、楼板板面弹出墙体50控制线及模板控制边线,并经验线合格,作为模板定位校核的依据。5、墙体大模板清理干净,均匀涂刷脱模剂(严禁使用废机油),并经项目质检验收通过,准许吊装上楼使用。四、操作工艺1、工艺流程(墙体大模板)1.1先立角模,定位、并用铁丝在上头绑扎,临时固定;1.2然后吊装墙体一面平面大模按墙体50线就位,调整大模板与大模板或大模板与角模的接缝。用铁丝与钢筋连接临时固定,待该侧大模板吊装完毕加固连接板,并用扁销上紧;1.3大模板穿墙螺栓加设硬塑料套管,循环倒用;审核人交底人接受交底

3、人1、本表由施工单位填写,交底单位与接受交底单位各保存一份。2、当做分项工程施工技术交底时,应填写“分项工程名称”栏,其他技术交底可不填写。技术交底记录表C2-1编 号018工程名称交 底 日 期施工单位分项工程名称模 板交底提要墙体模板施工技术交底交底内容: 1.4立另一侧模板,根据墙体50线调整模板位置、模板垂直度及模板间接缝,并初步上穿墙螺杆;施工时要严查螺栓连接。1.5调紧角模,使角模紧贴大板,阳角与大板用16螺栓连接,竖向每600一道。角模与角模、大板与大板,大板与阴(阳)角模(肢长大于600mm)之间,均用16螺栓连接;1.6连墙柱宽度小于1000,加固不采用穿墙螺栓,利用螺栓在两

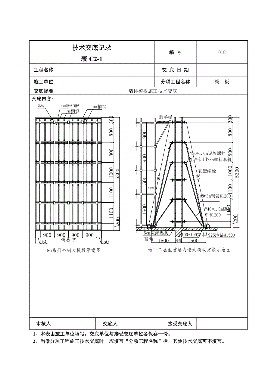
4、侧大模板主龙骨上加固。1.7模板穿墙螺杆孔大于900mm时,用钢管、U托、方木等加固。2、施工工艺:(大钢模、小钢模、木模板、预制门洞模)2.1大钢模:(含:施工流水、斜撑加固措施、楼梯踏步下返处理、大模板拼缝处理、阴角防错台处理、穿墙套管、梁头施工缝)2.1.1施工流水:根据分区图,本工程配地下室区的大模板,并兼顾区、区、区施工(区倒用到区、区、区)。二层以上配置区和区模板倒用区、区(区倒用到区,区倒用到区)。在模板的组拼过程中按配模图编号对号入座。2.1.2斜撑加固措施:根据层高,地下二层首层选配模板板高5.35m;二层11层层高为3.6m、1215层层高为4.2m,地上部分按3.6m配模

5、板高度为3.53m,12层以上配模板高度为4.2m。5.35m高模板竖向设置6道穿墙螺杆,间距分别为200(距下口)、1100、1100、1000,800,800;3.53m高模板设4道穿墙螺杆,间距分别为200(距下口),1100,1100,800。(大模板支设构造图如下)审核人交底人接受交底人1、本表由施工单位填写,交底单位与接受交底单位各保存一份。2、当做分项工程施工技术交底时,应填写“分项工程名称”栏,其他技术交底可不填写。技术交底记录表C2-1编 号018工程名称交 底 日 期施工单位分项工程名称模 板交底提要墙体模板施工技术交底交底内容: 审核人交底人接受交底人1、本表由施工单位填

6、写,交底单位与接受交底单位各保存一份。2、当做分项工程施工技术交底时,应填写“分项工程名称”栏,其他技术交底可不填写。技术交底记录表C2-1编 号018工程名称交 底 日 期施工单位分项工程名称模 板交底提要墙体模板施工技术交底交底内容: 2.1.3楼梯踏步下返处理楼梯踏步下返位置(如下立面图所示),使用角钢与大钢模螺栓连接(如下剖面图所示)。审核人交底人接受交底人1、本表由施工单位填写,交底单位与接受交底单位各保存一份。2、当做分项工程施工技术交底时,应填写“分项工程名称”栏,其他技术交底可不填写。技术交底记录表C2-1编 号018工程名称交 底 日 期施工单位分项工程名称模 板交底提要墙体

7、模板施工技术交底交底内容: 2.1.4大模板拼缝处理:大模板拼缝处为保证板面顺直,内侧上中下口保证有三道顶模撑,用以保证此处不发生错台,外侧背楞位置使用槽钢加固,如下图:2.1.5阴角防错台处理: 阴角使用勾头螺栓保证阴角拼缝顺直,防止错台产生,根据层高不同,阴角竖直方向数量为:地下二层首层4道,二十一层3道,十二屋顶层4道。勾头螺栓间距均匀。审核人交底人接受交底人1、本表由施工单位填写,交底单位与接受交底单位各保存一份。2、当做分项工程施工技术交底时,应填写“分项工程名称”栏,其他技术交底可不填写。技术交底记录表C2-1编 号018工程名称交 底 日 期施工单位分项工程名称模 板交底提要墙体

8、模板施工技术交底交底内容: 2.1.6穿墙套管:温度较低的施工环境,大模板的穿墙螺杆使用硬塑套管,使用穿墙套管延长墙体的拆模时间,保证墙体的观感质量。套管长度小于墙厚2mm,大模板合单面模板后开始在钢筋上摆套管,再合另一面模板。2.1.7梁头施工缝: 大模板合模之前,梁头的施工缝需绑扎完毕,较大梁柱头(两主梁交叉位置)使用钢丝网或快易收口网绑扎,较小梁头(次梁梁头)使用聚苯板扎设。梁头截面尺寸小于相应梁截面2cm如下图:2.2小钢模:(含:施工流水、小钢模支撑、小钢模排模、连墙柱处理、墙体施工缝处理、外墙止水螺栓、基础电梯井积水坑做法)地下三层墙体人防墙体以及圆弧墙,地下室车道、通风道等零星墙

9、体采用55型组合钢模进行施工,模板间小于100缝隙采用与模板同厚的方木条填堵,方木刨平。2.2.1施工流水:审核人交底人接受交底人1、本表由施工单位填写,交底单位与接受交底单位各保存一份。2、当做分项工程施工技术交底时,应填写“分项工程名称”栏,其他技术交底可不填写。技术交底记录表C2-1编 号018工程名称交 底 日 期施工单位分项工程名称模 板交底提要墙体模板施工技术交底交底内容: 地下室按照一个区配置小钢模。地下室先施工区,区、区、区、区、区、区、区分别依次倒用。地下二层以上内筒墙体和地下三层区采用大钢模。2.2.2小钢模斜撑外侧采用钢管斜撑及花篮螺栓调整、内侧使用自制对拉螺栓连接,小钢

10、模底部用方木顶紧,水平双钢管距地200起步,一米以下间距400mm,一米以上间距500mm,竖向双钢管间距700mm,使用直径16穿墙螺栓连接紧固(外墙为止水螺杆)。墙体模板使用钢管、U托、花篮螺栓加固。地下三层人防墙采用穿墙螺杆(不加套管),消防水池采用止水螺杆。如下图:2.2.3小钢模排模:模板的组合:层高为:4.15m、4.2m、3.6m、4.0m、5.4m、5.07m、3.85m,对应的墙模板组合高度审核人交底人接受交底人1、本表由施工单位填写,交底单位与接受交底单位各保存一份。2、当做分项工程施工技术交底时,应填写“分项工程名称”栏,其他技术交底可不填写。技术交底记录表C2-1编 号

11、018工程名称交 底 日 期施工单位分项工程名称模 板交底提要墙体模板施工技术交底交底内容: 为:高度可采用的组合如下:3.9=1.5*2+0.9;4.2=1.5+1.5+1.2;3.6=1.5+1.2+0.9;5.4=1.5*3+0.9从墙角模开始,由两边向墙中的次序安装小钢模板,模板支设高度高于混凝土浇注标高100mm300mm为宜。现取一跨墙体,以混凝土浇注高度分别为5.2m、3.1m为例,排模如下:墙体平面图5.2m高墙体小钢模排模图审核人交底人接受交底人1、本表由施工单位填写,交底单位与接受交底单位各保存一份。2、当做分项工程施工技术交底时,应填写“分项工程名称”栏,其他技术交底可不

12、填写。技术交底记录表C2-1编 号018工程名称交 底 日 期施工单位分项工程名称模 板交底提要墙体模板施工技术交底交底内容: 2.2.4连墙柱处理:外墙连墙柱采用定型钢模板,大模板做成平口螺栓孔与小钢模对应。与小模板通过螺栓连接如下图2.2.5墙体施工缝处理:基础底板后浇带采用木胶板加工成梳子板拦截,中间留台处,用方木(100100)加固如下图:审核人交底人接受交底人1、本表由施工单位填写,交底单位与接受交底单位各保存一份。2、当做分项工程施工技术交底时,应填写“分项工程名称”栏,其他技术交底可不填写。技术交底记录表C2-1编 号018工程名称交 底 日 期施工单位分项工程名称模 板交底提要墙体模板施工技术交底交底内容: 墙体后浇带采用木胶板切出槽口做成梳子板,两边用木胶板封闭,外墙在墙体中间(图中竖线位置)固定止水条。墙体竖向施工缝也采用梳子板及方木加固。地下室外墙体后浇带在结构施工完毕后外侧使用混凝土预制板挡好,砂浆抹圆弧,防水施工完毕后回填夯实。墙体内部用60系列的小钢模组拼,钢管、方木、U托等加固。内墙模板支设同样采用小钢模组拼。盖板制作图如下:审核人交底人接受交底人1、本表由施工单位填写,交底单位与接受交底单位各保存一份。2、当做分项工程施工技术交底时,应填写“分项工程名称”栏,其

展开阅读全文
相关资源
猜你喜欢
相关搜索

当前位置:首页 > 建筑/环境 > 设计及方案

copyright@ 2008-2023 1wenmi网站版权所有

经营许可证编号:宁ICP备2022001189号-1

本站为文档C2C交易模式,即用户上传的文档直接被用户下载,本站只是中间服务平台,本站所有文档下载所得的收益归上传人(含作者)所有。第壹文秘仅提供信息存储空间,仅对用户上传内容的表现方式做保护处理,对上载内容本身不做任何修改或编辑。若文档所含内容侵犯了您的版权或隐私,请立即通知第壹文秘网,我们立即给予删除!