外墙保温线条施工组织方案.doc

上传人:p** 文档编号:994177 上传时间:2024-06-09 格式:DOC 页数:7 大小:141.50KB
下载 相关 举报
外墙保温线条施工组织方案.doc_第1页
第1页 / 共7页
外墙保温线条施工组织方案.doc_第2页
第2页 / 共7页
外墙保温线条施工组织方案.doc_第3页
第3页 / 共7页
外墙保温线条施工组织方案.doc_第4页
第4页 / 共7页
外墙保温线条施工组织方案.doc_第5页
第5页 / 共7页
外墙保温线条施工组织方案.doc_第6页
第6页 / 共7页
外墙保温线条施工组织方案.doc_第7页
第7页 / 共7页
亲,该文档总共7页,全部预览完了,如果喜欢就下载吧!
资源描述

《外墙保温线条施工组织方案.doc》由会员分享,可在线阅读,更多相关《外墙保温线条施工组织方案.doc(7页珍藏版)》请在第壹文秘上搜索。

1、本工程外墙外保温线条工程需待外墙面抹灰完毕并充分养护干燥,基层平整度符合国家验收标准,采用脚手架施工。外立面200200混凝土竖向线条材质改为EPS保温材料,每施工段自下而上粘贴保温板线条,锚栓按设计标准固定在EPS板上,耐碱网格布自上而下铺。每道工序施工完毕24小时后,可进行下道工序的施工。一、施工准备1、在工厂先把保温线条三个面披挂网格布和抹面砂浆,阳角预先做好,网格布必须是整体且各边预留100mm,以便安装时压入墙面进行加强。2、施工前弹出各楼保温线条部位的竖直线、墙面中心线等各施工依据线。3、解决物料的垂直运输以及外墙脚手架、水、电等设施的使用问题。4、施工人员在产品进入工地前3天进入

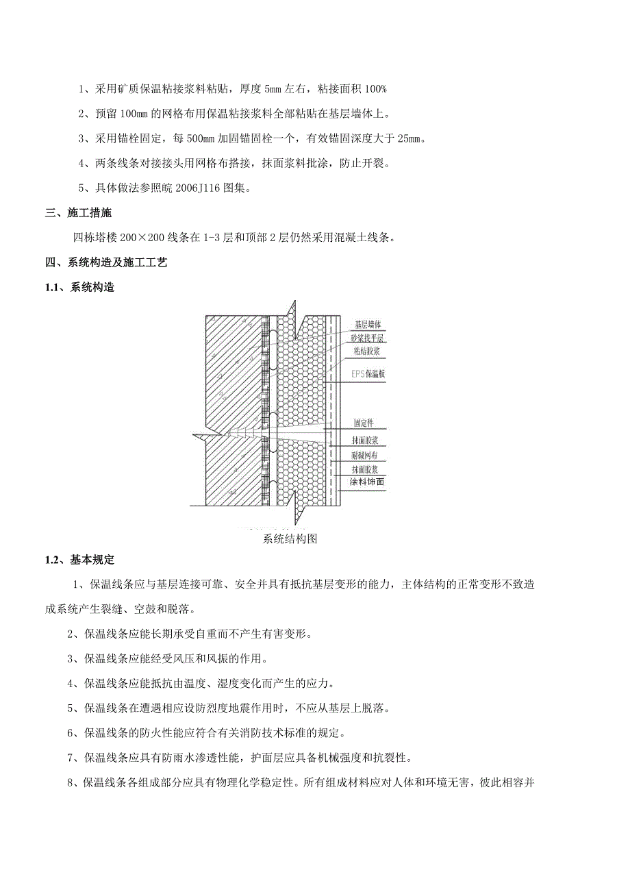
2、施工现场,熟悉环境,理解图纸。5、准备施工工具及安全用品。6、制订各项规章制度、操作规程。7、总包方进行技术交底,图纸会审,双方确认后开始施工。二、施工流程每一道工序完工后应进行检查合格后方可进行下一道工序的施工。EPS外墙保温线条施工的流程图如下:施工质量控制流程图施工的连接方式: 1、采用矿质保温粘接浆料粘贴,厚度5mm左右,粘接面积100% 2、预留100mm的网格布用保温粘接浆料全部粘贴在基层墙体上。 3、采用锚栓固定,每500mm加固锚固栓一个,有效锚固深度大于25mm。 4、两条线条对接接头用网格布搭接,抹面浆料批涂,防止开裂。 5、具体做法参照皖2006J116图集。三、施工措施

3、四栋塔楼200200线条在1-3层和顶部2层仍然采用混凝土线条。四、系统构造及施工工艺1.1、系统构造系统结构图1.2、基本规定 1、保温线条应与基层连接可靠、安全并具有抵抗基层变形的能力,主体结构的正常变形不致造成系统产生裂缝、空鼓和脱落。2、保温线条应能长期承受自重而不产生有害变形。3、保温线条应能经受风压和风振的作用。4、保温线条应能抵抗由温度、湿度变化而产生的应力。5、保温线条在遭遇相应设防烈度地震作用时,不应从基层上脱落。6、保温线条的防火性能应符合有关消防技术标准的规定。7、保温线条应具有防雨水渗透性能,护面层应具备机械强度和抗裂性。8、保温线条各组成部分应具有物理化学稳定性。所有

4、组成材料应对人体和环境无害,彼此相容并具有防腐性。9、保温线条机械固定的金属锚固件、网片和承托架等,应满足防锈蚀要求。10、保温线条的外饰面施工质量应视选材不同,按建筑装饰装修工程质量验收规范(GB50210-2001)中有关规定执行。11、在正确使用和正常维护条件下,保温线条使用年限应不少于25年。五、工期控制措施1、施工前进行周密计划,统筹安排。2、接到开工通知后立即组织人员、机械材料进场,确定材料堆放和机械设备停置的地方,主动配合建设方接通施工、生活用水、电。3、我方与其它工种紧密配合、协调施工。这样可避免重复工作发生,加快工程进度。4、严格按照规范和设计要求施工,保证每道工序的质量,避

5、免返工造成的不必要的工时浪费。加强对机械设备的维护和管理,保证机械设备处于良好的工作状态。及早落实各种材料进场的时间、数量。另外应保证各种原材料和预制品的按到位。六、工程质量目标及保证措施1、本项目中的外墙外保温系统工程质量目标为:本工程外保温材料质量保 证符合建筑节能标准民用建筑节能工程施工质量验收规程、膨胀聚苯板薄抹灰外墙外保温系统JG149-2003,外墙外保温工程技术规程JGJ144-2004等国家有关标准要求。构造按图集聚苯板薄抹灰保温系统外墙外保温构造详图L07J110执行。验收按照GB50411-2007规范。2、建立健全合理的质量管理网络,从原材料采购、运输、储存、生产以及安装

6、施工实行全过程质量管理,严格执行ISO-9000质量管理体系,层层把关,步步到位,落实到人。3、严格按现行工程质量检验标准。认真作好技术交底,图纸会审,严格按施工规范、标准和方案施工。4、所有施工人员在施工前必须进行技术培训和技术交底,全面提高质量意识,树立创优工程意识,倾力打造优质外保温工程。5、强化三检制度的落实,实行自检、互检、专检的办法。每次检查均应填写记录,不合格的工序不得转序,做到谁施工谁负责。设专职质量检查员。6、严格按照规范和设计要求,保证每道工序的质量,避免返工造成的不必要的工时浪费。加强对机械设备的维护和管理保证机械设备处于良好的工作状态。七、安全生产及文明施工、市容环境保

7、证措施1、设安全检查专职人员,做好安全生产管理和监督检查,以及安全技术交底工作。加强安全教育,2、严格按照操作规程,坚持班前讲话,开展安全周活动,并实行月安全检查制度。3、施工人员进入工地必须穿戴好各项安全防护具,专业工种要持证上岗,没有经过培训的不允许擅自操作。4、交叉作业同时进行时,应设专安全巡视人员,协调作业,出现危险应立即通知有关人员采取紧急措施。5、严格做好脚手架、板的防护设置,脚手板上严禁堆放起重材料防止倒塌伤人。高空作业时必须把安全带钩绑固定在稳固外操作必须思想集中、不能麻痹大意,以防不慎跌落。6、施工现场按规定设置消火栓和其它消防设备,保证防火措施的完善。7、各种电线线路必须符

8、合安全规定,并定期检查和维修,非电工人员不得从事电工作业。施工现场各种电动机械及设备必须安装漏电保护器。8、材料不能存放在靠近有热源的地方,施工现场必须具有良好的通风条件,在通风不良的情况下,必须安置临时的通风设备。使用手持器设备及机具,必须安装漏电保护器,并按规定戴绝缘手套,穿绝缘鞋。9、遵守国家和地方法律、法规、遵守社会公德,遵守环卫、市容管理的有关规定,并委派专职人员负责文明施工的日常管理工作。10、采用各种措施,消除及防止施工过程中产生的噪声。11、施工现场布置合理,材料堆放合理,并加围护措施,施工地区及生活区的状况应保持。12、运输建筑材料的车辆,有采取有效的措施,作好包装绑扎,防止

9、建筑材料洒落,保证行驶途中不污染环境。13、所有的施工垃圾和废物、废料应及时收集处理,严禁在工地散乱堆放。八、材料的性能康立得EPS板薄抹灰外保温线条其技术指标应符合表1的要求。表1 康立得EPS板薄抹灰外保温线条技术要求试验项目性能指标吸水量/(g/m2),浸水24h500抗冲击强度/J普通型(P型)3.0加强型(Q型)10.0抗风压值/kPa不小于工程项目的风荷载设计值耐冻融表面无裂纹、空鼓、起泡、剥离现象水蒸气湿流密度m2.hm2.h)0.85不透水性试样防护层内侧无水渗透耐候性表面无裂纹、粉化、剥落现象2 康立得矿质保温粘结胶浆的技术指标应符合表2的要求。表2 康立得矿质保温粘结胶浆技

10、术要求试验项目性能指标拉伸粘结强度/MPa原强度0.60(与水泥砂浆)耐水0.40拉伸粘结强度/MPa(与EPS板)原强度0.10,破坏界面在EPS板上耐水0.10,破坏界面在EPS板上可操作时间/h1.54.03 康立得矿质多功能抹面胶浆的技术指标应符合表3的要求表3 康立得矿质多功能抹面胶浆技术要求试验项目性能指标拉伸粘结强度/MPa(与EPS板)原强度0.10,破坏界面在EPS板上耐水0.10,破坏界面在EPS板上耐冻融0.10,破坏界面在EPS板上柔韧性压折比3.0可操作时间/h1.54.04、锚栓其技术性能应符合表4的要求。表4 锚栓性能指标试验项目技术指标单个锚栓抗拉承载力标准值,

11、kN0.30单个锚栓对系统传热增加值,W/(m2K)0.0045、耐碱网布其技术性能应符合表5、表6的要求。表5 耐碱网布性能指标(JG149-2003)项 目单 位指 标单位面积质量g/m2130耐碱断裂强力(经纬向)N/50mm750耐碱断裂强力保留率(经纬向)50断裂应变5.0表6耐碱网布性能指标(JG158-2004)项 目单 位指 标外观合格长度、宽度m50100、0.91.2网孔中心距普通型mm44加强型66单位面积质量普通型g/m2160加强型500断裂强力(经纬向)普通型N/50mm1250加强型N/50mm3000耐碱强力保留率(经纬向)90断裂伸长率(经纬向)5涂塑量普通型g/m220加强型玻璃成分符合JC 719的规定,其中ZrO214.50.8,TiO260.56、EPS保温板符合表7的要求表7性能指标试 验 项 目性 能 指 标表观密度 /18.0-22.0导热系数 W/(mk)0.041垂直于板面方向的抗拉强度Mpa0.10尺寸稳定性%0.307、 EPS保温板尺寸允许偏差见表8。 表8 EPS保温板尺寸允许偏差检 测 项 目允 许 偏 差厚度5001.55002.0长度2.0宽度1.0对角线差3.0板边垂直2.0板面平整度1.0

展开阅读全文
相关资源
猜你喜欢
相关搜索

当前位置:首页 > 建筑/环境 > 设计及方案

copyright@ 2008-2023 1wenmi网站版权所有

经营许可证编号:宁ICP备2022001189号-1

本站为文档C2C交易模式,即用户上传的文档直接被用户下载,本站只是中间服务平台,本站所有文档下载所得的收益归上传人(含作者)所有。第壹文秘仅提供信息存储空间,仅对用户上传内容的表现方式做保护处理,对上载内容本身不做任何修改或编辑。若文档所含内容侵犯了您的版权或隐私,请立即通知第壹文秘网,我们立即给予删除!