鄂州市建筑结构优质工程评价评分表(园林道路、广场铺装-路基).docx

上传人:p** 文档编号:994848 上传时间:2024-06-09 格式:DOCX 页数:1 大小:8.94KB
下载 相关 举报
鄂州市建筑结构优质工程评价评分表(园林道路、广场铺装-路基).docx_第1页
第1页 / 共1页
亲,该文档总共1页,全部预览完了,如果喜欢就下载吧!
资源描述

《鄂州市建筑结构优质工程评价评分表(园林道路、广场铺装-路基).docx》由会员分享,可在线阅读,更多相关《鄂州市建筑结构优质工程评价评分表(园林道路、广场铺装-路基).docx(1页珍藏版)》请在第壹文秘上搜索。

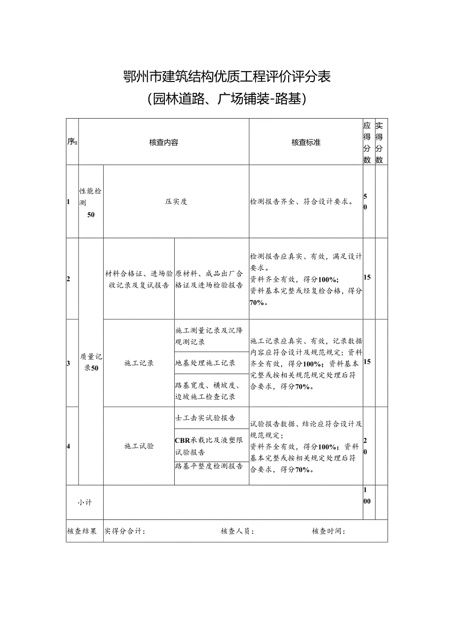
鄂州市建筑结构优质工程评价评分表(园林道路、广场铺装-路基)序核查内容核查标准应得分数实得分数1性能检测50压实度检测报告齐全、符合设计要求。502质量记录50材料合格证、进场验收记录及复试报告原材料、成品出厂合格证及进场检验报告检测报告应真实、有效,满足设计要求。资料齐全有效,得分100%;资料基本完整或经复检合格,得分70%。153施工记录施工测量记录及沉降观测记录施工记录应真实、有效,记录数据内容应符合设计及规范规定;资料齐全有效,得分100%;资料基本完整或按相关规范规定处理后符合要求,得分70%。15地基处理施工记录路基宽度、横坡度、边坡施工检查记录4施工试验士工击实试验报告试验报告数据、结论应符合设计及规范规定;资料齐全有效,得分100%;资料基本完整或按相关规定处理后符合要求,得分70%。20CBR承载比及液塑限试验报告路基平整度检测报告小计100核查结果实得分合计:核查人员:核查时间:

展开阅读全文
相关资源
猜你喜欢
相关搜索

当前位置:首页 > 建筑/环境 > 施工组织

copyright@ 2008-2023 1wenmi网站版权所有

经营许可证编号:宁ICP备2022001189号-1

本站为文档C2C交易模式,即用户上传的文档直接被用户下载,本站只是中间服务平台,本站所有文档下载所得的收益归上传人(含作者)所有。第壹文秘仅提供信息存储空间,仅对用户上传内容的表现方式做保护处理,对上载内容本身不做任何修改或编辑。若文档所含内容侵犯了您的版权或隐私,请立即通知第壹文秘网,我们立即给予删除!