安全文明施工组织设计1.doc

上传人:p** 文档编号:995710 上传时间:2024-06-11 格式:DOC 页数:13 大小:43KB
下载 相关 举报
安全文明施工组织设计1.doc_第1页
第1页 / 共13页
安全文明施工组织设计1.doc_第2页
第2页 / 共13页
安全文明施工组织设计1.doc_第3页
第3页 / 共13页
安全文明施工组织设计1.doc_第4页
第4页 / 共13页
安全文明施工组织设计1.doc_第5页
第5页 / 共13页
安全文明施工组织设计1.doc_第6页
第6页 / 共13页
安全文明施工组织设计1.doc_第7页
第7页 / 共13页
安全文明施工组织设计1.doc_第8页
第8页 / 共13页
安全文明施工组织设计1.doc_第9页
第9页 / 共13页
安全文明施工组织设计1.doc_第10页
第10页 / 共13页
亲,该文档总共13页,到这儿已超出免费预览范围,如果喜欢就下载吧!
资源描述

《安全文明施工组织设计1.doc》由会员分享,可在线阅读,更多相关《安全文明施工组织设计1.doc(13页珍藏版)》请在第壹文秘上搜索。

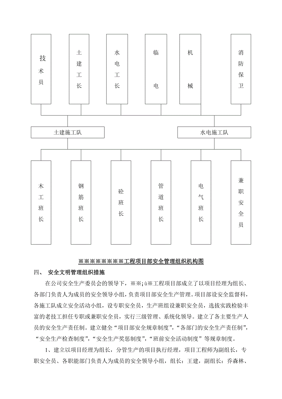
1、安全文明施工组织设计一、工程概况二、安全文明管理目标1、安全保证目标:一般工伤事故频率不超过3,杜绝重大伤亡事故和重大机械设备事故发生。不发生重大火灾事故,不发生负主要责任的重大生产交通事故。2、文明施工目标:现场文明,规范施工,达到省级文明工地标准。3、施工过程中实现“五无”:无死亡、重伤和重大机械设备事故。无火灾事故。无重大违法犯罪案件。无环境污染和噪音扰民。无施工料具浪费现象。三、组织机构:项目经理项目副经理技术负责人专职安全员技术员土建工长水电工长临电机械消防保卫土建施工队水电施工队木工班长钢筋班长砼班长管道班长电气班长兼职安全员工程项目部安全管理组织机构图四、 安全文明管理组织措施在

2、公司安全生产委员会的领导下,工程项目部成立了以项目经理为组长、各部门负责人为成员的安全领导小组,负责项目部安全生产管理。项目部设安全监督科,各施工队成立安全活动小组,设专职安全员,生产班组设兼职安全员,选拔实践检验丰富的老技工担任专职或兼职安全员,实行三级管理、系统化领导。建立了各主要生产人员的安全生产责任制。建立健全“项目部安全规章制度”,“各部门的安全生产责任制”,“安全生产检查制度”,“安全生产奖惩制度”,“班前安全活动制度”等规章制度。1、建立以项目经理为组长,分管生产的项目执行经理,项目工程师为副组长,专职安全员、各职能部门负责人为成员的安全领导小组,组长:王建,副组长:乔森林、赵力

3、伟,成员:崔永卫、王洪洋、王洪涛,乔森林协调、监督施工安全防范的实施,建立健全的安全生产管理制。2、设立质安科,设置专职安全员,负责日常的安全检查、安全巡视,并负责对施工人员进行安全教育。3、各部门及所有操作人员严格执行各分项工程安全技术交底。4、建立安全检查制,公司每月组织一次安全生产大检查,项目部每月组织两次不定期的安全生产检查,作业班组长每天组织班前安全会,进行岗前安全生产检查并做好班前安全会记录,发现问题及时定人、定时、定措施进行整改。5、坚持进场工人安全教育制度。凡进场参加本工程施工的人员,必须经过安全教育方能上岗。五、项目管理人员安全生产责任制1.项目经理 对工程项目的安全生产负领

4、导责任。在项目施工生产全过程中,认真贯彻落实安全生产方针、法律法规和各项规章制度,结合项目特点,提出有针对性的安全管理要求,严格履行安全考核指标和安全生产奖惩办法。认真落实施工组织设计中安全技术管理的各项措施,严格执行安全技术审批制度,施工项目安全交底制度和设施、设备交接验收使用制度。组织安全生产检查,定期分析承包项目施工中存在的不安全生产问题,并及时解决。发生事故,及时上报,保护好现场,作好抢救工作,积极配合调查,认真落实纠正和预防措施。2.项目工程师对工程项目中的安全生产负技术领导责任。严格执行安全生产技术规程、规范、标准,主持项目安全技术措施交底工作。组织编制施工组织设计的制定工作、安全

5、技术措施,保证其可行性与针对性,并检查监督,落实工作。及时组织使用新材料、新技术、新工艺人员的安全技术培训。认真执行安全技术措施与安全操作规程,防止施工中因化学物品引起的火灾、中毒或其新工艺实施中可能造成的事故。主持安全防护设施和设备的验收。参加安全生产检查,从技术上分析施工中不安全因素产生的原因,提出改进措施。3.专职安全员认真执行安全生产规章制度,不违章指导。落实施工组织设计中各项安全技术措施。经常进行安全检查,消除安全隐患,制止违章作业。对员工进行安全技术和安全纪律教育。发生工伤事故及时报告,并认真分析原因,提出和落实改进措施。4.施工员、工长组织实施安全技术措施,进行安全技术交底。组织

6、对施工现场各种安全防护装置进行验收,合格后方可使用。不违章指挥。组织学习安全操作规程,教育工人不违章作业。认真消除事故隐患,发生工伤事故要保护好现场,并立即上报,协助事故调查。对单位工程的安全生产负直接领导责任。5.班组长安排生产任务时要认真进行安全技术交底,严格执行本工种安全操作规程,有权拒绝违章指挥。岗前要对所使用的机具、设备、防护用具及环境进行安全检查,发现问题立即采取改进措施,并及时消除事故隐患。组织班组开展安全活动,开好岗前安全生产会,作好收工前的安全检查,坚持周安全讲评工作。发生工伤事故后要立即组织抢救,保护好现场并向工长报告。6.分包单位负责人认真执行安全生产的各项法规、规定、规

7、章及安全操作规程,合理安排班组人员工作,对全体员工在施工生产中的安全和健康负责。严格履行劳务用工审批登记程序,做好岗前安全培训,经常组织学习安全操作规程,监督员工遵守劳动、安全纪律,做到不违章指挥,制止违章作业。保持员工相对稳定,需要变更时,须事先向总包单位申报,批准后新来人员应按规定办理各种手续,并经岗前安全教育后,方能上岗。根据上级的交底向各工种进行详细的书面安全交底,针对当天的任务、作业环境等情况,提出岗前安全要求,并监督执行。定期组织安全检查。熟知作业现场安全生产状况,发现问题,及时纠正解决。发生伤亡及未遂事故,保护好现场,做好伤者抢救工作,并立即上报有关领导。7.保卫人员会同有关部门

8、对人员进行安全教育。主动配合有关部门开展安全检查,狠抓事故苗头,消除治安灾害、事故隐患。重点抓好防火、防爆工作。对已发生的重大事故,会同有关部门组织抢救,查明原因,对性质不明的事故参与调查,对破坏和有破坏嫌疑事故负责追查处理。8.操作工人负责执行有关安全生产的规章制度,熟悉一般安全知识和工种的安全技术操作要求,模范遵守安全操作规程,不违章作业,不冒险蛮干。班前对操作逐点进行检查,发现不安全隐患要立即报告班组长,待隐患消除后方可允许上岗操作,交接班时要认真作好安全技术交接班工作。发生事故要保护好现场,立即进行抢救,确保国家财产和人身安全,上报不得隐瞒。除保证本人操作安全外,要注意他人和周围地区的

9、作业安全,发现问题及时提出意见和建议,做到“不伤害自己、不伤害他人,不被他人伤害”。六、各分部、分项工程安全施工措施(一)基坑施工1、当基坑施工深度达到2m时,对坑边作业已构成危险,应搭设临边防护设施。2、施工现场中,工作面边沿无防护设施或围护设施高度低于80cm时,都应按规定搭设临边防护栏杆。3基坑上四周沿围墙采用砖砌明沟排水,3040m设一集水井。四周硬化,并砌300高120厚挡水墙,内外抹灰。4现场成立防汛小组,准备防汛物资,并严禁挪作它用。5基坑四周距基坑3米范围内堆载每平方米不超过3吨,3米以外可以布置泵车等机械设备。6、坑施工作业人员上下设置专用通道,不准攀爬模板、脚手架以确保安全

10、。7、基坑施工的照明问题,电箱的设施及周围环境以及各种电气设备的架设使用均符合电气规范规定。(二)外墙脚手架1、施工前根据工程特点和施工工艺确定脚手架采用落地式双排钢管脚手架。2、离地面20cm处,设置纵向和横向扫地杆,设置扫地杆的做法与大横杆及小横杆相同,其作用以固定立杆底部,约束水平立杆位移及沉陷。3、脚手架搭设地面下素灰土夯实,其上铺架板。4、脚手架连墙杆应靠近节点并从底层第一部大横杆处开始设置。5、连墙杆应靠近主节点设置,距主节点不应大于300。6、搭设脚手架时,连墙杆与其他杆件同步搭设;在拆除脚手架时,在其他杆件拆到连墙杆高度时,最后拆除连墙杆。最后一道连墙杆拆除前,先设置抛撑后,再

11、拆连墙杆,以确保脚手架拆除过程中的稳定性。7剪刀撑是防止脚手架纵向变形的重要措施,合理设施剪刀撑还可以增强脚手架的整体刚度,提高脚手架的承载能力。每组剪刀撑跨越立杆根数为57根(6m),斜杆与地面夹角在45和60之间。8剪刀撑斜杆立杆和伸出的小横杆进行连接,底部斜杆的下端应置于架板上。9遇作业层时,在脚手架外侧大横杆与脚手架之间,按临边防护的要求设置防护栏杆和挡脚板,防止作业人员坠落和脚手板上物料滚落。10脚手架铺设脚手板至少两层,上层为作业层,下层为防护层。当作业层的脚手板发生问题而落人落物时,下层起防护作用,当作业层脚手板与建筑物之间缝隙(15cm)已构成落物、落人危险时采取防护措施,不使

12、落物对作业层以下造成伤害。11钢管材质使用Q235(3号钢)钢材,外径48mm(51mm)、壁厚3.5mm的焊接钢管,小横杆长度2.12.3m为宜,立杆、大横杆的长度44.5m为宜(不超过6.5m),其重量控制在每根25Kg以内,便于操作。扣件由可锻铸铁制成,当扣件螺栓拧紧时,扭力矩为4050Nm时,扣件本身所具有的抗滑、抗旋转和抗拔能力能满足实际使用要求。12脚手架外侧采用密目网封闭,每隔1015米设一道平网(一层密目网一层尼龙安全网)。(三)模板工程1、立杆底部设置垫板,严禁使用砖及脆性材料铺垫。2、模板上堆放物料和施工设备合理分散堆放,不能造成荷载的过多集中。3、模板按总平面图规划放置并

13、分类堆放整齐,高度不超过1.6m。4、模板安装过程有模板临时稳定措施。5、拆除模板按施工方案规定程序进行,先支的后拆,先拆非承重部分,后拆承重部分。拆除大跨度梁支撑柱时,先从跨中开始向两端对称进行。当立柱水平拉杆超过两层时,先拆除两层以上的水平拉杆,最下层的水平拉杆与立柱模板同时拆除,以确保柱模的稳定。6、拆除模板作业比较危险,为防止落物伤人,设置有明显标志的警戒线或警示牌,并设专人进行监护。7、模板拆除应按区域逐块进行,模板、支撑要随拆随运,严禁随意抛掷,拆除后分类码放。不得留有未拆净的悬空模板,要及时清除,防止伤人。8、现浇整体模板拆除之前对照拆除的部分查阅混凝土强度试验报告,达到拆模强度

14、时方准进行拆除。9、承重结构应按照混凝土工程质量验收规范(GB502042002)关于模板拆除的有关规定进行拆模,预应力结构达到张拉强度,并张拉、灌浆完毕达到一定的强度后方准拆模。(四)“三宝”“四口” “五临边”防护1、进入施工现场必须佩戴安全帽。2、佩戴安全帽必须系紧下颚系带,防止安全帽坠落失去安全防护作用。3、工程施工过程中,采用密目式安全网对建筑物进行全封闭。4、密目网不低于2000目/m2并有国家指定的监督检验部门批准检验证和出厂合格证。5、高空及独立悬空作业人员必须按规定佩戴安全带。6、架子工使用安全带绳长限定为1.5-2m之间。7、安全带做垂直悬挂,高挂低用;当作水平位置悬挂使用时,要注意摆动碰撞,不宜低挂高用;不准将绳打结使用,以免绳结受力后剪断;不准将钩直接挂在不牢固物上;不准直接挂在非金属绳上,防止绳被割断。8、楼梯口设置防护栏杆;电梯进口处设置固定栅门外还在电梯井内每隔两层设置一道安全平网。平网内无杂物,网与井壁间隙不大于10cm。当防护高度超过一个标准层时,不准采用脚手板等硬质材料作水平防护。9、防护栏杆、防护栅门符合规范规定,整齐牢靠,与现场规范化管理相适应。防护设施在施工组织设计中有设计、有图纸经验收形成工具化、定型化的防护用具,安全可靠、整齐美观,可周转使用。10、对临空洞口(水平空洞短边尺寸大于25c

展开阅读全文
相关资源
猜你喜欢
相关搜索

当前位置:首页 > 建筑/环境 > 安全文明施工

copyright@ 2008-2023 1wenmi网站版权所有

经营许可证编号:宁ICP备2022001189号-1

本站为文档C2C交易模式,即用户上传的文档直接被用户下载,本站只是中间服务平台,本站所有文档下载所得的收益归上传人(含作者)所有。第壹文秘仅提供信息存储空间,仅对用户上传内容的表现方式做保护处理,对上载内容本身不做任何修改或编辑。若文档所含内容侵犯了您的版权或隐私,请立即通知第壹文秘网,我们立即给予删除!