水电站工程发电洞压力钢管运输、安装方案方案大全.docx

上传人:p** 文档编号:998420 上传时间:2024-06-14 格式:DOCX 页数:14 大小:179.43KB
下载 相关 举报
水电站工程发电洞压力钢管运输、安装方案方案大全.docx_第1页
第1页 / 共14页
水电站工程发电洞压力钢管运输、安装方案方案大全.docx_第2页
第2页 / 共14页
水电站工程发电洞压力钢管运输、安装方案方案大全.docx_第3页
第3页 / 共14页
水电站工程发电洞压力钢管运输、安装方案方案大全.docx_第4页
第4页 / 共14页
水电站工程发电洞压力钢管运输、安装方案方案大全.docx_第5页
第5页 / 共14页
水电站工程发电洞压力钢管运输、安装方案方案大全.docx_第6页
第6页 / 共14页
水电站工程发电洞压力钢管运输、安装方案方案大全.docx_第7页
第7页 / 共14页
水电站工程发电洞压力钢管运输、安装方案方案大全.docx_第8页
第8页 / 共14页
水电站工程发电洞压力钢管运输、安装方案方案大全.docx_第9页
第9页 / 共14页
水电站工程发电洞压力钢管运输、安装方案方案大全.docx_第10页
第10页 / 共14页
亲,该文档总共14页,到这儿已超出免费预览范围,如果喜欢就下载吧!
资源描述

《水电站工程发电洞压力钢管运输、安装方案方案大全.docx》由会员分享,可在线阅读,更多相关《水电站工程发电洞压力钢管运输、安装方案方案大全.docx(14页珍藏版)》请在第壹文秘上搜索。

1、发电洞钢管运输、安装措施一、概述:XXXXX水电站工程压力钢管分为洞内渐变段、弯段、斜段、平段埋管和洞外岔管、支管两大部分。洞内主管直径(内)620Omm,制作、安装工程量约1200吨,由于钢管直径大,公路不便运输,全部钢管在工地现场设置的加工厂内制造,用汽车运到安装位置上进行安装。渐变段、上弯段、斜段、下弯段由发电洞上游运入,受发电洞拦污栅槽孔口尺寸限制,钢管在加工厂内加工成2000X06600单元,渐变段第一、二节加工成瓦片;水平直段、水平弯段由发电洞下游运入,钢管在加工厂内加工成60OOX6600单元。3#岔管在加工厂制作组装、焊接、防腐检验合格后整体运到工地安装现场安装;1#、2#岔管

2、在加工厂制作,预组装合格后拆开,在运到工地安装现场组装焊接、防腐,检验合格后安装。二、发电洞钢管运输:1、钢管厂内SGhy60-20A3电动葫芦门式起重机装车,30t平板拖车运输到上游围堰临时存放,安装时在运到发电洞上游洞口,使用25t汽车吊车卸车。在发电洞工作门后2-10米处安装16吨电动葫芦,12米处安装5吨卷扬机,发0+100.00处安装Iot卷扬机各一台。钢管安装时,汽车吊车把200OX6600单元直接卸到轨道运输小车上,用5吨卷扬机托运到工作门槽处,使用16吨电动葫芦把2000X06600单元组装成4000X06600安装单元节,使用埋弧自动焊接组装环缝,用5吨卷扬机把检验合格后40

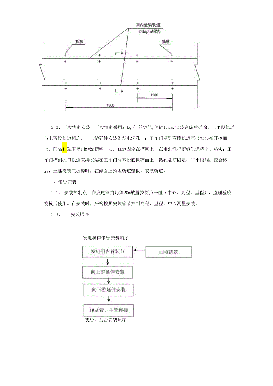
3、00X06600安装单元节托运到上弯段处,换Iot卷扬机把安装管节溜放到斜、弯段安装位置安装。发电洞斜段、弯段管节公路运输示意图2、下平段钢管运输:为了提高安装进度,下平段钢管在加工厂内加工成6000X6600单元节,在经公路运输到发电洞下游洞口,使用50吨汽车吊车卸车,再用5t卷扬机拖运到安装位置安装。发电洞下平段管节公路运输示意图三、发电洞钢管安装:1、洞内运输轨道安装1.1、斜、弯段运输轨道安装:为使钢管顺利滑移到位,在斜段、弯段需预设插筋、安装铺设轨道,轨距1500mm,轨道采用24kgm的钢轨,安装完成后拆除。安装轨道前,要先检查开挖高程是否符合要求,如有不符应进行处理。合格后分别测

4、放出轨道中心线,然后以中心线为基准进行轨道安装。由于弯管部分是弧形轨道,所以在安装前要先冷弯成型。一侧安装合格后,再安装另一侧。轨道安装高程要严格控制(宁低不高),轨道安装后,用压板压住轨道,并用电焊将压板焊接固定在预设插筋上。轨道接头用轨道接头连接板连接,以增加接头处的承载能力。安装完后,浇筑碎。(碎:c25,宽度:300mm,高度:浇到轨道底部)。径达到100%强度后,可以运输钢管。说明:轨道基础插筋深入岩层500mm,外露300mm,每450OmnI一组,每组4根,轨道碎厚度100-150mmo2.2、平段轨道安装:平段轨道采用24kgm的钢轨,间距1.5m,安装完成后拆除。上平段轨道与

5、上弯段轨道相连,向上游延伸安装到发电洞孔口;工作门槽到弯段轨道直接安装在开挖面上,间隔1.5m下垫14#*2m槽钢一根,轨道固定在槽钢上,在用洞渣把槽钢轨道垫平、垫实;工作门槽到孔口轨道直接安装在工作门洞室段底板碎面上,钻孔插筋固定;下平段洞扩挖合格后,土建浇筑底板碎时,在碎面上预埋轨道垫板,安装轨道。2、钢管安装2.1、 安装控制点:在发电洞内每隔20m放置控制点一组(中心、高程、里程),监理验收校核后使用。在安装时,严格按照安装管节控制高程、里程、中心测量安装。2.2、 安装顺序发电洞内钢管安装顺序支管、岔管安装顺序2.3、 始装节安装:下弯段(发0+194.129-发0+197.898)

6、为始装节,始装节是钢管安装的基础,必须认真调整。钢管安装的要点是控制管口中心处的里程、高程和管口的倾斜值。安装时以测放点为基准,先调整管口中心里程,使管口上、下中心点与管口底部测放的里程点三点共线,合格后调整高程。高程合格与否用测量管口外壁下中心点到高程基准点的距离值来判断。若等于计算值则合格,否则不合格,应重新调整,并用两侧墙上设置的高程控制点之间拉线检查管口倾斜值。全部合格后,在下中心两侧各45。方向和水平方向进行加固点焊,重新检查高程、里程和倾斜值,如有超差处,再一次调整,检查无误后,先焊接加固件的对接处,让其自由收缩,后焊搭接处,加固后再复测,合格后加固上中心两侧各45。方向位置处和上

7、、下中心位置处,并再作一次检查,合格后作出安装记录。始装节里程偏差不应超过5m11b两端管口垂直度偏差不应超过3三报请监理验收,合格后进入下一单元管节安装。2.4、 始装节安装完成后,向上游安装弯段、斜段,向下游安装下平段钢管。斜段、弯段管节使用Iot卷扬机溜放到安装位置安装压缝、焊接、检验、防腐都在专用平台上完成,平台在钢管加工厂内加工完成,放置在下弯段管节内,随管节运输到安装位置,每完成一道安装缝后,用卷扬机拖带到上一节安装缝处固定在己安装好离管口300-50Omm处,以便人员施工。平台使用直径50*4三钢管加工,设计承重100Okg,连接处焊缝焊接牢固,经专人检查合格并报安全监理工程师验

8、收签字后才能投入使用O斜洞、弯段钢管安装施工平台2.5、发电洞内斜段、弯段安装管节固定支撑插筋(如下图,斜、弯段管节安装后加固)2.6、 钢管焊接:安装阶段的焊接主要指环缝焊接和加固筋的焊接。安装焊接应遵守D1./T5017-2007压力钢管制造及安装规范等相关规定并采用与制造阶段焊接相一致的工艺,也应视特殊情况予以修正。确保焊接质量。2.7、 回填浇筑:首装节安装合格后,向上游安装6-8m时,土建队伍从发电洞下游进行回填浇筑。(浇筑时下游管要留1米,以便浇筑完后钢管向下游延伸安装。)浇筑时,钢管安装继续进行,当首装节浇筑完后,土建队伍可以转入上游对安装合格的钢管进行回填浇筑,以便减少直线工期

9、。下平段自首装节向下游安装,6米为一个安装段,水平段安装除按常规进行测量调整各项参数外,应严格控制高程、中心和里程位置,其末端的位置必须正确。以不影响岔管的安装位置。土建在不影响钢管安装的情况下,每安装合格15-30米回填浇筑。2.8、 凑合节制作安装:本工程凑合节的管节部位拟设在:发电洞“发0+402.224-发0+402.961”部位;支、岔管凑合节设计在10#、36#、46#、65#、94#(设计图纸编号)。凑合节在加工厂内加工成瓦片,运到现场配割、对圆、组焊。2.9、 灌浆孔封堵:灌浆合格后封堵灌浆孔,在焊接时焊缝容易出现气孔和裂纹,因此在焊接前一定要将孔内的碎、铁锈等杂物清除干净后预

10、热80-120C施焊,焊完后保温,24h检验,合格后拆除内支撑,然后进行钢管的防腐除锈和涂漆。灌浆孔丝堵的封焊。四、安装质量控制1、安装质量控制体系:(如后图)上、下中心点与管底部测放的里程点三点共线,合格后调整高程。高程合格与否用测量管口外壁下中心点到高程基准点的距离值来判断。若等于计算值则合格,否则不合格,应重新调整,并用设置的高程控制点控制高程,全部合格后,在下中心两侧各45方向和水平方向进行加固点焊,重新检查高程、里程和倾斜值,如有超差处,再一次调整,检查无误后,先焊接加固件的对接处,让其自由收缩,后焊搭接处,加固后再复测,合格后加固上中心两侧各45方向位置处和上、下中心位置处,并再作

11、一次检查,合格后作出安装记录。始装节里程偏差不应超过5mm,弯管起点的里程极限偏差为10mm。两端管口垂直度偏差不应超过3mm发电洞内首装节(弯管)在垂直面的另一面为倾斜面,可利用三角函数计算出其中心的坐标点,用经纬仪进行校核,以后安装最少每相隔一个管节校核一次。首装节安装后,可按设计要求进行加固,加固焊接后应重新校核各项参数,确认没有变化,可继续开始向两侧施工。首装节的测量记录应在整理后妥善保存。3、加固焊接质量:加固焊接之前应检查插筋的牢固程度,确认符合要求。加固不允许对接,搭接焊的长度必须符合设计或规范要求。4、斜段安装质量控制:斜段自首装节的进口端向上安装。斜管段安装自首装节开始要严格

12、控制倾角。在其中心部位测量比较困难,可将测量点转移到下管口的中心点(图中的a点),在确认管口圆度的情况下,推算出相应管节该点中心的高程和里程点,使测量更加方便。斜段4米作为一个安装段。斜段、弯管段的测量要从首装节开始控制倾角,在确认管口圆度,计算出下管口(八)点处,(即-y上的上游管口处点)的中心、高程和里程坐标,校核此处点与安装中心,里程相符.中心线5、埋管安装中心极限偏差如下表:序号钢管内径Dm首装节管口中心的极限偏差mm与蜗壳、伸缩节、蝴蝶阀、球阀、岔管连接的管口及弯管起点的管口中心极限偏差mm与其他部位管口的中心极限偏差mm1DW2561522D5102035812306、各项规定:(

13、1)、钢管安装和焊接应严格遵守D1./T5017-2007压力钢管制造及安装规范一以及其他相关的规定。(2)、钢管焊接完成并验收合格后即可回填他,回填后要为下一个管节的对接安装至少要留有800mm100Omm的操作空间。(3)、在回填碎和接触灌浆后,封焊灌浆孔,拆除内撑,然后进行钢管焊缝两侧的防腐除锈和涂漆。防腐工艺应与制作工艺相同。(4)、设置安装基准点,标示安装高程、中心线和始装节安装桩号等测量控制点,并牢固可靠。当点线模糊不清时,不得猜测和轻易确认,应重新以洞内的基准点为准从新测放。(5)、在安装部位使用螺旋千斤顶调整钢管管节的中心、高程等位置参数,调整原则为先粗调后精调,符合要求后采取

14、加固措施固定管节,然后再次复测中心、高程和倾斜等参数,合格后记录测量数据。(6)、两侧焊缝不得同时施焊,一条焊接后再焊另一条。单条焊缝焊接应保持对称施焊并配合锤击,以消除内应力。(7)、从事一、二类焊缝焊接的焊工必须持有劳动人事部门颁发的锅炉、压力容器焊工考试合格证或国家电力公司颁发的适用水利水电工程压力钢管制造安装的焊工考试规定的考试,并持有有效合格证书。焊工在钢管上焊接的钢材种类、焊接方法和焊接位置均应与焊工考试合格的项目相符。(8)、无损检测人员必须有相关检测资质(射线探伤、超声波探伤、磁粉探伤等)的探伤人员,且评定焊缝质量应由II级或II级以上的无损检测人员担任。(9)、在混凝土达到设

15、计强度后才能拆除内支撑、工卡具及其他临时构件,但严禁使用锤击法拆除。应用氧气乙烘火焰在其离管壁3mm以上处切除,严禁损伤母材,切除后钢管内壁上残留的痕迹和焊疤应再用砂轮磨平,并认真检查有无微裂纹(必要时需用磁粉检测)。7、安装进度:(如后图)8、压力钢管工程安装骏工后,应及时通知监理组织相关人员进行工程验收,验收标准依据D1./T5017-2007水利水电工程压力钢管制造安装及验收规范中的各项规范和设计图纸的相关条款。质量应符合其设计图纸和上述规范的规定。安装验收时,施工单位应提供下列资料:(1)压力钢管工程竣工图样(2)主要材料出厂质量证明书(3)设计修改通知单(4)安装时最终检查和试验的测定数据(5)防腐检测资料(6)重大缺欠处理记录和有关会议纪混凝土施工1、混凝土材料水泥:混凝土工程采用的水泥品种和标号符合相关技术条款的有关规定,到货的水泥应按品种、标号、出厂日期分别堆存,受潮湿结块的水泥,禁止使用。水:适用于饮用的水,均可用来拌制和养护混凝土。拌和用水所含物质不影响混凝土和易性和混凝土强度的增长,以及引起钢筋和混凝土的腐蚀。未经处理的工业污水不得用以拌制和养护混凝土。抖制和养护混凝土也可使用天然矿化水,但水的PH值、不溶物、可溶物、氯化物、磷酸盐、硫化物的含量符合规定。骨料:本工程混凝土工程所用砂、石料拟直接在中水

展开阅读全文
相关资源
猜你喜欢
相关搜索

当前位置:首页 > 建筑/环境 > 设计及方案

copyright@ 2008-2023 1wenmi网站版权所有

经营许可证编号:宁ICP备2022001189号-1

本站为文档C2C交易模式,即用户上传的文档直接被用户下载,本站只是中间服务平台,本站所有文档下载所得的收益归上传人(含作者)所有。第壹文秘仅提供信息存储空间,仅对用户上传内容的表现方式做保护处理,对上载内容本身不做任何修改或编辑。若文档所含内容侵犯了您的版权或隐私,请立即通知第壹文秘网,我们立即给予删除!