电梯附加制动器评价内容.docx

上传人:p** 文档编号:1008618 上传时间:2024-06-15 格式:DOCX 页数:2 大小:12.49KB
下载 相关 举报
电梯附加制动器评价内容.docx_第1页
第1页 / 共2页
电梯附加制动器评价内容.docx_第2页
第2页 / 共2页
亲,该文档总共2页,全部预览完了,如果喜欢就下载吧!
资源描述

《电梯附加制动器评价内容.docx》由会员分享,可在线阅读,更多相关《电梯附加制动器评价内容.docx(2页珍藏版)》请在第壹文秘上搜索。

1、附加制动器评价内容项目编号项目评价内容与要求风险评定参考值探测度重度5概率等级风险类别7.1配置1.a:a)在下列任何一种情况下,自动扶梯或倾斜的自动人行道应设置一个或多个附加制动器:1)工作制动器与梯级、踏板的驱动链轮或胶带的驱动滚筒之间不是用轴、齿轮、多排链条或多根单排链条连接的:2)工作制动器不是机电式制动器;3)提升高度大于6m:4)公共交通型自动扶梯或倾斜角不小于6的公共交通型自动人行道。b)附加制动器应为机械式的(利用摩擦原理)1FHI1.c:a)在卜.列任何一种情况卜,自动扶梯或倾斜的自动人行道未设置附加制动:1)工作制动器与梯级、踏板的驱动链轮或胶带的驱动滚筒之间不是用轴、齿轮

2、、多排链条或多根单排健条连接的;2)工作制动器不是机电式制动器:3)提升高度大于6m;4)公共交通型自动扶梯或倾斜角不小于6的公共交通型自动人行道。b)附加制动器非机械式的(利用摩擦原理)DI7.2连接方式1.a:附加制动器与梯级、踏板的驱动链轮或胶带的驱动滚筒之间用轴、齿轮、多排链条或多根单排链条连接,未采用摩擦传动元件(例如:离合器)构成的连接1FIIl1.c:附加制动器与梯级、踏板的驱动链轮或胶带的驱动滚筒之间未采用轴、齿轮、多排链条或多根单排链条连接,或采用摩擦传动元件(例如:离合器)构成的连接DI7.3启动条件1.a:附加制动器在下列情况下均应起作用:a)速度超过1.4倍名义速度之前

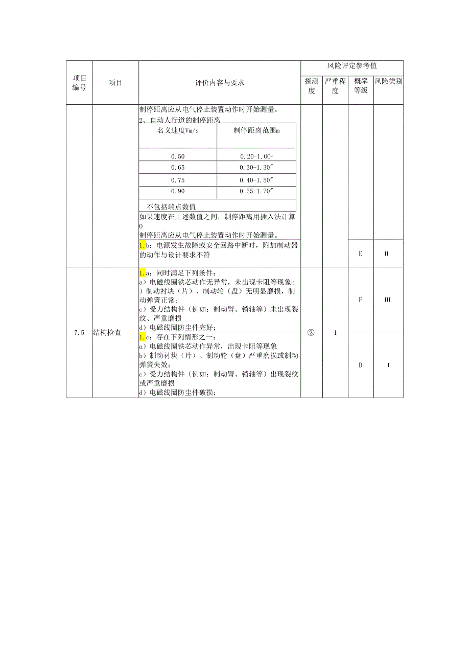
3、;b)梯级、踏板或胶带改变其规定运行方向时;c)驱动主机驱动链过度松弛和断裂时1FIII1.c:附加制动器在下列情况之一未起作用:a)速度超过1.4倍名义速度之前;b)梯级、踏板或胶带改变其规定运行方向时;c)驱动主机驱动链过度松弛和断裂时DI7.4制动效果1.a:如果电源发生故障或安全回路中断,允许附加制动器和工作制动器同时动作,制停条件应符合:1、自动扶梯的制停距离2FIll名义速度Vm/s制停距离范围m0.500.201.00,0.650.301.30,0.750.401.50,不包括端点数值如果速度在上述数值之间,制停距离用插入法计算。项目编号项目评价内容与要求风险评定参考值探测度严重

4、程度概率等级风险类别制停距离应从电气停止装置动作时开始测量。2、自动人行道的制停距离名义速度Vm/s制停距离范围m0.500.20-1.OOu0.650.30-1.300.750.40-1.500.900.55-1.70不包括端点数值如果速度在上述数值之间,制停距离用插入法计算O制停距离应从电气停止装置动作时开始测量。1.b:电源发生故障或安全回路中断时,附加制动器的动作与设计要求不符EII7.5结构检查1.a:同时满足下列条件:a)电磁线圈铁芯动作无异常,未出现卡阻等现象b)制动衬块(片)、制动轮(盘)无明显磨损,制动弹簧正常;c)受力结构件(例如:制动臂、销轴等)未出现裂纹、严重磨损d)电磁线圈防尘件完好;1FIII1.c:存在下列情形之一:a)电磁线圈铁芯动作异常,出现卡阻等现象b)制动衬块(片)、制动轮(盘)严重磨损或制动弹簧失效;c)受力结构件(例如:制动臂、销轴等)出现裂纹或严重磨损d)电磁线圈防尘件破损;DI

展开阅读全文
相关资源
猜你喜欢
相关搜索

当前位置:首页 > 汽车/机械/制造 > 制造加工工艺

copyright@ 2008-2023 1wenmi网站版权所有

经营许可证编号:宁ICP备2022001189号-1

本站为文档C2C交易模式,即用户上传的文档直接被用户下载,本站只是中间服务平台,本站所有文档下载所得的收益归上传人(含作者)所有。第壹文秘仅提供信息存储空间,仅对用户上传内容的表现方式做保护处理,对上载内容本身不做任何修改或编辑。若文档所含内容侵犯了您的版权或隐私,请立即通知第壹文秘网,我们立即给予删除!