3813m水泥磨操作规程.docx

上传人:p** 文档编号:1014653 上传时间:2024-06-15 格式:DOCX 页数:34 大小:62.42KB
下载 相关 举报
3813m水泥磨操作规程.docx_第1页
第1页 / 共34页
3813m水泥磨操作规程.docx_第2页
第2页 / 共34页
3813m水泥磨操作规程.docx_第3页
第3页 / 共34页
3813m水泥磨操作规程.docx_第4页
第4页 / 共34页
3813m水泥磨操作规程.docx_第5页
第5页 / 共34页
3813m水泥磨操作规程.docx_第6页
第6页 / 共34页
3813m水泥磨操作规程.docx_第7页
第7页 / 共34页
3813m水泥磨操作规程.docx_第8页
第8页 / 共34页
3813m水泥磨操作规程.docx_第9页
第9页 / 共34页
3813m水泥磨操作规程.docx_第10页
第10页 / 共34页
亲,该文档总共34页,到这儿已超出免费预览范围,如果喜欢就下载吧!
资源描述

《3813m水泥磨操作规程.docx》由会员分享,可在线阅读,更多相关《3813m水泥磨操作规程.docx(34页珍藏版)》请在第壹文秘上搜索。

1、3.8X13m水泥磨操作规程1、主要规格参数型式:双仓管磨实力:85Th(P.C325)简体转速:16.3rmin主减速机型号:JS130-C辅传功率:37KW主电机型号:YRKK800-8规格:3.8X13m65Th(P.0425)装球量:173t速比:辅传电机传速:1470rmin功率:2500KW转速:740r/min电压:100OOV工作原理:当磨机回转时,研磨体由于惯性离心力的作用,贴附在磨机筒体内壁的衬板上,及磨机一起回转并被带到肯定的高度,由于其本身的重力作用。像抛射体一样落下,将筒体内的物料击碎。此外,研磨体还有滑动和滚动现象,主要对物料起研磨作用;物料由前仓连续加入,随筒体一

2、道回转运动,形成物料向后挤压。加上进料端及出料端之间物料本身的料面高度差,以及磨内强制通风,因此磨机筒体虽然是水平安装,而物料由进料端缓慢地向出料端移动,完成粉磨作业。2、开机前的打算2.1在中控检查主辅机的设备状况均应在中控连锁状态,各主辅机备妥信号完备,有关连锁、温度、压力等保持信号良好。2.2确认磨门关好,衬板螺栓、磨门螺栓及各地脚螺栓紧固。确认入磨、出磨(闭路、循环)水泥物流通畅无阻。2. 3确认现场无人检修、无杂物阻碍磨机运转。检查稀油站油位,保证润滑油足够。2.4 检查全部循环冷却水阀门开启无误。2.5 当油箱温度低于10。C时,应对稀油站油箱进行加热。加热器将油加热至25,正常油

3、箱温度(30。C-431),加热时须有专人监护,加热完毕必需关闭加热器。当油站开启油标显示低油位时不能进行加热。须待油返回油箱在正常油位后加热。2.6 启动稀油站视察压力是否正常,低压供油压力(0.2-0.4)Mpa,高压压力(6-10)Mpa,并确认磨机高压顶起。2. 7磨机运转前应慢转360度以上,使中空轴和轴瓦间形成油膜,慢转后,检查协助传动是否完全脱开,确认限位开关是否到位。2.8核实无误后,通知中控开机。3、磨机加负荷操作及运行调整3. 1开机喂料操作3.1. 1设定石膏、石灰石、粉煤灰的喂料比例,喂料量设定为零。3. 1.2启动喂料机组,并设定喂料量。3. 1.3当磨尾斗提功率上升

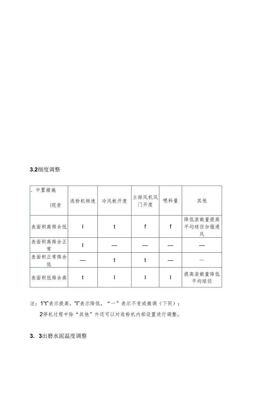
4、时,进行其次次加料(重新设定喂料量);如此反复循环直至达到最终负荷;同时辅以相应的主排风机和选粉机转速及循环风挡板或冷风吹入口的调整。详细见加负荷和喂料曲线。3.2细度调整、中置措施现贫选粉机转速冷风板开度主排风机风门开度喂料量其他表面积高筛余低Itff降低装载量提高平均球径加强通风表面积高筛余正常I表面积正常筛余低tt表面积低筛余高tIII提高装载量降低平均球径注:1“t”表示提高,“I”表示降低,“一”表示不变或微调(下同);2停机过程中除“其他”外还可以对选粉机内部设置进行调整。3. 3出磨水泥温度调整措施X主排风机挡板冷风挡板循环负荷喂料量隔仓板球径装球量过高tttI清理II过低III

5、IIt3. 4循环负荷调整3. 41运行中调整及成品细度有关。3. 4.2通过选粉机内部结构调整,变更选粉机效率。3. 4.3磨机装载量凹凸、磨内平均球径等对磨机循环负荷亦有肯定影响。4、运行中的检查3.1 检查磨筒体运转状况,无螺栓松动冒灰、无异样声响。3.2 视察磨机运行时的负荷状况,正常磨机功率应在2000KW左右,如明显下降,出磨斗提功率下降,推断为饱磨,应减低喂料量;如磨机功率上升,出磨物料温度上升,推断为空磨,应适当加大喂料量。3.3 视察喂料状况,避开溜子堵塞造成物料溢出。3.4 视察排渣状况,如料渣中细灰量增加应推断回转筛堵塞,支配停机清理。如料渣中混有较大钢球,可推断为篦板破

6、损,应刚好停机向主管部门汇报。4. 5视察磨头、尾稀油站低压压力(0.2Mpa-0.4Mpa),以及过滤器压差应不大于0.IMpa,保证供油正常,并监测油位,不够刚好补充。5. 6随时检查冷却水是否畅通,磨机轴瓦温度变更,当环境温度较高时应加大监护力度,特殊是至报警温度时(60。C)中控应将温度变更趋势调出,当温度升至64,应报告有关部门,并停机冷却,检查冷却系统、润滑系统。6. 7视察主减速机稀油站油箱温度(3(TC43。C)出口压力(0.20.4)Mpa,两联过滤器压差W0.15Mpa,换热器压差WO.IMpa,各项指标是否正常。5、停机1.1 除涉及重大工艺设备、人身平安不允许紧急停磨。

7、5. 2打算停磨前应停止喂料,磨空内部物料。6. 3停磨后应按规范要求进行慢转冷却。停磨后10分钟第一次慢转180度,以后每次转度相同间隔为:停磨机回转时间间隔分6、维护保养6.1 连续运转一段时间后,当磨机停机时应检查衬板及端盖螺栓、基础螺栓,并刚好紧固。6.2 停机时应检查回转筛,刚好清理。6.3 每两个月入磨检查篦板的堵塞状况,并刚好清理。6. 4半年以上对稀油站油品进行分析化验,并视状况更换、补充。7. 5定期检查稀油站低压油在中空轴上分布状况。6.6定期对磨机主要电气爱护进行测试。6.73个月以上进行研磨体消耗计算、测量。7、水泥磨常见故障及解除7.1磨机饱磨7、1、1磨机二仓饱磨现

8、象及处理视察点斗提功率磨机功率一仓磨音二仓磨音磨头磨尾负压回粉泥度水温现象下降下降发闷发闷冒灰上升削减下降故障原因1、喂利2、喂加料:3、钢球载量少4、磨?低:5、二a6、回察7、T板破。,量过高:斗过快或脉动喂级配不合理或装9通风过高或过、隔仓板堵:;筛堵:、和/或二仓隔仓处理办法1、如磨尾仍有物料流出,削减喂料或停止喂料加大循环负荷,待各参数复原正常后,分析缘由,作出相应调整后再逐步加喂到正常值;2、假如磨尾已无物料流出,检查回转筛,如堵,停磨清堵;3、假如磨尾已无物料流出,回转筛未堵。断喂料,同时加大抽风,十五分钟内如有物料流出,按第1操作:如在十五分钟内仍无物料出,停磨清理一、二仓隔仓

9、板;4、如属故障缘由3,让步操作,到大修时处理。缘由5.6、7则相应处置。7.1.2磨机一仓饱磨现象及处理方法视察点斗提功率磨机功率一仓磨音二仓磨音磨头磨尾负压回粉水泥温度现象下降不确定发闷啜亮冒灰上升削减下降故障原因1、喂君2、喂才料;3、一仓载量过14、磨P低;5、一彳量过高:斗过快或脉动喂级配不合理或装氐;勺通风过高或过与隔仓板堵。处理办法1、如磨尾仍有物料流出,削减喂料或停止喂料,加大循环负荷,待各参数复原正常后,分析缘由,作出相应调整后再逐步加喂到正常值;2、假如磨尾已无物料流出,断喂料,加大磨尾抽风,十五分钟内如有物料流出,按第1操作:如在十五分钟内仍无物料出,停磨清理一、二仓隔仓

10、板;3、如属级配或装载量缘由所致,让步操作,到大修时处理。如属缘由5,相应处理。7.2磨尾料渣过多7.2.1 磨机破裂实力不足,补充型号稍大的球。7. 2.2磨内物料流速过快,削减磨内通风。7. 2.3饱磨,见饱磨处理方法。7. 2.4脉冲喂料,匀称稳定喂料。7. 3磨机轴瓦温度偏高7. 3.1检查润滑油量状况,保证有足够的润滑油。7. 3.2检查润滑油油泵是否正常工作,有故障刚好解除。7. 3.3检查润滑系统的阀门是否到位。7. 3.4检查油过滤器是否堵,刚好清理。7. 3.5检查冷却水量及水温,必需保证足够的冷却水,并限制冷却水温不能过高。7. 3.6出磨水泥温度过高,调整出磨水泥温度。7

11、. 3.7中空轴隔热材料缺损,大修中整改。7. 3.8中空轴瓦面检查处理。7. 4出料篦板破损的发觉及解除。磨尾料渣增多,并夹有小钢球。解除方法:对出料篦板进行修补或更换。7. 5磨尾斗提超负荷解除7. 51削减磨内通风,减慢磨内物料流速。8. 5.2削减喂料量。7. 5.3调整二仓钢球配比,增加研磨实力。8、磨机协助传动7.1 全部检查门、磨门关闭,磨机上下部无人。7.2 拆下辅传电机后罩,松开抱闸(点动辅传电机),对准离合器齿形用专用把杆、啮合离合器(如脱开离合器,应松开抱闸,消退其静扭力)。7.3 现场或中控开启磨头、尾稀油站及主减速机、主电机稀油站。如现场启动稀油站,应把中控按钮拨至现

12、场操作位置,单机自动按钮拨至自动位置,再视察各油箱温度,如有必要先进行加热,磨头、磨尾稀油站10时,应加热至30。C(尤其是冬季开机时),主减速机2(C,应加热至40,再依据现场设置的主泵,启动相应油泵,并观测油压。磨头、磨尾稀油站,先启动高压油泵,待磨启动运转后2-3分钟,自动启动低压油泵。8. 4确认各项油温油压指数正常,辅传啮合无误后把辅传按钮拨至现场位置,再进行现场启动慢转。注:辅传结束后,最好在1520分钟内正常启动主减速机,以免在20分钟后油膜脱落失效。选粉机操作规程1、主要技术参数转速:165-21OrZmin空气量:2500m3min速比:7.1最大喂量:450th产量:90-

13、170th成品细度:比表面积3500Cm2/g电机功率:160KW减速机型号:B2SV-07选粉机的工作原理:被分选的物料从顶部的进料口喂入,落在回转的撒料盘上,由于离心力的作用物料被抛洒出去,遇到缓冲板而变更方向,使之高度分散于切向导入的空气流中。在转子导向叶片之间的狭长环形空间的分别区内形成料幕。以磨内解除气体作为一次风,其他粉磨系统设备排出气体作为二次风,从壳体两侧相隔180度设置两个切向进风口引入机内,通过导向叶片及转子的回转作用,形成剧烈的水平分别场,较粗颗粒因受离心力作用撞向导向叶片而滑落较细颗粒因收向心吸力作用随气流穿过转子风叶进入转子内,从中部风管被抽出,最终由收尘器收集细粉。

14、粗颗粒向下流经选粉区再次选粉,最终落入锥形斗,又一次被三次风选粉后卸出。2、开机前打算2.1 将全部转动部分擦干净。2.2 紧固全部紧固螺栓。2.3检查驱动部分和机械联结部分。2. 4检查电气联锁装置和物料输送系统是否正常。2.5 检查各轴承、管接油封是否封闭无渗漏。2.6 各检查门是否关闭,各气流调整阀是否在正常位置。2.7 启动稀油站,观测各项监控指数是否正常。油位在上、下限位之间,供油压力0.12-0.16Mpa,油泵压力0.200.40Mpa,过滤压差4P=0.1MPa,油箱温度20oC-40oCo3、操作操作者通常限制以下四方面:即选粉机风量、转子转速、磨机的卸料量、选粉机各入风口的开度。3.1选粉机风量:在系统正常操作时,袋收尘器风机的气流调整阀在全开位置,而无必要调整其开度。除非在正常操作时通过变更每一处的气流调整板开度,间接地确定相宜的选粉机风量。但应遵循以下原则:每次积灰点的抽风量须保持在最小量,以防止灰尘飞撒,同时为防止在水平管中积灰,风速须在20ms以上。为限制磨机的通风量,应当调整气流调整阀,使出口风静压在50mmH2左右。导入冷风进入选粉机的气流调整阀应尽可能开大。3.

展开阅读全文
相关资源
猜你喜欢
相关搜索

当前位置:首页 > 办公文档 > 规章制度

copyright@ 2008-2023 1wenmi网站版权所有

经营许可证编号:宁ICP备2022001189号-1

本站为文档C2C交易模式,即用户上传的文档直接被用户下载,本站只是中间服务平台,本站所有文档下载所得的收益归上传人(含作者)所有。第壹文秘仅提供信息存储空间,仅对用户上传内容的表现方式做保护处理,对上载内容本身不做任何修改或编辑。若文档所含内容侵犯了您的版权或隐私,请立即通知第壹文秘网,我们立即给予删除!