钢结构吊装方案3.docx

上传人:p** 文档编号:1030301 上传时间:2024-06-15 格式:DOCX 页数:8 大小:21.06KB
下载 相关 举报
钢结构吊装方案3.docx_第1页
第1页 / 共8页
钢结构吊装方案3.docx_第2页
第2页 / 共8页
钢结构吊装方案3.docx_第3页
第3页 / 共8页
钢结构吊装方案3.docx_第4页
第4页 / 共8页
钢结构吊装方案3.docx_第5页
第5页 / 共8页
钢结构吊装方案3.docx_第6页
第6页 / 共8页
钢结构吊装方案3.docx_第7页
第7页 / 共8页
钢结构吊装方案3.docx_第8页
第8页 / 共8页
亲,该文档总共8页,全部预览完了,如果喜欢就下载吧!
资源描述

《钢结构吊装方案3.docx》由会员分享,可在线阅读,更多相关《钢结构吊装方案3.docx(8页珍藏版)》请在第壹文秘上搜索。

1、根据业主和总包的提供的钢构造图纸,按照国家有关原则及规范,结合我司的实力与施工经验,进行方案0编制。钢构造工程施工及验收规范(GB50205-)钢构造工程质量检查原则(GB50221)钢构造设计规范(GBJ17-88)建筑钢构造焊接规范(JGJ82-99)吊装准备工作一、机具材料设备名称规格型号数量用途1汽车吊QY651台吊钢梁2汽午吊45T1分吊立钢柱3拖车IOT1台运构件4钢丝绳6xl9-1404付吊构件5麻绳30米/付2付溜绳6卡环3.3T8个吊构件7序号2T8个封车8电焊机BX3-5003台焊接9氧气、乙块各2套焊接10水准仪1台测量11经纬仪2台测量12水平尺2把检查水平13割枪2把

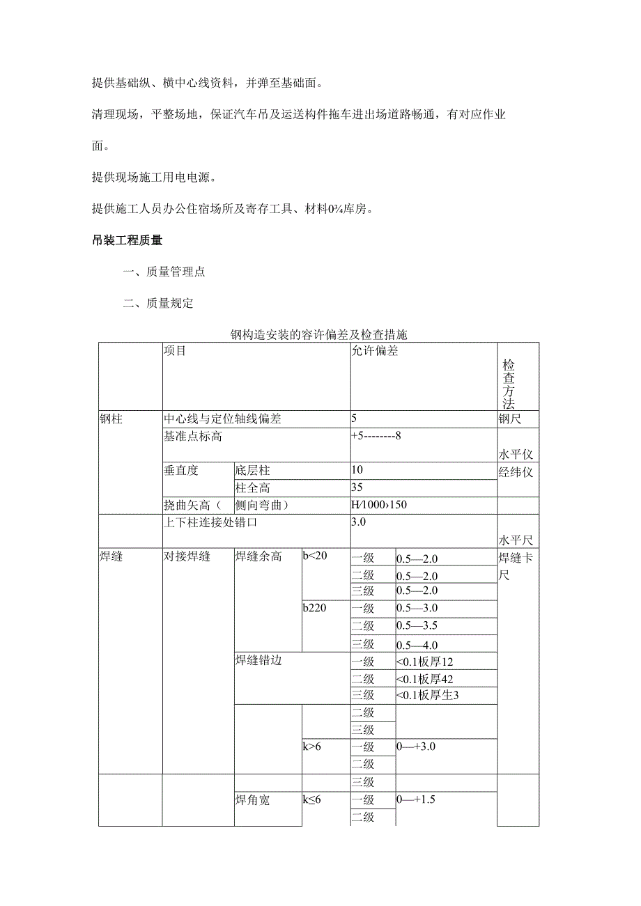
2、切割14磁性铅坠2个校正15对讲机1套联络16自制卡具两种吊装二、劳动力工种人数备注加工9焊工4持证上岗电工1起重工2持证上岗挂钩工8三、现场条件提供标高水准点和轴线控制线。提供所有基础顶面标高资料。提供基础纵、横中心线资料,并弹至基础面。清理现场,平整场地,保证汽车吊及运送构件拖车进出场道路畅通,有对应作业面。提供现场施工用电电源。提供施工人员办公住宿场所及寄存工具、材料0库房。吊装工程质量一、质量管理点二、质量规定钢构造安装的容许偏差及检查措施项目允许偏差检查方法钢柱中心线与定位轴线偏差5钢尺基准点标高+58水平仪垂直度底层柱10经纬仪柱全高35挠曲矢高(侧向弯曲)H1000150上下柱连

3、接处错口3.0水平尺焊缝对接焊缝焊缝余高b20一级0.52.0焊缝卡尺二级0.52.0三级0.52.0b220一级0.53.0二级0.53.5三级0.54.0焊缝错边一级0.1板厚12二级0.1板厚42三级6一级0+3.0二级三级焊角宽k6一级0+1.5二级三级k6一级0+3.0二级支承面、地脚螺栓的容许偏差:项目允许偏差支承面标得3.0水平度1./1000预留孔中心偏移10.0三、质量控制吊装工艺与吊装施工组织一、吊装工艺流程定位定标高柱地脚螺栓植筋弹线柱安装钢梁安装楝条安装补漆竣工二、钢柱安装工艺(一)、钢柱吊装、校正1 .对基础进行复测,包括锚栓0露出长度,锚栓中心线对基准线的位移偏差,

4、锚栓间距,基础标高,对于不合格的进行处理后方可进行吊装。2 .为了控制柱子的安装标高,还事先在柱子可视的截面上划出500mm0位置,以便安装时进行标高的微调、校正。在复测合格的基础上安装钢柱,首先用单支钢丝绳将柱子捆绑好,吊点位置选择在距柱端1/3柱长的位置。通过旋转法将柱子吊起,将钢柱吊起送至安装位置。3 .推进柱子将其底板螺栓孔对准基础锚栓,根据状况,反复小范围的调整,直到所有预埋地脚都对准螺栓孔后,将构件缓缓的落下,注意在此过程中一定要保证柱子0每个预埋地脚都进入到螺栓孔,并且保证柱子垂直下落。4 .当整个柱子基本落到基础上,然后调整柱子的中心线与基础0定位轴线。中心线的调整重要是通过用

5、水平靠尺(具有测水平和垂直的双重功能)对准基础中心线和和柱子四面已分好B中心线,然后再进行反复调整。5 .调整柱子0标高,由于柱子落在事先复侧的基础上,标高只需进行微调,通过水平仪检查柱子上事先画好的500mm线与否与实际的标高相符,使用垫铁,进行标高0调整。6 .柱子0垂直度控制:在柱子可视面上事先画出中心线,然后在两个互相垂直的方向用经纬仪对柱子0垂直度进行调整。通过测量柱子内侧距建筑物上弹好的控制线的距离来控制柱子的垂直度。柱子的标高、轴线和垂直度偏差的调整是互相联络的兼顾的,待所有原则都达届时才算完毕校正工作。然后进行柱底板与预埋钢筋B塞焊工作。1 .由于此时可以把水平仪架在楼面上对柱

6、子0水平进行测量。2 .待柱子调整完毕后拧紧螺栓,进行焊接工作。3 .柱子B焊接:翼缘板、腹板B焊接为全熔透坡口焊。焊接次序先焊接翼缘。三、钢梁安装工艺将钢梁卸车到各柱附近,再由内到外、自下而上逐根按编号用吊车安装钢梁,只有当梁两端安装螺栓紧固(或点焊牢固)后,方可松钩,依次吊装其他钢梁。检查合格后进行焊接。四、现场焊接工艺重要构件焊接工艺手工焊接应采用多层多道、小电流0焊接措施。1、对接溶透焊缝(平焊位手工电弧焊)合用梁柱翼缘板腹板对接焊缝,焊条E4303。焊接工艺参数:焊接坡口:b12mm单坡口角度60度钝边2mmb12mm双坡口角度60度钝边2mm组装间隙:2-3mm焊接电流140180

7、A,焊接电压24V,焊接速度15Cnlmin2、T型焊缝(船形位手工电弧焊)合用于梁柱筋板、连接板、柱顶板、柱底板,双面贴角焊缝,焊条E4303。3、焊接工艺参数:焊脚高度:不小于被焊件中较薄件B厚度。焊接电流140160A,焊接电压22V,焊接速度16Cmmin手工电弧焊接时可参照下表参数:焊条直径3.24.05.0焊接电流(八)1001301602102102704、焊缝外观:用肉眼和量具检查焊缝外观缺陷和焊脚尺寸,应符合施工图和施工规范0规定,焊波均匀,不得有裂纹、未熔合、夹渣、焊瘤、咬边、烧穿、弧坑和针状气孔等缺陷,焊接区应清理洁净,无飞溅残留物。5、全熔透焊缝作为焊接过程中的重点和关

8、键质量控制点,质量检查人员对此部位应进行跟踪检查并做好对应0质量检查检查记录。五、吊装施工进度计划(略)六、安装施工特点及难点(一)因本工程周围区域狭小,工程构件B进场和堆放难度较大。(二)本工程为五层接六层,加层高度较大,周围防护优显重要。(三)吊车站位点不合适南侧距建筑物太近,北侧距建筑物较远,构件吊装难度大,安装钢梁需选用65T以上大吊车。吊装是本工程B难点。吊装工程安全一、吊装工程安全规定二、文明施工1、遵守现场安全0各项管理规定,进入现场必须带好安全帽,严禁吸烟。2、构件堆放、电焊机排列整洁有序,备用0氧气、乙块瓶放入专用笼子内,分开放置。3、现场设置安全员、防火员。4、保持现场卫生

9、。5、现场所有施工人员服从指挥,言行文明。三、安全技术措施1、构件0运送、装车时用大垫木IOXlo木方将构件垫稳,并用2t倒链前后两道封牢。、装车后,整体高度不不小于4m。、行驶速度W40公里/小时,转弯或路面不平处W20公里/小时。、构件与钢丝绳接触处,用胶皮垫住。、装车后,摆放位置应居车中部,前、后用2t链封牢(运中部时封三道),所有构件运送过程中要常常检查构件封车绳、倒链0状况,碰到问题及时处理。、由于本次有超长的构件,要夜间运送,运送前要进行安全交底,规定在运送中有专门的运送负责人。规定企业派专职安全员。运送车辆要安装示宽灯,要前有车开道,后有车压送。并要与交通部门协商好详细B时间和路

10、线,以保证交通的畅通。四、其他1、进入施工现场必须戴好安全帽,高空作业必须穿防滑鞋、系安全带,凡不适合高空作业的人员,不得从事高空作业。2、施工用机索具施工前由工长带领有关人员进行检查,合格后方可使用。3、四级风以上严禁作业。4、吊装作业人员作业中严格执行安全规程中“十不吊”规定,吊装前安全员应对作业人员应进行安全教育。5、吊装过程中,应待构件就位后再上前操作,解开构件日勺吊索时应将安全带系在牢固处,防止空中坠落。6、吊装作业点距离高压线不得不不小于2m。距低压线不得不不小于Inb否则应采用措施后方可施工。7、在同一垂直线上,严禁上、下同步施工。8、高空作业中。各类工具、配件应装入工具袋内,严

11、禁乱扔、乱抛以防物体打击。9、构件就位应平稳,防止振动和摆动,待构件紧固后方可松开吊索具。10、施工用氧气瓶、乙焕瓶,必须距明火IOm以上,2者相距IOm以外,防止曝晒、烧烤,搬动时严禁碰撞,以防发生火灾。11、要使用合格的电气设备,并且有专门的电工负责。12、脚手架搭设规定:柱子脚手架0搭设:a.在每节柱的连接部位需搭设独立架子,高度为从接头处下反Im0b.立杆间距为1.8-2.Om,水平横杆间距1.5m。c.作业面要满铺跳板,宽度为50Omm设两道防护栏杆,挂安全网。五、安全技术措施六、构造安装施工技术措施1、柱子0垂直度:在柱子B互相垂直的两个截面上预先画上中心线,然后从两个互相垂直度方向架上两台经纬仪进行校正。2、柱子中心线对定位轴线:复测时在基础上弹出基础的中心线,并且在柱子上也画出中心线,在安装第一节时使柱子B中心线于基础B中心线相对应重叠。七、成品保护1、运送构件时,根据钢构件H长度、重量选用车辆,钢构件在运送上采用三个支点(用道木)。2、钢构件寄存场地平整坚实,无积水。同型号0钢构件叠放时各层钢构件的!支点在同一垂直线上。

展开阅读全文
相关资源
猜你喜欢
相关搜索

当前位置:首页 > 建筑/环境 > 设计及方案

copyright@ 2008-2023 1wenmi网站版权所有

经营许可证编号:宁ICP备2022001189号-1

本站为文档C2C交易模式,即用户上传的文档直接被用户下载,本站只是中间服务平台,本站所有文档下载所得的收益归上传人(含作者)所有。第壹文秘仅提供信息存储空间,仅对用户上传内容的表现方式做保护处理,对上载内容本身不做任何修改或编辑。若文档所含内容侵犯了您的版权或隐私,请立即通知第壹文秘网,我们立即给予删除!