钢管落地卸料平台施工方案.docx

上传人:p** 文档编号:1043821 上传时间:2024-06-16 格式:DOCX 页数:12 大小:67.48KB
下载 相关 举报
钢管落地卸料平台施工方案.docx_第1页
第1页 / 共12页
钢管落地卸料平台施工方案.docx_第2页
第2页 / 共12页
钢管落地卸料平台施工方案.docx_第3页
第3页 / 共12页
钢管落地卸料平台施工方案.docx_第4页
第4页 / 共12页
钢管落地卸料平台施工方案.docx_第5页
第5页 / 共12页
钢管落地卸料平台施工方案.docx_第6页
第6页 / 共12页
钢管落地卸料平台施工方案.docx_第7页
第7页 / 共12页
钢管落地卸料平台施工方案.docx_第8页
第8页 / 共12页
钢管落地卸料平台施工方案.docx_第9页
第9页 / 共12页
钢管落地卸料平台施工方案.docx_第10页
第10页 / 共12页
亲,该文档总共12页,到这儿已超出免费预览范围,如果喜欢就下载吧!
资源描述

《钢管落地卸料平台施工方案.docx》由会员分享,可在线阅读,更多相关《钢管落地卸料平台施工方案.docx(12页珍藏版)》请在第壹文秘上搜索。

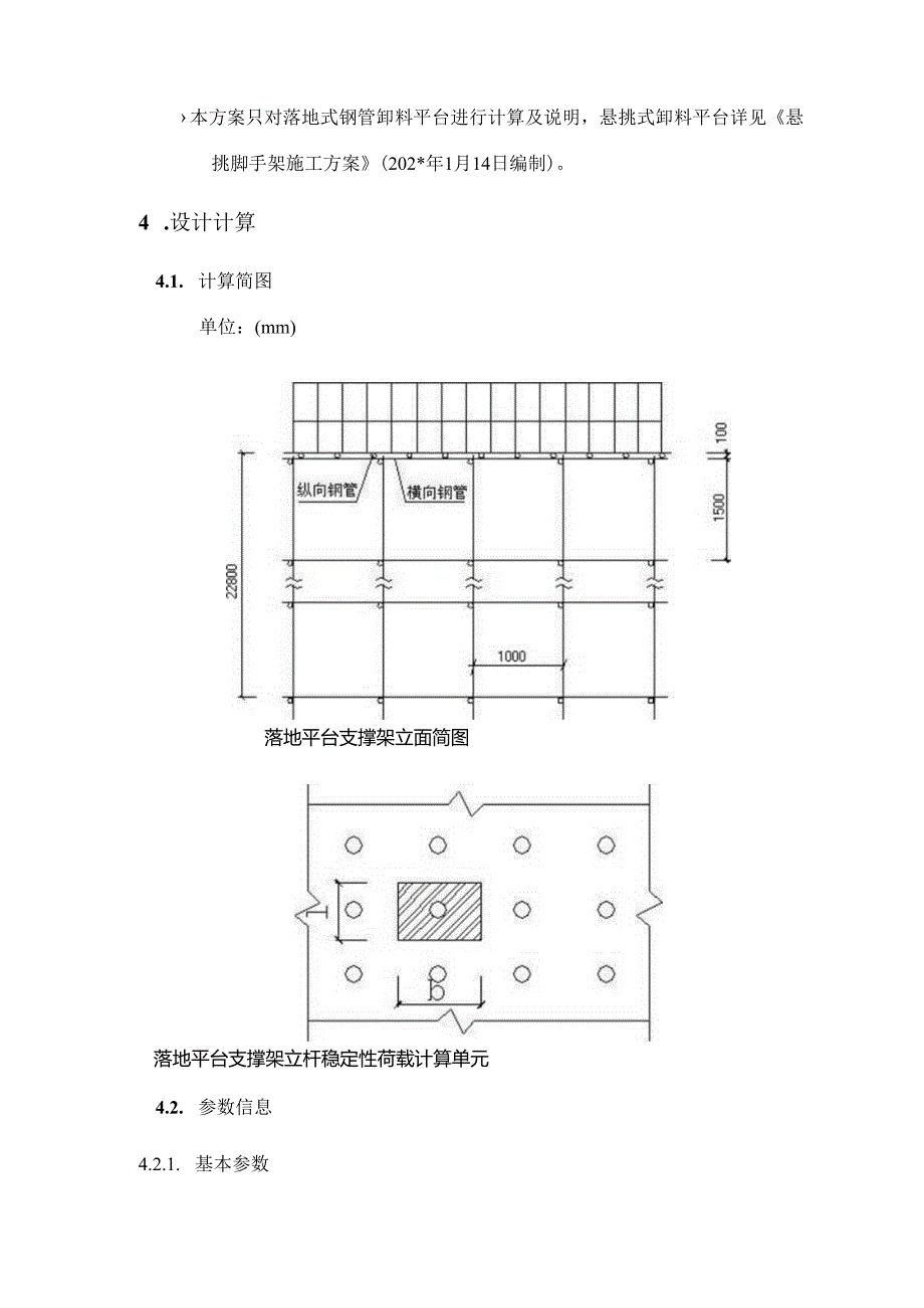
1、某某市虎门富民服装展示中心钢管藕地鲫料平台施工防案编制人:审核人:审批人:编制单位:中国建筑第四工程局编制日期:年三月十二日1 .工程概况工程名称某某市虎门富民服装展示中心工程地点某某市虎门镇博涌村建设单位某某某某市富民服装展示中心总承包公司设计单位龙安-泛华建筑工程顾问总承包公司监理单位某某建设监理公司某某分公司施工单位中国建筑第四工程局建筑面积153638m2层数(地上/地下)地上23层/地下3层建筑高度99.8m结构形式钢筋混凝土框架-剪力墙2 .编制凭据某某某某市富民服装展示中心工程承包合同、及施工用图纸等;建筑施工扣件式钢管脚手架安全技术规范(JGJI30-2001)建筑结构荷载规范

2、(GB50009-2001)钢结构设计规范(GB50017-202*)悬挑脚手架施工方案某某市虎门富民服装展示中心施工组织设计【建筑施工手册】第四版;工程建设标准强制性条文、及其他有关法律、法规、规章、管理文件。3 .卸料平台设置:三层以上采用悬挑式脚手架,卸料平台也采用悬挑式卸料平台。三层以下采用钢管落地式卸料平台。本方案只对落地式钢管卸料平台进行计算及说明,悬挑式卸料平台详见悬挑脚手架施工方案(202*年1月14日编制)。4 .设计计算4.1. 计算简图单位:(mm)落地平台支撑架立面简图落地平台支撑架立杆稳定性荷载计算单元4.2. 参数信息4.2.1. 基本参数立杆横向间距或排距la(m

3、):1.O0,立杆步距h(m):1.50;立杆纵向间距lb(m):1.o0,平台支架计算高度H(m):22.80(按最不利的从地下三层搭设至二层板高度计算);立杆上端伸出至模板支撑点的长度a(m):0.10,平台底钢管间距离(mm):300.00;钢管类型(mm):48x3.5,扣件连接方式:双扣件,取扣件抗滑承载力系数:0.80;4.2.2. 荷载参数脚手板自重(kN/m2):0.300;栏杆自重(kNm11).150;材料堆放最大荷载(kNm2)2000;施工均布荷载(kNm)3.000;4.3. 纵向支撑钢管计算:纵向钢管按照均布荷载下连续梁计算,截面几何参数为截面抵抗矩W=5.08cm

4、3;截面惯性矩I=12.19CnA纵向钢管计算简图431.荷载的计算:脚手板与栏杆自重(kN/m):q11=O.15+O.30.3=0.24kN/m;堆放材料的自重线荷载(kN/m):q12=20.3=0.6kN/m;活荷载为施工荷载标准值(kN/m):Pi-30.3-0.9kN/m432.强度验算:依照规范5.2.4规定,纵向支撑钢管按三跨连续梁计算。最大弯矩考虑为静荷载与活荷载的计算值最不利分配的弯矩和;最大弯矩计算公式如下:“q户M=-8最大支座力计算公式如下:N=宜2均布恒载:5=1.2Xq11+1.252=1.2X0.24+1.2X0.6=1.008kN/m;均布活载:q2=1.40

5、.9=1.26kN/m;最大弯距Miim=0.l1.008l2+0.1171.26l2kN.m.248kN.m;最大支座力N=l.IX1.008X1+1.2X1.26X1=2.621kN;最大应力=Mmax/W=0.248106/(5080)=48.862N/mm2;纵向钢管的抗压强度设计值f=205N/mm2;纵向钢管的计算应力48.862N/mm2小于纵向钢管的抗压设计强度205Nmm2,满足要求!4.3.1. 挠度验算:最大挠度考虑为三跨连续梁均布荷载作用下的挠度;计算公式如下:v_5染38457均布恒载:q=quqt2-0.84kN/m;均布活载:p=0.9kN/m;V=(0.677X

6、0.84+0.9900.9)10007(1002.06105)=0.581mm;纵向钢管的最大挠度为0.581mm小于纵向钢管的最大容许挠度100O/150与10mm,满足要求!4.4. 横向支撑钢管计算:支撑钢管按照集中荷载作用下的三跨连续梁计算;集中荷载P取板底纵向支撑钢管传递力,P=2.621kN;100010001000支撑钢管计算简图支撑钢管计算弯矩图kN.mkN.m)2.255支撑钢管计算变形图(mm)2.2632.263口0.3583.93B.9311.311.310.3j82.9792.9也1.315.S.65.S,622.9790.30.3581T131ljlI-2.2622

7、.2623.93B.931支撑钢管计算剪力图(kN)最大弯矩Mlm=0.882kN.m;最大变形Vnax=2.255mm;最大支座力C1.,=9.531kN;最大应力=173.668Nmm2;横向钢管的计算应力173.668N11m2小于横向钢管的抗压强度设计值205Nm112,满足要求!支撑钢管的最大挠度为2.255mm小于支撑钢管的最大容许挠度100O/150与10mm,满足要求!4.5. 扣件抗滑移的计算:按照建筑施工扣件式钢管脚手架安全技术规范培训讲座刘群主编,P96页,双扣件承载力设计值取16.OOkN,按照扣件抗滑承载力系数0.80,该工程实际的旋转双扣件承载力取值为12.8OkN

8、ORRc其中Rc扣件抗滑承载力设计值,取12.80kN;纵向或横向水平杆传给立杆的竖向作用力设计值R=9.531kN;R脚手架的自重(kN):Ngi=0.129X22.8=2.943kN;栏杆的自重(kN):Nc2=0.151=0.15kN;脚手板自重(kN):Ng3=O.311=0.3kN;堆放荷载(kN):Nc.1=211=2kN;经计算得到,静荷载标准值Ng=Ngi+Ng2+Ng3+=5.393kN;4.6.2. 活荷载为施工荷载标准值产生的荷载。经计算得到,活荷载标准值Nq=3X1X1=3kN;4.6.3. 因不考虑风荷载,立杆的轴向压力设计值计算公式N=1.2Ng+1.4NQ=1.2

9、X5.393+1.43=10.672kN;4.7. 立杆的稳定性验算:立杆的稳定性计算公式:其中N一一立杆的轴心压力设计值(kN):N=10.672kN;轴心受压立杆的稳定系数,由长细比1.0i查表得到;i计算立杆的截面回转半径(Cm):i=1.58cm;A立杆净截面面积(CnI2):A=4.89cm2;W立杆净截面模量(抵抗矩)(CnII:W=5.08cm钢管立杆最大应力计算值(Nmm2);f-一钢管立杆抗压强度设计值:f=205N11un2;U计算长度(m);如果完全参照扣件式规范,由公式(1)或(2)计算Io=1.h(1)I0=h+2a(2)k1一一计算长度附加系数,取值为1.167;-

10、计算长度系数,参照扣件式规范表5.3.3;=1.7;a立杆上端伸出顶层横杆中心线至模板支撑点的长度;a=0.1m;公式(1)的计算结果:立杆计算长度U=k1h=1.1671.71.5=2.976m;U/i=2975.85/15.8=188;由长细比l0i的结果查表得到轴心受压立杆的稳定系数=0.203;钢管立杆受压应力计算值;Q=10672.176/(0.203489)=107.51N/mm2;钢管立杆稳定性验算=107.51NZmm2小于钢管立杆抗压强度设计值f=205Nmm2,满足要求!公式(2)的计算结果:1.0/i=1700/15.8=108;由长细比l0i的结果查表得到轴心受压立杆的

11、稳定系数=0.53;钢管立杆受压应力计算值;=10672.176/(0.53489)=41.178N/mm2;钢管立杆稳定性验算=41.178NZmm2小于钢管立杆抗压强度设计值f=205N11un2,满足要求!如果考虑到高支撑架的安全因素,适宜由公式(3)计算Io=klk2(h+2a)(3)k2一计算长度附加系数,按照表2取值1.064;公式(3)的计算结果:1.0/i=2110.87/15.8=134;由长细比lo/i的结果查表得到轴心受压立杆的稳定系数=0.376;钢管立杆受压应力计算值;=10672.176/(0.376489)=58.044N/mm2;钢管立杆稳定性验算=58.044

12、NZmm2小于钢管立杆抗压强度设计值f=205N11un2,满足要求!5.卸料平台其他注意事项卸料平台就自成受力系统,禁止与脚手架连接,防止给脚手架增加不利荷载,影响脚手架的稳定与和平台的安全使用。卸料平台应便于操作,脚手板应铺平绑牢,平台就在明显处设置标志牌,规定使用要求和限定荷载(本工程落地式平台按2KNn限荷)。卸料平台外侧三面须搭高高度不小于90Omm的拦杆,及挂密目式安全。卸料平台在建筑物垂直方向应错开设置,以免妨碍吊运物品。卸料平台在使用中应加强检查,确保安全使用。安全生产十项注意事项:一、工作前穿戴好规定的劳动防护品,检查设备及作业场地,做到安全可靠。二、不违章作业,并监督制止他

13、人违章作业。三、不准擅自开动别人操作的机械,电器开关设备。登高作业应戴好安全带、安全帽、并有专人监护、防止坠落,严禁向下乱抛工具和设备零件。四、不准随便拆除各种安全防护装置、信号标志、仪表及专指示器等。保持设备齐全有效灵敏可靠。五、不准随意启动设备。机器设备停机检查或修理时,应切断电源并悬挂警示牌,取牌人应是挂牌人。开机时发出信号,听到回音确定安全后才能开机。六、不准吊装物及下行人。多人操作起重搬运要统一指挥,密切配合。不准超负荷使用机器。七、不在易燃物品附近吸烟动火,不乱扔垃圾。八、不在厂内无证驾驶机动车辆,机动车进出车间转弯必须鸣号减速。车辆行驶中严禁爬上跳下。九、工作时精力集中,不准打闹、赤脚、赤膊、穿拖鞋和高跟鞋。十、上班时间不准怠工、滋事、脱岗或擅离职守。有事请假经领导批准后方可离开岗位。

展开阅读全文
相关资源
猜你喜欢
相关搜索

当前位置:首页 > 建筑/环境 > 设计及方案

copyright@ 2008-2023 1wenmi网站版权所有

经营许可证编号:宁ICP备2022001189号-1

本站为文档C2C交易模式,即用户上传的文档直接被用户下载,本站只是中间服务平台,本站所有文档下载所得的收益归上传人(含作者)所有。第壹文秘仅提供信息存储空间,仅对用户上传内容的表现方式做保护处理,对上载内容本身不做任何修改或编辑。若文档所含内容侵犯了您的版权或隐私,请立即通知第壹文秘网,我们立即给予删除!